SMC Filter Regulator Instruction Manual

Safety Instructions
These safety instructions are intended to prevent hazardous situations and/or equipment damage.
These instructions indicate the level of potential hazard with the labels of “Caution,” “Warning” or “Danger.” They are all important notes for safety and must be followed in addition to International Standards (ISO/IEC)*1) , and other safety regulations.
*1) ISO 4414: Pneumatic fluid power — General rules relating to systems.
ISO 4413: Hydraulic fluid power — General rules relating to systems.
IEC 60204-1: Safety of machinery — Electrical equipment of machines .(Part 1: General requirements)
ISO 10218-1992: Manipulating industrial robots -Safety. etc.
Caution indicates a hazard with a low level of risk which, if not avoided, could result in minor or moderate injury.
Warning indicates a hazard with a medium level of risk which, if not avoided, could result in death or serious injury.
Danger indicates a hazard with a high level of risk which, if not avoided, will result in death or serious injury.
Warning
- The compatibility of the product is the responsibility of the person who designs the equipment or decides its specifications.
Since the product specified here is used under various operating conditions, its compatibility with specific equipment must be decided by the person who designs the equipment or decides its specifications based on necessary analysis and test results. The expected performance and safety assurance of the equipment will be the responsibility of the person who has determined its compatibility with the product. This person should also continuously review all specifications of the product referring to its latest catalogue information, with a view to giving due consideration to any possibility of equipment failure when configuring the equipment. - Only personnel with appropriate training should operate machinery and equipment.
The product specified here may become unsafe if handled incorrectly. The assembly, operation and maintenance of machines or equipment including our products must be performed by an operator who is appropriately trained and experienced. - Do not service or attempt to remove product and machinery/equipment until safety is confirmed.
1.The inspection and maintenance of machinery/equipment should only be performed after measures to prevent falling or runaway of the driven objects have been confirmed.
2.When the product is to be removed, confirm that the safety measures as mentioned above are implemented and the power from any appropriate source is cut, and read and understand the specific product precautions of all relevant products carefully.
3. Before machinery/equipment is restarted, take measures to prevent unexpected operation and malfunction. - Contact SMC beforehand and take special consideration of safety measures if the product is to be used in any of the following conditions.
1. Conditions and environments outside of the given specifications, or use outdoors or in a place exposed to direct sunlight.
2. Installation on equipment in conjunction with atomic energy, railways, air navigation, space, shipping, vehicles, military, medical treatment, combustion and recreation, or equipment in contact with food and beverages, emergency stop circuits, clutch and brake circuits in press applications, safety equipment or other applications unsuitable for the standard specifications described in the product catalogue.
3. An application which could have negative effects on people, property, or animals requiring special safety analysis.
4.Use in an interlock circuit, which requires the provision of double interlock for possible failure by using a mechanical protective function, and periodical checks to confirm proper operation.
Caution
The product is provided for use in manufacturing industries. The product herein described is basically provided for peaceful use in manufacturing industries. If considering using the product in other industries, consult SMC beforehand and exchange specifications or a contract if necessary. If anything is unclear, contact your nearest sales branch.
Limited warranty and Disclaimer/Compliance Requirements
The product used is subject to the following “Limited warranty and Disclaimer” and “Compliance Requirements”. Read and accept them before using the product.
Limited warranty and Disclaimer
- The warranty period of the product is 1 year in service or 1.5 years after the product is delivered, whichever is first.2) Also, the product may have specified durability, running distance or replacement parts. Please consult your nearest sales branch.
- For any failure or damage reported within the warranty period which is clearly our responsibility, a replacement product or necessary parts will be provided. This limited warranty applies only to our product independently, and not to any other damage incurred due to the failure of the product.
- Prior to using SMC products, please read and understand the warranty terms and disclaimers noted in the specified catalogue for the particular products.
2) Vacuum pads are excluded from this 1 year warranty. A vacuum pad is a consumable part, so it is warranted for a year after it is delivered. Also, even within the warranty period, the wear of a product due to the use of the vacuum pad or failure due to the deterioration of rubber material are not covered by the limited warranty.
Compliance Requirements
- The use of SMC products with production equipment for the manufacture of weapons of mass destruction(WMD) or any other weapon is strictly prohibited.
- The exports of SMC products or technology from one country to another are Gove med by the relevant security laws and regulation of the countries involved in the transaction. Prior to the shipment of a SMC product to another country, assure that all local rules goemin that export are known and followed.
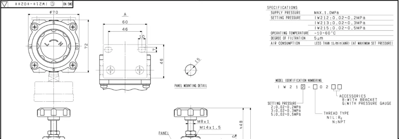
1. Specifications

2. Construction and operation principle
Compressed air from inlet passes filter (sintered metal) to get rid of fine particles. Rotating handle opens the supply valve by set spring compressed force, and clean air flows into the outlet. Outlet pressure acts on diaphragm, and is balanced with pressure corresponding to the compressed pressure of set spring. If outlet pressure becomes high, the force act on diaphragm becomes larger than compressed force of set spring. And simultaneously the supply valve closes, the exhaust port opens to release excess pressure to the atmosphere so that consistent pressure is kept.

3. How to order

4. Precautions for handling
Warning
Handling
- When adding the pressure gauge to mount, reduce the set pressure to 0 before removing the plug.
- When open the drain cock, move personnel’s body (especially “eye”) away from the drain cock end.
- If the system is expected to be dangerous when the filter regulator fail, please consider system with safety circuit to avoid danger.
Caution
Operation
- Operation out of specification range lead to cause failure. (See item 1. Spec.)
- Drain cock is shipped opened. Close the cock for operation.
- Rotate the drain cock counter clockwise to open, clockwise to close.
- Although air is discharged from the breed port (hole on bonnet side),this is necessary discharge. Not a problem.
- Tighten the lock nut after adjusting the pressure.
Caution
Handling
- Vibration and impact on the filter regulator with a pressure gauge cause failure. Care should be taken for transporting and handling.
- When left untouched for long at operating site, plug the piping port to keep rain water from entering inside of piping.
Atmosphere of high temp, high humidity, solution against dew formation has to be prepared, especially for package for transporting. - When mounting, ensure the letter “IN” indicating air inlet and connect piping placing the case downwards for draining. Do not lay sideway or place upwards.
Caution
Air
- Do not use compressed air containing chemicals, synthetic fluid containing organic solvent, sodium, corrosive gas. They lead to cause malfunction.
- Use air dryers or aftercoolers when the air contain drain a lot to avoid air compressor malfunction.
Caution
Operating Condition
- Do not use in atmosphere containing corrosive gas, chemicals or exposed to sea water or vapor.
- Do not use where vibrate or exposed to impact.
- When heat source exist nearby, protect the regulator from the radiation heat.
Caution
Piping
- Fully flush or wash pipes before piping to remove cutting oil and dust in pipes.
- When inserting pipes and fittings, keep pipe screw chip dust and sealing material from entering to them. When using a seal tape, leave two threads.

Caution
Maintenance
- Care should be taken to handle compressed air. Keep the product specification. It must be experienced person with knowledge of pneumatic who is in charge of maintenance including replacing element.
- Rubber parts such as diaphragm, “O” ring and packing are worn out. Periodic check and replace are necessary. (Perform annual inspection and replacement every three years)
- Discharge condensed fluid in the drain and wash elements periodically. (Although depends on operating condition, every month or every three months is rough scale)
5. Troubleshooting



Revision
- A Total revision
- B Change of address
- C Delete exploded view spare parts list, replace drawing
![]()
4-14-1, Sotokanda, Chiyoda-ku, Tokyo 101-0021 JAPAN
Tel: + 81 3 5207 8249 Fax: +81 3 5298 5362 URL http://www.smcworld.com
Note: Specifications are subject to change without prior notice and any obligation on the part of the manufacturer. © 2020 SMC Corporation All Rights Reserved



















