
Leer, Inc.
206 Leer Street, P.O. Box 206
New Lisbon, WI 53950
1-800-766-5337
www.leerinc.com
STORAGE FREEZER
INSTALLATION, OPERATION, AND SERVICE MANUAL
WARNING: This product can expose you to chemicals including nickel, which is known to the State of California to cause cancer (For more information go to www.p65warnings.ca.gov)
Start-UP
Storage and Transportation:
The freezer should be stored and transported in an upright position. It is not recommended to tilt the freezer. If the freezer is tilted beyond 45 degrees of vertical, oil may drain from the compressor causing premature failure.
Do Not stack merchandisers on top of one another due to risk of falling. Falling merchandisers could result in damaged units or serious injuries. It is recommended to use a warehouse racking design to accommodate the weight of the merchandisers and prevent falling.
Packaging:
Prior to installation, the outer packaging on the freezer will need to be removed. The majority of the packaging materials can be recycled and disposed of in an environmentally friendly manner. The wooden skid is secured to the underside of the merchandiser with hex-headed screws and will require the use of a 3/8″ hex socket for screw removal.
Installation
Freezer Placement:
When placing the freezer, allow a minimum of 3 inches of air space from all surfaces of the cabinet and any surrounding structures. This air space allows for airflow over the surface of the cabinet, thus reducing condensation and aid in the drying of these surfaces.
On outdoor auto-defrost models, the 3-inch space behind the freezer will also help ensure that the evaporator drain tube, which exits the back wall, is not being restricted during the defrost cycle.
Freezer Leveling:
The freezer installation location should have a solid, level base. If the freezer is exhibiting a slightly forward lean, the front of the cabinet should be blocked to bring the cabinet to a level position. On auto-defrost models, a forward lean may affect proper draining of the unit cooler assembly during the defrost cycle.
- Leveling Kit (4 pc.) No. 5350029, which is compatible with use on most cabinet models, is available.
Contact the Merchandiser Sales Department at Leer, Inc. for additional information.
Electrical:
Warning! Component parts shall only be replaced with like components. Electrical and servicing should be done by licensed professionals. Disconnect power before performing service. Certain models contain multiple voltages. Leer does not assume
responsibility for any damage to people or things deriving from violation, improper use or in any case not in compliance with Leer’s instructions.
The freezer must be plugged into a dedicated and properly grounded 115V/60hz/1Ph circuit with a circuit fuse or breaker rated at a 15 or 20 Amps depending on the model. The electrical service connections to the freezer must be compliant with the national electric code and local codes that may apply. DO NOT use extension cords. The 20 Amp plug configuration, that some models come with, should NOT be removed. Some models are equipped with the main power switch. If so equipped, make sure the switch is in the OFF position before plugging the freezer into the outlet. Plug the freezer power cord into the lower receptacle of the electrical outlet. Turn the switch if equipped into the ON position. After a few seconds delay, the compressor and the condenser fans should start. The light fixture should start immediately when power is applied. The evaporator fans are set to operate only if the evaporator coil temperature is <75℉. The condensing unit will continue to run until the air temperature in the cabinet reaches -12°F.
WARNING: Operating more than one appliance on the same circuit may result in voltage fluctuations when both appliances are operating simultaneously. This voltage fluctuation may cause the circuit breaker to trip and/or may cause voltage drops. As a result, the power to the freezer may be interrupted and freezing performance can be adversely affected which may cause equipment damage and /or product loss. The voltage supply to the merchandiser must not vary more than ±10% of the normal 115V.
Information regarding the electrical voltage and frequency being supplied to the merchandiser can be found on the merchandiser’s serial data plate typically located at the upper left corner of the merchandiser’s interior. Information regarding the
maximum fuse/circuit breaker size required for the specific model is available from the condensing unit data plate.
Condensate Evaporator:
Indoor auto-defrost models are supplied with a condensate evaporator heater assembly which is packaged with instructions and shipped inside the freezer. It will require simple installation by the consumer (see Figure 1). A separate copy of this instruction sheet is supplied with the condensate evaporator assembly. The condensate evaporator assembly contains a drip pan to collect water generated by the freezer’s defrost cycle and a heat element to evaporate the water. Once energized, the heating element in the condensate evaporator assembly is continuously generating heat. The freezer is to be placed so that there is at least 1 inch of air space between the back surface of the condensate evaporator housing and any wall surface behind the cabinet which allows for heat dissipation away from the surface of the wall. The main power cord should also be routed to avoid pinching.
Note: Do not operate an indoor auto-defrost merchandiser without having a condensate evaporator assembly installed under the evaporator drain tube exiting the back wall of the cabinet. Failure to install this assembly will result in water draining directly onto the floor during the defrost cycle. This may result in water damage to the floor and create a hazardous slip condition in the area
surrounding the freezer. 
Operation
Electronic Controls: Digital Display:
Operating Mode Display:
- Snowflake “ON” – compressor enabled in the run cycle; control displays current cabinet temperature.
- Snowflake “Flashing” – anti-short cycle delay enabled to protect the compressor from trying to start too frequently.
- Melting Snowflake “ON” – defrost in progress, control displays the letters “DE”
- To view the control’s programmed “Set Point” (cut-out temperature): press and release the “Set Key.”
- To initiate a manual defrost cycle: press and hold the “Manual Defrost Key” for more than 2 seconds.
Note: Manual Defrost will not initiate unless the unit is at standard operating temperatures.
Electronic Control Operation:
The electronic control combines the functions of both the mechanical thermostat and defrosts timer into a single control. The control also offers the consumer the capability of monitoring the operational status of the freezer via the icon and digital temperature display (located on the face of the control). The controls have been programmed by Leer to operate the freezer within the design parameters of the refrigeration system. The setpoint (cut-out) has programmed parameters for -12° F, with a the differential of 6° F. Should the user desire to alter the Set-Point, the new set-points should not exceed +/- 4° of the original factory setting. Do not alter any of the programming parameters in the controls without first consulting with Leer.
Auto-Defrost Control:
The AD control is located under the condensing unit cover and contains two thermal-couple probe wires. Both probe wires are routed through the cabinet’s suction line hole and into the unit cooler assembly, which is mounted to the interior ceiling of the cabinet. The Red Air Sensing Probe (“P1”) routes through the unit cooler and has its’ sensing bulb secured to the outer, left-hand wall of the unit cooler. Probe “P1” monitors the air temperature in the freezer at that location. During the normal operation of the control, the digital display will show the cabinet temperature at the probe “P1” location. The Black Probe “P2” is inserted into the finned section of the evaporator coil, near the top of the unit cooler assembly. This probe monitors the temperature of the evaporator coil during the defrost cycle.
Possible Displayed Alarm Codes:
“P1” – Air Probe failure: The control will override the “P1” functions and cycle the compressor for 17 minutes until the probe fault can be corrected.
“P2” – Evaporator Probe failure: The control will override the “P2” function and operate with a timed defrost cycle until the probe fault can be corrected.
“HA” – Maximum Temperature Alarm: The cabinet air temperature has exceeded the programmed temperature for a period exceeding 15 minutes. The alarm will continue to display until the cabinet temperature drops below maximum levels.
“LA” – Minimum Temperature Alarm: The cabinet air temperature has dropped below the programmed minimum. This alarm will continue to display until the cabinet temperature rises above the minimum level.
Note: Should a “P1” or “P2” alarm occur, check the probe wire connections to the control prior to replacing the probe wire.
For more detailed information regarding the Electronic Control programming and instructions, please contact Leer, Inc. Merchandiser Division Customer Service. Phone: 800-766-5337. Contact information is available on our website at
http://www.leerinc.com/icemerchandisers/merchandiser-sales-distributors/
Loading Product:
The freezer should be prechilled prior to loading with the product. Pre-chilling will aid the freezer in reaching storage temperature at a faster rate once loaded and reduce the risk of melting the product.
Do not overfill the freezer! Leave room for airflow. Do not stack product high enough to block off the evaporator fans in the unit cooler assembly. The evaporator fans are intended to pull warm air entering the cabinet into the unit cooler and then push that warm air across the surface of the evaporator coil. This process removes the heat prior to distributing the air into the cabinet.
If the unit has air ducts, avoid stacking product above the op edge of the air ducts that are installed on the walls of the cabinet interior. Blocking off these air ducts may restrict the even distribution of cold air throughout the cabinet which may result in warm spots.
Condenser Fan Pressure Switch:
Some freezer units, to maintain proper system operation, may be equipped with a pressure switch that operates the condensing unit fan.
Maintenance
Note: Component parts shall only be replaced with like components. Maintenance and repair of the electrical and refrigeration systems should only be done by trained and qualified personnel. Disconnect power before performing service. Certain models may contain multiple voltages. Leer does not assume responsibility for any damage to people or things deriving from violation,
improper use, or in any case not in compliance with Leer’s instructions.

Cleaning the Freezer:
The freezer should be cleaned annually. In corrosive environments such as coastal regions and areas where deicing chemicals and road salts are used, more frequent cleaning is recommended.
The exterior of the freezer can typically be cleaned with the use of detergents diluted in warm water followed by a tap water rinse. The exterior paint is capable of withstanding the use of polishing compounds and most solvents. If using stronger cleaning agents, they should be tested on small, inconspicuous areas prior to application onto visible surfaces of the freezer. If cleaning the interior of the freezer, the use of detergents with strong odors (i.e. citrus-based cleaners), abrasive cleaners containing chlorine bleach, and any form of solvent-based cleaners are not recommended. They may leave objectionable odors inside the cabinet which may be absorbed by the rice being stored in the freezer.
Cleaning Door Gaskets:
Door gaskets may mildew and stiffen over time. The gasket is made of a soft, flexible rubber-like material that can be cleaned using most kitchen and bath cleaners designed for mildew removal. Review manufacturer information and instructions on any cleaning agent prior to use to determine the cleaner’s compatibility with the surface being cleaned.
Cleaning Condenser Coils:
It is recommended to inspect and clean the condenser coil and fan blades every 3 months. There are a variety of methods available for cleaning the condenser coils. Debris are being drawn into the coil by the condenser fan and the debris should be removed in the opposite direction.
- The simplest and preferred method would involve the use of a vacuum cleaner to suck the debris out of the coil from the outside surface.
- Another method is using compressed air to blow dust from the coil. The debris should be blown out from the inside surface of the coil.
WARNING: When using compressed air, there may be a cloud of dust released into the air surrounding the machine.
It is recommended that the service person wear the proper protective equipment (i.e. safety glasses and a dust mask) when performing coil cleanings.
Note: DO NOT use any type of filter media in front of the condenser coil to trap dust. Filter testing has proven to create enough restriction of airflow to reduce the efficiency of the coil’s heat exchange.
Defrosting the Freezer:
Auto-Defrost cabinet models are equipped to be self-defrosting and are designed to automatically enter defrost mode once every four hours. During the defrost cycle, the power to the refrigeration system will be automatically redirected to the defrost circuit. This will shut down power to the condensing unit and evaporator fan motors and send power to a heating element that is attached to the surface of the evaporator coil. The heat generated by the element will melt the ice build-up on the evaporator coil and the resulting meltwater will drain through a tube out of the back wall of the merchandiser. On outdoor cabinet models, the meltwater will exit the drain tube directly to the ground. On indoor cabinet models, the consumer needs to install the condensate evaporator heater assembly (described in the Installation section of this manual) onto the exterior back wall of the cabinet.
The meltwater from the defrost cycle will drain into a catch pan where it will then be heated to the point of evaporation. The function of the condensate evaporator’s heat element should be checked routinely. Failure of the element could result in an
overflow condition for the assembly’s drain pan. A simple check of the heater would be a tough test of the surface temperature of the assembly’s
Auto-Defrost Electronic Control:
The AD freezer comes equipped with electronic control (as described in the Operation section of this manual). The timer is factory set for a 24 minute defrost cycle to occur at 4-hour intervals. Like a mechanical timer, the electronic control will switch power from run mode (condensing unit and evaporator fans) to defrost mode (defrost heat element). Whereas the mechanical timer operates strictly on a timed cycle, the duration of the electronic control’s defrost cycle is controlled by the temperature at the sensor probe “P2.” If the temperature at this probe reaches 60° prior to the 24-minute timed cycle ending, the control will override the timed cycle and immediately switch power from the defrost mode to the run mode. If the temperature is not reached at probe “P2,” the defrost cycle will continue for the entire 24-minute programmed cycle prior to returning to run mode.
Energizing the defrost circuit in the electronic control can be verified with the illumination of the “melting snowflake” and the letters “DE” appearing on the control’s display screen.
The electronic defrost circuit is equipped with a defrost termination safety switch and is attached to one of the evaporator coil tubes (located inside the Unit Cooler Assembly). This switch senses temperature and will cut power to the defrost heater element should the temperature at the surface of the switch reach 100° F. This switch only terminates power to the heating element and will not end the timed/temperature defrost cycle. Once the merchandiser has returned to run mode, the housing. The condensate evaporator’s heat element is energized continuously so the surface of the housing should always be hot to the touch. If testing the heat element with a meter, the element can be unplugged from its’ power source and a resistance reading can be taken through the plug’s bladed terminals. The condensate heater is rated to generate 125 watts of power, which translates to
approximately 106 ohms of resistance.
It is recommended to check the operation and condition of the evaporator coil and for signs of excessive ice buildup every 3 months termination safety switch will be re-set when the temperature at its’ surface reaches 70° F.
Warning! The defrost termination/safety switch functions as a possible fire protection device. Do not remove or bypass the switch from the defrost circuit.
Note: If an electronic control AD unit loses power, it will automatically enter a defrost cycle.
Note: Certain models may contain a drain line heater to prevent ice from forming inside the drain tube.
Solid Door Models and Maintenance:
Cabinets designed for outdoor use will have a metal-clad door that has been insulated with the same urethane foam insulation as the cabinet. For routine cleaning of the door’s exterior surface, a mild detergent diluted in warm water should be adequate.
Routine inspection of the door gasket seal is recommended. If damage has occurred, replace the gasket.
Hinge Spring Tension:
A simple test of the spring-load tension is to open the door just enough to insert two fingers between the surface of the cabinet and the handle side of the door. When the fingers are withdrawn, there should be enough tension set on the hinge spring-loads to slowly move the door to a closed position. If the door does not move from this two-finger location, it’s likely that either the spring-load requires re-tensioning or lubrication. If the door moves partway from the two-finger location but stops short of the cabinet, the compression of the gasket along the hinge side of the door should be checked. If there is too much compression, the door will bind when closed and should have its hinge-mount location checked and possibly adjusted. Removing the hinge covers will expose the spring-loads for tension adjustment or removal. Removal of the spring-load will expose the hinge-adjustment plate and mounting screws should hinge adjustment be required. See Figure 2 for instruction regarding spring-load installation and adjustment.
SPRING CARTRIDGE INSTALLATION INSTRUCTIONS

- Install No. 220 Hinge with Adjustment Plate.
- Assemble Spring Cartridge. Grease bushing end of pin prior to insertion into Stationary Bushing. Apply a small amount of grease to the hinge-pin hole on the end of the Adjustment Collar Assembly. (Fig. 1).
- Place Thrust Washer and Stationary Bushing over the square pin in the Hinge and insert the Adjustment Pin into the Adjustment Collar. Using the Adjustment Pin, compress the spring and place the Adjustment Collar over the round pin (Fig. 2).
- Using the Adjustment Pin, turn the Adjustment Collar until the Pin contacts the Hinge. Then insert the Stop Pin in the hole of the Adjustment Collar (Fig. 3). CAUTION: The Stop Pin must fully seat on Adjustment Collar. Failure to do so may cause the Stop Pin to become dislodged. Inserting the Adjustment Pin more than halfway thru the Adjustment Collar can cause partial push out of the Stop Pin. Repeat adjustment until desired tension is reached. The maximum tension is 6 holes or approximately 1-1/4 turns.
- Install Cover on Hinge.
WARNING: Use safety glasses when installing and adjusting spring tension.
Figure 2: Spring Install Instructions
Solid Door Magnetic Gasket Replacement Instructions:
- Position solid door on a flat non-abrasive surface, exterior side down.
- Remove old gasket by grasping firmly at the corner and pulling away from the door frame extrusion.
- Inspect the extruded slot to ensure there are no particles to interfere with the new gasket installation.
- Align the new gasket with door corners and use the thumb to press into the frame.
- Start at one corner of the frame and begin pressing the new gasket into the slot. Using a nonabrasive tool such as a hammerhead works well for this application. Apply downward pressure while moving along the perimeter of the frame. Excessive pressure may stretch the gasket and cause bulging at the corners.


Figure 3: Door Gasket Install
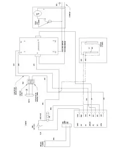
Electronic Control- AD Wiring Diagram W/Relay:

Notes: …………………………
Warranty:
REFRIGERATED REACH-IN STORAGE FREEZERS: Seller warrants the freezer under normal use and service, for one (1) year for the component parts (to be shipped by the seller), and ninety (90) days for repair labor from the date of original shipment. The freezer compressor motor is warranted for five (5) years from the date of original shipment. SELLER MUST BE CONTACTED AND PROVIDED A FREEZER SERIAL NUMBER FOR WARRANTY CLAIM. This applies only to goods installed in the United States, Canada or Mexico. Seller’s obligation under this warranty shall be limited to repair (subject to the limitations below) or replacement of any part(s), F.O.B. Seller’s factory, which prove(s) defective within the applicable warranty period. Seller reserves the right to inspect the defective part(s) and may at Seller’s discretion require the return of part(s) to Seller’s factory for inspection. The determination as to whether any defect exists shall be made in Seller’s sole judgment.
GENERAL PROVISIONS APPLICABLE TO ALL WARRANTIES AND PRODUCTS: Seller shall not be liable for any breach of any express warranty set forth above unless Seller is informed immediately upon the discovery of defective part(s). The warranties described above are not assignable and shall operate only in favor of the original buyer/user. In event of any claim for breach of express warranty, Seller shall be responsible for labor charges for repair or replacement of any defective part(s) or assembly only for defects reported to Seller within ninety (90) days after the date of installation. ALL LABOR CHARGES SHALL BE AUTHORIZED OR APPROVED BY THE SELLER PRIOR TO THE REPAIR OR REPLACEMENT OF PART(S). In all other events, Seller shall not be responsible for any labor charges. Labor charges shall only include standard straight time labor hours at the site of product installation and shall exclude charges for travel time, mileage, or other premium charges. These warranties shall not apply to any goods, or any part thereof, which may have been subject to any damage in transit, accident, negligence, abuse or misuse, unauthorized alteration or repair, acts of nature or failure to follow any of the Seller’s manuals or instructions, if in Seller’s sole judgment, such act, omission or event has detrimentally affected the physical condition, use or operating qualities of the product.
SELLER MAKES NO WARRANTY, EXPRESS OR IMPLIED, BY REASON OF LAW, STATUTE, OR OTHERWISE, INCLUDING ANY IMPLIED WARRANTY OF MERCHANTABILITY OR FITNESS FOR A PARTICULAR USE OR PURPOSE, AND ALL IMPLIED WARRANTIES ARE HEREBY DISCLAIMED.
SELLER SHALL NOT BE LIABLE FOR LOSS OF GOODS, MERCHANDISE, OR OTHER PROPERTY, OR LOSS OF PROFITS, RESULTING FROM PRODUCT DEFECTS. IN NO EVENT SHALL THE SELLER’S LIABILITY UNDER ANY CIRCUMSTANCES FOR ANY BREACH OF CONTRACT OR FOR ANY OTHER CLAIM BY BUYER AGAINST SELLER EXCEED THE CONTRACT PRICE OF THE GOODS SOLD HEREUNDER WITH RESPECT TO WHICH SUCH CLAIM ARISES.
MODEL NO. ______________________
SERIAL NO. ______________________

















