
INSTRUCTION MANUAL
CHEST FREEZER
BD-318HEC BD-288HEC
The appearance, size, color, and pattern of the chest freezer, according to the real object, please. The diagram above shows an example of one of the models covered in this book.
BD-288HEC Chest Freezer
Please read through this user manual for a better understanding of the product. You may highlight whichever important parts you need to take note of it. Do keep this copy well for future reference.
You have purchased a good appliance that will serve you for many years if it is used and maintained correctly. The illustration (FIG.) are on the last pages of this user manual.
Safety Information and Advice
Unpacking the freezer
- Please ensure that all packaging materials are removed and disposed of prior to installation and kept out of children’s reach.
- This freezer has well-supported packaging to prevent damage during transit. If the freezer is damaged in any way please contact the place of purchase.
Safety information and advice: Installation
- The main electricity supply must comply to the indication of the rating plate on the appliance.
- The freezer must not be connected to the electricity supply during the installation process.
- A dedicated socket with reliable grounding must be provided for the freezer. The freezer’s power cable is fitted with a 3-pin (grounding) plug that fits a 3-pin (grounding) plug socket.
- Ensure that the domestic wiring is properly connected.
- If the power cable is damaged in any way, do not connect to the power supply. The cable must only be replaced by either the manufacturer or the authorized service agent.
- The freezer is operated through a 220-240VAC/50Hz power supply. Abnormal voltage fluctuation may cause the following problems: can’t turn on/operate; damage the temperature control; damage the comprseemmake a noise when the compressor is operating. To avoid abnormal voltage fluctuation, an automatic regulator should be installed and used in conjunction with this appliance.
- The appliance cannot be installed outdoors, in a damp area, or where it may be splashed by water.
- The freezer should be installed in a dry well-ventilated room.
- The appliance must be kept away from direct heat sources and direct sunlight.
- Do not roll over the power cord when moving the freezer.
- The freezer should be placed horizontally on a level, flat and solid surface.
- The ventilation openings should be kept free from obstruction.
- Refrigerant gas can be harmful. If you are exposed to the gas, please rinse thoroughly and call/consult a physician immediately.
- Ensure that the power cord is not trapped by the freezer or anything else.
- Always ensure that the power supply is switched off prior to conducting any maintenance or freezer cleaning.
- Ensure the plug is easily accessible after it has been installed.
- The use of adapters, multiple connectors, and/or extension cables is not recommended.
- It is recommended to remain idle for approximately 2 hours after installation to ensure the refrigerant circuit has time to stabilize.
This appliance is not intended for use by persons (including children) with reduced physical, sensory or mental capabilities, or lack of experience and knowledge unless they have been given supervision or instruction concerning the use of the appliance by a person responsible for their safety. Children should be supervised to ensure that they do not play with the appliance.
- This appliance is intended to be used in household and similar applications, such as – staff kitchen areas in shops, offices, and other working environments; – farm houses and by clients in hotels, motels, and other residential type environments: – bed and breakfast type environments: – catering and similar non-retail applications.
- WARNING -Keep ventilation openings, in the appliance enclosure, clear of obstruction.
- WARNING -Do not use mechanical devices or other means. to accelerate the defrosting process.
- WARNING -Do not damage the refrigerant circuit
- WARNING -Do not use electrical appliances inside the food storage compartments of the appliance.
- WARNING: When positioning the appliance, ensure the supply cord is not trapped or damaged.
- WARNING: Do not locate multiple portable sockets – outlets or portable power supplies at the rear of the appliance.
- Do not store explosive substances such as aerosol cans with a flammable propellant in this appliance.
- Pertaining to the installation, handling, servicing, and disposal of the appliance, please refer to the instruction manual as follow.Due to flammable refrigerant and blowing gas used. disposal must be carried out according to local regulations.
Warning: Risk of fire! Flammable materials
Direction for Use
In the following, you will find all the important information for the use of your appliance. The instructions to use apply to several models, which is why details of the information may differ according to the type of appliance.
Safety Information and advice: Using your freezer.
- The appliance cannot be installed outdoors or in a damp area. Leave at least 10cm between the freezer and surroundings for ventilation and heat elimination. Leave enough above the freezer for door opening and food loading.
The freezer might not operate consistently (possibility of defrosting of contents or temperature becoming too warm in the frozen food compartment) when sited in a place of ambient temperature is +10°C for an extended period.
- The appliance must be kept away from direct heat sources and direct sunlight.
- The internal cavity of the freezer should be dry/dried prior to use.
- The refrigerant is highly flammable and should not be tampered with. Mechanical works on the freezer should only be executed by an authorized service agent by the manufacturer.
- Do not use any electrical, sharp, or mechanical objects to speed up the defrosting process unless it is recommended by the manufacturer or authorized service center.
- Do not use electrical appliances in the freezer.
- Bottled beers and beverages should not be stored in the freezer
- Do not allow children or infirm persons to operate the freezer without adult supervision.
- Children should be supervised to ensure that they do not play with the appliance.
- The freezer should only be opened using the handles.
- The door is fitted with a vacuum seal that will release the door for re-opening after about 1-2 minutes. Do not force the door open as this can damage the seal.
- It is advisable that the technical details from the rating plate be recorded for reference without having to move the appliance.
- To prevent the temperature from being accidentally modified, the control knob is intentionally resistant to turning. To adjust the temperature setting, we recommend using a coin or screwdriver.
- It is not advisable to touch the inner walls of the freezer with damp or wet hands as this may cause an injury.
Safety Information and advice: Cleaning your freezer - Always ensure that the power supply is turned off and the unit is unplugged from the mains, prior to cleaning your freezer.
- To ensure the electrical insulation, do not spray or splash water over the unit when cleaning it.
- Bottled beers and beverages should not be stored in the freezer
- Do not use abrasive cleaning products in your freezer.
Safety Information and advice: Disposal of the freezer
To avoid accidents, all doors, locks, handles, gaskets, cables, and plugs should be removed and disposed of in the correct manner and the door must be inactive when disposing of the unit.
Temperature Setting
After starting up the freezer, the temperature will be set at factory setting: -18 C. This optimum temperature will be able to store the food within a time period specified in the freezer storage guide provided. The compartment temperature is accurately and independently controlled and does not change with the surrounding temperature or humidity. If you wish to adjust the temperature of your freezer this can be easily done by using the control panel located in the front bottom right of the appliance.
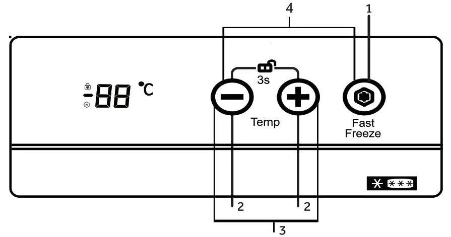
Electronic Control Panel to Adjust Temperature

EXTERNAL DISPLAY FEATURES
| + and— | Temperature adjustment | The temperature will change on the screen when + adjustment or — buttons are pressed |
| Fast freeze | ||
| key lock | ||
| Temperature icon | Current temperature display, High-temperature Alam ‘HH’ display, Error code ‘F4’ display |
Press(1) to activate the fast freeze function, it will be switched off automatically after 56 hours for energy saving.
Energy consumption will increase when this function is turned on.
Press (2) to adjust the temperature between 10 C to -30 C.
Press (3) for 3 seconds to lock/unlock the control panel. This will ensure that any settings will not be accidentally activated or adjusted.
Press (4) for 3 seconds to make sure the screen is on/off. When code “HH” is displayed, it indicates the temperature in the operating freezer is too high.
“HH” display: Please check whether the door is closed tightly or whether a large amount of hot food is put in. After a period of time, the “HH” icon will stop flashing. Otherwise, please contact the after-sales team.
“F4” display: Sensor faulty. Please contact the after-sales service department. The freezer can still function as normal under this circus
5 Start-up
- Fully unpack the appliance.
- Remove the polystyrene parts in the compressor chamber (if supplied).
- Remove documents and any accessories from the inside of the appliance.
- Clean the interior with lukewarm water, and dry thoroughly with a cloth.
- Close the appliance.
- Insert the plug into the socket.
*Remove as it is repeating the previous sentence - Switch on the appliance. Indicators will light up and temperature will be displayed.
- Leave the freezer for an hour to allow the temperature inside to reach the necessary level then store the foods.
- If you wish to freeze fresh, unfrozen food, go on to the following section “Freezing/storage of fresh food”.
Important!
When storing ready frozen food, you must observe the manufacturer’s instructions on the food packaging.
Freezing/ Storage of Fresh Food
Storing food in the freezer
- Hot food should be cooled down to room temperature prior to placing it in the freezer.
- Smaller portions of foods can be frosted and defrosted faster. The recommended portion size is approximately 2.5kg
- Food should be stored in air-tight, sealed containers, or food storage bags prior to freezing. Ensure that the storage containers are dry to prevent them from sticking together.
- It is advisable to write down the freezing date for food that is stored to avoid expiration.
- Only defrost the required amount of food, as frozen food should not be re-frozen once thawed.
Food is better to be encapsulated before being stored in the freezer to avoid water loss and odor taint.
Warning: Acid, alkali, salt, etc., could erode the internal surface of the freezer. Do not place the food having these substances (e.g. sea fish) directly on the internal surface. Saltwater in the freezer should be cleaned in time.
Do not exceed the storage time(s) recommended by the food manufacturers for any kind of food and particularly for commercially quick-frozen food in the freezer.
Then continue as follows
a) We recommend you place fresh foods in the freezing compartment at the side (not all models are equipped) or on the bottom of the freezer as this is the coldest part.
Avoid placing fresh foods directly in contact with deep frozen food. Deep frozen food could defrost and may not outlast the foreseen storage time.
b)The capacity of the freezer, as shown on the rating plate, should not be exceeded
c) If available, switch on the FAST FREEZE (not necessary if the food items have already been deep frozen before)
d) After 24 hours, move deep-frozen foods from the bottom of the freezer or the pre-freeze shelf(optional) to a hung basket (H) so that places are available to freeze additional fresh foods.
e) Turn off the FAST FREEZE.
f) Set the temperature control to one of the appliance’s relevant filling capacities (see “Maximum stacking height).
g) Keep the temperature in the storage compartment(E) under control, preferably by placing a thermometer with a scale range of up to — 30°C. The storage temperature must always be at least -18°C.
Refilling Fresh Food(not frozen)
Ensure the fresh food that you refill is adequate to the freezer’s capacity (XXkg/24h) and the earliest storage is 24 hours after the previous filling. FAST FREEZE should be turned on at least 30 hours in advance and switch off when fresh food is filled. (do not exceed the maximum stacking height)
Maximum Stacking Height
Avoid filling food up to the edge of the storage compartments (E). Always allow some space between the lid and the frozen food. The maximum height of food storage should be the part under the lid.
Storage Time
Different deep-frozen foods have different storage times depending on the product type and packaging. Hence, please properly observe and read the instructions on the food packaging.
To deep freeze the fresh food, please refer the storage table at the back of this user manual for proper guidance.
After defrosting, food should be consumed immediately.
Cleaning and Maintenance
To upkeep the freezer’s external appearance, clean it with furniture polish or other enamel-protecting products (do not attempt to use it on the inside). Clean the lid seal (B) with only warm water and avoid using any cleaning product.
If your freezer has a condenser (0) on the rear inside, remove the dirt and dust from time to time to improve the cooling effect and energy saving.
For best results, use a light brush or duster to remove the dust from the condenser.
If you leave your freezer unattended/ unused for a long period of time (e.g. on vacations), please remove all the food, unplug the freezer and keep the door open to avoid bad odor inside.
For appliances with locks, ensure to always set the lock in “closed” status and keep the key away from children to prevent accidents.
Extra care for frozen foods is needed in the event of a power outage or failure of the refrigerating system. The rise in the temperature of the freezer could shorten the frozen food storage life.
Remove the ice and frost layers formed on the freezer inner wall when it becomes thick as they act as an insulation element and caused the cooling performance to be diminished. Hence, please remove them from time to time.
To remove the inner wall’s frost, use a plastic or wood scraper without sharp edges. Before that, cover the frozen food with a cloth to collect the scraped frost to ensure easier removal.
Defrosting
A freezer should be manually defrosted once the thickness of the inner wall’s frost reaches 5-6mm.
Procedures as below:
- Ensure you unplug the power socket.
- Dry both your hands thoroughly to prevent skin damage through contact with ices. It is advisable to use gloves.
- Wrap all the frozen food with newspaper before moving it from the freezer to a container. Then place the container in a dry and cool room.
- Lift the divider (certain models only) upwards and out of the freezer guide rail.
- Use the divider (certain models only) as a defrosting tray and place it at the side under the freezer where the defrosting water drain plug is located.
- Pull out the drain plug (if applicable) located at the bottom of the freezer. If the freezer does not own a drainage hose, you need to remove the excess water using a sponge.
- As described earlier, scrape the thickened ice carefully from the freezer inner wall and put it in the kitchen sink.
- If necessary, speed up the defrosting process by placing a huge pot of warm water (not too hot) into the freezer.
- Clean the compartment inside thoroughly and rinse it with warm water.
- Wipe the freezer with an absorbent cloth. Let it air dry for about 3 to 4 minutes.
- Replace the drain plug (if provided).
- Empty the divider (certain models only) and slide it back into the guide rail of the freezer.
- Close the freezer door and connect the plug to the power socket. Then turn on the freezer.
- Switch on the FAST FREEZE.
- Refill the frozen food with the oldest items on top.
- Switch off the FAST FREEZE after 8 to 12 hours.
Interior Light(certain models only)
- The freezer has a built-in light. Freezer light on when the door is open and light off when the door is closed.
- When the light stops working, it can be replaced by the manufacturer, service agent, or similarly qualified person to avoid hazards.
Energy Conservation - The freezer should be placed in a dry and ventilated room. The freezer should not be put under direct sunlight or next to a heat source (e.g. radiator, stove, etc.), and a suitable insulation board shall be applied if necessary.
- Let warm food and beverages cool down before putting them into the freezer.
- Frozen food can be thawed by placing it in the refrigerator. In the meantime, place other food in the freezer to get frozen.
- Reduce the door opening frequency and open it only when it is necessary.
- Ensure the food baskets and drawers are in their position after adjusting to avoid an increase in power consumption from poor door sealing.
Resolve Issues on Your Own
- High-quality manufacturing processes and the use of the latest cooling and freezing technology shall ensure trouble-free for your freezer.
- However, if you suspect any issues with your freezer, please ensure you have observed and read all the instructions and advice in this manual thoroughly prior to contacting the authorized after-sales service or dealers.
- The repairing cost will be charged to customers by authorized after-sales service, center/ agent if the issues/ faults found are due to non-adherence to the information and advice given in this manual. It is not covered by your dealer’s warranty.
Attention
The compressor (J) also known as the motor, must not operate continuously. It is controlled by the control panel where you can adjust the temperature (FIG.1). It switches on automatically when the set temperature exceeds the storage compartment and auto switches off when it reaches the right temperature. Noise can be heard from all compressor—cooling systems when the compressor is on. The noise is generated when the motor operates in the compressor and refrigerant flows in the cooling system circuit. These noises are normal and do not indicate any issues/faults. In unheated and cold weather conditions, condensation can build up on the freezer’s outer walls. This does not indicate any issues with the appliance and it will disappear when the weather becomes warmer.
Calling the Customers Support Service
Contact the authorized after-sales service if you could not find any possible cause/ issue for the defect or do not have a solution to eliminating the cause after a full analysis yourself.
After-sales Service
Check the enclosed warranty card or the after-sales center’s list to see which company is accountable for servicing your freezer. If there are several centers, choose the nearest center.
If there is no after-sales centers list enclosed with your freezer, please contact your dealer.
In order to fasten the process, make sure you have the following information ready to identify your freezer’s situation with the after-sales center.
- Freezer Brand
- Model/ Type
- Issues/ Troubles
- Date of Purchased
- Where did you purchase
Warranty
Please note that the general warranty terms and period are stated in the attached warranty card. If the freezer does not come with a warranty card, please contact your dealer.
Trouble Shooting
a) Freezer is not functioning
Attention!
The insulation of the freezer walls provides 10 to 12 hours of storage time in the event of issues or power outages.
b) Freezer is not cooling sufficiently
Freezing process too long Compressor operating too often
Possible causes/ Remedies:
- If the power outage or fault continues over the 10 to 12 hours period, it is advisable to move all the food and beverages to another freezer.
- The freezer has to be stood for at least 2 hours before switching it on again.
- Alternatively, the freezer needs to be turned off and unplug the power socket. Lift the unit up, put it back down and allow it to stand for 2 hours before turning it back on. •
- Do not open the freezer door during these 2 hours and it is advisable to have a further 12 hours period thereafter.
- Check if the plug is in good condition and whether is properly plugged into the socket.
- Is the socket undercurrent?
- The lid of the freezer does not close properly. The seal does not press firmly. Testing: Place a piece of paper in between the seal and the edge of the chest, then close the lid. The paper should be difficult to pull out from any side. If you can pull out the paper effortlessly, notify your authorized after-sales service center.
- Thick ice formation on the inner walls. (please see “Cleaning and Maintenance”)
- The freezer is exposed to direct sunlight or is placed near a heat source (oven, radiator, etc.). Protect the freezer against direct sunlight; check the distance from the heat source; isolate the place (see “Installation-Choice of Position for Installation”)
- The food filled does not correspond to the excess freezing capacity of your freezer (see rating place: kg/24h).
- Freezer filled with warm food (see “Refilling Fresh Food”)
Note: Ambient Temperature and Ventilation
The climate class can be found on the rating plate. It specifies the ambient temperatures at which the product
| Climatic category | Permitted ambient temperature |
| SN | +10 °C to 32 °C |
| N | +16 °C to 32 °C |
| ST | +18 °C to 38 °C |
| T | +18 °C to 43 °C .._ |
We reserve the right due to possible changes to the design, setup, and technology to alter the user manual without prior notice.
This symbol
is marked on a product/battery, it means that the product/batteries should not be disposed of with your general household waste. Only discard electrical/electronic/ battery items in separate collection schemes, which cater to the recovery and recycling of materials contained within. Your co-operation is vital to make sure the success of these schemes and for the protection of the environment. For more detailed information about recycling this product, please contact your local city office, your household waste disposal service, or contact the retailer where the product was purchased.
| Fresh food | Suitable packaging | approx. storage time in months | ||||||
| 2-3 | 4 | 6 | 8 | 10-12 | ||||
| Cheese | > | Polyethylene freezer bag | > | |||||
| Bread | > | Polyethylene freezer bag | > | |||||
| Large fish | > | Polyethylene freezer bag | > | |||||
| Cake / biscuits | > | Glass container | > | |||||
| Pork | > | Aluminum foil | > | |||||
| Beef | > | Aluminum foil | > | |||||
| Rabbit | > | Aluminum foil | > | |||||
| Lamb | > | Aluminum foil | > | |||||
| Mushrooms | > | Polyethylene freezer bag | > | |||||
| Asparagus | > | Polyethylene freezer bag | > | |||||
| Vegetables (cut) | > | Polyethylene freezer bag | > | |||||
| Strawberries | > | Polyethylene freezer bag | > | |||||
| Flans | > | Aluminum foil | > | |||||
| Chicken | > | Aluminum foil | > | |||||
| Turkey | > | Aluminum foil | > | |||||
| Duck | > | Aluminum foil | > | |||||
| Goose | > | Aluminum foil | > | |||||
| Cauliflower | > | Polyethylene freezer bag | > | |||||
| Beans | > | Polyethylene freezer bag | > | |||||
| Pepperoni | > | Polyethylene freezer bag | > | |||||
| Preserves | > | Glass container | > | |||||
| Preserved fruit | > | Glass container | > | |||||
| Ice lollies | > | Aluminum foil | > | |||||

| A Lid B Lid Seal C Fan or Inner Light D Cabinet E Storage Compartment F Ventilation Grille G Control Panel H Basket | I Compressor Chamber J Compressor K Fan (if available) L Handle (if available) M Defrost Water Drain Rug N FrostShield System (if available) O Condensor |




















