Anolis E-Box Remote

Safety information
FOR YOUR OWN SAFETY, PLEASE READ THIS USER MANUAL CAREFULLY BEFORE POWERING OR INSTALLING YOUR E-box Remote!
Save it for future reference.
- DANGEROUS VOLTAGE CONSTITUTING A RISK OF ELECTRIC SHOCK IS PRESENT WITHIN THIS UNIT! Make sure that the available voltage is not higher than stated on the fixture.
- Always disconnect the fixture from AC power before removing its cover.
- Make sure that the supply cables are not damaged by sharp edges. Check the fixture and the cables from time to time.
- Do not install the fixture near an open flame.
- This fixture falls under protection class I. Therefore, this fixture has to be connected to a mains socket outlet with a protective earthing connection.
- Do not connect this fixture to a dimmer pack.
- Do not cover the fixture with cloth or other materials.
- The fixture was designed for outdoor use, and it is intended for professional application only. It is not for household use.
- When choosing the installation spot, please make sure that the fixture is not exposed to extreme heat or dust.
- Only operate the fixture after having checked that the housing is firmly closed, and all screws are tightly fastened.
- Operate the fixture only after having familiarized yourself with its functions. Do not permit operation by persons not qualified to operate the fixture. Most damages are the result of unprofessional operation!
- Please consider that unauthorized modifications on the fixture are forbidden due to safety reasons!
- Please use the original packaging if the fixture is to be transported.
- If this device will be operated in any way different to the one described in this manual, the product may suffer damages and the warranty becomes void. Furthermore, any other operation may lead to dangers like short-circuit, burns, electric shock etc.
- Immunity of the equipment is designed for electromagnetic environments E1, E2, E3, according to the standard EN55103-2 ed.2 – Electromagnetic compatibility. Product family standard for audio, video, audiovisual and entertainment lighting control apparatus for professional use. Part 2: Immunity.
- The product (covers and cables) must not be exposed to a high frequency electromagnetic field higher than 3V/m The installation company should check levels of possible interferences above the tested levels E1, E2, E3 given by this standard (e.g., transmitters in surrounding area), before installing the equipment.
- Emission of the equipment complies with the standard EN55032 Electromagnetic compatibility of multimedia equipment – Emission Requirements according to class B.
- The product (covers and cables) must not be exposed to a high frequency electromagnetic field higher than 3V/m
Fixture description

- A- Top cover
- B – Top cover screws
- C – Mounting holes
- D – Antenna cover
- E – Display
- F – Control buttons
- G – Screws of terminal blocks cover
- H – Terminal blocks cover


- LED Output 1 (cable gland M20x1.5)
- LED Output 2 (cable gland M20x1.5)
- Power IN (cable gland M20x1.5)
- DMX OUT (cable gland M12x1.5)
- DMX IN (cable gland M12x1.5)
- Ethernet OUT (cable gland M12x1.5)
- Ethernet IN (cable gland M12x1.5)
Connection points

Mounting
Fixture must be installed by a qualified electrician in accordance with all national and local electrical and construction codes and regulations.
Setting and addressing the E-box Remote without top cover can be done by a qualified person only!
Note for cable glands.
We recommend applying an adequate layer of the paste LOCTITE 5331 on the plastic holder of the cable gland before inserting it into the body of the gland and an adequate layer of the paste LOCTITE 577 on the thread of the gland body.

- Remove the top cover (A) from the E-box Remote by unscrewing four fastening screws (B) in order to get access to the display (E), control buttons (F).
- Fasten the E-box Remote on a non-flammable flat surface via four mounting holes (C) of a diameter of 7 mm in its housing.
- Remove the terminal blocks cover (H) from the E-box Remote by unscrewing four fastening screws (G) in order to get access to the terminal blocks.
- Remove end caps from cable glands before passing cables. To keep declared IP rating of the device, every cable gland has to be covered with the end cap if the cable gland is not used.

- Pass cables for DMX and Ethernet through cable glands M12x1.5 and connect them to the terminal blocks and tighten the cables in the cable glands.
- Pass cables for Power and LED outputs through cable glands M20x1.5 and connect them to the terminal blocks and tighten the cables in the cable glands.
Cable glands serve for cables of the following diameters:
Cable gland M12x1.5 (DMX IN/OUT, Ethernet IN/OUT) – for cable of a diameter of 3-7mm.
Cable gland M20x1.5 (Power IN, LED Output) – for cable of a diameter of 7-13mm. - Check that all screws and cable glands are firmly tightened.
- Screw the terminal blocks cover (H) back to the E-box Remote.
- Connect the E-box Remote to mains.
- Set the E-box Remote by means of the control panel (E) and buttons (F).
- Disconnect the E-box Remote from mains and screw the cover (A) back on the box.
ALWAYS DISCONNECT THE E-BOX REMOTE FROM MAINS BEFORE CONNECTING/DISCONNECTING LED MODULES
This device falls under protection class I. Therefore, every E-box Remote has to be connected to a mains socket outlet with a protective earthing connection
Power connection
| L | N | ||
| Wire (CE) | Brown | Blue | Green/yellow |
| Wire (US) | Black | White | Green |
DMX connection
| D+ | D- | 0V |
| Data + | Data – | Data ground (shielding) |
Ethernet connection
| Pin | 1 | 2 | 3 | 4 | 5 | 6 | 7 | 8 |
| Function | TX+ | TX- | RX+ | NC | NC | RX- | NC | NC |
Eminere Remote connection
CE version:
| Mark | Function | Wire |
| Vcc | LEDs + | Red |
| D+ | DATA + | Orange |
| D- | DATA – | White |
| 0V | LEDS – | Black |
| Ground | Not connected |
US version:
| Mark | Function | Wire |
| Vcc | LEDs + | Red |
| D+ | DATA + | Orange |
| D- | DATA – | White |
| 0V | LEDS – | Black |
| Ground | Green |
Example of connection
NOTE: Each line of Emineres Remote connected to the LED output of the E-box Remote has to be terminated at the last fixture.
EITHER connect a 120 Ohm resistor between terminals D+ and D- in the last fixture, OR terminate via RDM as described on page 11.
Ensure ONLY the last fixture in the line is terminated using ONE of the above methods!
Number of connected Emineres to one LED output of the E-box Remote depends on the type of Eminere Remote and cable length.
The table states max. number of Eminere Remote modules connected to the E-box Remote.
| Max. number of Emineres Remote connected to the E-box Remote | ||||
| Cable length * | Eminere Remote 1 | Eminere Remote 2 | Eminere Remote 3 | Eminere Remote 4 |
| 25 m | 20 | 10 | 6 | 5 |
| 50 m | 16 | 8 | 5 | 4 |
| 75 m | 13 | 6 | 4 | 3 |
| 100 m | 10 | 5 | 3 | 2 |
* Cable length is the total cable length between E-box Remote and last connected Eminere Remote. Example: Total cable length = L1+L2+L3+L4
Max. number of Eminere Remote modules connected to the one output of the E-box Remote/E-box Remote Basic is stated in the following table.
| Max. number of Emineres Remote connected to the one output of the E-box Remote | |||
| Eminere Remote 1 | Eminere Remote 2 | Eminere Remote 3 | Eminere Remote 4 |
| 16 | 8 | 5 | 4 |
Example: if you want to connect 20 Emineres Remote 1 to the E-box Remote, you may connect 16 Emineres Remote 1 to output 1 and 4 Emineres Remote 1 to output 2 (at total cable length of 25 m).
Eminere Remote modes
The E-box Remote menu allows you to switch connected Emineres Remote to the two modes:
Standard – LED modules are switched to an internal serial connection. DMX addressing of connected LED modules is made automatically (default DMX address = 1, changes can be done by the E-box Remote or by RDM). The Standard mode is set as default.
Pass-Thr – (Pass through). LED modules are switched to an internal parallel connection. DMX addressing of connected LED modules has to be done manually by means of the Robe Universal Interface (or its wireless version Robe Universal Interface WTX) and the software RDM Manager.
Note: RDM manager and DMX controller cannot be connected at the same time.
Examples of RDM manager screenshots for one connected LED module. Initial screen of the RDM manager:
Options in the Control panel allow you to set DMX address and Personality for each LED module.
Occupied channels are displayed in the window DMX patch on the right side of the Control panel.

Options in the control panel:
Possible numbers of connected LED modules for each E-box mode are stated in chapter 3. “Mounting”.
If no DMX is received, the unit will turn on the predefined Demo mode. You can modify it by setting the unit to a desired look via DMX and then save this via RDM by setting the “Init position LEDs” to 1:
Last Eminere on each DMX line may be terminated by setting the ‘Manufacturer PID’ ’Terminator active’ to ‘1’,
But ensure that the fixture is not already terminated with a 120 Ohm resistor as described on page 8.
The function “Pixel swap” from RDM control panel allows you to swap the pixel order. Example:

The E-box Remote is equipped with 2-row LCD display and four buttons which allows to address the fixture and set the fixture´s behaviour according to your needs.
The four control buttons have the following functions:
- ESCAPE button – to escape function or menu.

- ENTER button – to select a function or confirm adjusted value. ,
- UP and DOWN buttons – to move within the menu.
When you changed any setting of the E-box Remote, disconnect the E-box Remote from power and connect it to power again to activate changes in the E-box Remote setting.
Some menu items are not accessible if the option Pass-Thr is selected from the menu E-box mode (menu Personality).
These menu items are marked by # in the text below.
DMX Addr
# Set DMX Address – use this menu item to set the DMX start address of the fixture, which is defined as the first channel from which the E-box Remote will respond to a DMX controller.
Note: if the option Pass-Thr is selected from the menu E-box mode, the sign “Pass-Thr” is displayed instead of the sign “DMX Addr”, and the menu item Set DMX Address is not available.
- IP address – select this menu item to set desired IP address. IP address is the Internet protocol address.
The IP uniquely identifies any node (fixture) on a network. There cannot be 2 fixtures with the same IP address on the network!
Default Address. This address is derived from fixture´s MAC address and cannot be changed. Confirm the item “Set Address” to select this address.
Custom Address. IP address consists of four decimal numbers, each ranging from 0 to 255, separated by dots, e.g., 172.16.254.1. Each part represents a group of 8 bits (octet) of the address.
The following items “IP Adr 1″, ” IP Adr 2″, ” IP Adr 3″, ” IP Adr 4″ allow you to set each part (number) of the address. After setting desired IP address, confirm the item “Set Address” to save this address. - Network mask – select this menu item to set desired network mask. A network mask is a 32-bit mask used to divide an IP address into subnets and specify the network’s available hosts.
The following items “Net.M.1”, “Net.M.2″, ” Net.M.3″, ” Net.M.4″ serve for setting of each part (number) of the net mask.
After setting desired network mask, confirm the item “Set Net M.” to save adjusted values.
Info
Use this menu to read useful information about the fixture.
Software version – select this menu item to read software versions of the E-box Remote and connected Emineres Remote.
- Databox – version of the E-box Remote
- PWR-1 v1 -version of connected Emineres. If connected Emineres Remote have two or more versions, the items v2, v3, will appear in the menu and you should update the software in
- Emineres Remote to the latest version.
WL – version of wireless DMX module (if installed). - IP Addr – this menu item shows the current IP address (the IP address “runs” on display).
- RDM UID – select this menu item to read the RDM UID (the RDM UID “runs” on display).
- MAC Adr – select this menu item to read the MAC address (the MAC address “runs” on display).
- # Outputs Info – information about Emineres Remote connected to the LED outputs.
Example:
Output 1 Info …..information about E-box Remote output 1
Fixtures Cnt: 12 …..Number of connected Emineres to the selected output.
Footp. 192 …… Footprint (number of used channels depends on setting in the menu “DMX Preset” – for Standard mode).
If some LED output is not used, the message “No output” will be displayed.
Temp – temperature inside the E-box Remote.
Personality
Use this menu to modify the E-box Remote operating behaviour.
- # DMX Preset – DMX preset. Use the menu to select desired Eminere Remote channel mode. The menu item is accessible for Standard mode only.
- Total – Total mode. All connected Emineres Remote at all outputs behave as one pixel and they are controlled together.
- Fixture – Fixture mode. Each connected Eminere Remote behaves as one pixel.
- Pixel – Pixel mode. 12 LEds of Eminere Remote create one pixel (Eminere Remote 1).
- Output – Output mode. All connected Emineres Remote at one output behave as one pixel and they are controlled together.
- DMX Input – this menu allows you to choose desired DMX data input:
- Wired DMX – DMX signal is received by means of the standard DMX cable.
- Wireless* – DMX signal is received by means of the inbuilt wireless DMX module.
- Wireless Out DMX*- the fixture receives wireless DMX and sends the signal to its wired DMX output. The fixture behaves as a ” Wireless/Wired” adapter.
- Ethernet – DMX signal is received by means of the Ethernet cable.
* If wireless DMX module is installed.
- Ethernet Settings – use the menu item to select and set desired operating mode.
- Ethernet mode – use the menu to select a protocol.
- Artnet – fixture receives Artnet protocol sACN – fixture receives sACN protocol gMAI – fixture receives MANet I protocol gMAII – fixture receives MANet 2 protocol
- ArtNet Settings – use the menu item to set parameters for ArtNet operation.
- ArtNet Uni. – selection of the ArtNet Universe (1-12)
- Net – selection of a network (0-127)
- Sub-Net – selection of a subnet (0-15). Universe – selection of a Universe (0-15).
Menu items “ArtNet Uni. 1 ” and “Universe” allow a “crossing of Universes”.
- sACN Settings – use the menu item to set parameters for sACN operation.
- sACN Uni – selection of the sACN Universe (1-1…12-12). A universe from a range of 1-63999 can be assigned to the selected universe. It allows a “crossing of Universes”.
- MANet Settings – Use this menu to set parameters for MANet operation.
- MA Uni – MANet I (II) universe. The value of this item can be set in range of 1-256.
- MA S. ID – MANet I(II) session ID. The value of this item can be set in range of 1-32.
- IGMP rep – repeating time for Internet Group Management Protocol (Off, 1s-10s).
- Display Settings – this menu allows you to change the display settings.
- Display Off Timer – if this item is on, the display will be switched off 2 minutes after last pressing any button on the control panel.
- Display Lightness – select this menu item to adjust the display intensity (0-100%). Display Contrast- select this menu item to adjust contrast of the display (0-100%).
- # RGB(W) Split – this menu item allows you to select a way how the last pixel of the actual DMX Universe will be split to the next DMX Universe if the actual DMX Universe does not offer enough free channels for the pixel. (DMX Universe= set of 512 channels).
- Disabled – pixel will be moved to another DMX Universe. Some channels will stay unused.
- Enabled – pixel will use channels of actual DMX Universe and also channels of next DMX Universe. All channels of the actual DMX Universe will be used.
- # Input Data – this menu item allows you to select a type of input data.
- RGBW – fixture receives RGBW data
- RGB – fixture receives RGB data, white colour of connected Emineres Remote is proportionally counted.
- # DMX Hold – if the function is on, the fixture keeps last received DMX values in case that DMX data receiving was interrupted (e.g., disconnected DMX cable or DMX controller).
- E-box mode – this menu item allows you to select a way of Emineres Remote connection.
- Standard – Emineres Remote are switched to the internal serial connection
- Pass-Thr – Emineres Remote are switched to the internal parallel connection.
Important: Switch Off/On the E-box Remote after changing the E-box mode. Default setting – select this option to set fixture personalities to the default (factory) values.
Test programs
Use the menu to run a test sequence without an external controller, which will show you some possibilities of using the E-box Remote in conjunction with LED modules.
- Colors – the item runs a colour changing of all LEDs in a loop (Standard mode has to be selected from the menu E-box mode)
- Pixels – the item runs a pixel program in a loop (Standard mode has to be selected from the menu E-box mode, number of pixels depends on setting in the menu DMX Preset).
Stand Alone
The fixtures on a data link are not connected to the controller but can execute pre-set program.
Important: LED modules have to be connected to the E-box Remote and the Standard mode has to be selected from the menu E-box mode.
- Auto Run – This function allows you to select a program which will be played in the stand-alone mode after switching the fixture on. Selected program will be played continuously in a loop.
- Off – the option disables Auto Run function.
- Test C – the option runs a colour changing on connected LED modules. Test P – the option runs a pixel program on connected LED modules.
Special settings
Wireless* – wireless DMX information. The menu allows to read some information about wireless
DMX operation
Stat – wireless status. Use the menu to read wireless DMX status. Unlink – use this item to unlink the fixture from wireless DMX.
* If wireless DMX module is installed
Software Update – the menu item switches the E-box Remote to the update mode.
If the option Standard is selected from the menu E-box mode, the E-box Remote will be updated including connected Eminere Remote modules.
If the option Pass-Thr is selected from the menu E-box mode, the E-box Remote will not be updated, only connected Eminere Remote modules.
Software update
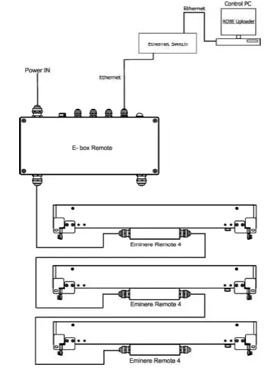
E-box Remote software update is done via an Ethernet connection between a computer running a ROBE Up- loader software and E-box Remote or using the Robe Universal Interface (Robe Universal Interface WTX and the ROBE RDM Uploader software.
The ROBE Uploader is a software for automatized software update of ROBE fixtures. The ROBE Uploader switches E-box Remote to the update mode automatically.
Please see https://www.robe.cz/robe-uploader/ for more information about the ROBE Uploader.
Examples of connections for software update:
- By means of the Ethernet connection

- By means of the Robe Universal Interface (Robe Universal Interface)

DMX protocol
Version 1.0
| Channel | DMX Value | Function | Type of control |
| 1 | 0-255 | Red LEDs (Pixel 1) Red LEDs saturation control (0-100%) | proportional |
| 2 | 0-255 | Green LEDs (Pixel 1) Green LEDs saturation control (0-100%) | proportional |
| 3 | 0-255 | Blue LEDs (Pixel 1) Blue LEDs saturation control (0-100%) | proportional |
| 4 | 0-255 | White LEDs (Pixel 1) White LEDs saturation control (0-100%) | proportional |
| 5 | 0-255 | Red LEDs (Pixel 2) Red LEDs saturation control (0-100%) | proportional |
| 6 | 0-255 | Green LEDs (Pixel 2) Green LEDs saturation control (0-100%) | proportional |
| 7 | 0-255 | Blue LEDs (Pixel 2) Blue LEDs saturation control (0-100%) | proportional |
| 8 | 0-255 | White LEDs (Pixel 2)White LEDs saturation control (0-100%) | proportional |
| : | : | : | : |
| Depends on number of pixels N | 0-255 | White LEDs (Pixel N) White LEDs saturation control (0-100%) | proportional |
Technical specifications
- Input voltage 120-240 V AC; 277V AC
- Frequency 50/60Hz
- Power consumption 520W
- Fuse 1 T6.3A/500V AC
- Fuse 2 T8A/250V AC
- Fuse 3 T8A/250V AC
LED Output
- Number of outputs 2
- Voltage 48V DC
- Max output power 380W per output
- Total Output power 480W max. per fixture
- Control 2-row LCD display & 4 buttons
- Supported protocols USITT DMX 512, RDM, ArtNet, MA Net, MA Net2, sACN, Kling-Net
- Operating modes Pixel (12 LEDs) or Fixture mode
Connection
- Power IN terminal block
- Ethernet IN/OUT terminal block
- DMX IN/OUT terminal block
- LED Outputs terminal block
- Operating ambient temperature range -20/+40°C (-4°F / +104°F)
Cooling System convection
- Protection factor IP65 (CE), Suitable for Wet Locations (US)
- IK Rating IK10
- Weight 5.5 kg (12.13 lbs)
- Dimensions mm [inch]

Disposing of the product
To preserve the environment please dispose or recycle this product at the end of its life according to the local regulations and codes.
Change Log
This section summarizes changes in the user manual.
| Version of the manual | Date of issue | Description of changes |
| 1.1 | 26/01/2022 | Description of connection blocks modified |
| 1.2 | 24/02/2022 | Description of the fixture corrected |
| 1.3 | 14/03/2022 | Design of the manual changed |
| 1.4 | 07/04/2022 | Menu DMX preset added, menu Devices removed, Eminere connection changed |
| 1.5 | 28/04/2022 | Eminere connection changed |
| 1.6 | 17/08/2022 | Eminere connection changed |
August 17, 2022
Specifications are subject to change without notice. Copyright © 2021-2022 Robe Lighting – All rights reserved
Made in CZECH REPUBLIC by ROBE LIGHTING s.r.o. Palackeho 416/20 CZ 75701 Valasske Mezirici





















