PCR-1Z LIGHTING CONTROLLER INSTRUCTIONS
DIMENSIONS

Knockout Instructions
It is recommended that the cover is fitted and the cover screws tight when the knockouts are being removed.
When removing the knock outs place a flat blade screwdriver with a 3/16” (4mm) blade as shown and a light hit with a hammer to the head of the screw driver will allow the Knockout to be removed.
Alternatively drill location points are located in the centre of each Knock out to allow the use of a hole saw to remove the knockouts.
INSTALLATION & MAINTENANCE INSTRUCTIONS ON THE 16/35/65 WATT PCR-1Z CLASS 2 OUTDOOR DRIVER/RECEIVER FOR 12V D/C PAL 4 WIRE LED LIGHTS
FEATURES
- Easy to Install
- UL Listed Class 2 Power Supply / Swimming Pool and Spa Transformer (WDGV)
- Remote Control Operation from PCZ-2 hand-held remote
- Optional Wi-Fi Control from Apple iOS Devices
- IP65 Wet Location Construction
- Constant 24V DC Output Voltage over the Supply
IMPORTANT INFORMATION
This PCR-1Z Class 2 power supply is specifically designed to supply 24V DC to power the PAL 4 Wire UL Listed LED Pool lights.
The PCR-1Z must be installed in accordance with the National Electrical Code by a Certified Electrician or Qualified Pool Technician.
NOTE: No bonding is required from this Class 2 power supply to the UL Listed PAL Pool Light fixtures as they are made of an all plastic construction and comply with NEC article 680 requirements.
INSTALLATION INSTRUCTIONS FOR PCR-1Z RGB OUTDOOR DRIVER
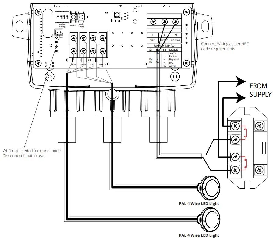
Step 1. The PCR-1Z Class 2 Power Supply is a Weatherproof construction (IP65) and should be mounted on a flat surface using the mounting legs on the enclosure with appropriate fixtures for the mounting substrate and in a suitable position to suit the intended location of the PAL 4 Wire LED Pool Lights and installed to comply with all the requirements of the National Electrical Code (NEC) and all relevant local codes and ordinances.
NOTE: The Driver Enclosure must be located a minimum distance of 5 feet measured horizontally from the inside wall of the pool and not less than 1 foot above the maximum pool water level measured to the top of the Driver Enclosure.
NOTE: The enclosure must be mounted using the mounting legs on the enclosure with the screw set supplied. If the enclosure is to be mounted on a concrete or block wall, mark out the mounting hole locations and drill 3/16” holes using a masonry drill then fit the Star Plugs supplied into the holes and fix using the stainless steel screws supplied??
Step 2. Using the conduit entry on the bottom right hand side of the PCR-1Z (as shown) connect the 100-120V power supply to NEC code requirements.
Step 3. Using the remaining conduit entries at the bottom of the PCR-1Z (as shown), connect the 4 core wire from the PAL 4 WIRE LED LIGHTS. Please ensure the 4 cores are connected to the correct
terminals. 2 x output conduit entries are provided in the enclosure to connect up to 2 x PAL-LED 4 Wire Pool Lights.
Step 4. The PCR-1Z Driver / Receiver is factory set to operate with the PCZ-2 Transmitter supplied.
Just fit the 2 x batteries supplied with the PCZ-2.
Please refer to the information supplied with the PCZ-2 transmitter for full operating instructions and features of the system.
INSTALLATION INSTRUCTIONS FOR PCR-1Z RGB OUTDOOR DRIVER

Note 1:
The PCR-1Z is suitable for PAL 4 wire lights.
Note 2:
Knock outs are provided in the enclosure to connect up to 2 x PAL 4 wire UL Listed Pool Lights.
Note 3:
An unlimited number of drivers can be controlled by one transmitter.
Note 4:
A maximum number of 4 x Transmitters can be coded to an individual PCR-1Z
CLONING SETTINGS

| Switch 1 | Switch 2 | Switch 3 | Switch 4 | Mode |
| OFF | ON | OFF | ON | JANDY |
| OFF | OFF | OFF | ON | PENTAIR |
| ON | OFF | OFF | ON | HAYWARD |
| ON | ON | OFF | ON | PAL |
| OFF | OFF | ON | ON | ASTRAL |
Note:
- Must turn off power before making DIP switch selection.
- When synching PAL lights to other OEM lights, static colors will match but color change mode timing may vary.
- If the PAL Lights are to be used with Automation, do not use the handheld remote control and disconnect the WiFi module from the board if so equipped.
- If the Automation does not turn the PAL lights on or off and there is power to the driver, press the Z1 button one time to turn on the PAL Driver.
- Note that the PAL features of infinite color selection and dimmability are not available while in Cloned mode.
PAL TOUCH PCZ-2 TRANSMITTER HAND HELD REMOTE

FEATURES
- Matching Code – Apply power to the receiver. Then press Z1 once within 5 seconds. The output light will flash white 3 times if matching is successful.
- Clearing Code – Apply power to the receiver. Hold down Z1 for 3 seconds. The output light will flash 6 times if clearing the code is successful. After successfully clearing the existing code a new code will have to be applied by following the matching code procedure above.
- 1 Transmitter (PCZ-2) can operate an unlimited number of Receivers (PCR-1Z)
- 1 Receiver (PCR-1Z) can be controlled by a maximum of 4 Transmitters (PCZ-2)
- Touching the color wheel will reset any Mode selection.
- Memory Feature – Remembers color selection after being switched off.
- Once the transmitter and receiver are successfully coded the receiver will remember the code if powered off.
AUTOMATION DEDICATED LIGHT OUTPUT RELAY FOR CLONE MODE
















