
Installation guide
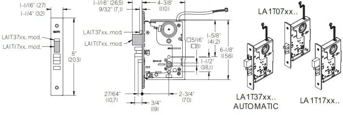
SALTO LA1T07xx/LA1T17xx/LA1T37xx mortise locks for Ælement

ANSI handing code

Hand changing



Adjust bevel

Installation
PREPARING THE DOOR
- Draw a horizontal line on edge of the door and on inside at the desired height of handle above floor.
- Draw a vertical centre line on door edge.
- Draw a vertical line on inside at the proper backset to align the template.
- Mark ONLY top and bottom holes of mortise cavity (A).
Place lock face against door edge. Trace outline of faceplate as guide for faceplate routing. - Mortise door for lock body and faceplate.
- Mark holes in the lateral face of the door for turnpiece (B) and handles (C and D). Mark the holes for the corresponding electronic escutcheon fixings.
NOTE: See 3-4 pages for reader fixing holes depending on Ælement model.
INSTALLING THE LOCK BODY
- Insert wires through hole.
- Insert the lock into the cavity.
- Mark & drill mortise lock’s fixing holes.
Fasten backplate and front plate with screws to hold lock in place.
INSTALLING THE STRIKE
- Center strike to lock’s frontplate center line.
Refer to latch to determine strike location on jamb.
Using strike as template, mark and chisel recess. - Drill holes for dust box. Place dust box and strike and fasten screws.
Please check that:
• Deadbolt and latch fit the cavities of the strike without touching it.
Gap between door and jamb is between 3/32” and7/32”
Maintenance
All locks come from factory pre-lubricated with grease. We rrecommend, however, continued periodic lubrication of moving parts with commercial quality grease (every 20000 cycles or once a year), from outside the lock. This can prolong the life of the lockset by reducing excessive wear. If the lockset is used in a harsh environment, lubrication should be applied more frequently.
DOOR PREPARATION


Only apply for LA1T07xx and LA1T17xx models locks:
| SALTO SYSTEMS, S.L. Pol. Indust. Lanbarren, c/Arkotz, 9 20180, Oiartzun-Gipuzkoa. Spain | |
| 2812-CPR-NA5003 17 | LA1T07 / LA1T17 Electromechanical lock for fire doors |
| EN 14846:2008 | – S8D— — |
All contents current at time of publication.
SALTO Systems S.L. reserves the right to change availability of any item in this catalog, its design, construction, and/or materials.
221373-ED.2-10/09/2020

















