CHRISTOPEIT AX4000 Home Sports Training Device Ergometer Instruction Manual
IMPORTANT RECOMMENDATIONS AND SAFETY INSTRUCTIONS
Our products are all tested and therefore represent the highest current safety standards. However, this fact does not make it unnecessary to observe the following principles strictly
- Assembly the machine exactly as described in the installation instructions and use only the enclosed, specific parts of the machine. Be- fore assembling, verify the completeness of the delivery against the de- livery notice and the completeness of the carton against the assembly steps in the installation and operating instructions.
- Before the first use and at regular intervals (approximately every
50 Operating hours) check the tightness of all screws, nuts and other connections and the access shafts and joints with some lubricant so that the safe operating condition of the equipment is ensured. In particular, the adjustment of saddle and handlebar need smooth function and good condition. - Set up the machine in a dry, level place and protect it from moisture and water. Uneven parts of the floor must be compensated by suit- able measures and by the provided adjustable parts of the machine if such are installed. Ensure that no contact occurs with moisture or water.
- Place a suitable base (e.g. rubber mat, wooden board etc.) beneath the machine if the area of the machine must be specially protected agains tindentations, dirt etc.
- Before beginning training, remove all objects within a radius of 2 meters from the machine.
- Do not use aggressive cleaning agents to clean the machine and employ only the supplied tools or suitable tools of your own to assemble the machine and for any necessary repairs. Remove drops of sweat from the machine immediately after finishing training.
- WARNING! Systems of the heart frequency supervision can be inexact. Excessive training can lead to serious health damage or to the death. Consult a doctor before beginning a planned training programme. He can define the maximum exertion (pulse, Watts, duration of training etc.) to which you may expose yourself and can give you precise information on the correct posture during training, the targets of your training and your diet. Never train after eating large meals.
- Only train on the machine when it is in correct working order. Use original spare parts only for any necessary repairs. WARNING! Replace the worm parts immediately and keep this equipment out of use until repaired.
- When setting the adjustable parts, observe the correct position and the marked, maximum setting positions and ensure that the newly adjusted position is correctly secured.
- Unless otherwise described in the instructions, the machine must only be used for training by one person at a time. The exercise time should not over take 60 min./daily.
- Wear training clothes and shoes which are suitable for fitness training with the machine. Your clothes must be such that they can- not catch during training due to their shape (e.g. length). Your training shoes should be appropriate for the trainer, must support your feet firmly and must have non-slip soles.
- WARNING! If you notice a feeling of dizziness, sickness, chest pain or other abnormal symptoms, stop training and consult a doctor.
- Never forget that sports machines are not toys. This appliance can be used by children aged from 8 years and above and persons with reduced physical, sensory or mental capabilities or lack of experience and knowledge if they have been given supervision or instruction concerning use of the appliance in a safe way and understand the hazards involved. Children shall not play with the appliance. Cleaning and user maintenance shall not make by children without supervision. Take suit- able measures to ensure that children never use the machine without supervision.
- The appliance use only to be used with the power supply unit pro- vided with the appliance.
- Ensure that the person conducting training and other people never move or hold any parts of their body into the vicinity of moving parts.
- At the end of its life span this product is not allowed to dispose over the normal household waste, but it must be given to an assembly point for the recycling of electric and electronic components. You may find the symbol on the product, on the instructions or on the packing. The materials are reusable in accordance with their marking. With the re-use, the material utilization or the protection of our environment. Please ask the local administration for the responsible disposal place.
- To protect the environment, do not dispose of the packaging materials, used batteries or parts of the machine as household waste. Put
these in the appropriate collection bins or bring them to a suitable col- lection point. - For speed dependent operation mode, the braking resistance level can be adjustable manually and the variations of power will depend on the pedaling speed. For speed independent operation mode, the user can set the wanted power consumption level in Watt, constant power level will be kept by various braking resistance levels, that will be determined automatically by system. That is independent on the pedaling speed.
- The machine is equipped with 24-step resistance adjustment.
This make sit possible to reduce or increase the braking resistance and thereby the training exertion. Pressing the button “-” for the resistance setting towards stage 1 reduces the braking resistance and thereby the training exertion. Pressing the button “+” for the resistance setting to- wards stage 24 increases the braking resistance and thereby the training exertion. - This machine has been tested and certified in compliance with DIN ENISO 20957-1/2014 and EN 20957-5/2016 “H,A”. The maximum permissible load (=body weight) is specified as 150 kg. The classification of HA means this exercise bike is designed foe home use only and with good accuracy class, the variations of power consuming are within ±5W up to 50W and±10% over 50W. This item’s computer corresponds to the basic demands of the EMC Directive of 2014/30/EU.
- The assembly and operating instructions is part of the product. If selling or passing to another person the documentation must be pro- vided with the product.
ASSEMBLY INSTRUCTIONS
Remove all the separate parts from the packaging, lay them on the floor and check roughly that all are there on the base of the assembly steps. Please note that a number of parts are connected directly to the main frame preassembled. In addition, there are several other individual parts that have been attached to separate units. This will makes assembly easier and quicker for you.
Assembly time: 30 – 40 min.
STEP 1:
Attach the stabilizer (69+72).
- Attach the front stabilizer (69) assembled with front caps with transportation roller (70) to main frame (49) by using bolts M8x45 (73),washers (30), spring washers (29) and cap nuts (48).
- Attach the rear stabilizer (72) assembled with height adjustable caps (71) to main frame (49) by using bolts (73), washers (30), spring washers(29)and cap nuts (48). (For uneven floor, you can adjust the height at rear caps (71) and secure for stable position)

STEP 2:
Attach the pedals (59L+59R).
- Attach the pedal straps to the pedals (59L+59R). (The pedal strap and pedals are marked with “L” for left and “R” for right.)
- The pedals (59L+59R) are marked with „R“ for right and „L“ for left. NOTE: Right and Left are specified as viewed seated on the machine during training. Connect each pedal (59L+59R) to the matching pedal crank (60L+60R).
- (NOTE: The right pedal „R“ should be threaded on clockwise. The left pedal „L“ should be threaded on counter-clockwise.)

STEP 3:
Attach the handlebar support (21) at main frame (49).
- Push the rubber ring (74) and the support cover (75) onto handlebar support (21).
- Attach the handlebar support (21) to the holder at main frame (49) and connect the plug of connection cable (22) to motor cable (23).
- Insert the handlebar support (21) to main frame (49) and secure by using bolts M8x20 (24), spring washers (29) and curved washers (25). (Attention: Ensure that the cable loom are not crunched or pinched during installation.)
- Push the handlebar support cover (75) with rubber ring (74) into right position to cover up the screw connection point.

STEP 4:
Installation of saddle (9) and saddle support (16).
- Push the saddle (9) with saddle bracket into the movable saddle slide (10) and tight it up into desired incline position.
- Place the seat slide (10) into the holder of saddle support (16), set it at the desired horizontally position and tighten it by using washer 10//25 (64) and hand grip nut (65) at triangular block (11).
- Insert the saddle support (16) into the provided holder of the main frame (49) and secure at the de- sired position by screwing in the quick release (18).
(Note: To screw in the quick release (18), the threaded hole in the mainframe (49) and one of the holes in the saddle support (16) must be aligned. Further- more, ensure that the saddle support (16) is not pulled out of the main frame beyond the marked maximum position. The setting of the saddle post can be adjusted as desired later. For this, the quick- release (18) must be loosened by only a few revolutions, the cap of the lock must be pulled away and the saddle adjusted. Then secure the new setting by tightening the quick release (18).

STEP 5:
Attach the handlebar (6) at handlebar support (21).
- Guide the handlebar (6) through the holder at handlebar post (21), put the pulse cable (5) through the hole and close the bracket of handlebar holder.
- Attach the front handlebar cover (13) at handle- bar and screw the handlebar (6) in desired position at the handlebar post (21) and tighten firmly with distance tube (14) and handlebar screw (15).

STEP 6:
Attach the computer (1) at handlebar support (21).
- Push the plug of the connecting cable (22) and pulse cable (5) into the associated socket of the computer (1).
- Place the computer (1) on top of handlebar sup- port (21) and attach it with the screws (2). The screws for assembly you find on backside of computer.

STEP 7:
Attach the AC adapter (78)
- Please insert the plug of adaptor (78) into the jack (47) of rear chain guard.
- Please insert the adaptor (78) to the jack of wall power (230V~/50Hz)

STEP 8:
Checks
- Check the correct installation and function of all screwed and plug connections. Installation is thereby complete.
- When everything is in order, familiarize your- self with the machine at a low resistance setting and make your individual adjustments.

Note:
Please keep the tool set and the instructions in a safe place as these may be required for repairs or spare parts orders becoming necessary later
MOUNT, USE & DISMOUNT
Transportation of Equipment:
There are two rollers equipped on the front foot. For moving, you can lift up the rear foot and drive it to where you would like to locate or store it.
Adjustment – Seat Position
For an effective workout, the seat must be adjusted properly. While your are pedaling, your Knees should be slightly bent when the pedals are in the farthest position. In order to adjust the seat, unscrew the knob few turns and draw it out slightly. Adjust the seat to the right height, then release the knob and tighten it all the way.

Important:
Make sure to put the knob back into place in the seat post and tighten it completely. Never exceed the maximum height of the seat. Always get off the bicycle before making any adjustment.
A biomechanically optimal seating position ensures optimum power transmission. The aim is that the existing force as large as possible arrives on the pedals and the muscles with optimal effect works. The seat position affects which muscles are in use primarily in essence. The right handlebar position is responsible for keeping the upper body portion. Is the handlebar settings chosen horizontally so you get an athletic posture. With each further step towards the body, you ad- just a more relaxed attitude. To adjust the handlebar, simply loosen the screw handlebar until the handlebar can brought into the desired position and tighten them after adjustment again firmly.
To avoid any problems such as back- / knee pain or numbness in the feet through bad seat position on the bike, the maintenance of a pro- per adjustment of the saddle and handlebar we strongly recommend.
Mount:
a. After the seat is adjusted to properly position, lead one feet across the bottom unit and hold yourself at handlebar tightly.
b. Place one pedal in lowest position and slide your foot onto the pedal below the pedal strap to get a stabile foot position.
c. Now you can take a seat, slide the other foot into the second pedal and start your training.
Use:
a. Keep you hands on the handlebar, and both feet are insert into retaining straps of both pedal properly.
b. Pedal your exercise bike by your both feet alternately.
c. Then you can increase the pedaling speed gradually and adjust bra- king resistance levels to increase the exercise intension.
Dismount:
a. Slow down the pedaling speed until it comes to rest.
b. Keep the left hand grabbing the left handlebar tightly, put your feet- cross over the equipment and land on the floor, then land the other one.
Note:
This training equipment is a stationary exercise machine used to simulate without causing excessive pressure to the joints, hence decreasing the risk of impact injuries.
Exercise bike offer a non-impact cardiovascular workout that can vary from light to high intensity based on the resistance preference set by the user. It will strengthen your muscles of legs and increase cardio capacity and maintain fitness of your body also.
COMPUTER INSTRUCTIONS

The monitor is designed for programmable magnetic bikes and introduced with the following categories:
- Key Functions
- About Displays
- Operating Ranges
- Things You Should Know Before Exercising
- Operation Instructions
Switch on:
- Insert the adapter into wall power and adapter connector into the socket of device. A signal tone sounds from computer and all LCD display segments appear for 2 seconds and are set to 00. or
- The adapter is already in connected and the device has switched off automatically. By pressing any key – or at least one pedal turn the computer switches on automatically.
Turn off:
As soon as the device is not operated for longer than approx. 4 minutes, the computer switches off automatically. After training, pull out the adapter from wall power.
KEYS
START/STOP“ : Starts or stops the program chosen. And, resets the monitor by pressing and holding for 2 seconds.
F“ : Chooses or enters the functions from PROGRAMS, TIME, DISTAN- CE, WATT, CAL, TARGET HEART RATE, AGE, and 10 columns. The chosen function shall flash. Please note that not all the functions can be selected in every program according to the types of each program. During exercise, press the F-key to display the functions RPM, watts and calories or speed, time and distance permanently or alternately.
UP(+): Selects or increases the values of PROGRAMS, TIME, DISTANCE, WATT, CAL., TARGET HEART RATE, AGE, and 10 columns.
DOWN(-): Selects or decreases the values of PROGRAMS, TIME, DIS TANCE, WATT, CAL., TARGET HEART RATE, AGE, and 10 columns.
RECOVERY(TEST): Starts the function of PULSE RECOVERY.
ANZEIGEN
PROGRAM:
Indicates the programs selected from PROGRAM 1 to PROGRAM 21
LEVEL:
Indicates the level of loading selected from LEVEL 1 to LEVEL 24.
TIME/ WATT :
Indicates Time or Watt alternately or permanently by pressing the F-key. The time shows minutes and seconds. If preset, time counts downwards. Minimum preset 5Min. Range 5-99Min. The actually power display show in Watt. Preset range 30-350Watt only in Watt program P16.
RPM/SPEED/KMH:
Indicates RPM or Speed alternately or permanently by pressing the F-key. The RPM display shows the cycle turnings per minute. The speed display show kilometers per hour.
DIST/CAL:
Indicates Distance or Calorie alternately or permanently by pressing the F-key. The distance display show kilometer. Preset range 1-999km. If preset distance counts downwards. The calories display shows kcal. Minimum preset 10kcal. Preset range 10-990.
KM Total (ODO):
The distance in km of all training units is displayed. It is not possible to specify. The ODO display can be reset to zero at any time. To do this, press the F-key and the Start / Stop-key at once for 2 seconds.
PULSE :
Indicates the actually pulse heart rate. The whole set of heart rate detector include 2 sensors each side. Each sensor has 2 pieces of me- tal parts. The correct way to get detected is to gently hold both metal parts each hand. With the good signals picked up by the computer, the heart mark in the HEART RATE Display shall flash. Range 60-240bpm. If a pulse upper limit is specified, the display flashes when the preset value is reached.
TARGET H.R.:
Indicates only one value of TARGET HEART RATE.
LOADING Profiles:
There are 10 columns of loading bars, and 8 bars in each column. Each column represents 1 minute workout (without the change of TIME value), and each bar represents 3 levels of loading.
Program Graph:
Each graph shown is the profile of the loading in each interval (column). With the value of TIME counting up, each interval is 3 minute that all the columns make up 30 minutes. With the value of TIME counting down, each interval is the value of setup TIME divided by 10. For example, if the time value is setup to 40 minutes, each interval will be 40 minutes divided by 10 intervals (40/10=4). Then, each interval will be 4 minutes. The following graphs are all the profiles in the monitor.

Things You Should Know Before Exercising The values calculated or measured by the computer are for exercise purpose only, not for medical purpose.
PROGRAMS
Program Manual:
PROGRAM MANUAL is a manual program. Press „F“ key to select TIME, DISTANCE or CAL.. Then, press (+) or (-) key to adjust the values. The default level of loading is 6. After pressing „START/STOP“ key to exercise, please also apply the he- art rate detector appropriately. Users may exercise in any desire level (by pressing (+) or (-) during the workout) with a period of time or a certain distance.
Exercising with a specific Goal:
TIME Control: Sets up a period of time to exercise. (5-99Min.) DISTANCE Control: Sets up a certain distance to exercise. (1-999km) CALORIE Control: Sets up certain calories to exercise. (10-990kcal) Set exercise parameters with F-key for Time/Distance/Calories and Pulse.
Preset Programs P1-P10:
PROGRAM 1 to PROGRAM 10 are the preset programs. Press „F“ key to select TIME, DISTANCE or CAL. Then, press (+) or (-) key to adjust the values. Users may exercise with different level of loading in different intervals as the profiles show. After pressing „START/STOP“ key to exercise, please also apply the heart rate detector appropriately. Users may also exercise in any desire level (by pressing (+) or (-) during the work- out) with a period of time or a certain distance. Set exercise parameters with F-key for Time/Distance/Calories and Pulse.

User Setting Programs P11-P15:
Program 11 to Program 15 are the user-setting programs. Users are free to edit the values in the order of TIME, DISTANCE, CAL. and the level of loading in 10 intervals.
The values and profiles will be stored in the memory after setup. After pressing „START/STOP“ key to exercise, please also apply the heart rate detector appropriately. Users may also change the ongoing loading in each interval by pressing (+) or (-) key, and they will not change the level of loading stored in the memory. With the input of age, the computer may suggest a target heart rate to exercise. The suggested heart rate is 80% (220 – age). So, if the heart rate detected equals to or greater than the TARGET H.R., the value of HEART RATE will keep flashing. Please note that it is a warning for users to speed down or to lower the level of loading. Set exercise parameters with F-key for Time/Distance/Calories and Pulse.

Speed Independent Watt-Program P16:
Program 16 is a Speed Independent Program. Press „F“ key to select the values of TIME, DISTANCE, CAL. and WATT.
Then, press (+) or (-) key to adjust the values. After pressing „START/ STOP“ key to exercise, please also apply the heart rate detector appropriately. During the exercise, the level of loading is not adjustable. In this program, computer will adjust the level of loading according to the value of WATT setup.
For example, the level of loading may increase while the speed is too slow. Also, the level of loading may decrease while the speed is too fast. As a result, the calculated value of WATT will close to the value of WATT setup by users. Set exercise parameters with F-key for Time/Distance/Calories and Pulse.

Heart Rate Control Programs P17-P20:
Program 17 to Program 20 are the Heart Rate Control Programs. In Pro- gram 17 to Program 19, press „F“ key to select TIME, DISTANCE, CAL. and AGE. Then, press (+) or (-) key to adjust the values. Users may exercise in a period of time or a certain distance with 55% Max Heart Rate in Program 17, 75% Max Heart Rate in Program 18, and 95% Max Heart Rate in Program 19. After pressing „START/STOP“ key to exercise, plea- se also apply the heart rate detector appropriately. In these programs, the computer will adjust the level of loading according to the heart rate detected. For example, the level of loading may increase while the heart rate detected is lower than TARGET H.R. Also, the level of loading
may decrease while the heart rate detected is higher than TARGET H.R.
As a result, the user’s heart rate will be adjusted to close the TARGET H.R. in the range of TARGET H.R. –5 and TARGET H.R. +5. With the input of age, the computer may suggest a target heart rate to exercise. The suggested heart rate is 80% (220 – age).
So, if the heart rate detected equals to or greater than the TARGET H.R., the value of HEART RATE will keep flashing. Please note that it is a warning for users to slow down or to lower the level of loading.
In program 20, press „F“ key to select TIME, DISTANCE, CAL. and TAR- GETH.R. Users may setup a target heart rate to exercise in a period of time or a certain distance.

BODY FAT Program P21
In non-exercising status, press F-key to enter body fat parameters set- tings. You can set from the below sequence: User No. (1 – 8), height (120-250CM), gender, age (10-99), weight (20-200KG). Press F-key to proceed to next parameter setting. Press + key to increase the setting value while press – key to decrease. When you finish setting, press START/STOP key and hold the pulse sensor. Then the display will show your body fat data and your individual body fat program in 10 seconds.
Press START/STOP again to exit body fat test and press again to start exercising this program.

| Gender/Age | Underweight | Healthy | Slightly Over- weight | Overweight | Obese |
| Männlich/ ≤ 30 | < 14% | 14%~20% | 20.1%~25% | 25.1%~35% | > 35% |
| Männlich/> 30 | < 17% | 17%~23% | 23.1%~28% | 28.1%~38% | > 38% |
| Weiblich/≤ 30 | < 17% | 17%~24% | 24.1%~30% | 30.1%~40% | > 40% |
| Weiblich/ > 30 | < 20% | 20%~27% | 27.1%~33% | 33.1%~43% | > 43% |
Remark:
- During body fat test, it will display Err2 if hand pulse sensors get no- input.
- According to test result, 10 seconds have no operation or operation arbitrarily key, will get into system recommendation to toughen pro- gram.

TEST-Pulse Recovery:
It is a function to check the condition of pulse recovery that is scaled from 1.0 to 6.0 while 1.0 means the best and 6.0 means the worst and the increment is 0.1. In order to get rated correctly, users must test it right after the workout finished by pressing „TEST“ key and then stop exercising. After the key is pressed, please also apply the heart rate detector appropriately. The test will last for 1 minute and the result will show in the display.

PULSE
- Pulse Rate:
The whole set of heart rate detector include 2 sensors each side. Each sensor has 2 pieces of metal parts. The correct way to get detected is to gently hold both metal parts each hand. With the good signals picked up by the computer, the heart mark in the HEART RATE Display shall flash. Sometimes the heart rate value is not useable, based on wet hands or any other contact problems during exercising. If you need high accuracy heart rate value you have to use an external heart rate measurement with a pulse belt.
“WARNING” Heart rate monitoring system may be inaccurate. Over exercise may result in injury or death. If you feel faint stop exercising immediately.
WATT TABELLE
RPM and Power in Watt of Level 1 – Level 24 for AX 4000 Art.-Nr. 2007
| LEVEL | 20 RPM WATT | 30 RPM WATT | 40 RPM WATT | 50RPM WATT | 60 RPM WATT | 70 RPM WATT | 80 RPM WATT |
| 1 | 4 | 8 | 14 | 20 | 28 | 35 | 42 |
| 2 | 6 | 11 | 19 | 27 | 38 | 48 | 60 |
| 3 | 7 | 13 | 23 | 34 | 48 | 61 | 77 |
| 4 | 8 | 16 | 28 | 41 | 58 | 74 | 93 |
| 5 | 9 | 19 | 33 | 48 | 68 | 89 | 110 |
| 6 | 10 | 21 | 37 | 54 | 78 | 100 | 125 |
| 7 | 11 | 23 | 41 | 61 | 88 | 112 | 142 |
| 8 | 13 | 27 | 47 | 68 | 98 | 124 | 159 |
| 9 | 15 | 29 | 52 | 76 | 108 | 137 | 176 |
| 10 | 16 | 31 | 56 | 82 | 118 | 148 | 187 |
| 11 | 17 | 35 | 62 | 90 | 128 | 164 | 203 |
| 12 | 18 | 37 | 66 | 96 | 138 | 172 | 220 |
| 13 | 19 | 40 | 70 | 103 | 148 | 185 | 236 |
| 14 | 20 | 43 | 75 | 110 | 158 | 201 | 252 |
| 15 | 22 | 46 | 79 | 117 | 168 | 215 | 269 |
| 16 | 23 | 50 | 85 | 125 | 178 | 228 | 286 |
| 17 | 25 | 53 | 90 | 133 | 188 | 246 | 304 |
| 18 | 26 | 56 | 95 | 141 | 198 | 251 | 318 |
| 19 | 28 | 59 | 100 | 149 | 208 | 272 | 332 |
| 20 | 29 | 63 | 104 | 156 | 218 | 283 | 346 |
| 21 | 31 | 65 | 108 | 162 | 228 | 291 | 361 |
| 22 | 32 | 67 | 113 | 168 | 238 | 303 | 378 |
| 23 | 34 | 71 | 120 | 175 | 248 | 320 | 397 |
| 24 | 36 | 74 | 127 | 182 | 258 | 335 | 416 |
Remarks:
- The power consumptions (Watt) are adjusted by measuring the driving speed (min-1) of axle and the braking torque (Nm).
- Your equipment was tested to fulfill the requirements of its accuracy classification before shipment, If you have doubts about the accuracy, please contact with your local retailer or send it to accredited test laboratory to ensure or calibrate it. (Please note that a deviation tolerance as noted on page 15, is permissible.)
Error Messages
Each time the computer is restarted, it will run a quick test for functionality. If something is not okay, it indicates possible errors:
E 1 This symbol and a warning tone appear if the wiring is incorrectly connected or there is a fault in the resistance setting. Check all cable connections, especially at the connectors. After eliminating the error, press and hold the „Start / Stop“ button for 2 seconds to reset the sys- tem to 0
INDOOR TRAININGS APP
The product can be used with the Kinomap app. This enables entertaining and interactive training with Android or IOS devices and saving training data.
Sport, coaching, gaming and eSport are the keywords of the Kinomap app. This contains many kilometers of real film material to exercise in- side as if you were outside; Tracking routes and analysis of your performance; Coaching content; Multiplayer mode; new posts daily; Official indoor races and more … The APP thus contains approx. 100,000 videos recorded by athletes and 200,000 km of accumulated tracks for cycling, running or rowing for currently approx. 270,000 members from all over the world.
Download the app and connect
Scan the adjacent QR code with your smartphone / tablet or use the search function at the Playstore (Android) or APP Store (IOS) to down- load the Kinomap APP. Register and follow the instructions in the APP. Activate Bluetooth on the smartphone or tablet and select the device manager via the menu in the APP and then select the „Exercise bike“ category. Then select your type designation via the manufacturer logo „Christopeit Sport“ in order to connect the sports equipment. Depending on the sports equipment, different functions are recorded by the APP via Bluetooth or data is exchanged.
Attention: The Kinomap APP offers a free trial version for 14 days. After that, fees will apply which are listed on the Kinomap homepage.
Further information can be found at: https://www.kinomap.com/en/
Alternatively, you can use the free FitShow app.
CLEANING, CHECKS AND STORAGE
- Cleaning
Use only a less wet cloth for cleaning. Caution: Never use benzene, thinner or other aggressive cleaning agents for surface cleaning as this dam- age caused the device is only for private home use and for use suitable indoors. Keep the unit clean and moisture from the device. - Storage
Plug out the power supply unit while intending the unit for more than 4 weeks not to use. Push the saddle slide toward the handlebar and the seat support tube as deeply as possible into the frame. Choose a dry storage in-house and put some spray oil to the pedal bearings left and right, to the thread of the handlebar bolt, and on the thread of the quick release for saddle support. Cover the bike to protect it from being discolor by any sunlight and dirty through dust. - Checks
e recommend every 50 hours to review the screw connections for tightness, which were prepared in the assembly. Every 100 operating hours, you should put some spray oil at the pedal bearings left and right, to the thread of the handlebar bolt and to the thread of quick release for saddle support.
TROUBLESHOOTING
If you cannot solve the problem with the following information, please contact the authorized service center.
| Problem | Possible Cause | Solution |
| Computer has no value at Dis- play if you press any key. | No power adapter is well plugged or wall power is without power. | Check that the power adapter is properly plugged in, possibly with another electric device check if the wall power is fine. |
| Computer is not counting data and do not switch on after start cycling. | Sensor impulse missing base on not well plugged connection | Check the plug connections at computer and inside of handle- bar support. |
| Computer is not counting data and do not switch on after start cycling. | Sensor impulse missing base on not correct position of sensor. | Take off the cover and check the distance between magnet and Sensor. The magnet at turning belt wheel should have only less than < 5mm distance against the sensor position. |
| No pulse value | Pulse cable is not plugged in. | Check the separately pulse cable is well connected with computer. |
| No pulse value | Pulse sensors not well connected | Screw out the screw for pulse measurement and check if plugs are well connected and no damage at pulse cable. |
Training area in mm (for home trainer and user)

Free area in mm (Training area and security area (rotating 60cm))
TRAINING INSTRUCTIONS
You must consider the following factors in determining the amount of training effort required in order to attain tangible physical and health benefits:
- Intensity:
The level of physical exertion in training must exceed the level of nor- mal exertion without reaching the point of breathlessness and / or exhaustion. A suitable guideline for effective training can be taken from the pulse rate. During training this should rise to the region of between 70% to 85% of the maximum pulse rate (see the table and formular for determination and calculation of this).
During the first weeks, the pulse rate should remain at the lower end of this region, at around 70% of the maximum pulse rate. In the course of the following weeks and months, the pulse rate should be slowly raised to the upper limit of 85% of the maximum pulse rate. The better the physical condition of the person doing the exercise, the more the lev- el of training should been creased to remain in the region of between 70% to 85% of the maximum pulse rate. This should be done by lengthening the time for the training and/ or increasing the level of difficulty. If the pulse rate is not shown on the computer display or if for safety reasons you wish to check your pulse rate, which could have been displayed wrongly due to error in use, etc., you can do the following:- Pulse rate measurement in the conventional way (feeling the pulse at the wrist, for example, and counting the number of beats in one minute).
- Pulse rate measurement with a suitable specialised device (available from dealers specialising in health-related equipment).
- Frequency
Most experts recommend a combination of health-conscious nutrition, which must be determined on the basis of your training goal, and physical training three times a week. A normal adult must train twice a week to maintain his current level of condition. At least three training sessions a week are required to improve one’s condition and reduce one’s weight. Of course the ideal frequency of training is five sessions a week. - Planning the training
Each training session should consist of three phases: the warm-up phase, the training phase, and the cool-down phase. The body temperature and oxygen intake should be raised slowly in the warm-up phase. This can be done with gymnastic exercises lasting five to ten minutes. Then the actual training (training phase) should begin. The training exertion should be relatively low for the first few minutes and then raised over a period of 15 to 30 minutes such that the pulse rate reaches the region of between 70% to 85% of the maximum pulse rate. In order to support the circulation after the training phase and to prevent aching or strained muscles later, it is necessary to follow the training phase with a cool-down phase. This should be consist of stretching exercises and/ or light gymnastic exercises for a period of five to ten minutes. - Motivation
The key to a successful program is regular training. You should set a fixed time and place for each day of training and prepare yourself men- tally for the training. Only train when you are in the mood for it and al- ways have your goal in view. With continuous training you will be able to see how you are progressing day by day and are approaching your personal training goal bit by bit.
Calculation formula:
Maximum pulse rate = 220 – age (220 minus your age)
90% of the maximum pulse rate = (220 – age) x 0.9
85% of the maximum pulse rate = (220 – age) x 0.85
70% of the maximum pulse rate = (220 – age) x 0.7

WARM UP EXERCISES (WARM UP)
Start your warm up by walking on the spot for at least 3 minutes and then perform the following gymnastic exercises to the body for the training phase to prepare accordingly. The exercises do not overdo it and only as far run until a slight drag felt. This position will hold a while.
Reach with your left hand be- hind your head to the right shoulder and pull with the right hand slightly to the left elbow. After 20sec. switch arm.
Bend forward as far forward as possible and let your legs almost stretched. Show it with your fingers in the direction of toe. 2 x 20sec.
Sit down with one leg stretched out on the floor and bend forward and try to reach the foot with your hands. 2 x 20sec.
Kneel in a wide lunge forward and support yourself with your hands on the floor. Press the pelvis down. Change after 20 sec leg.
After the warm-up exercises by some arms and legs shake loose. Don’t finish the exercise phase abruptly, but will cycle leisurely something without resistance from to return to the normal pulse-zone. (Cool down) We recommend the warm-up exercises at the end of the training be conducted and to end your workout with shaking of the extremities.
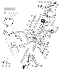
PARTS LIST – SPARE PARTS LIST AX 4000
Art.-Nr.: 2007
Technical data: Issue 22.12.2020
Ergometer of Class HA with high accuracy
- Magnetic brake system with approx. 9 KG flywheel
- Motor- and Computer-controlled resistance, with 24 manually adjustable load steps
- 10 installed programs
- 4 heart rate programs
- 5 individual programs
- 1 manually program
- 1 speed independent program, power control in steps of 10 Watt
(30 – 350 Watt) - 1 Body Fat program
- Handlebar and saddle incline adjustable
- Saddle horizontally- and vertically-adjustable
- Wheels for easier transportation
- Power plug (Adapter)
- Computer, showing at same time: Speed, time, distance, approx.
calories, pedal revolutions per minute, Watt, heart rate, and ODO. - Holder for Smartphone/Tablet.
- Input of limits for time, distance and approx. calories, watt and
heart rate, Announcement of higher limits - Fitness test (Recovery)
- Bluetooth connection for Kinomap (APP for iOS and Android)
- Max. body weight 150 KG
his product is created only for private Home sports activity and not allowed to us in a commercial or professional area. Home Sport use class H/A
Please contact us if any components are defective or missing, or if you need any spare parts or replacements in future:
Internet service- and spare parts data base: www.christopeit-service.de
Top-Sports Gilles GmbH
Friedrichstraße 55
42551 Velbert
Telefon: +49 (0)20 51 / 60 67-0
Telefax: +49 (0)20 51 / 60 67-44
e-mail: [email protected]
www.christopeit-sport.com
Space requirement approx. [cm]: L 88 x W 54 x H 136
Items weight [kg]: 28
Exercise space approx. [m2: 2,5
![]()
| Illustration No. | Designation | Dimension mm | Quantity | Attached to Illustration No. | ET-Number |
| 1 | Computer | 1 | 21 | 36-2007-03-BT | |
| 2 | Screw | M5x10 | 4 | 1+21 | 39-9903 |
| 3 | Foam | 2 | 6 | 36-1410-04-BT | |
| 4 | End cap | 2 | 6 | 39-9847 | |
| 5 | Pulse cable | 2 | 1+8 | 36-1122-09-BT | |
| 6 | Handlebar | 1 | 21 | 33-1410-04-SI | |
| 7 | Self-tapping screw | M4x15 | 2 | 6+8 | 39-9909-SW |
| 8 | Hand pulse sensor | 2 | 21 | 36-9806206-BT | |
| 9 | Saddle | 1 | 10 | 36-9806210-BT | |
| 10 | Seat slide | 1 | 9+16 | 33-1106107-SW | |
| 11 | Triangular block | 1 | 10+16 | 33-9211-08-SI | |
| 12 | Square tube plug | 2 | 10 | 36-9211-23-BT | |
| 13 | Plastic cover | 1 | 6 | 36-9103-07-BT | |
| 14 | Tube spacer | 8×24 | 1 | 15 | 36-9806228-BT |
| 15 | Handlebar screw | 1 | 21 | 36-9211-16-BT | |
| 16 | Seat post | 1 | 10+20 | 33-1907-05-SW | |
| 17 | Motor | 1 | 23+49 | 36-1721-09-BT | |
| 18 | Quick release | M16 | 1 | 49 | 36-1907-06-BT |
| 19 | Sensor | 1 | 23+49 | 36-1721-13-BT | |
| 20 | Plastic insert | 1 | 49 | 36-1907-08-BT | |
| 21 | Handlebar post | 1 | 49 | 33-1907-02-SW | |
| 22 | Connection cable | 1 | 1+23 | 36-1107207-BT | |
| 23 | Motor cable | 1 | 17+22 | 36-1107208-BT | |
| 24 | Allen bolt | M8x20 | 4 | 21+49 | 39-9886-CR |
| 25 | Curved washer | 8//19 | 4 | 24 | 36-9966-CR |
| 26 | C-clip | C17 | 1 | 34 | 36-9825320-BT |
| 27 | Washer | 17//22 | 1 | 34 | 39-10135 |
| 28 | Bearing | 6003-2RS | 3 | 49 | 36-9806214-BT |
| 29 | Spring washer | for M8 | 8 | 24+73 | 39-9864-VC |
| 30 | Washer | 8//16 | 4 | 73 | 39-9962 |
| 31 | Washer | 6//14 | 4 | 36+43 | 39-9863 |
| 32 | Wave washer | 17.5//22 | 1 | 34 | 36-9918-22-BT |
| 33 | Nylon nut | M6 | 1 | 36 | 39-9816-VC |
| 34 | Pedal axle | 1 | 49 | 33-1907-07-SW | |
| 35 | Belt | 390J6 | 1 | 34+55 | 36-9913116-BT |
| 36 | Double-thread screw | 1 | 51 | 36-1611-22-BT | |
| 37 | Spring | 1 | 51 | 36-9806217-BT | |
| 38 | Nut | M6 | 2 | 36 | 39-9861-VZ |
| 39 | Idler wheel | 1 | 45 | 36-9806216-BT | |
| 40 | Tension cable | 1 | 17+51 | 36-9211-41-BT | |
| 41 | Allen bolt | M8x20 | 2 | 39+45 | 39-10095-SW |
| 42 | Nut | M8 | 1 | 41 | 39-10031 |
| 43 | Allen bolt | M6x15 | 3 | 19+52 | 39-9911 |
| 44 | Washer | 17//22 | 1 | 34 | 39-10135 |
| 45 | Idler wheel bracket | 1 | 49 | 33-1907-06-SW | |
| 46 | Spring | 1 | 45+49 | 36-9806217-BT | |
| 47 | DC cable | 1 | 23+62L | 36-1721-07-BT | |
| 48 | Cap nut | M8 | 4 | 73 | 39-9900-SW |
| 49 | Main frame | 1 | 21 | 33-1907-01-SW | |
| 50 | Magnet | 1 | 34 | 36-9825506-BT | |
| 51 | Magnet bracket | 1 | 52 | 33-1611-14-SI | |
| 52 | Axle of magnet bracket | 1 | 51 | 36-9225-11-BT | |
| 53 | C-clip | C11 | 1 | 52 | 36-9514-26-BT |
| 54 | Wave washer | 12//17 | 1 | 52 | 36-9824-21-BT |
| 55 | Flywheel | 1 | 49 | 33-1507210-SI | |
| 56 | Belt wheel | 1 | 34 | 36-1105-13-BT | |
| 57 | Axle nut | M10x1.25 | 2 | 55 | 39-9820 |
| 58 | Axis protection piece | 2 | 56 | 36-1123-28-BT | |
| 59L | Pedal left | 1 | 60 | 36-9806229-BT | |
| 59R | Pedal right | 1 | 56 | 36-9806230-BT | |
| 60L | Crank left | 1 | 34+59L | 33-1105-08-SW | |
| 60R | Crank right | 1 | 34+59R | 33-1105-09-SW | |
| 61 | Crank cover | 2 | 62 | 36-1907-07-BT | |
| 62L | Chain cover left | 1 | 49+62R | 36-2007-01-BT | |
| 62R | Chain cover right | 1 | 49+62L | 36-2007-02-BT | |
| 63 | Connection shaft | 3 | 62L+62R | 36-1508-10-BT | |
| 64 | Washer | 10//25 | 1 | 11 | 39-9989-SW |
| 65 | Hand grip nut | M10 | 1 | 11 | 36-1907-09-BT |
| 66 | Self-tapping screw | M4.5×25 | 6 | 62R | 39-9825338-BT |
| 67 | Drill screw | M5x15 | 5 | 62 | 39-10190 |
| 68 | Drill screw | M5x20 | 10 | 17+62 | 39-9903-SW |
| 69 | Front stabilizer | 1 | 49 | 33-1907-03-SW | |
| 70L | Front stabilizer cap left | 1 | 69 | 36-1907-10-BT | |
| 70R | Front stabilizer cap right | 1 | 69 | 36-1907-11-BT | |
| 71 | Rear stabilizer cap | 2 | 72 | 36-1907-12-BT | |
| 72 | Rear stabilizer | 1 | 49 | 33-1907-04-SW | |
| 73 | Carriage bolt | M8x45 | 4 | 49,69+72 | 39-9953 |
| 74 | Rubber ring | 1 | 75 | 36-1907-05-BT | |
| 75 | Handlebar cover | 1 | 21 | 36-1907-04-BT | |
| 76 | Axle bolt | M8x20 | 2 | 56+60 | 39-9886-CR |
| 77 | Crank plug | 2 | 56+60 | 36-9840-15-BT | |
| 78 | Adaptor | 9Volt=/1000mA | 1 | 47 | 36-1420-17-BT |
| 79 | Combination wrench | 1 | 36-9107-27-BT | ||
| 80 | Allen key wrench | 1 | 36-9107-28-BT | ||
| 81 | Assembly and exercise instruction | 1 | 36-2007-04-BT |























