MICROCHIP MIC4605 Evaluation Board User Guide

Note the following details of the code protection feature on Microchip products:
- Microchip products meet the specifications contained in their particular Microchip Data Sheet.
- Microchip believes that its family of products is secure when used in the intended manner, within operating specifications, and under normal conditions.
- Microchip values and aggressively protects its intellectual property rights. Attempts to breach the code protection features of Microchip product is strictly prohibited and may violate the Digital Millennium Copyright Act.
- Neither Microchip nor any other semiconductor manufacturer can guarantee the security of its code. Code protection does not mean that we are guaranteeing the product is “unbreakable” Code protection is constantly evolving. Microchip is committed to continuously improving the code protection features of our products.
This publication and the information herein may be used only with Microchip products, including to design, test, and integrate Microchip products with your application. Use of this information in any other manner violates these terms. Information regarding device applications is provided only for your convenience and may be superseded by updates. It is your responsibility to ensure that your application meets with your specifications. Contact your local Microchip sales office for additional support or, obtain additional support at https://www.microchip.com/en-us/support/design-help/client-supportservices.
THIS INFORMATION IS PROVIDED BY MICROCHIP “AS IS”. MICROCHIP MAKES NO REPRESENTATIONS OR WARRANTIES OF ANY KIND WHETHER EXPRESS OR IMPLIED, WRITTEN OR ORAL, STATUTORY OR OTHERWISE, RELATED TO THE INFORMATION INCLUDING BUT NOT LIMITED TO ANY IMPLIED WARRANTIES OF NONINFRINGEMENT, MERCHANTABILITY, AND FITNESS FOR A PARTICULAR PURPOSE, OR WARRANTIES RELATED TO ITS CONDITION, QUALITY, OR PERFORMANCE.
IN NO EVENT WILL MICROCHIP BE LIABLE FOR ANY INDIRECT, SPECIAL, PUNITIVE, INCIDENTAL, OR CONSEQUENTIAL LOSS, DAMAGE, COST, OR EXPENSE OF ANY KIND WHATSOEVER RELATED TO THE INFORMATION OR ITS USE, HOWEVER CAUSED, EVEN IF MICROCHIP HAS BEEN ADVISED OF THE POSSIBILITY OR THE DAMAGES ARE FORESEEABLE. TO THE FULLEST EXTENT ALLOWED BY LAW, MICROCHIP’S TOTAL LIABILITY ON ALL CLAIMS IN ANY WAY RELATED TO THE INFORMATION OR ITS USE WILL NOT EXCEED THE AMOUNT OF FEES, IF ANY, THAT YOU HAVE PAID DIRECTLY TO MICROCHIP FOR THE INFORMATION.
Use of Microchip devices in life support and/or safety applications is entirely at the buyer’s risk, and the buyer agrees to defend, indemnify and hold harmless Microchip from any and all damages, claims, suits, or expenses resulting from such use. No licenses are conveyed, implicitly or otherwise, under any Microchip intellectual property rights unless otherwise stated.
For information regarding Microchip’s Quality Management Systems, please visit www.microchip.com/quality.
Trademarks
The Microchip name and logo, the Microchip logo, Adaptec, AVR, AVR logo, AVR Freaks, BesTime, BitCloud, CryptoMemory, CryptoRF, dsPIC, flexPWR, HELDO, IGLOO, JukeBlox, KeeLoq, Kleer, LANCheck, LinkMD, maXStylus, maXTouch, MediaLB, megaAVR, Microsemi, Microsemi logo, MOST, MOST logo, MPLAB, OptoLyzer, PIC, picoPower, PICSTART, PIC32 logo, PolarFire, Prochip Designer, QTouch, SAM-BA, SenGenuity, SpyNIC, SST, SST Logo, SuperFlash, Symmetricom, SyncServer, Tachyon, TimeSource, tinyAVR, UNI/O, Vectron, and XMEGA are registered trademarks of Microchip Technology Incorporated in the U.S.A. and other countries.
Agile Switch, APT, Clock Works, The Embedded Control Solutions Company, Ether Synch, Flashes, Hyper Speed Control, Hyperlight Load, Libero, motor Bench, touch, Power mite 3, Precision Edge, Prosaic, Prosaic Plus, Prosaic Plus logo, Quiet- Wire, Smart Fusion, Sync World, Timex, TimeCesium, Time Hub, Time Picture, Time Provider, True Time, and ZL are registered trademarks of Microchip Technology Incorporated in the U.S.A.
Adjacent Key Suppression, AKS, Analog-for-the-Digital Age, Any Capacitor, Any In, Any Out, Augmented Switching, BlueSky, Body Com, Clock studio, CodeGuard, CryptoAuthentication, CryptoAutomotive, CryptoCompanion, CryptoController, dsPICDEM, dsPICDEM.net, Dynamic Average Matching, DAM, ECAN, Espresso T1S, EtherGREEN, GridTime, IdealBridge, InCircuit Serial Programming, ICSP, INICnet, Intelligent Paralleling, IntelliMOS, Inter-Chip Connectivity, JitterBlocker, Knob-on-Display, KoD, maxCrypto, maxView, memBrain, Mindi, MiWi, MPASM, MPF, MPLAB Certified logo, MPLIB, MPLINK, MultiTRAK, NetDetach, Omniscient Code Generation, PICDEM, PICDEM.net, PICkit, PICtail, PowerSmart, PureSilicon, QMatrix, REAL ICE, Ripple Blocker, RTAX, RTG4, SAM-ICE, Serial Quad I/O, simpleMAP, SimpliPHY, SmartBuffer, SmartHLS, SMART-I.S., storClad, SQI, SuperSwitcher, SuperSwitcher II, Switchtec, SynchroPHY, Total Endurance, Trusted Time, TSHARC, USBCheck, VariSense, VectorBlox, VeriPHY, ViewSpan, WiperLock, XpressConnect, and ZENA are trademarks of Microchip Technology Incorporated in the U.S.A. and other countries.
SQTP is a service mark of Microchip Technology Incorporated in the U.S.A.
The Adaptec logo, Frequency on Demand, Silicon Storage Technology, and Symmcom are registered trademarks of Microchip Technology Inc. in other countries.
GestIC is a registered trademark of Microchip Technology Germany II GmbH & Co. KG, a subsidiary of Microchip Technology Inc., in other countries.
All other trademarks mentioned herein are property of their respective companies.
© 2022, Microchip Technology Incorporated and its subsidiaries.
All Rights Reserved.
ISBN: 978-1-6683-1452-4
Preface
NOTICE TO CUSTOMERS
All documentation becomes dated, and this manual is no exception. Microchip tools and documentation are constantly evolving to meet customer needs, so some actual dialogs and/or tool descriptions may differ from those in this document. Please refer to our web site (www.microchip.com) to obtain the latest documentation available.
Documents are identified with a “DS” number. This number is located on the bottom of each page, in front of the page number. The numbering convention for the DS number is “DSXXXXXXXA”, where “XXXXXXX” is the document number and “A” is the revision level of the document. For the most up-to-date information on development tools, see the MPLAB® IDE online help. Select the Help menu, and then Topics to open a list of available online help files.
INTRODUCTION
This chapter contains general information that will be useful to know before using the MIC4605 Evaluation Board. Items discussed in this chapter include:
- Document Layout
- Conventions Used in this Guide
- Recommended Reading
- The Microchip Website
- Customer Support
- Document Revision History
DOCUMENT LAYOUT
This document describes how to use the MIC4605 Evaluation Board as a demonstration board to evaluate the MIC4605 device. The manual layout is as follows: · Chapter 1. “Product Overview” Provides a general description of the
MIC4605 Evaluation Board. · Chapter 2. “Installation and Operation” Includes a detailed description of the
evaluation board and instructions on how to use it. · Appendix A. “Schematic and Layouts” Schematic and layout diagrams of the
MIC4605 Evaluation Board. · Appendix B. “Bill of Materials (BOM)” Lists the parts used to build the
MIC4605 Evaluation Board.
MIC4605 Evaluation Board User’s Guide
CONVENTIONS USED IN THIS GUIDE
This manual uses the following documentation conventions:
DOCUMENTATION CONVENTIONS

RECOMMENDED READING
This user’s guide describes how to use MIC4605 Evaluation Board. The following Microchip document is available and recommended as a supplemental reference resource: · MIC4605 Data Sheet – “85V Half-Bridge MOSFET Drivers with Adaptive Dead
Time and Shoot-Through Protection” This data sheet provides detailed information regarding the MIC4605 device.
THE MICROCHIP WEBSITE
Microchip provides on-line support via our web site at www.microchip.com. This website is used as a means to make files and information easily available to customers. Accessible by using your Favorite Internet browser, the website contains the following information:
- · Product Support Data sheets and errata, application notes and sample programs, design resources, user’s guides and hardware support documents, latest software releases and archived software
- General Technical Support Frequently Asked Questions (FAQs), technical support requests, on-line discussion groups, Microchip consultant program member listing
- Business of Microchip Product selector and ordering guides, latest Microchip press releases, listing of seminars and events, listings of Microchip sales offices, distributors and factory representatives
CUSTOMER SUPPORT
Users of Microchip products can receive assistance through several channels:
- Distributor or Representative
- Local Sales Office
- Field Application Engineer (FAE)
- Technical Support Customers should contact their distributor, representative or field application engineer (FAE) for support. Local sales offices are also available to help customers. A listing of sales offices and locations is included in the back of this document. Technical support is available through the web site at: http://support.microchip.com.
DOCUMENT REVISION HISTORY
Revision A (October 2022)
- Converted Micrel document MIC4605 Evaluation Board to Microchip User’s Guide DS50003430A.
- Minor text changes throughout.
NOTES:
Chapter 1. Product Overview
1.1 GENERAL DESCRIPTION
The MIC4605 is an 85V half-bridge MOSFET driver that features adaptive-dead-time and shoot-through protection. The adaptive-dead-time circuitry actively monitors the half-bridge outputs to minimize the time between high-side and low-side MOSFET transitions, thus maximizing power efficiency. Anti-shoot-through circuitry prevents erroneous inputs and noise from turning both MOSFETs on at the same time. Additionally, the MIC4605’s adjustable gate drive sets the gate drive voltage to VDD for optimal MOSFET RDS(ON), which minimizes power loss due to the MOSFET’s RDS(ON).
1.1.1 Requirements
At a minimum, the evaluation board requires a 5.5V to 16V power supply to power the VDD terminal (J1) of the MIC4605 and another supply (up to 85V) may be used to power the MOSFETs connected to the VIN terminal (J2). A pulse generator or the output of a PWM control IC may be connected to the HI and LI terminals (-1), or PWM single input (-2).
1.1.2 Precautions
There is no reverse input protection on this board. When connecting the input sources, make sure that the correct polarity is observed. Under extreme load conditions and with a high supply voltage (>48V) connected to the VIN terminal (J2), input transients can be quite large if long test leads are used. In such cases a 100 F, 100V electrolytic capacitor is needed across the VIN terminals to prevent overvoltage damage to the IC. This can be removed if a clean supply voltage on VIN is always guaranteed. Data sheets and support documentation are available on the Microchip website: www.microchip.com
Chapter 2. Installation and Operation
2.1 GETTING STARTED
- Connect VIN supply between the VIN and GND terminals and VDD supply between the VDD and GND terminals.
Connect a supply between the VIN terminal (J2) and the GND terminal (J3), paying careful attention to polarity and supply range (VIN 85V). Do not apply power until Step 5. Connect a supply between the VDD terminal (J1) and the GND terminal (J3), paying careful attention to polarity and supply range (5.5V VDD < 16V). Do not apply power until Step 5. - Connect the TTL-compatible HI and LI inputs (-1), or the PWM single input (-2). Connect the HI input (JP2) and LI input (JP3) to a pulse generator or the output of a PWM control IC. Ensure that they are non-overlapping signals and are TTL compatible logic-levels. The PWM single input replaces the HI input (JP2) for the -2 option.
- Monitor inputs and outputs. Monitor the inputs HI (JP2) and LI (JP3) or PWM (JP2) and outputs HO (JP1) and LO (JP4) with an oscilloscope.
- Connect motor across HS and GND or connect HS to GND. The simplest way to observe the MIC4605 operation is to connect a motor across the HS terminal (J8) and GND (J9). Alternatively the HS terminal (J8) can be shorted to GND (J9) with the VIN supply turned OFF. DC and AC parameters can be easily measured in this configuration.
- Turn-on supplies and HI/LI inputs. Turn-on the VDD power supply, followed by the VIN power supply. Turn on the HI and LI inputs (-1) or PWM single input (-2).
2.2 ORDERING INFORMATION

2.3 EVALUATION BOARD PERFORMANCE




Appendix A. Schematic and Layouts
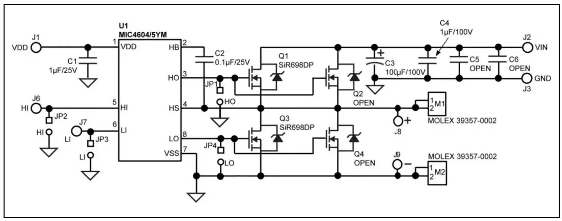
A.1 EVALUATION BOARD SCHEMATIC (MIC4605YMT)

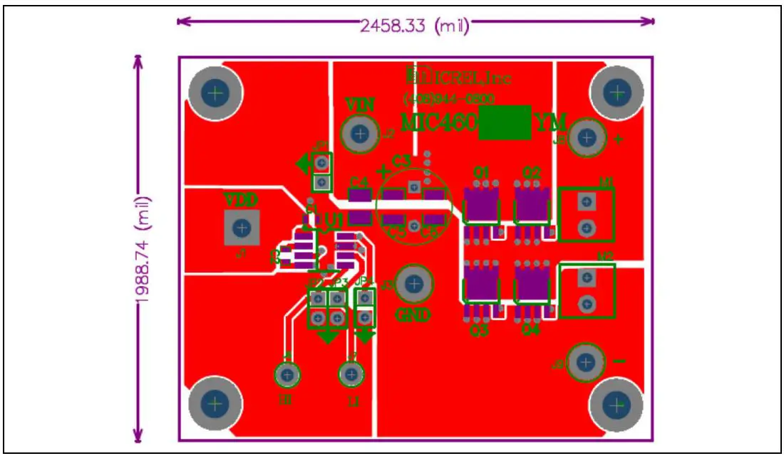
A.2 MIC4605YMT EVALUATION BOARD – TOP LAYER

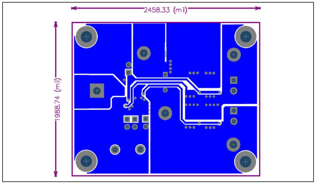
A.3 MIC4605YMT EVALUATION BOARD – BOTTOM LAYER

A.4 EVALUATION BOARD SCHEMATIC (MIC4605YM)

A.5 MIC4605YM EVALUATION BOARD – TOP LAYER

A.6 MIC4605YM EVALUATION BOARD – BOTTOM LAYER

Appendix B. Bill of Materials (BOM)

Note
- TDK: www.tdk.com
- Murata: www.murata.com
- Kyocera AVX: www.kyocera-avx.com
- Analog Power: www.analogpowerinc.com
- Vishay: www.vishay.com
- Microchip Technology Inc.: www.microchip.com

Note
- TDK: www.tdk.com
- Murata: www.murata.com
- Kyocera AVX: www.kyocera-avx.com
- Analog Power: www.analogpowerinc.com
- Vishay: www.vishay.com
- Microchip Technology Inc.: www.microchip.com
Worldwide Sales and Service
AMERICAS
Corporate Office
2355 West Chandler Blvd.
Chandler, AZ 85224-6199
Tel: 480-792-7200
Fax: 480-792-7277
Technical Support: http://www.microchip.com/
support Web Address: www.microchip.com
Atlanta Duluth, GA Tel: 678-957-9614 Fax: 678-957-1455
Austin, TX Tel: 512-257-3370
Boston Westborough, MA Tel: 774-760-0087 Fax: 774-760-0088
Chicago Itasca, IL Tel: 630-285-0071 Fax: 630-285-0075
Dallas Addison, TX Tel: 972-818-7423 Fax: 972-818-2924
Detroit Novi, MI Tel: 248-848-4000
Houston, TX Tel: 281-894-5983
Indianapolis Noblesville, IN Tel: 317-773-8323 Fax: 317-773-5453 Tel: 317-536-2380
Los Angeles Mission Viejo, CA Tel: 949-462-9523 Fax: 949-462-9608 Tel: 951-273-7800
Raleigh, NC Tel: 919-844-7510
New York, NY Tel: 631-435-6000
San Jose, CA Tel: 408-735-9110 Tel: 408-436-4270
Canada – Toronto Tel: 905-695-1980 Fax: 905-695-2078
ASIA/PACIFIC
Australia – Sydney
Tel: 61-2-9868-6733
China – Beijing
Tel: 86-10-8569-7000
China – Chengdu
Tel: 86-28-8665-5511
China – Chongqing
Tel: 86-23-8980-9588
China – Dongguan
Tel: 86-769-8702-9880
China – Guangzhou
Tel: 86-20-8755-8029
China – Hangzhou
Tel: 86-571-8792-8115
China – Hong Kong SAR
Tel: 852-2943-5100
China – Nanjing
Tel: 86-25-8473-2460
China – Qingdao
Tel: 86-532-8502-7355
China – Shanghai
Tel: 86-21-3326-8000
China – Shenyang
Tel: 86-24-2334-2829
China – Shenzhen
Tel: 86-755-8864-2200
China – Suzhou
Tel: 86-186-6233-1526
China – Wuhan
Tel: 86-27-5980-5300
China – Xian
Tel: 86-29-8833-7252
China – Xiamen
Tel: 86-592-2388138
China – Zhuhai
Tel: 86-756-3210040
ASIA/PACIFIC
India – Bangalore
Tel: 91-80-3090-4444
India – New Delhi
Tel: 91-11-4160-8631
India – Pune
Tel: 91-20-4121-0141
Japan – Osaka
Tel: 81-6-6152-7160
Japan – Tokyo
Tel: 81-3-6880- 3770
Korea – Daegu
Tel: 82-53-744-4301
Korea – Seoul
Tel: 82-2-554-7200
Malaysia – Kuala Lumpur
Tel: 60-3-7651-7906
Malaysia – Penang
Tel: 60-4-227-8870
Philippines – Manila
Tel: 63-2-634-9065
Singapore
Tel: 65-6334-8870
Taiwan – Hsin Chu
Tel: 886-3-577-8366
Taiwan – Kaohsiung
Tel: 886-7-213-7830
Taiwan – Taipei
Tel: 886-2-2508-8600
Thailand – Bangkok
Tel: 66-2-694-1351
Vietnam – Ho Chi Minh
Tel: 84-28-5448-2100
EUROPE
Austria – Wels
Tel: 43-7242-2244-39
Fax: 43-7242-2244-393
Denmark – Copenhagen
Tel: 45-4485-5910
Fax: 45-4485-2829
Finland – Espoo
Tel: 358-9-4520-820
France – Paris
Tel: 33-1-69-53-63-20
Fax: 33-1-69-30-90-79
Germany – Garching
Tel: 49-8931-9700
Germany – Haan
Tel: 49-2129-3766400
Germany – Heilbronn
Tel: 49-7131-72400
Germany – Karlsruhe
Tel: 49-721-625370
Germany – Munich
Tel: 49-89-627-144-0
Fax: 49-89-627-144-44
Germany – Rosenheim
Tel: 49-8031-354-560
Israel – Ra’anana
Tel: 972-9-744-7705
Italy – Milan
Tel: 39-0331-742611
Fax: 39-0331-466781
Italy – Padova
Tel: 39-049-7625286
Netherlands – Drunen
Tel: 31-416-690399
Fax: 31-416-690340
Norway – Trondheim
Tel: 47-7288-4388
Poland – Warsaw
Tel: 48-22-3325737
Romania – Bucharest
Tel: 40-21-407-87-50
Spain – Madrid
Tel: 34-91-708-08-90
Fax: 34-91-708-08-91
Sweden – Gothenberg
Tel: 46-31-704-60-40
Sweden – Stockholm
Tel: 46-8-5090-4654
UK – Wokingham
Tel: 44-118-921-5800
Fax: 44-118-921-5820
2022 Microchip Technology Inc. and its subsidiaries



















