MICROCHIP MCP73831 Evaluation Board

Protection Feature
Note the following details of the code protection feature on Microchip devices:
- Microchip products meet the specification contained in their particular Microchip Data Sheet.
- Microchip believes that its family of products is one of the most secure families of its kind on the market today, when used in the intended manner and under normal conditions.
- There are dishonest and possibly illegal methods used to breach the code protection feature. All of these methods, to our knowledge, require using the Microchip products in a manner outside the operating specifications contained in Microchips Data Sheets. Most likely, the person doing so is engaged in theft of intellectual property.
- Microchip is willing to work with the customer who is concerned about the integrity of their code.
- Neither Microchip nor any other semiconductor manufacturer can guarantee the security of their code. Code protection does not mean that we are guaranteeing the product as unbreakable.
Code protection is constantly evolving. We at Microchip are committed to continuously improving the code protection features of our products. Attempts to break Microchips code protection feature may be a violation of the Digital Millennium Copyright Act. If such acts allow unauthorized access to your software or other copyrighted work, you may have a right to sue for relief under that Act. Information contained in this publication regarding device applications and the like is provided only for your convenience and may be superseded by updates. It is your responsibility to ensure that your application meets with your specifications. MICROCHIP MAKES NO REPRESENTATIONS OR WAR-RANTIES OF ANY KIND WHETHER EXPRESS OR IMPLIED, WRITTEN OR ORAL, STATUTORY OR OTHERWISE, RELATED TO THE INFORMATION, INCLUDING BUT NOT LIMITED TO ITS CONDITION, QUALITY, PERFORMANCE, MERCHANTABILITY OR FITNESS FOR PURPOSE. Microchip disclaims all liability arising from this information and its use. Use of Microchips products as critical components in life support systems is not authorized except with express written approval by Microchip. No licenses are conveyed, implicitly or otherwise, under any Microchip intellectual property rights.
Trademarks
The Microchip name and logo, the Microchip logo, Accuron, dsPIC, KEELOQ, microID, MPLAB, PIC, PICmicro, PICSTART, PRO MATE, PowerSmart, rfPIC, and SmartShunt are registered trademarks of Microchip Technology Incorporated in the U.S.A. and other countries. AmpLab, FilterLab, Migratable Memory, MXDEV, MXLAB, PICMASTER, SEEVAL, SmartSensor and The Embedded Control Solutions Company are registered trademarks of Microchip Technology Incorporated in the U.S.A. Analog-for-the-Digital Age, Application Maestro, dsPICDEM, dsPICDEM.net, dsPICworks, ECAN, ECONOMONITOR, FanSense, FlexROM, fuzzyLAB, In-Circuit Serial Programming, ICSP, ICEPIC, Linear Active Thermistor, MPASM, MPLIB, MPLINK, MPSIM, PICkit, PICDEM, PICDEM.net, PICLAB, PICtail, PowerCal, PowerInfo, PowerMate, PowerTool, Real ICE, rfLAB, rfPICDEM, Select Mode, Smart Serial, SmartTel, Total Endurance, UNI/O, WiperLock and Zena are trademarks of Microchip Technology Incorporated in the U.S.A. and other countries. SQTP is a service mark of Microchip Technology Incorporated in the U.S.A. All other trademarks mentioned herein are property of their respective companies. © 2005, Microchip Technology Incorporated, Printed in the U.S.A., All Rights Reserved.
Microchip received ISO/TS-16949:2002 quality system certification for its worldwide headquarters, design and wafer fabrication facilities in Chandler and Tempe, Arizona and Mountain View, California in October 2003. The Companys quality system processes and procedures are for its PICmicro® 8-bit MCUs, KEELOQ® code hopping devices, Serial EEPROMs, microperipherals, nonvolatile memory and analog products. In addition, Microchips quality system for the design and manufacture of development systems is ISO 9001:2000 certified.
Preface
NOTICE TO CUSTOMERS
All documentation becomes dated, and this manual is no exception. Microchip tools and documentation are constantly evolving to meet customer needs, so some actual dialogs and/or tool descriptions may differ from those in this document. Please refer to our web site (www.microchip.com) to obtain the latest documentation available. Documents are identified with a DS number. This number is located on the bottom of each page, in front of the page number. The numbering convention for the DS number is DSXXXXXA, where XXXXX is the document number and A is the revision level of the document.
INTRODUCTION
This chapter contains general information that will be useful to know before using the MCP73831 Evaluation Board. Items discussed in this chapter include:
- Document Layout
- Conventions Used in this Guide
- Recommended Reading
- The Microchip Web Site
- Customer Support
- Document Revision History
DOCUMENT LAYOUT
This document describes how to use the MCP73831 Evaluation Board. The manual layout is as follows:
- Chapter 1. Product Overview Important information about the MCP73831 Evaluation Board.
- Chapter 2. Installation and Operation Includes instructions on how to get started with this evaluation kit and a description of the evaluation boards.
- Appendix A. Schematic and Layouts Shows the schematic and layout diagrams for the MCP73831 Evaluation Board.
- Appendix B. Bill Of Materials (BOM) Lists the parts used to build the MCP73831 Evaluation Board.
CONVENTIONS USED IN THIS GUIDE
This manual uses the following documentation conventions:
DOCUMENTATION CONVENTIONS

RECOMMENDED READING
This user’s guide describes how to use the MCP73831 Evaluation Board. The following Microchip documents are available and recommended as supplemental reference resources. MCP73831 Data Sheet, Miniature Single-Cell, Fully-Integrated Li-Ion, Li-Polymer Charge-Management Controller, (DS21984) This data sheet provides detailed information regarding the MCP73831 product family. AN947, Power Management in Portable Applications: Charging Lithium-Ion/Lithium-Polymer Batteries, (DS00947) This application note provides general information regarding charging Li-Ion batteries. AN971, USB Port-Powered Li-Ion/Li-Polymer Battery Charging, (DS00971) This application note provides general information regarding charging Li-Ion batteries from a USB port.
THE MICROCHIP WEB SITE
Microchip provides online support via our web site at www.microchip.com. This web site is used as a means to make files and information easily available to customers. Accessible by using your favorite Internet browser, the web site contains the following information:
- Product Support Data sheets and errata, application notes and sample programs, design resources, users guides and hardware support documents, latest software releases and archived software
- General Technical Support Frequently Asked Questions (FAQs), technical support requests, online discussion groups, Microchip consultant program member listing
- Business of Microchip Product selector and ordering guides, latest Microchip press releases, listing of seminars and events, listings of Microchip sales offices, distributors and factory representatives
CUSTOMER SUPPORT
Users of Microchip products can receive assistance through several channels:
- Distributor or Representative
- Local Sales Office
- Field Application Engineer (FAE)
- Technical Support
- Development Systems Information Line
Customers should contact their distributor, representative or field application engineer (FAE) for support. Local sales offices are also available to help customers. A listing of sales offices and locations is included in the back of this document. Technical support is available through the web site at: http://support.microchip.com
DOCUMENT REVISION HISTORY
Revision A (December 2005) Initial Release of this Document.
Product Overview
INTRODUCTION
The MCP73831 Evaluation Board is used to evaluate Microchips MCP73831 in simple, stand-alone Li-Ion battery charging applications. Two circuit boards are provided in the MCP73831 Evaluation Kit for evaluation of various device options. This chapter covers the following topics:
- What is the MCP73831 Evaluation Board?
- What the MCP73831 Evaluation Kit Includes
WHAT IS THE MCP73831 EVALUATION BOARD?
The MCP73831 Evaluation Board is an evaluation and demonstration tool for Microchips MCP73831 miniature single-cell, fully-integrated Li-Ion, Li-Polymer charge-management controllers. Two evaluation boards are provided in the MCP73831 Evaluation Kit. The boards are set up to evaluate simple, stand-alone, linear charging of single-cell Li-Ion / Li-Polymer battery packs (the battery packs are not included). Each board design provides constant current charging followed by constant voltage charging with automatic charge termination. In addition, the MCP73831-2AC board provides preconditioning of deeply depleted cells. Each board design provides evaluation of the MCP73831 in two package options: a SOT23-5 and a 2 mm x 3 mm, 8-Lead DFN for higher power handling capability. When connected, these evaluation boards allow for the evaluation of the MCP73831 devices in a variety of applications.
WHAT THE MCP73831 EVALUATION KIT INCLUDES
This MCP73831 Evaluation Kit includes:
- Two MCP73831 Evaluation Boards, 102-00085
- MCP73831 Evaluation Board Users Guide, DS51596
- MCP73831 Data Sheet, Miniature Single-Cell, Fully-Integrated Li-Ion, Li-Polymer Charge-Management Controller, DS21984
- AN947, Power Management in Portable Applications: Charging Lithium-Ion/Lithium-Polymer Batteries, DS00947
- AN971, USB Port-Powered Li-Ion/Li-Polymer Battery Charging, DS00971
Installation and Operation
INTRODUCTION
The MCP73831 Evaluation Board demonstrates Microchips MCP73831. The MCP73831 is a miniature single-cell, fully-integrated Li-Ion/Li-Polymer charge-management controller. A number of device options allow the MCP73831 to be utilized in a variety of applications. Refer to the MCP73831 data sheet (DS21984) for device options.
FEATURES
The MCP73831 Evaluation Kit contains two boards for evaluation of various device options. The boards have the following features with the factory installed devices:
- Charge Voltage: 4.20V
- Programmable Fast Charge Current up to 500 mA
- Preconditioning of deeply depleted cells (MCP73831-2AC)
- Preconditioning Threshold Voltage: 2.8V
- Preconditioning Current: 10% of Programmed Fast Charge Current
- No Preconditioning (MCP73831-2DC)
- Automatic Charge Termination
- Charge termination by minimum current in Constant Voltage Mode
- Termination Current: 7.5% of Programmed Fast Charge Current
- Automatic Recharge
- Recharge Threshold Voltage: 4.05V
- Charge Current Monitor for Fuel Gauging
- Thermal Regulation
- Reverse Discharge Protection
- Evaluation in SOT23-5 Package
- Evaluation in 2 mm x 3 mm, 8-Lead DFN package for higher power handling capability
- Simple Stand-Alone Operation
- Powered from external bench supply or voltage regulated wall cube
- Surface-Mount Design
- Fully Assembled and Tested
GETTING STARTED
The MCP73831 Evaluation Boards are fully assembled and tested for charging single-cell, Li-Ion/Li-Polymer battery packs. The boards provide the appropriate charge algorithm for simple, stand-alone operation. The boards require the use of an external input voltage source (5V ±10%, recommended) and external load (battery pack or simulated battery load).
Power Input and Output Connections
POWERING A MCP73831 EVALUATION BOARD
- Apply the input voltage source to the appropriate circuit for evaluation. The input voltage source should be limited to the 0V to +6V range. For normal operation, the input voltage should be between +4.5V and +6V. The input voltage must not exceed an absolute maximum of +7V.
- Connect the positive side of the input source (+) to VDD of the circuit being evaluated. Connect the negative or return side of the input source (-) to VSS of the circuit being evaluated. Refer to Figure 2-1.

APPLYING THE LOAD TO A MCP73831 EVALUATION BOARD
- To apply a load to a MCP73831 Evaluation Board, the positive side of the load (B+) should be connected to VBAT of the circuit being evaluated. The negative or return side of the load (B-) should be connected to VSS of the circuit being evaluated. Care should be taken when using electronic loads or ground referenced loads.
- For the MCP73831-2AC board, the charge management controller will only provide 10% of the programmed fast charge current if the battery terminal voltage (VBAT) is less than 2.8V with respect to VSS. Using a purely resistive load will not work for preconditioning and fast charge currents. The best way to evaluate the charge management circuit is to use a single-cell Li-Ion battery pack, or the recommended simulated battery load.

SETTING THE FAST CHARGE CURRENT
- As provided, the MCP73831 Evaluation Boards have two fast charge current settings: 100 mA and 500 mA. The default fast charge current setting is 100 mA. By jumpering PROG to VSS of the circuit being evaluated, the fast charge current is set to 500 mA.
- Alternatively, the appropriate programming resistor can be changed in the hardware to obtain the desired fast charge current setting. Resistor R3 should be changed for the SOT23 circuit, and resistor R8 should be changed for the DFN circuit. Refer to the MCP73831 data sheet for choosing the appropriate value programming resistor for the desired fast charge current
STATUS INDICATORS
The MCP73831 Evaluation Boards have two LED status indicators for each circuit being evaluated. Table 2-1 represents the state of the status indicators during various states of the charge cycle. ON indicates that the respective LED is illuminated.

CHARGE CURRENT MONITOR
The MCP73831 Evaluation Boards have a charge current monitor for each circuit being evaluated. The charge current monitor can be used as a coulomb counter for fuel gauging. The charge current is equivalent to the voltage at CHARGE MONITOR with respect to VSS divided by the value of the programming resistor in kilo-ohms. For example, the default programming resistor is 10 kΩ. If the measured voltage at CHARGE MONITOR is 1V, the charge current is equal to 1 divided 10, or 100 mA. If the measured voltage at CHARGE MONITOR is 100 mV, the charge current is 0.1 divided by 10, or 10 mA
DEVICE SUPPORT OPTIONS
The MCP73831 Evaluation Boards are capable of supporting all of the available MCP73831 device options. The factory installed devices are the MCP73831-2AC and the MCP73831-2DC. Refer to the MCP73831 data sheet for available device options and details regarding the installed device options.
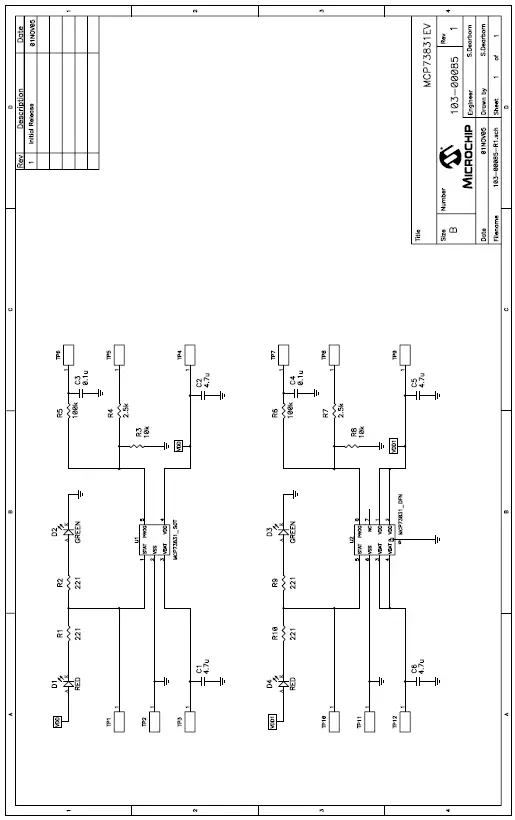
Schematic and Layouts
INTRODUCTION
This appendix contains the following schematic and layouts for the MCP73831 Evaluation Boards.
Diagrams included in this appendix:
- Board Schematic
- Board – Assembly Drawing
- Board – Top Overlay
- Board – Top Layer
- Board – Bottom Layer


Board – Top Overlay

Board – Top Layer

Board – Bottom Layer.

Bill Of Materials (BOM)
Note 1: Installed device option is indicated on board.

WORLDWIDE SALES AND SERVICE
AMERICAS Corporate Office 2355 West Chandler Blvd. Chandler, AZ 85224-6199
- Tel: 480-792-7200
- Fax: 480-792-7277
- Technical Support: http://support.microchip.com
- Web Address: www.microchip.com




















