MCP6031 Photodiode PICtail Plus Demo Board
User Guide
MCP6031
Photodiode PICtail™ Plus
Demo Board User’s Guide
Downloaded from Arrow.com.
© 2008 Microchip Technology Inc.
DS51763A
MCP6031 Photodiode PICtail Plus Demo Board
Note the following details of the code protection feature on Microchip devices:
- Microchip products meet the specification contained in their particular Microchip Data Sheet.
- Microchip believes that its family of products is one of the most secure families of its kind on the market today, when used in the intended manner and under normal conditions.
- There are dishonest and possibly illegal methods used to breach the code protection feature. All of these methods, to our knowledge, require using the Microchip products in a manner outside the operating specifications contained in Microchip’s Data Sheets. Most likely, the person doing so is engaged in theft of intellectual property.
- Microchip is willing to work with the customer who is concerned about the integrity of their code.
- Neither Microchip nor any other semiconductor manufacturer can guarantee the security of their code. Code protection does not mean that we are guaranteeing the product as “unbreakable.”
Code protection is constantly evolving. We at Microchip are committed to continuously improving the code protection features of our products. Attempts to break Microchip’s code protection feature may be a violation of the Digital Millennium Copyright Act. If such acts allow unauthorized access to your software or other copyrighted work, you may have a right to sue for relief under that Act.
Information contained in this publication regarding device applications and the like is provided only for your convenience and may be superseded by updates. It is your responsibility to ensure that your application meets with your specifications.
MICROCHIP MAKES NO REPRESENTATIONS OR WARRANTIES OF ANY KIND WHETHER EXPRESS OR IMPLIED, WRITTEN OR ORAL, STATUTORY OR OTHERWISE, RELATED TO THE INFORMATION, INCLUDING BUT NOT LIMITED TO ITS CONDITION, QUALITY, PERFORMANCE, MERCHANTABILITY OR FITNESS FOR PURPOSE. Microchip disclaims all liability arising from this information and its use. Use of Microchip devices in life support and/or safety applications is entirely at the buyer’s risk, and the buyer agrees to defend, indemnify and hold harmless Microchip from any and all damages, claims, suits, or expenses resulting from such use. No licenses are conveyed, implicitly or otherwise, under any Microchip intellectual property rights.
Trademarks
The Microchip name and logo, the Microchip logo, Accuron, dsPIC, KEELOQ, KEELOQ logo, MPLAB, PIC, PICmicro, PICSTART, rfPIC, SmartShunt and UNI/O are registered trademarks of Microchip Technology Incorporated in the U.S.A. and other countries.
FilterLab, Linear Active Thermistor, MXDEV, MXLAB, SEEVAL, SmartSensor and The Embedded Control Solutions Company are registered trademarks of Microchip Technology Incorporated in the U.S.A.
Analog-for-the-Digital Age, Application Maestro, CodeGuard, dsPICDEM, dsPICDEM.net, dsPICworks, dsSPEAK, ECAN, ECONOMONITOR, FanSense, In-Circuit Serial Programming, ICSP, ICEPIC, Mindi, MiWi, MPASM, MPLAB Certified logo, MPLIB, MPLINK, mTouch, PICkit, PICDEM, PICDEM.net, PICtail, PIC
32 logo, PowerCal, PowerInfo, PowerMate, PowerTool, REAL ICE, rfLAB, Select Mode, Total Endurance, WiperLock and ZENA are trademarks of Microchip Technology Incorporated in the U.S.A. and other countries.
SQTP is a service mark of Microchip Technology Incorporated in the U.S.A.
All other trademarks mentioned herein are property of their respective companies.
© 2008, Microchip Technology Incorporated, Printed in the
U.S.A., All Rights Reserved.
Printed on recycled paper.
Microchip received ISO/TS-16949:2002 certification for its worldwide headquarters, design and wafer fabrication facilities in Chandler and Tempe, Arizona; Gresham, Oregon and design centers in California and India. The Company’s quality system processes and procedures are for its PIC® MCUs and dsPIC ® DSCs, KEELOQ code hopping devices, Serial EEPROMs, microperipherals, nonvolatile memory and analog products. In addition, Microchip’s quality system for the design and manufacture of development systems is ISO 9001:2000 certified.
MCP6031 Photodiode PICtail™ Plus Demo Board User’s Guide NOTES:
Preface
NOTICE TO CUSTOMERS
All documentation becomes dated, and this manual is no exception. Microchip tools and documentation are constantly evolving to meet customer needs, so some actual dialogs and/or tool descriptions may differ from those in this document. Please refer to our web site (www.microchip.com) to obtain the latest documentation available. Documents are identified with a “DS” number. This number is located on the bottom of each page, in front of the page number. The numbering convention for the DS number is “DSXXXXXA”, where “XXXXX” is the document number and “A” is the revision level of the document.
For the most up-to-date information on development tools, see the MPLAB® IDE on-line help.
Select the Help menu, and then Topics to open a list of available on-line help files.
INTRODUCTION
This chapter contains general information that will be useful to know before using the MCP6031 Photodiode PICtail™ Plus Demo Board . Items discussed in this chapter
include:
- Document Layout
- Conventions Used in this Guide
- Recommended Reading
- The Microchip Web Site
- Customer Support
- Document Revision History
DOCUMENT LAYOUT
This document describes how to use the MCP6031 Photodiode PICtail™ Plus Demo Board as a development tool to emulate and debug firmware on a target board. The
manual layout is as follows:
- Chapter 1. “Product Overview” – Provides the important information about the MCP6031 Photodiode PICtail™ Plus Demo Board .
- Chapter 2. “Installation and Operation” – Covers the installation and operation of the MCP6031 Photodiode PICtail™ Plus Demo Board .
- Appendix A. “Schematic and Layouts” – Shows the schematic and board layouts for the MCP6031 Photodiode PICtail™ Plus Demo Board .
- Appendix B. “Bill of Materials (BOM)” – Lists the parts used to build the MCP6031 Photodiode PICtail™ Plus Demo Board .
CONVENTIONS USED IN THIS GUIDE
This manual uses the following documentation conventions:
DOCUMENTATION CONVENTIONS
| Description | Represents | Examples |
| Arial font: | ||
| Italic characters | Referenced books | MPLAftw IDE User’s Guide |
| Emphasized text | …is the only compiler… | |
| Initial caps | A window | the Output window |
| A dialog | the Settings dialog | |
| A menu selection | select Enable Programmer | |
| Quotes | A field name in a window or dialog | ‘Save project before build” |
| Underlined, italic text with right angle bracket | A menu path | File>Save |
| Bold characters | A dialog button | Click OK |
| A tab | Click the Power tab | |
| N’Rnnnn | A number in verilog format, where N is the total number of digits, R is the radix and n is a digit. | 41:10010, 2’hF1 |
| Text in angle brackets < > | A key on the keyboard | Press <Enter>, <n> |
| Courier New font: | ||
| Plain Courier New | Sample source code | !define START |
| Filenames | autoexec.bat | |
| File paths | c: \mccle \h | |
| Keywords | _asm, _endasm, static | |
| Command-line options | -Opa+, -Opa- | |
| Bit values | 0, 1 | |
| Constants | 0xFF, ‘A’ | |
| Italic Courier New | A variable argument | file. o, where file can be any valid filename |
| Square brackets [ ] | Optional arguments | mcc18 [options] file [options] |
| Curly brackets and pipe character: { | } | Choice of mutually exclusive arguments: an OR selection | errorlevel (01 1) |
| Ellipses… | Replaces repeated text | var_name [, var_name…] |
| Represents code supplied by user | void main (void) { … } | |
RECOMMENDED READING
This user’s guide describes how to use MCP6031 Photodiode PICtail™ Plus Demo Board . Other useful documents are listed below. The following Microchip documents
are available and recommended as supplemental reference resources.
- MCP6031/2/3/4 Data Sheet, “0.9 μA, High Precision Op Amps” (DS22041) -This data sheet provides detailed information regarding the MCP603X Op Amps.
- AN951, “Amplifying High-Impedance Sensors – Photodiode Example” (DS00951) – This application note shows how to condition the current out of a high-impedance sensor. A photodiode detector illustrates the theory.
- “Signal Chain Design Guide” (DS21825)
- “Explorer 16 Development Board User’s Guide” (DS51589)
THE MICROCHIP WEB SITE
Microchip provides online support via our web site at www.microchip.com. This web site is used as a means to make files and information easily available to customers. Accessible by using your favorite Internet browser, the web site contains the following information:
- Product Support – Data sheets and errata, application notes and sample programs, design resources, user’s guides and hardware support documents, latest software releases and archived software
- General Technical Support – Frequently Asked Questions (FAQs), technical support requests, online discussion groups, Microchip consultant program member listing
- Business of Microchip – Product selector and ordering guides, latest Microchip press releases, listing of seminars and events, listings of Microchip sales offices, distributors and factory representatives
CUSTOMER SUPPORT
Users of Microchip products can receive assistance through several channels:
- Distributor or Representative
- Local Sales Office
- Field Application Engineer (FAE)
- Technical Support
Customers should contact their distributor, representative or field application engineer (FAE) for support. Local sales offices are also available to help customers. A listing of
sales offices and locations is included in the back of this document.
Technical support is available through the web site at: http://support.microchip.com
DOCUMENT REVISION HISTORY
Revision A (September 2008)
- Initial Release of this Document.
Chapter 1. Product Overview
1.1 INTRODUCTION
The MCP6031 Photodiode PICtail™ Plus Demo Board is described by the following:
- Assembly # : 114-00219
- Order # : MCP6031DM-PCTL
- Name: MCP6031 Photodiode PICtail™ Plus Demo Board Items discussed in this chapter include:
- MCP6031 Photodiode PICtail™ Plus Demo Board Kit Contents
- MCP6031 Photodiode PICtail™ Plus Demo Board Description
1.2 MCP6031 PHOTODIODE PICtail™ PLUS DEMO BOARD KIT CONTENTS
- MCP6031 Photodiode PICtail™ Plus Demo Board (102-00219)
- Important Information “Read First”
- Analog and Interface Products Demonstration Boards CD-ROM (DS21912). It contains:
– MCP6031 Photodiode PICtail™ Plus Demo Board User’s Guide (DS51763)
– Firmware files
– Gerber files
1.3 MCP6031 PHOTODIODE PICtail™ PLUS DEMO BOARD DESCRIPTION
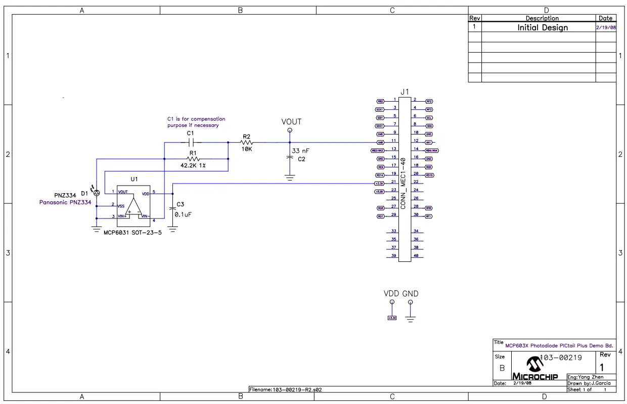
The MCP6031 Photodiode PICtail™ Plus Demo Board demonstrates how to use a transimpedance amplifier, which consists of MCP6031 high precision op amp and external resistors, to convert photo-current (IS) to voltage. The circuit was not calibrated for absolute accuracy.
The RC low-pass filter that is implemented in this circuit can remove the high frequency noise and interference from the signal path prior to the analog-to-digital (A/D) conversion.
The PICmicro® on the Explorer 16 Development Board communicates with the MCP6031 Photodiode PICtail™ Plus Demo Board and completes the analog-to-digital conversion.
Note: For high measurement accuracy, an external stand-alone ADC with higher resolution needs to be used.
The measured voltage (VOUT) and calculated illuminance (L) will be shown on LCD screen on board. The illuminance (L) will be calculated by the equation:
EQUATION 1-1:
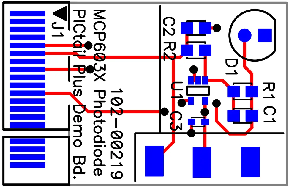
Figure 1-3 shows the top view of the MCP6031 Photodiode PICtail™ Plus Demo Board.
Figure 1-4 shows the circuit diagram of MCP6031 Photodiode PICtail™ Plus Demo Board. C1 is for compensation purpose and no need for the board. It may be needed
when MCP6031 is replaced by the other Microchip’s op amp.
The DC output voltage due to the source photo-current will be VOUT = ISR1, where R1 is the feedback resistor. The op amp will contribute a DC offset voltage, VOS + IBR1, to the output, where VOS is the op amp’s input offset voltage and IB is the op amp’s input bias current. Select the value of R1 to give a high gain to IS. Usually, this gain is high enough to use most of the op amp’s output voltage swing when IS is at its extreme values. The op amp needs to have VOS and IB low enough to not cause a large DC offset. That is the reason why op amp MCP6031 is selected.
For the design approach of this board, please refer to AN951, “Amplifying High-Impedance Sensors – Photodiode Example” (DS00951) as reference resource. This application note discusses the analog conditioning circuit used for high-impedance sensors that act like current sensors. The design approach illustrated in this application note, using op amps, is broken down into three design steps: DC, stability compensation, closed-loop gain and noise reduction. A design using a PIN photodiode (light detector) illustrates the principles discussed. Measurement results are provided to support the theory presented. The last sections of this application note contain supplemental information.
MCP6031 Photodiode PICtail™ Plus Demo Board has the following features:
- Supports Microchip MCP6031 high precision op amp
- Uses a transimpedance amplifier as sensor conditioning circuit
- Uses a PIN photodiode (PNZ334) as light detector
- Test points for connecting lab equipment
Chapter 2. Installation and Operation
2.1 INTRODUCTION
This chapter shows how to set up the MCP6031 Photodiode PICtail™ Plus Demo Board and explore the operation of a light sensing application.
Items discussed in this chapter include:
- Required Tools
- MCP6031 Photodiode PICtail™ Plus Demo Board Set-Up
- MCP6031 Photodiode PICtail™ Plus Demo Board Operation
2.2 REQUIRED TOOL
- Explorer 16 Development Board
2.3 MCP6031 PHOTODIODE PICtail™ PLUS DEMO BOARD SET-UP
Insert the MCP6031 Photodiode PICtail™ Plus Demo Board into the Explorer 16 Development Board as shown in Figure 2-1. An exploded view is shown in the Figure 2-2.
2.4 MCP6031 PHOTODIODE PICtail™ PLUS DEMO BOARD OPERATION
Figure 2-2 shows data taken near an incandescent lamp powered by a battery.
Appendix A. Schematic and Layouts
A.1 INTRODUCTION
This appendix contains the following schematics and layouts for the MCP6031 Photodiode PICtail™ Plus Demo Board :
- Board – Schematic
- Board – Top Silk Layer
- Board – Top Metal And Top Silk Layers
- Board – Bottom Metal Layer
A.2 BOARD – SCHEMATIC 
A.3 BOARD – TOP SILK LAYER
A.4 BOARD – TOP METAL AND TOP SILK LAYERS
A.5 BOARD – BOTTOM METAL LAYER
Appendix B. Bill of Materials (BOM)
TABLE B-1: BILL OF MATERIALS (102-00219)
| Qty | Reference | Description | Manufacturer | Part Number |
| 1 | C2 | CAP 33,000PF 50V CERM X7R 0805 | Panasonic® | ECJ-2VB1H333K |
| 2 | C3, C4 | CAP .1UF 25V CERAMIC X7R 0805 | Panasonic® | ECJ-2VB1E104K |
| 1 | C5 | CAP 1.0UF 16V CERAMIC X7R 0805 | Kemet® Electronics Corp. | C0805C105K4RACTU |
| 1 | D1 | PIN PHOTODIODE | Panasonic® | PNZ334 |
| 1 | R1 | RES 42.2K OHM 1/10W 1% 0805 SMD | Panasonic® | ERJ-6ENF4222V |
| 1 | R2 | RES 10.0K OHM 1/10W 1% 0805 SMD | Panasonic® | ERJ-6ENF1002V |
| 3 | TP1—TP3 | TEST POINT PC COMPACT SMT | Keystone Electronics | 5016 |
| 1 | U1 | MCP6031, SOT-23-5 | Microchip Technology Inc. | MCP6031T-E/OT |
Note: The components listed in this Bill of Materials are representative of the PCB assembly. The released BOM used in manufacturing uses all RoHS-compliant components.
TABLE B-2: BILL OF MATERIALS – UNPOPULATED PARTS
| Qty | Reference | Description | Manufacturer | Part Number |
| 1 | C1 | Not Populated when shipped to customer | — | — |
Note: The components listed in this Bill of Materials are representative of the PCB assembly. The released BOM used in manufacturing uses all RoHS-compliant components.
WORLDWIDE SALES AND SERVICE
| AMERICAS | ASIA/PACIFIC | ASIA/PACIFIC | EUROPE |
| Corporate Office 2355 West Chandler Blvd. Chandler, AZ 85224-6199 Tel: 480-792-7200 Fax: 480-792-7277 Technical Support: http://support.microchip.com Web Address: www.microchip.com Atlanta Duluth, GA Tel: 678-957-9614 Fax: 678-957-1455 Boston Westborough, MA Tel: 774-760-0087 Fax: 774-760-0088 Chicago Itasca, IL Tel: 630-285-0071 Fax: 630-285-0075 Dallas Addison, TX Tel: 972-818-7423 Fax: 972-818-2924 Detroit Farmington Hills, MI Tel: 248-538-2250 Fax: 248-538-2260 Kokomo Kokomo, IN Tel: 765-864-8360 Fax: 765-864-8387 Los Angeles Mission Viejo, CA Tel: 949-462-9523 Fax: 949-462-9608 Santa Clara Santa Clara, CA Tel: 408-961-6444 Fax: 408-961-6445 Toronto Mississauga, Ontario, Canada Tel: 905-673-0699 Fax: 905-673-6509 | Asia Pacific Office Suites 3707-14, 37th Floor Tower 6, The Gateway Harbour City, Kowloon Hong Kong Tel: 852-2401-1200 Fax: 852-2401-3431 Australia – Sydney Tel: 61-2-9868-6733 Fax: 61-2-9868-6755 China – Beijing Tel: 86-10-8528-2100 Fax: 86-10-8528-2104 China – Chengdu Tel: 86-28-8665-5511 Fax: 86-28-8665-7889 China – Hong Kong SAR Tel: 852-2401-1200 Fax: 852-2401-3431 China – Nanjing Tel: 86-25-8473-2460 Fax: 86-25-8473-2470 China – Qingdao Tel: 86-532-8502-7355 Fax: 86-532-8502-7205 China – Shanghai Tel: 86-21-5407-5533 Fax: 86-21-5407-5066 China – Shenyang Tel: 86-24-2334-2829 Fax: 86-24-2334-2393 China – Shenzhen Tel: 86-755-8203-2660 Fax: 86-755-8203-1760 China – Wuhan Tel: 86-27-5980-5300 Fax: 86-27-5980-5118 China – Xiamen Tel: 86-592-2388138 Fax: 86-592-2388130 China – Xian Tel: 86-29-8833-7252 Fax: 86-29-8833-7256 China – Zhuhai Tel: 86-756-3210040 Fax: 86-756-3210049 | India – Bangalore Tel: 91-80-4182-8400 Fax: 91-80-4182-8422 India – New Delhi Tel: 91-11-4160-8631 Fax: 91-11-4160-8632 India – Pune Tel: 91-20-2566-1512 Fax: 91-20-2566-1513 Japan – Yokohama Tel: 81-45-471- 6166 Fax: 81-45-471-6122 Korea – Daegu Tel: 82-53-744-4301 Fax: 82-53-744-4302 Korea – Seoul Tel: 82-2-554-7200 Fax: 82-2-558-5932 or 82-2-558-5934 Malaysia – Kuala Lumpur Tel: 60-3-6201-9857 Fax: 60-3-6201-9859 Malaysia – Penang Tel: 60-4-227-8870 Fax: 60-4-227-4068 Philippines – Manila Tel: 63-2-634-9065 Fax: 63-2-634-9069 Singapore Tel: 65-6334-8870 Fax: 65-6334-8850 Taiwan – Hsin Chu Tel: 886-3-572-9526 Fax: 886-3-572-6459 Taiwan – Kaohsiung Tel: 886-7-536-4818 Fax: 886-7-536-4803 Taiwan – Taipei Tel: 886-2-2500-6610 Fax: 886-2-2508-0102 Thailand – Bangkok Tel: 66-2-694-1351 Fax: 66-2-694-1350 | Austria – Wels Tel: 43-7242-2244-39 Fax: 43-7242-2244-393 Denmark – Copenhagen Tel: 45-4450-2828 Fax: 45-4485-2829 France – Paris Tel: 33-1-69-53-63-20 Fax: 33-1-69-30-90-79 Germany – Munich Tel: 49-89-627-144-0 Fax: 49-89-627-144-44 Italy – Milan Tel: 39-0331-742611 Fax: 39-0331-466781 Netherlands – Drunen Tel: 31-416-690399 Fax: 31-416-690340 Spain – Madrid Tel: 34-91-708-08-90 Fax: 34-91-708-08-91 UK – Wokingham Tel: 44-118-921-5869 Fax: 44-118-921-5820 |
Downloaded from Arrow.com.
© 2008 Microchip Technology Inc.


















