MICROCHIP RN2903 LoRa Technology PICtail PICtail Plus Daughter Board

INTRODUCTION
Note the following details of the code protection feature on Microchip devices:
- Microchip products meet the specification contained in their particular Microchip Data Sheet.
- Microchip believes that its family of products is one of the most secure families of its kind on the market today, when used in the intended manner and under normal conditions.
- There are dishonest and possibly illegal methods used to breach the code protection feature. All of these methods, to our knowledge, require using the Microchip products in a manner outside the operating specifications contained in Microchip’s Data Sheets. Most likely, the person doing so is engaged in theft of intellectual property.
- Microchip is willing to work with the customer who is concerned about the integrity of their code.
- Neither Microchip nor any other semiconductor manufacturer can guarantee the security of their code. Code protection does not mean that we are guaranteeing the product as “unbreakable.”
Code protection is constantly evolving. We at Microchip are committed to continuously improving the code protection features of our products. Attempts to break Microchip’s code protection feature may be a violation of the Digital Millennium Copyright Act. If such acts allow unauthorized access to your software or other copyrighted work, you may have a right to sue for relief under that Act.
Information contained in this publication regarding device applications and the like is provided only for your convenience and may be superseded by updates. It is your responsibility to ensure that your application meets with your specifications.
MICROCHIP MAKES NO REPRESENTATIONS OR WARRANTIES OF ANY KIND WHETHER EXPRESS OR IMPLIED, WRITTEN OR ORAL, STATUTORY OROTHERWISE, RELATED TO THE INFORMATION, INCLUDING BUT NOT LIMITED TO ITS CONDITION, QUALITY, PERFORMANCE, MERCHANTABILITY OR FITNESS FOR PURPOSE. Microchip disclaims all liability arising from this information and its use. Use of Microchip devices in life support and/or safety applications is entirely at the buyer’s risk, and the buyer agrees to defend, indemnify and hold harmless Microchip from any and all damages, claims, suits, or expenses resulting from such use. No licenses are conveyed, implicitly or otherwise, under any Microchip intellectual property rights unless otherwise stated.
Trademarks
The Microchip name and logo, the Microchip logo, dsPIC, FlashFlex, flexPWR, JukeBlox, KEELOQ, KEELOQ logo, Kleer, LANCheck, MediaLB, MOST, MOST logo, MPLAB, OptoLyzer, PIC, PICSTART, PIC32 logo, RightTouch, SpyNIC, SST, SST Logo, SuperFlash and UNI/O are registered trademarks of Microchip Technology Incorporated in the U.S.A. and other countries. The Embedded Control Solutions Company and mTouch are registered trademarks of Microchip Technology Incorporated in the U.S.A.
Analog-for-the-Digital Age, BodyCom, chipKIT, chipKIT logo, CodeGuard, dsPICDEM, dsPICDEM.net, ECAN, In-Circuit Serial Programming, ICSP, Inter-Chip Connectivity, KleerNet, KleerNet logo, MiWi, motorBench, MPASM, MPF, MPLAB Certified logo, MPLIB, MPLINK, MultiTRAK, NetDetach, Omniscient Code Generation, PICDEM, PICDEM.net, PICkit, PICtail, RightTouch logo, REAL ICE, SQI, Serial Quad I/O, Total Endurance, TSHARC, USBCheck, VariSense, ViewSpan, WiperLock, Wireless DNA, and ZENA are trademarks of Microchip Technology Incorporated in the U.S.A. and other countries.
SQTP is a service mark of Microchip Technology Incorporated in the U.S.A.
Silicon Storage Technology is a registered trademark of Microchip Technology Inc. in other countries.
GestIC is a registered trademark of Microchip Technology
Germany II GmbH & Co. KG, a subsidiary of Microchip
Technology Inc., in other countries.
All other trademarks mentioned herein are property of their respective companies.
© 2015, Microchip Technology Incorporated, Printed in the
U.S.A., All Rights Reserved.
ISBN: 978-1-63277-885-7
Preface
NOTICE TO CUSTOMERS
All documentation becomes dated, and this manual is no exception. Microchip tools and documentation are constantly evolving to meet customer needs, so some actual dialogs and/or tool descriptions may differ from those in this document. Please refer to our web site (www.microchip.com) to obtain the latest documentation available.
Documents are identified with a “DS” number. This number is located on the bottom of each page, in front of the page number. The numbering convention for the DS number is “DSXXXXXXXXA”, where “XXXXXXXX” is the document number and “A” is the revision level of the document. For the most up-to-date information on development tools, see the MPLAB® IDE online help. Select the Help menu, and then Topics to open a list of available online help files.
INTRODUCTION
This chapter contains general information that will be useful to know before using the RN2903 LoRa™ Technology PICtail™/PICtail Plus Daughter Board. Items discussed in this chapter include:
- Document Layout
- Conventions Used in this Guide
- Recommended Reading
- The Microchip Web Site
- Development Systems Customer Change Notification Service
- Customer Support
- Document Revision History
DOCUMENT LAYOUT
This document describes how to use the RN2903 LoRa Technology PICtail/PICtail Plus Daughter Board as a development tool to emulate and debug firmware on a target board, as well as how to program devices.
The document is organized as follows:
- Chapter 1. “Overview” – This chapter describes the RN2903 LoRa Technology PICtail/PICtail Plus Daughter Board and presents various board configurations.
- Chapter 2. “Getting Started” – This chapter describes the two main communication modes and the hardware requirements for getting started with RN2903 LoRa Technology PICtail/PICtail Plus Daughter Board.
- Appendix A. “Board Schematic and PCB Details” – This appendix provides the RN2903 LoRa Technology PICtail/PICtail Plus Daughter Board‘s schematic, PCB layouts, and Bill of Materials (BOM).
CONVENTIONS USED IN THIS GUIDE
This manual uses the following documentation conventions:
DOCUMENTATION CONVENTIONS
| Description | Represents | Examples |
| Arial font: | ||
| Italic characters | Referenced books | MPLAB® IDE User’s Guide |
| Emphasized text | …is the only compiler… | |
| Initial caps | A window | the Output window |
| A dialog | the Settings dialog | |
| A menu selection | select Enable Programmer | |
| Quotes | A field name in a window or dialog | “Save project before build” |
| Underlined, italic text with right angle bracket | A menu path | File>Save |
| Bold characters | A dialog button | Click OK |
| A tab | Click the Power tab | |
| N‘Rnnnn | A number in verilog format, where N is the total number of digits, R is the radix and n is a digit. | 4‘b0010, 2‘hF1 |
| Text in angle brackets < > | A key on the keyboard | Press <Enter>, <F1> |
| Courier New font: | ||
| Plain Courier New | Sample source code | #define START |
| Filenames | autoexec.bat | |
| File paths | c:\mcc18\h | |
| Keywords | _asm, _endasm, static | |
| Command-line options | -Opa+, -Opa- | |
| Bit values | 0, 1 | |
| Constants | 0xFF, ‘A’ | |
| Italic Courier New | A variable argument | file.o, where file can be any valid filename |
| Square brackets [ ] | Optional arguments | mcc18 [options] file [options] |
| Curly brackets and pipe character: { | } | Choice of mutually exclusive arguments; an OR selection | errorlevel {0|1} |
| Ellipses… | Replaces repeated text | var_name [, var_name…] |
| Represents code supplied by user | void main (void) { … } | |
RECOMMENDED READING
This user’s guide describes how to use RN2903 LoRa Technology PICtail/PICtail Plus Daughter Board. Other useful documents are listed below. The following Microchip documents are available and recommended as supplemental reference resources: RN2903 Low-Power Long Range LoRa™ Technology Transceiver Module Data Sheet (DS50002390) This data sheet provides detailed specifications for the RN2903 module. RN2903 LoRa™ Technology Module Command Reference User’s Guide (DS40001811)
This command reference user’s guide describes how to configure the RN2903 module and includes a description of communication and command references.
THE MICROCHIP WEB SITE
Microchip provides online support via our web site at www.microchip.com. This web site is used as a means to make files and information easily available to customers. Accessible by using your favorite Internet browser, the web site contains the following information:
- Product Support – Data sheets and errata, application notes and sample programs, design resources, user’s guides and hardware support documents, latest software releases and archived software
- General Technical Support – Frequently Asked Questions (FAQs), technical support requests, online discussion groups, Microchip consultant program member listing
- Business of Microchip – Product selector and ordering guides, latest Microchip press releases, listing of seminars and events, listings of Microchip sales offices, distributors and factory representatives
DEVELOPMENT SYSTEMS CUSTOMER CHANGE NOTIFICATION SERVICE
Microchip’s customer notification service helps keep customers current on Microchip products. Subscribers will receive e-mail notification whenever there are changes, updates, revisions or errata related to a specified product family or development tool of interest. To register, access the Microchip web site at www.microchip.com, click on Customer Change Notification and follow the registration instructions. The Development Systems product group categories are:
- Compilers – The latest information on Microchip C compilers and other language tools
- Emulators – The latest information on the Microchip MPLAB® REAL ICE™ in-circuit emulator
- In-Circuit Debuggers – The latest information on the Microchip in-circuit debuggers. This includes MPLAB ICD 3 in-circuit debuggers and PICkit™ 3 debug express
- MPLAB X IDE – The latest information on Microchip MPLAB X IDE, the Windows® Integrated Development Environment for development systems tools
- Programmers – The latest information on Microchip programmers including the PICkit™ 3 development programmer
CUSTOMER SUPPORT
Users of Microchip products can receive assistance through several channels:
- Distributor or Representative
- Local Sales Office
- Field Application Engineer (FAE)
- Technical Support
Customers should contact their distributor, representative or field application engineer (FAE) for support. Local sales offices are also available to help customers. A listing of sales offices and locations is included in the back of this document. Technical support is available through the website at: http://www.microchip.com/support.
DOCUMENT REVISION HISTORY
Revision A (October 2015)
This is the initial release of this document.
Overview
INTRODUCTION
The RN2903 LoRa™ Technology PICtail™/PICtail Plus Daughter Board is a demonstration board that showcases the Microchip RN2903 Low-Power Long Range, LoRa™ Technology Transceiver Module.
The RN2903 LoRa Technology PICtail/PICtail Plus Daughter Board provides access to the RN2903 UART and General Purpose Input and Output (GPIO) ports.
This chapter includes the following topics:
- Features
- Contents
- Board Configuration
FEATURES
The RN2903 LoRa Technology PICtail/PICtail Plus Daughter Board has the following features as represented in Figure 1-1:
- Microchip RN2903 Low-Power Long Range, LoRa™ Technology Transceiver Module
- SMA connector for 915 MHz band
- Solder pads around the module for GPIOs, power pins, and communication signals
- Supply current measurement points
- On-board LDO
- UART traffic LEDs
- ICSP header to program the on-board PIC18 MCU
- USB connector
- PICtail connection interface
- PICtail Plus connection interface
- PIC18 MCU for custom functions
FIGURE 1-1: RN2903 LoRa™ TECHNOLOGY PICtail™/PICtail PLUS DAUGHTER BOARD
The high-speed UART interface and the GPIO ports are available on the module to configure, control, and transfer data. The RN2903 LoRa Technology PICtail/PICtail Plus Daughter Board has PICtail and PICtail Plus connectors to interface with a PIC® Microcontroller (MCU) on the development boards that support PICtail or PICtail Plus interface with the required pin mapping. The PICtail board also has an on-board PIC18 MCU preprogrammed to provide a simple USB-to-UART serial bridge, enabling easy serial connection. This MCU is available for custom user functions by reprogramming.
The demonstration of the RN2903 is performed by plugging the daughter board into a USB port of a PC. The USB port powers the daughter board and enables the user to communicate using the RN2903’s ASCII commands.
The development of the RN2903 with Microchip’s PIC MCU line is either possible by plugging the 28-pin PICtail connector into a PIC18 Explorer, or by plugging into the 30 pin card edge PICtail Plus connector to an Explorer 16.
CONTENTS
The package kit contents contain the following tools as listed in.
TABLE 1-1: RN2903 LoRa™ TECHNOLOGY PICtail™/PICtail PLUS
| Description | Part Number |
| RN2903 LoRa™ Technology PICtail™/PICtail Plus Daughter Board | RN-2903-PICtail |
| USB Cable | — |
| 915 MHz antenna | — |
BOARD CONFIGURATION
Prior to plugging the module into the motherboard’s socket, ensure that one of the current measure jumpers, CUR1 or CUR2, are shunted.
PICtail Daughter Board can be powered from two sources, either from one of the PICtail headers or from USB. Both power sources can be active at the same time.
RF antenna must be connected to the SMA connector before attaching power supply to the board.
Ensure that the applied power supply voltage does not exceed board limits. Figure 1-2, Figure 1-3, and Figure 1-4 show the connections to various development boards.
FIGURE 1-2: RN2903 LoRa™ TECHNOLOGY PICtail™/PICtail PLUS DAUGHTER BOARD CONNECTED TO EXPLORER 16 DEVELOPMENT BOARD 
FIGURE 1-3: RN2903 LoRa™ TECHNOLOGY PICtail™/PICtail PLUS DAUGHTER BOARD CONNECTED TO PIC18 WIRELESS DEVELOPMENT BOARD
FIGURE 1-4: RN2903 LoRa™ TECHNOLOGY PICtail™/PICtail PLUS DAUGHTER BOARD CONNECTED TO PICDEM™ PIC18 EXPLORER DEMONSTRATION BOARD
Getting Started
INTRODUCTION
This chapter describes the hardware requirements for RN2903 LoRa Technology PICtail/PICtail Plus Daughter Board. The module accepts commands via UART interface. The UART interface can be routed either to the onboard USB port or one of the PICtail or PICtail Plus connector. Basically, two communication modes are supported by the daughter board, USB mode and PICtail mode. PICtail mode gives more computing power to the user program, since motherboards contain additional MCUs.
This chapter includes the following topics:
- Communication Modes
- Communication to the Module
- Hardware Description
COMMUNICATION MODES
- USB mode
The USB mode is initiated when the daughter board is connected to a USB port via a mini-USB cable. In this mode, the on-board PIC18 MCU provides a USB-to-UART bridge. Supply voltage is provided via USB and the on-board LDO (IC1) which regulates 5V to the nominal 3.3V. - PICtail mode
The PICtail mode is initiated when no USB cable is attached to the board, and the board is plugged into the appropriate motherboard.
Note: The user must ensure that the PICtail/PICtail Plus port pins are fully compatible with the pinout of the daughter board.
When the daughter board is not powered from the USB, the on-board PIC18 MCU does not influence UART communication.
Note: Some motherboards may adjust the supply voltage to the attached MCU Plug-in Module. Do not exceed the supply voltage limits of the module. - USB mode while the board is powered from the PICtail
The daughter board can be used in a third mode when it is connected to a PICtail motherboard while the USB is also connected. It is useful when the user wants to set the supply voltage from the PICtail connector while the communication must be continuously active via the USB interface. The on-board PIC18 MCU takes over the control of the UART interface. In this case, the motherboard is unable to send UART messages to the module. However, the messages sent by the module are seen on the PICtail UART’s Module_TX line.
In instances wherein the motherboard does not have power supply, it can be powered from the USB together with the daughter board. The user must take care of the maximum output current of the on-board LDO, which is 500 mA.
A short on the jumper JP_RST on the daughter board forces the board to operate in PICtail mode, although the USB remains connected. The jumper JP_RST keeps the on-board PIC18 MCU in Reset state to ensure that USB-to-UART protocol translation is not performed in this mode. If the jumper JP_RST is not shorted, the on-board PIC18 MCU has the priority over the UART communication. This function is only available with the 30-pin PICtail Plus connection, not for the 28-pin PICtail platform.
COMMUNICATION TO THE MODULE
In PICtail mode, the Microchip 8/16/32-bit PIC MCUs on the motherboards can run custom functions and connect to the module using the UART interface, which accepts ASCII commands from the host.
In USB mode, when the daughter board is connected to the host via USB, the on-board PIC18 MCU uses the CDC class to create a USB-to-UART bridge device. The host can run a simple terminal emulator application to issue commands.
HARDWARE DESCRIPTION
The RF signal path is connected to the SMA edge connector.The current consumption measurement of the module is supported by the on-board current measure jumpers. If jumper CUR1 is shunted, the supply current flows directly to the module.
There are two ways to measure current consumption:
- A current meter can be connected to CUR1 jumper pins to measure the actual current consumption of the module. CUR2 must be left open.
- The current consumption graph can be recorded in the time domain by removing the shunt from CUR1 jumper and shunting CUR2 at the same time. Use a two-channel oscilloscope, which supports subtracting mathematical function. Connect oscilloscope probes to CUR1 jumper pins while CUR2 jumper is shunted. Set the oscilloscope to display the difference between the two chan-nels.
All pins of the module can be accessed via through hole pads which are classified into two groups located on both sides of the module. The user can mount two 1.27 mm pitched socket headers if required. Sockets can connect the module pins to a custom board, whereas the daughter board provides the power. Both through hole pad groups, J1 and J2, have dedicated pads on which power is delivered to the custom board. The supply current is measured together with the module’s supply current. To do this, JP2 must be shorted for J2 and JP3 shorted for J1.
If the supply current is separated from the module, the two other jumpers must be shorted. To power the custom board separately, shunt JP1 or JP4.
The on-board PIC18 MCU is programmable via programming port ICSP_IC2. In USB mode, LD1 and LD2 LEDs indicate communication on the UART.
TABLE 2-1: PICtail AND PICtail PLUS CONNECTIONS
| Signal Name | Description | Pin number on PICtail connector | Pin number on PICtail Plus connector |
| +3V3 | Positive Supply Rail | 26 | 21, 22 |
| GND | Ground Supply Rail | 28 | 9, 10, 16 |
| Module_TX | UART transmit output of the module | 21 | 2 |
| Module_RX | UART receive input of the module | 17 | 4 |
| Module_RTS | UART Hardware handshake output of the module(1) | 4 | 19 |
| Module_CTS | UART Hardware handshake input of the module(1) | 3 | 20 |
| PT_Module_RESET | Master Clear input of the module | 1 | 6 |
| PT+_SENSE | Sensing signal for PICtail Plus connector (The platform connects this line to GND when plugged.) | — | 15 |
Note 1: Optional handshake lines are supported in future firmware releases.
Appendix A. Board Schematic and PCB Details
INTRODUCTION
This appendix provides the RN2903 LoRa Technology PICtail/PICtail Plus Daughter Board schematic, PCB layout, and Bill of Materials (BOM).
- Board Schematic
- PCB Layout
- Bill of Materials
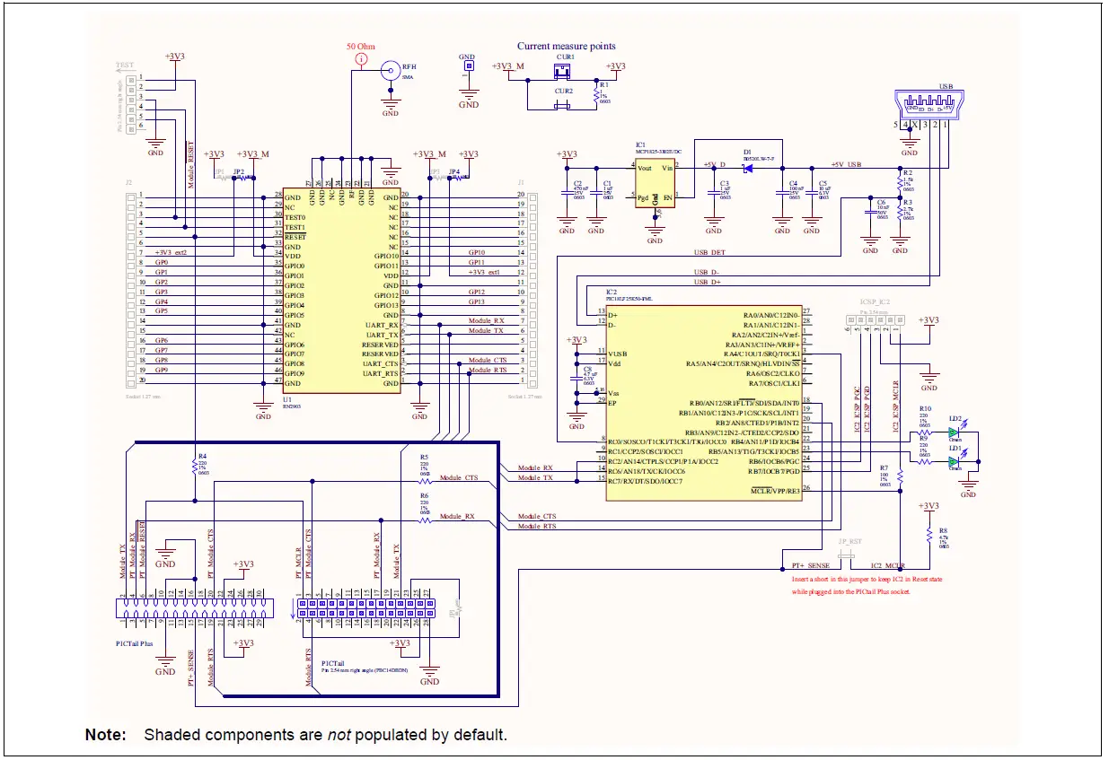
BOARD SCHEMATIC
Figure A-1 shows the board schematic.
FIGURE A-1: RN2903 LoRa™ TECHNOLOGY PICtail™/PICtail PLUS DAUGHTER BOARD SCHEMATIC
PCB LAYOUT
RN2903 LoRa Technology PICtail/PICtail Plus Daughter Board is a 2-layer, FR4, 1.55 mm, plated through hole PCB construction.
Figure A-2 through Figure A-4 illustrate the PCB layers, and Figure A-5 shows the assembly drawing of LoRa Technology PICtail/PICtail Plus Daughter Board.
FIGURE A-2: RN2903 LoRa™ TECHNOLOGY PICtail™/PICtail PLUS DAUGHTER BOARD TOP SILKSCREEN

FIGURE A-3: RN2903 LoRa™ TECHNOLOGY PICtail™/PICtail PLUS DAUGHTER BOARD TOP COPPER

FIGURE A-4: RN2903 LoRa™ TECHNOLOGY PICtail™/PICtail PLUS DAUGHTER BOARD BOTTOM COPPER (BOTTOM VIEW)

FIGURE A-5: RN2903 LoRa™ TECHNOLOGY PICtail™/PICtail PLUS DAUGHTER BOARD TOP ASSEMBLY

BILL OF MATERIALS
TABLE A-1: RN2903 LoRa™ TECHNOLOGY PICtail™/PICtail PLUS DAUGHTER BOARD BILL OF MATERIALS (BOM)
| Reference | Value | Description | Vendor | Vendor P/N |
| C1, C3 | 1 µF | CAP, 0603, 25V, 10%, X7R | Murata Electronics North America | GRM188R71E105KA12D |
| C2 | 470 nF | CAP, 0603, 25V, 10%, X7R | Murata Electronics North America | GRM188R71E474KA12D |
| C4 | 100 nF | CAP, 0603, 25V, Y5V | Yageo | CC0603ZRY5V8BB104 |
| C5 | 10 µF | CAP, 0603, 6.3V, 20%, X5R | Murata Electronics North America | GRM188R60J106ME47D |
| C6 | 10 nF | CAP, 0603, 50V, 10%, X7R | Murata Electronics North America | GRM188R71H103KA01D |
| C8 | 4.7 µF | CAP, 0603, 6.3V, 10%, X5R | Murata Electronics North America | GRM188R60J475KE19D |
| CUR1, CUR2 | — | CONN Pin 2 2.54 mm_jumper | Harwin, Inc. | M20-9990245 |
| D1 | — | DIODE SCHOTTKY 20V 0.5A SOD123 | Diodes, Inc. | B0520LW-7-F |
| GND | — | CONN Pin 1 | Keystone | 5012 |
| IC1 | — | IC MCP1825-3302E/DC | Microchip | MCP1825-3302E/DC |
| IC2 | — | IC PIC18LF25K50-I/ML | Microchip | PIC18LF25K50-I/ML |
| JP2, JP4 | — | RES 0 OHM 0603 JUMPER 2P | Vishay Dale | CRCW06030000Z0EA |
| JP-S1 | — | JUMPER SHUNT 2POS 2.54 mm LOPRO GOLD | TE Connectivity | 382811-8 |
| LD1, LD2 | — | LED 565NM GRN DIFF 0603 | Lumex Opto/Components, Inc. | SML-LX0603GW-TR |
| PICTail | — | CONN Pin 14×2 2.54 mm right angle (PBC14DBDN) | Sullins Connector Solutions | PBC14DBDN |
| R1 | 1.00W | RES 0603 1/10W 1% | Yageo | RC0603FR-071RL |
| R2 | 1.50 kW | RES 0603 1/10W 1% | Vishay Dale | CRCW06031K50FKEA |
| R3 | 2.70 kW | RES 0603 1/10W 1% | Vishay Dale | CRCW06032K70FKEA |
| R4, R5, R6, R9, R10 | 220W | RES 0603 1/10W 1% | Vishay Dale | CRCW0603220RFKEA |
| R7 | 100W | RES 0603 1/10W 1% | Vishay Dale | CRCW0603100RFKEA |
| R8 | 4.70 kW | RES 0603 1/10W 1% | Vishay Dale | CRCW06034K70FKEA |
| RFH | — | CONN JACK SMA 50 OHM EDGE MOUNT | Cinch Connectivity Solutions Johnson | 142-0711-821 |
| U1 | — | RF module RN2903 LoRa 915 MHz | Microchip | RN2903 |
| USB | — | CONN MINI B USB R/A SMD | Hirose | UX60-MB-5ST |
Worldwide Sales and Service
AMERICAS
- Corporate Office
2355 West Chandler Blvd. Chandler, AZ 85224-6199
Tel: 480-792-7200 Fax: 480-792-7277
Technical Support: http://www.microchip.com/support
Web Address: www.microchip.com - Atlanta Duluth, GA
Tel: 678-957-9614 Fax: 678-957-1455 - Austin, TX
Tel: 512-257-3370 - Boston Westborough, MA
Tel: 774-760-0087 Fax: 774-760-0088 - Chicago Itasca, IL
Tel: 630-285-0071 Fax: 630-285-0075 - Cleveland Independence, OH
Tel: 216-447-0464 Fax: 216-447-0643 - Dallas Addison, TX
Tel: 972-818-7423 Fax: 972-818-2924 - Detroit Novi, MI
Tel: 248-848-4000 - Houston, TX
Tel: 281-894-5983 - Indianapolis Noblesville, IN
Tel: 317-773-8323 Fax: 317-773-5453 - Los Angeles Mission Viejo, CA
Tel: 949-462-9523 Fax: 949-462-9608 - New York, NY
Tel: 631-435-6000 - San Jose, CA
Tel: 408-735-9110 - Canada – Toronto
Tel: 905-673-0699 Fax: 905-673-6509
ASIA/PACIFIC
- Asia Pacific Office
Suites 3707-14, 37th Floor Tower 6, The Gateway Harbour City, Kowloon - Hong Kong
Tel: 852-2943-5100 Fax: 852-2401-3431 - Australia – Sydney
Tel: 61-2-9868-6733 Fax: 61-2-9868-6755 - China – Beijing
Tel: 86-10-8569-7000 Fax: 86-10-8528-2104 - China – Chengdu
Tel: 86-28-8665-5511 Fax: 86-28-8665-7889 - China – Chongqing
Tel: 86-23-8980-9588 Fax: 86-23-8980-9500 - China – Dongguan
Tel: 86-769-8702-9880 - China – Hangzhou
Tel: 86-571-8792-8115 Fax: 86-571-8792-8116 - China – Hong Kong SAR
Tel: 852-2943-5100 Fax: 852-2401-3431 - China – Nanjing
Tel: 86-25-8473-2460 Fax: 86-25-8473-2470 - China – Qingdao
Tel: 86-532-8502-7355 Fax: 86-532-8502-7205 - China – Shanghai
Tel: 86-21-5407-5533 Fax: 86-21-5407-5066 - China – Shenyang
Tel: 86-24-2334-2829 Fax: 86-24-2334-2393 - China – Shenzhen
Tel: 86-755-8864-2200 Fax: 86-755-8203-1760 - China – Wuhan
Tel: 86-27-5980-5300 Fax: 86-27-5980-5118 - China – Xian
Tel: 86-29-8833-7252 Fax: 86-29-8833-7256 - China – Xiamen
Tel: 86-592-2388138 Fax: 86-592-2388130 - China – Zhuhai
Tel: 86-756-3210040 Fax: 86-756-3210049 - India – Bangalore
Tel: 91-80-3090-4444 Fax: 91-80-3090-4123 - India – New Delhi
Tel: 91-11-4160-8631 Fax: 91-11-4160-8632 - India – Pune
Tel: 91-20-3019-1500 - Japan – Osaka
Tel: 81-6-6152-7160 Fax: 81-6-6152-9310 - Japan – Tokyo
Tel: 81-3-6880- 3770 Fax: 81-3-6880-3771 - Korea – Daegu
Tel: 82-53-744-4301 Fax: 82-53-744-4302 - Korea – Seoul
Tel: 82-2-554-7200 Fax: 82-2-558-5932 or 82-2-558-5934 - Malaysia – Kuala Lumpur
Tel: 60-3-6201-9857 Fax: 60-3-6201-9859 - Malaysia – Penang
Tel: 60-4-227-8870 Fax: 60-4-227-4068 - Philippines – Manila
Tel: 63-2-634-9065 Fax: 63-2-634-9069 - Singapore
Tel: 65-6334-8870 Fax: 65-6334-8850 - Taiwan – Hsin Chu
Tel: 886-3-5778-366 Fax: 886-3-5770-955 - Taiwan – Kaohsiung
Tel: 886-7-213-7828 - Taiwan – Taipei
Tel: 886-2-2508-8600 Fax: 886-2-2508-0102 - Thailand – Bangkok
Tel: 66-2-694-1351 Fax: 66-2-694-1350
EUROPE
- Austria – Wels
Tel: 43-7242-2244-39 Fax: 43-7242-2244-393 - Denmark – Copenhagen
Tel: 45-4450-2828 Fax: 45-4485-2829 - France – Paris
Tel: 33-1-69-53-63-20 Fax: 33-1-69-30-90-79 - Germany – Dusseldorf
Tel: 49-2129-3766400 - Germany – Karlsruhe
Tel: 49-721-625370 - Germany – Munich
Tel: 49-89-627-144-0 Fax: 49-89-627-144-44 - Italy – Milan
Tel: 39-0331-742611 Fax: 39-0331-466781 - Italy – Venice
Tel: 39-049-7625286 - Netherlands – Drunen
Tel: 31-416-690399 Fax: 31-416-690340 - Poland – Warsaw
Tel: 48-22-3325737 - Spain – Madrid
Tel: 34-91-708-08-90 Fax: 34-91-708-08-91 - Sweden – Stockholm
Tel: 46-8-5090-4654 - UK – Wokingham
Tel: 44-118-921-5800 Fax: 44-118-921-5820
2015 Microchip Technology Inc.
















