CE-324 Electric Steam Generator in Cabinet Base
User Manual
Electric Steam Generator in Cabinet Base
CE-24, CE-36, CE-42, CE-48,
CE-324, CE-336, CE-342 & CE-348 ![]()
IMPORTANT FOR FUTURE REFERENCE
Please complete this information and retain this manual for the life of the equipment:
Model #: __________________________
Serial #: ___________________________
Date Purchased: _____________________
WARNING
Improper installation, adjustment, alteration, service or maintenance can cause property damage, injury or death. Read the installation, operating and maintenance instructions thoroughly before installing or servicing this equipment.
CROWN FOOD SERVICE EQUIPMENT
A Middleby Company
70 Oakdale Road, Downsview (Toronto) Ontario, Canada, M3N 1V9
Telephone: 919-762-1000 www.crownsteamgroup.com
SAFETY PRECAUTIONS
Before installing and operating this equipment, be sure everyone involved in its operation is fully trained and aware of precautions. Accidents and problems can be caused by failure to follow fundamental rules and precautions.
The following symbols, found throughout this manual, alert you to potentially dangerous conditions to the operator, service personnel, or to the equipment.
| This symbol warns of immediate hazards that will result in severe injury or death. | |
| This symbol refers to a potential hazard or unsafe practice that could result in injury or death. | |
| This symbol refers to a potential hazard or unsafe practice that could result in injury, product damage, or property damage. | |
| NOTICE | This symbol refers to information that needs special attention or must be fully understood, even though not dangerous. |
IMPORTANT NOTES FOR INSTALLATION AND OPERATION
WARNING
This is the safety alert symbol. It is used to alert you to potential personal injury hazards. Obey all safety messages that follow this symbol to avoid possible injury or death.
WARNING
FOR YOUR SAFETY:
Do not store or use gasoline or other flammable vapors or liquids in the vicinity of this or any other appliance.
WARNING
Improper installation, operation, adjustment, alteration, service or maintenance can cause property damage, injury or death. Read the installation, operating and maintenance instructions thoroughly before installing, operating or servicing this equipment.
WARNING
Disconnect the power supply to the appliance before cleaning or servicing.
CAUTION
Operating, testing, and servicing should only be performed by qualified personnel.
NOTICE
This product is intended for commercial use only. NOT FOR HOUSEHOLD USE.
NOTICE
This manual should be retained for future reference.
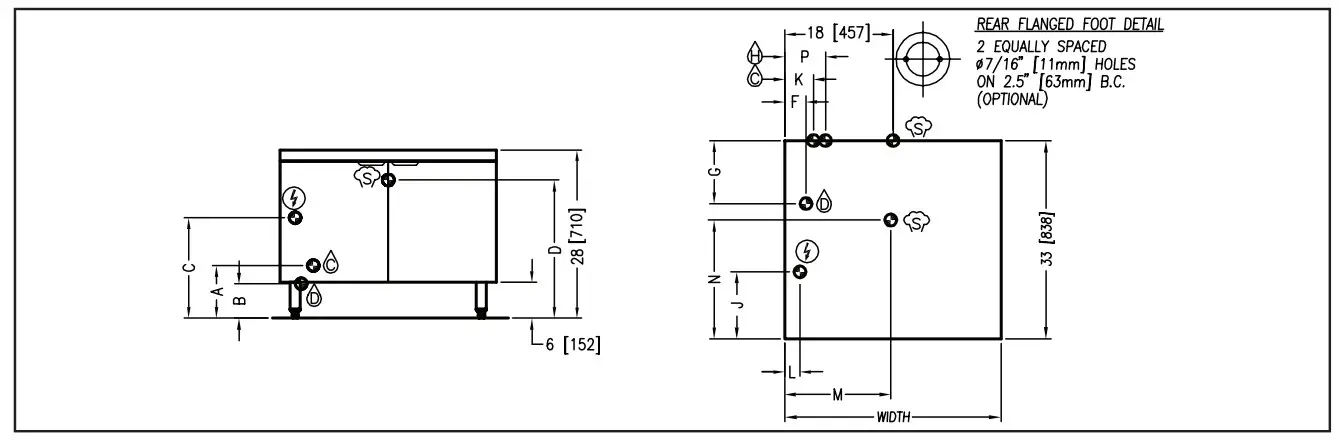
Service Connections

SERVICE CONNECTIONS
C– COLD WATER: 3/8” O.D. tubing at 25-50 PSI (170 – 345 kPa).
H– HOT WATER: 3/8” O.D. tubing at 25-50 PSI (170 – 345 kPa).
D– DRAIN: 2” (51 mm) IPS piped to open floor drain. No solid connection.
– ELECTRICAL CONNECTION: Field wiring electrical connection to be as specified on data plate.
S– STEAM TAKE-OFF CONNECTION: 3/4” (19 mm) IPS to operate adjacent equipment.
DIMENSIONS
| WIDTH | SHIPPING WEIGHT | UNITS | A | B | C | D | E | F | G | H | J | K | L | M | N | P |
| 24″ 610 mm | 350 lbs. [159 kg] | in (mm) | 8.75″ (222) | 5.75″ (146) | 16.7″ (425) | 23° (584) | 8.75″ (222) | 3 5″ (89) | 10.5″ (267) | 2.5″ (64) | 11.12″ (283) | 2.75″ (70) | 2 5″ (64) | 13″ (330) | 19.75″ (502) | 4.75″ (121) |
| 36″ 914 mm | 415 lbs. [188 kg] | 18° (457) | 4.75′ (121) | 21.25″ (540) | 6.75″ (171) |
ELECTRICAL CHARACTERISTICS
| KW | PHASE | OUTPUT MAX. LBS/HR | AMPS PER LINE | |||||
| 208V | 220V | 240V | 380V | 415V | 480V | |||
| 24 | 1 | 69 | 115. | 109. | 100.0 | N/A | N/A | N/A |
| 3 | 69 | 67. | 63. | 58. | 37. | 33. | 29. | |
| 36 | 3 | 107 | 100. | 95. | 87. | 55. | 50. | 43. |
| 42 | 3 | 128 | 117. | 110. | 101.0 | 64. | 58. | 51. |
| 48 | 3 | 148 | N/A | N/A | 116. | 73. | 33. | 58. |
| WIDTH | 24 KW | 36KW | 42KW | 48KW | MINIMUM CLEARANCE | |
| 24″ 610 mm | CE-24 | CE-36 | CE-42 | CE-48 | SIDES BACK | 0 |
| 36″ 914 mm | CE-324 | CE-336 | CE-342 | CE-348 | ||
COMPARTMENT PAN CAPACITY
| MODEL | CAPACITIES | |
| KW | LBS/HR | |
| CE-24, CE-324 | 24 | 69 |
| CE-36, CE-336 | 36 | 107 |
| MODEL | CAPACITIES | |
| KW | LBS/HR | |
| CE-42, CE-342 | 42 | 128 |
| CE-48, CE-348 | 48 | 148 |
WATER QUALITY STATEMENT
Water is the essential ingredient in steam equipment, water quality is the major factor affecting the performance of your appliance. Crown Steam Group offers a Comprehensive Water Treatment System which exceeds our minimum water requirements. Proof of installation and proper cartridges replacement is required for warranty coverage. Water supply to Crown Steam Group steamers must be within these guidelines.
Total dissolved solids…………………..Less than 60 PPM
Total alkalinity ………………………….. Less than 20 PPM
Silica ………………………………………….. Less than 13 PPM
Chlorine ……………………….Less than 1.5 PPM
pH Factor …………………….6.8 – 7.3
Water which does not meet these standards should be treated with the installation of Middleby’s Water Treatment System. Call 919-762-1000 if you have questions concerning your water meeting these parameters.
*Failure or malfunction of this appliance due to poor water quality is not covered under warranty.
Reference www.crownsteamgroup.com for complete warranty details and instructions.
DISCLAIMER
Terry System Cartridge Changes / Installation – “2-3 gallons of water MUST be purged at each cartridge change or new installation prior to water supply being fed to the steamer. Failure to do so can result in component damage within the steamer which is not covered under warranty.
For additional guidance on proper installation, refer to install documentation provided with each Terry System and Replacement Cartridge Set.”
Installation Instructions
General
The electric boiler is designed to ASME Code and approved as a steam heating boiler restricted to operation at pressure not to exceed 15 psi. Boilers are electrically rated as shown on page 4. Boiler may have optional CSD1 controls.
Unpacking
IMMEDIATELY INSPECT FOR SHIPPING DAMAGE
Immediately after unpacking, check for possible shipping damage. If the appliance is found to be damaged, save the packaging material and contact the carrier within 15 days of delivery.
We cannot assume responsibility for damage or loss incurred in transit.
Before installing, verify the electrical rating agrees with the specification on the rating plate.
Location
Position the boiler in its installation location. Check that there are sufficient clearances to service the controls, door swing, etc. Also adequate clearance must be left for making the required supply and drain connections.
Allow enough space between any other piece of equipment or wall for service access.
Service to the controls may be required on the left and/or right side panels of the cabinet.
Installation Codes and Standards
The boiler must be installed in accordance with:
In Canada:
Provincial and local codes, or in the absence of local codes, with the Canadian Electric Code, CSA C22.1 (latest edition).
Copies may be obtained from the Canadian Standards Association, 178 Rexdale Blvd., Toronto, Ontario, Canada, M9W 1R3.
In the U.S.A.:
State and local codes, or in the absence of local codes, with the National Electrical Code, ANSI/NFPA-70 (latest edition).
Copies may be obtained from The National Fire Protection Association, Batterymarch Park, Quincy, MA, U.S.A., 02269.
Levelling and Anchoring the Cabinet
- Place appliance in the installation position.
- Place a carpenter’s level on top of the appliance and turn the adjustable feet to level side-to-side and front-to-back.
- Mark hole locations on the floor through the anchoring holes provided in the rear flanged adjustable feet.
- Remove appliance from installation position and drill holes in locations marked on the floor. Insert proper anchoring devices (not supplied).
- Place appliance back in the installation position.
- Place carpenter’s level on top appliance and re-level side-to-side and front-to-back.
- Bolt and anchor appliance securely to the floor.
- Seal bolts and flanged feet with silastic or equivalent compound.
Electrical Connections
WARNING
Electrical and grounding connections must comply with the applicable portions of the National Electrical Code and/or other local codes.
WARNING
Disconnect electrical power supply and place a tag at the disconnect switch to indicate you are working on the circuit.
IMPORTANT
When making electrical connections, use copper wire suitable for at least 200 °F (90 °C). The steamer must be grounded in accordance with the National Electrical Code or applicable local codes. The wiring diagram is located on the inside of the right panel.
Exhaust Fans And Canopies
Canopies are set over ranges, ovens, kettles, etc., for ventilation purposes. It is recommended that a canopy extend 6 inches past the appliance and be located 6 feet 6 inches from the floor. Filters should be installed at an angle of 45 degrees or more with the horizontal. This position prevents dripping of grease and facilitates collecting the run-off grease in a drip pan, usually installed with the filter.
Plumbing Connections (See Page 4)
WARNING
Plumbing connections must comply with applicable sanitary, safety, and plumbing codes.
Water Supply Connection
The incoming cold water supply connection, at the rear of the boiler cabinet, requires 3/8” tubing and water pressure of 25 – 50 psig. A manual shut-off valve must be provided convenient to the boiler; this valve should be open when the boiler is in operation.
IMPORTANT
If your equipment was supplied with split water lines and a filter, connect the filter system to the connection marked “BOILER FEED” only. Make a second connection to the “CONDENSER FEED” from a cold and unfiltered water supply.
FAILURE OR MALFUNCTION OF THIS APPLIANCE DUE TO POOR WATER QUALITY IS NOT COVERED UNDER WARRANTY. SEE WATER QUALITY STATEMENT (PAGE 4).
Drain Connection
The boiler drain (2” IPS) should be piped to a floor drain near the boiler. There should be no solid drain connection; an “open gap” between the boiler and the floor drain is required
OPERATION
Operating Instructions
For CSD-1 equipped boilers, see this section for the Operating Instructions for CSD-1 Equipped Boilers.
Boiler Controls (Inside Cabinet)
| Main Power Switch | ON fills the boiler tank and turns the boiler controls on. You should allow 20 minutes to fill the tank and generate steam. OFF shuts off the boiler heaters and opens the Automatic Blowdown Valve, emptying the boiler tank and releasing water and steam to the drain. This should be done daily to remove sediment, lime, or scale. |
| Pilot Light | Indicates main power is ON. |
| Boiler Pressure Gauge | Should read 9 -11 psi during operation; 0 psi during shutdown. |
| Water Level Sight Glass | Observe level of water and water quality in the boiler. Murkiness in the water indicates inadequate water quality; the owner must supply proper water to the boiler (see Service Connections Water Quality Statement). |
| Water Level Control | While boiler is ON, briefly open the water level control valve once a day to remove any sediment that might accumulate. (see Periodic Maintenance Section). |
| Safety Valve | This valve will release (pop off) if the boiler has too much pressure. Once a week, this valve should be tripped during operation to make sure it functions properly. |
Operation of the Boiler
Turn on water and power supply.
Open cabinet door and turn main power switch ON. Pilot light ignites and water begins to fill boiler – observe water gauge sight glass to verify that proper water level is reached.
Once the proper water level is reached, the heaters begin to heat the water. Heaters require about 15 minutes to begin steam generation. The boiler pressure gauge in the cabinet should indicate steam pressure in a range of 9 to 11 psig.
Shut Down
Turn the Main Power Switch OFF: Open manual drain valve. If unit is supplied with Automatic Blowdown Valve, it will open, draining the boiler and releasing hot water and steam to the drain.
CSD-1 Optional Feature
Start-up Procedure
- Close the manual blowdown valve.
- Open cabinet door and turn “ON” power switch.
The green pilot light will come “ON.” Water will begin to enter the boiler. When enough water has entered the boiler, the (amber) “STANDBY” pilot light will come on. - Press the “RESET” switch to begin boiler operation.
The “STANDBY” pilot light will go off and the boiler will begin operation.
Normal Boiler Operating Cycle
Water Fill Cycle
On the initial filling of the boiler, the reset switch must be activated to initialize the safety lockout circuit. Once the water in the boiler has reached the proper level, the level control will stop the flow of water to the boiler. As water is consumed in the production of steam, the level control will supply additional water to the boiler.
Firing Cycle
The elements are operated by pressure sensing devices. On initial operation, the boiler should reach 14 psi in approximately 15 minutes. At this point, the operating pressure switch will open, de-energizing the elements. Thereafter the operating pressure switch will cycle the elements between 9 and 11 psi boiler pressure.
Condensing Drain
A thermostat is located in the drain assembly and is activated by the temperature of steam. The thermostat operates the cooling solenoid, supplying water to the drain to condense the steam.
Automatic Blowdown Valve
If the unit has an automatic blowdown valve, it is activated when the main power switch is activated. The boiler will be drained should the main power switch be turned OFF.”
Safety Lockout Conditions
High Temperature Condition
A high temperature safety device is installed on the boiler. Should the temperature exceed the limit of this device, the boiler will be shut down and put in a state of lockout. The “TEMPERATURE” pilot light (red), and the “STANDBY” pilot light amber), will come on.
High Pressure Condition
A high pressure safety switch is installed on the boiler. Should the pressure exceed the limit of this device, the boiler will be shut down and put into a state of lockout. The “PRESSURE” pilot light (red), and the “STANDBY” pilot light (amber), will come on. Should this device fail to operate, the safety relief valve will open.
Low Water Condition
A second low water safety cut off is supplied with the boiler. Should the water level fall below normal operating levels, the boiler will be shut down and put into a state of lockout. The “LOW WATER” pilot light (red), and the “STANDBY” pilot light (amber) will come on.
PERIODIC MAINTENANCE
WARNING
Disconnect the unit from the power supply before cleaning or servicing appliance.
IMPORTANT INSTRUCTIONS
Be sure to flush your boiler water level control daily. Failure to follow this procedure can cause the control to malfunction resulting in serious boiler damage.
The Boiler Water Level Control installed on your boiler requires periodic maintenance. As boiler water circulates into the float chamber, sand, scale and other sediment may be deposited in the float chamber. While the chamber has been designed with a large accumulation bowl, it is necessary to flush the sediment from the chamber by blowing down the control so that the accumulation of sediment does not interfere with the movement of the float in the control.
Control must be flushed at least once a day.
CAUTION
Protect yourself. When flushing control, hot water and steam will flow out of the drain.
When flushing control, note water level in gauge glass, allow the boiler to fill if necessary and also to come up to temperature.
Before flushing control, note that water level in gauge glass is within operating range and the boiler pressure is at least 6 psi. While the boiler is being fired, open blowdown valve at bottom of control by rotating the handle counterclockwise about 1/4 turn to fully open the valve.
Opening the blowdown valve also checks the cut-off operation. Float should drop shutting elements off, hot water and steam will flow out the drain flushing away sediment.
CAUTION
If heater does not shut off during blowdown, immediately discontinue use of appliance and call for service.
Continue draining water for about fifteen (15) seconds, from control until water is clean. Manually close valve. Recheck gauge glass. If water level has dropped significantly, wait for the boiler to restore water level and pressure and repeat if necessary.
- Observe that the water in gauge glass is clean and clear. Extreme murkiness in water indicates inadequate water quality.
- Safety valve should be tripped during operation once a week to assure that it functions properly.
- Keep all exposed cleanable areas of unit clean at all times.
CAUTION
Take extra caution when blowing down water level control or tripping safety valve as extreme hot water and live steam are present.
Boiler Descaling Instructions
It is recommended that the boiler be checked every 90 to 120 days for scale build up. Regular maintenance should be carried out at this time.
- With boiler empty, close manual blowdown valve. If appliance is equipped with Automatic Blowdown, turn water supply to appliance OFF. Turn power switch ON. This will energize and close blowdown valve.
- Remove 3/4” pipe plug from Brass Tee on front top of boiler.
- Insert appropriate hose or tube through fitting and pour in (1/2) half gallon (U.S.) of CLR Descaling Solution.
If available, use the Optional Deliming assembly DPA-1 available from your dealer. - Replace 3/4” pipe plug securely.
- Open water supply to appliance allowing water to fill boiler to required level.
- Let appliance cycle, allow two hours for descaling and cleaning. DO NOT TURN ON STEAM to attached appliances or to upper compartment.
- Open both the blowdown and low water level control valves for complete drainage. After boiler drains, close both valves.
- Turn appliance switch ON. When boiler is completely filled turn power switch OFF. This will rinse and drain boiler.
Appliances with manual blowdown valve must be opened to drain. - Complete Step 8 twice to assure boiler is completely rinsed.
- Appliance is now ready for use.
Troubleshooting
NOTICE
Contact the factory, the factory representative or local service company to perform maintenance and repairs.
Water Not Being Supplied to Boiler
- Water supply is “OFF”.
- Defective water fill solenoid.
- Water level control clogged or defective, unable to operate fill valve.
- Check drain valve is closed.
- Supply water pressure too low.
Automatic Blowdown Valve Does Not Drain
- Defective blowdown valve.
- Heat exchanger build up of scalant clogging drain lines and valve.
Boiler Achieves Pressure Slower Than Normal
- Heavy build up of lime on elements.
- Loose element connections.
Safety Valve Blows
- Defective safety valve.
- Pressure too high, pressure switch requires adjustment (lower) or may be defective.
CE-24, CE-36, CE-42, CE-48, CE-324, CE-336, CE-342 & CE-348
Electric Steam Generator in Cabinet Base
![]()
A product with the Crown name incorporates the best in durability and low maintenance. We all recognize, however, that replacement parts and occasional professional service may be necessary to extend the useful life of this appliance.
When service is needed, contact a Crown Authorized Service Agency, or your dealer. To avoid confusion, always refer to the model number, serial number, and type of your appliance. ![]()
CROWN FOOD SERVICE EQUIPMENT
A Middleby Company
70 Oakdale Road, Downsview (Toronto) Ontario, Canada, M3N 1V9
Telephone: 919-762-1000 www.crownsteamgroup.com


















