
Installation & Operation Manual
Electric
Cabinet Base Convection Steamer
SCX-2-24, SCX-2-36, SCX-10-24 & SCX-10-36
Model SCX-10-24
IMPORTANT FOR FUTURE REFERENCE
Please complete this information and retain this manual for the life of the equipment:
Model #: ___________________________
Serial #: ___________________________
Date Purchased: _____________________
WARNING
Improper installation, adjustment, alteration, service or maintenance can cause property damage, injury or death. Read the installation, operating and maintenance instructions thoroughly before installing or servicing this equipment.
SAFETY PRECAUTIONS
Before installing and operating this equipment, be sure everyone involved in its operation is fully trained and aware of precautions. Accidents and problems can be caused by failure to follow fundamental rules and precautions. The following symbols, found throughout this manual, alert you to potentially dangerous conditions to the operator,
service personnel, or to the equipment.
DANGER This symbol warns of immediate hazards that will result in severe injury or death.
WARNING This symbol refers to a potential hazard or unsafe practice that could result in injury or death.
CAUTION This symbol refers to a potential hazard or unsafe practice that could result in injury, product damage, or property damage.
NOTICE This symbol refers to information that needs special attention or must be fully understood, even though not dangerous.
IMPORTANT NOTES FOR INSTALLATION AND OPERATION
WARNING This is the safety alert symbol. It is used to alert you to potential personal injury hazards. Obey all safety messages that follow this symbol to avoid possible injury or death.
WARNING Improper installation, operation, adjustment, alteration, service or maintenance can cause property damage, injury or death. Read the installation, operating and maintenance instructions thoroughly before installing, operating or servicing this equipment.
CAUTION Operating, testing, and servicing should only be performed by qualified personnel.
NOTICE Contact the factory, the factory representative or local service company to perform maintenance and repairs.
NOTICE This product is intended for commercial use only. NOT FOR HOUSEHOLD USE.
NOTICE This manual should be retained for future reference.
It is recommended that this manual be read thoroughly and that all instructions be followed carefully.
Copyright © 2022 by Crown. All rights reserved. Published in the United States of America.
INSTALLATION & OPERATION MANUAL 10112 REV 4 (05/22)
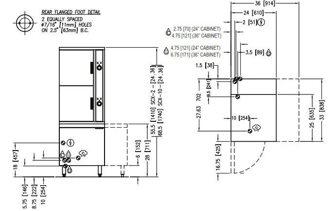
Service Connections

SERVICE CONNECTIONS
– ELECTRICAL CONNECTION: 1/2” (13 mm) conduit connection to controls. 120 VAC-60Hz-1PH.
2 Amps per compartment or as specified on data plate.
– BOILER FEED WATER: 1/2” (13 mm) NPT at 25-50 PSI (170-345 kPa).
– CONDENSATE COLD WATER: 1/2” (13 mm) NPT at 25-50 PSI (170-345 kPa) (OPTIONAL)
– DRAIN: 2” (51 mm) IPS piped to open floor drain. No solid connection.
– STEAM SUPPLY: 3/4” (19 mm) female pipe connection for 25-45 PSI(172-310 kPa).*
*Pressure reducing valve is required if incoming pressure exceeds 45 psi (310 kPa)
COMPARTMENT PAN CAPACITY, WEIGHT AND CLEARANCE
| MODEL | PAN DEPTH | SHIPPING WEIGHT | MINIMUM CLEARANCE | |||||
| 1″ | 2-1/2″ | 4″ | 6″ | (24″ CABINET) | (36″ CABINET) | |||
| SCX-2-[24,36] | 6 | 3 | 2 | 1 | 500 lbs. [227 kg] | 600 lbs. [272 kg] | SIDES | 0 |
| SCX-10-[24,36] | 10 | 5 | 3 | 2 | 575 lbs. [260 kg] | 625 lbs. [284 kg] | BACK | 0 |
WATER QUALITY STATEMENT
Water is the essential ingredient in steam equipment, water quality is the major factor affecting the performance of your appliance. Crown Steam Group offers a Comprehensive Water Treatment System which exceeds our minimum water requirements. Proof of installation and proper cartridges replacement is required for warranty coverage. Water supply to Crown Steam Group steamers must be within these guidelines.
Total dissolved solids…………………..Less than 60 PPM
Chlorine ……………………….Less than 1.5 PPM
Total alkalinity …………………………………. Less than 20 PPM
pH Factor …………………….6.8 – 7.3
Silica ………………………………………………. Less than 13 PPM
Water which does not meet these standards should be treated with the installation of Middleby’s Water Treatment System. Call 919-762-1000 if you have questions concerning your water meeting these parameters.
*Failure or malfunction of this appliance due to poor water quality is not covered under warranty. Reference www.crownsteamgroup.com for complete warranty details and instructions.
DISCLAIMER
Terry System Cartridge Changes / Installation – “2-3 gallons of water MUST be purged at each cartridge change or new installation prior to water supply being fed to the steamer. Failure to do so can result in component damage within the steamer which is not covered under warranty. For additional guidance on proper installation, refer to install documentation provided with each Terry System and Replacement Cartridge Set.”
As continued product improvement is a policy of Crown, specifications are subject to changge without notice.
Introduction
Description
Models SCX-2 and SCX-10, convection steamers mounted on cabinet base and a steam coil boiler, designed to ASME Code and approved as a steam boiler restricted to operation at pressure not to exceed 15 psi. SCX-2 steamer has a pan capacity of 6 (2-1/2”) pans, SCX-10 cooker has a pan capacity of 10 (2-1/2”) pans.
Basic Function
The sequence of operation is as follows:
- Turn on main power switch. Pilot light will indicate main power is on and steam generating will begin. In approximately 20 minutes, sufficient amount of pressurized steam will have been generated in the heat exchanger and ready pilot light will come on. OFF shuts off the steam supply to the boiler and opens the automatic blowdown valve, if so equipped, emptying the boiler and releasing water and steam to the drain. The manual blowdown valve will have to be opened to drain if not equipped with automatic blowdown valve.
- Boiler pressure gauge should read 9 – 11 psi during operation, 0 psi during shutdown.
- Compartment cooker is ready for use when READY light is on. Place pans of food to be cooked into compartment(s) and close door(s).
- Set timer(s) to cook time desired. Cooking will commence and cooking time may be interrupted at any time by opening door(s) and resumed again by closing door(s).
- Buzzer will sound indicating the end of the cooking cycle and that steam has stopped entering the compartment(s).
The COOKING pilot will go off and the READY light will come on. Buzzer must be shut off by turning the timer(s) to its off position.
General
The steam boiler is designed to ASME Code and approved as a steam heating boiler restricted to operation at pressure not to exceed 15 psi.
Unpacking
IMMEDIATELY INSPECT FOR SHIPPING DAMAGE
Immediately after unpacking, check for possible shipping damage. If the appliance is found to be damaged, save the packaging material and contact the carrier within 15 days of delivery.
We cannot assume responsibility for damage or loss incurred in transit.
Before installing, verify the electrical rating agrees with the specification on the rating plate.
Location
Position the appliance in its installation location. Check that there are sufficient clearances to service the controls, door swing, etc. Also adequate clearance must be left for making the required supply and drain connections.
Allow enough space between any other piece of equipment or wall for service access. Service to the controls may be required on the left and/or right side panels of the cabinet.
Installation Codes and Standards
The appliance must be installed in accordance with: In Canada: Provincial and local codes, or in the absence of local codes, with the Canadian Electric Code, CSA C22.1 (latest edition). Copies may be obtained from the Canadian Standard Association, 178 Rexdale Blvd., Etobicoke, Ontario, Canada, M9W 1R3.
In the U.S.A.: State and local codes, or in the absence of local codes, with the National Electrical Code, ANSI/NFPA-70 (latest edition). Copies may be obtained from The National Fire Protection Association, Batterymarch Park, Quincy, MA, 02269.
Installation Instructions
Ideally an exhaust system should be located directly above the appliance to exhaust steam and heat generated by the appliance.
- Set the unit in place and level using a spirit level.
- Ascertain that a floor drain (open gap) is convenient to the appliance drain.
- Mark hole locations on floor through anchoring holes provided in flanged adjustable feet.
- Remove appliance and drill holes in locations marked on floor and insert proper anchoring devices.
- Set unit back in position and re-level left to right and front to back.
- Bolt and anchor appliance securely to the floor.
- Seal bolts and flanged feet with Silastic or equivalent compound.
- Make service connections as indicated.
WARNING
Electrical and grounding connections must comply with the applicable portions of the National Electrical Code and/or other local electrical codes.
WARNING
Disconnect electrical power supply and place a tag on the disconnect switch to indicate that you are working on the circuit.
Use copper wire suitable for at least 90 degrees Celsius. The steamer must be grounded. The wiring diagram is located on the inside right hand panel as you face the steamer.
Information to Steam Fitter
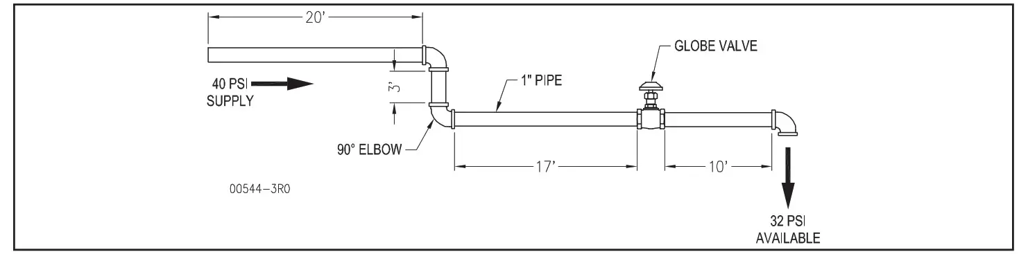
- Assuming availability of 30 psi supply steam pressure immediately to the appliance, then pipe sizes of 1/2” or 3/4” or 1” will deliver respectively 90, 165, or 385 lbs. of steam per hour to the appliance Heat Exchanger. From the foregoing to use 1/2” pipe line would most likely prove inadequate.
An extremely important consideration is the pressure drop that will occur through the steam supply line from its point of origin to the appliance. The greater the length of piping and number of valves and elbows, the greater will be the pressure losses. Consider a pressure drop of 1 (one) psi for each straight length of pipe equivalent to 120 diameters of that pipe. Thus, a 1” pipe having a straight length of 120” (10 feet) is equivalent to 120 diameters of that pipe and will have a pressure loss of 1 psi through that pipe.

NOTICE
In 3/4” pipe size, that a Standard 90 Elbow, an Angle Valve and a Globe Valve are equivalent to 1.8 feet, 10 feet and 18 feet respectively of straight pipe.
Similarly, in a 1” pipe size, a standard 90º Elbow and Angle Valve and a Globe Valve are equivalent to 2.2 feet, 12 feet and 23 feet respectively of straight pipe.

Total of above = 20 + 2.2 + 3 + 2.2 + 17 + 23 + 10 + 2.2 = 79.6 feet. Since each 10 feet is equivalent to 1 psi pressure loss, 79.6 feet is equivalent to approximately 32 psi from an original Boiler supply of 40 psi.
It is suggested that, wherever possible, the steam supply line to the appliance is a separate line from the steam source. If the appliance must be supplied from a line supplying other appliances, the pipe sizes and pressure will have to be verified. Further, during idle periods, when the steam in the supply line is not in use, water will form from condensed steam in the supply line. It is advisable to prevent water pockets from forming in the steam line and impeding the steam flow when it is required. Therefore,
the steam supply line should be installed level or run slightly downwards towards the appliance. Install a Ball Float Trap near the appliance to drain out water (condensed steam) from the line to assure clean dry steam to the appliance.
Exhaust Hood
An exhaust system should be located directly above the boiler to exhaust steam and heat generated by the boiler.
Plumbing Connections
WARNING
Plumbing connections must comply with applicable sanitary, safety, and plumbing codes.
Water Supply Connection
The incoming cold water supply connection, at the rear of the boiler cabinet, requires 3/8” tubing and water pressure of 25 – 50 psig. A manual shut-off valve must be provided convenient to the boiler; this valve should be open when the boiler is in operation.
IMPORTANT
If your equipment was supplied with split water lines and a filter, connect the filter system to the connection marked “BOILER FEED” only. Make a second connection to the “CONDENSER FEED” from a cold and unfiltered water supply.
Drain Connection
The boiler drain (2” IPS) should be piped to a floor drain near the boiler. There should be no solid drain connection; an “open gap” between the boiler and the floor drain is required.
OPERATION
Start-Up
Start-up procedures for your steamer must be completed once daily prior to operation.
Turn on water and steam supply to appliance. Open cabinet door and turn on Power Switch. Pilot light will come ON and steam generating will begin. In approximately 20 minutes, sufficient amount of pressurized steam will have been generated in the heat exchanger. The appliance is now ready for steam generation.
Shut Down
Turn off power switch, open manual drain valve. If unit is equipped with automatic blowdown valve, it will open and drain exchanger. Steam valve will close cutting off supply to exchanger.
COOKER SECTION
CAUTION
Live steam and accumulated hot water in the compartment may be released when the door is opened.
Start-up procedures for your steamer must be completed once daily prior to operation (see instruction plate or above for boiler start up procedures).
With ready pilot light on, preheat steamer compartment for one minute when the steamer is to be first used for the day or whenever the compartment is cold.
- Close compartment doors and set timer to “1 minute”.
- When buzzer sounds, set timer to the “OFF” position.
- Steamer is now ready for cooking.
- With cooking compartment preheated and ready pilot light on, place pans of food to be cooked into compartment and shut door.
- Set timer to cooking time desired. Cooking cycle may be interrupted at any time by opening door and resumed again by closing door.
- When buzzer sounds, it indicates the end of the cooking cycle and that no more steam is entering the compartment. Cooking pilot light will go off and ready pilot light will come on. Buzzer must be shut off by turning the timer to its off position.
CAUTION
An obstructed drain can cause personal injury or property damage.
Frequently check that the compartment drain and plumbing is free of all obstructions. Never place food containers, food or food portion bags in the cooking compartment in such a way that the compartment drain becomes obstructed.
IMPORTANT
Each compartment is equipped with a removable drain screen. Frequently check the drain screen for accumulation of food particles. Should food particles accumulate against, or clog the drain screen, remove it, clean it thoroughly and then replace it in its original position.
Shut Down
- To shut down cooking compartment, set timers to their OFF position and leave doors slightly open.
- At the end of the day, the steam supply must be shut off. Open the door of cabinet base and turn off power switch.
Open manual drain valve. If unit is equipped with automatic blowdown valve, it will open and drain the boiler.
CAUTION
If steam supply does not shut off during blowdown, immediately discontinue use of appliance and call for service.
Periodic Maintenance
WARNING
Disconnect the unit from the power supply before cleaning or servicing appliance.
CAUTION
Protect yourself. When flushing control, hot water and steam will flow out of the drain.
IMPORTANT INSTRUCTIONS
Be sure to flush your boiler water level control daily. Failure to follow this procedure can cause the control to malfunction resulting in serious boiler damage.
The Boiler Water Level Control installed on your boiler requires periodic maintenance. As boiler water circulates into the float chamber, sand, scale and other sediment may be deposited in the float chamber. While the chamber has been designed with a large accumulation bowl, it is necessary to flush the sediment from the chamber by blowing down the control so that the accumulation of sediment does not interfere with the movement of the float in the control. Control must be flushed at least once a day.
When flushing control, note water level in gauge glass, allow the boiler to fill if necessary, and also to come up to temperature.
Before flushing control, note that water level in gauge glass is within operating range and the boiler pressure is at least 6 psi. While the boiler is being operated, open blowdown valve at bottom of control by rotating the handle counterclockwise about 1/4 turn to fully open the valve. Opening the blowdown valve also checks the cut-off operation. Float should drop shutting steam off, hot water and steam will flow out the drain flushing away sediment.
CAUTION
If steam supply does not shut off during blowdown, immediately discontinue use of appliance and call for service.
Continue draining water for about fifteen (15) seconds, from control until water is clean. Manually close valve.
Recheck gauge glass. If water level has dropped significantly, wait for the boiler to restore water level and pressure and repeat if necessary.
Periodic Maintenance
- Water level control should be opened daily to blowdown sediment and scalant.
- Observe that the water in gauge glass is clean and clear. Extreme murkiness in water indicates inadequate water quality.
- Safety valve should be tripped during operation once a week to assure that it functions properly.
- Keep all exposed cleanable areas of unit clean at all times.
Cleaning
WARNING
Disconnect the unit from the power supply before cleaning or servicing appliance.
WARNING
Never spray water into electric controls.
CAUTION
Do not use cleaning agents that are corrosive.
CAUTION
Live steam and accumulated hot water in the compartment may be released when the door is opened.
- Keep exposed cleanable areas of unit clean at all times.
- Thoroughly wash oven cavities, door liners, and pan racks at the end of each day or as required with a mild detergent and water to prevent bacterial growth and odours.
- Remove drain screens from inside compartment drains. Using a plastic bottle brush and mild detergent, clean inside the drain opening ensuring there is no food residue or blockage. Clean the drain screen and replace in its original position.
- Wash gasket sealing surface with mild detergent to remove harmful food acids and rinse.
- Water level control should be opened daily to blow down sediment and scalant.
- Observe that the water in gauge glass is clean and clear. Extreme murkiness in water indicates inadequate water quality.
- Safety valve should be tripped during operation once a week to assure that it functions properly.
- De-scaling is based on water quality and usage.
CAUTION
Take extra caution when blowing down water level control or tripping safety valve as extreme hot water and live steam are present.
Descaling Boiler
CAUTION
Improper use of this procedure may damage your appliance!
- With Generator tank empty, close manual blowdown valve.
If appliance is equipped with Automatic Blowdown, turn water supply OFF to appliance. Turn power switch ON, this will energize and close blowdown valve. - For appliance on 24” Cabinet, remove union fitting at connection to base of water level control and generator tank. For appliance on 36”, 48” etc. cabinet, remove 3/4” pipe cap from fitting located at top front of generator tank.
- Insert appropriate hose or tube through opening in generator tank and pour in (1/2) half U.S. gallon of CLR Descaling Solution.
- Replace 3/4” pipe cap OR union fitting.
- Open water supply to appliance allowing water to fill Generator tank to required level. On appliances with Manual Blowdown, turn ON power switch, Boiler will fill to the required level.
- Let appliance cycle, allow two hours for descaling and cleaning. DO NOT TURN STEAM ON.
- Open both the blowdown and water level control valves for complete drainage and then close both valves.
On appliances equipped with Automatic Blowdown, turn OFF power switch and open water level control valve, this will allow complete drainage. Once drained, close water level control valve. - Turn appliance switch ON. When generator tank is completely filled, turn power switch OFF, this will rinse and drain Generator Tank. Appliances with Manual Blowdown Valve must be opened to drain.
- Complete Step 8 twice to assure boiler is completely rinsed.
- Appliance is now ready for use.
Troubleshooting
NOTICE
Contact the factory, the factory representative or local service company to perform maintenance and repairs.
Refer to warranty terms.
NOTICE
At least twice a year have an authorized service person clean and adjust the unit for maximum performance.
Door Leaks
- Check for damage to door gasket.
Water Accumulates In The Compartment
- Compartment drain screen clogged. Remove and clean thoroughly and then replace.
Water Not Being Supplied To Heat Exchanger
- Water supply is “OFF”.
- Defective water fill solenoid.
- Water level control clogged or defective, unable to operate fill valve.
- Check drain valve is closed. Also check that water level control valve is closed.
- Supply water pressure too low.
Automatic Blowdown Valve Does Not Drain
- Defective Blowdown valve.
- Heat exchanger build up of scalant clogging drain lines and valve.
Heat Exchanger Achieves Pressure Slower Than Normal
- Heavy build up of lime on heat exchanger tubes.
- Steam supply pressure too low.
Safety Valve Blows
- Defective safety valve.
- Pressure too high. Pressure switch requires adjustment (lower) or may be defective.
ADJUSTMENTS
To Calibrate Pressure Switches
NOTICE
Pressure switches are factory set. Calibration is only required if pressure switches are replaced or if adjustment is required. Pressure switch range is from 1 to 15 psi.
Adjust all settings to maximum on high signal adjustment screw on pressure switches.
Adjust in the following sequence:
– High limit pressure switch.
– Override pressure switch.
– Operating pressure switch.
– Turning screw clockwise to increase, counterclockwise to decrease pressure.
– Use relief valve to release pressure from boiler for setting adjustments.
- HIGH LIMIT PRESSURE SWITCHES
Allow pressure to build until unit shuts off. This should occur at 15 psi. Set the high signal to switch at 14.5 psi on the gauge and the low signal to 13.0 psi. - OVERRIDE PRESSURE SWITCHES
Allow pressure to increase to 13 psi. Set the high signal to switch at 13 psi on the gauge and the low signal to 11 psi. - OPERATING PRESSURE SWITCHES
Set the high signal to switch at 11 psi on the gauge and the low signal to 9 psi. - Release pressure in boiler to below 9 psi. Elements will come on. Once pressure has reached 11 psi, elements will shut off. Repeat this process several times to make sure elements come on at 9 psi and shut off at 11 psi.
Once completed, pressure switches have been calibrated.
Should your unit not have the High Limit pressure switch, start procedure at Override pressure switch.
COOKING CHART
The following table lists suggested cooking times and weights. These times, which will vary depending on initial product temperature, size, shape, etc., are approximate and should be adjusted to suit your operation.
PRODUCTS TO BE COOKED IN SOLID PANS
| PRODUCT | TIMER SETTING (MINUTES) | WEIGHT PER PAN |
| Eggs, Scrambled | 10 – 12 | 8 Dozen |
| Rice. Long Grain | 25 | 2 lb. |
| (Cover with 4 cups water per pound.) | ||
| Pasta (Place perforated pan inside solid pan,cover pasta with cold water.) | ||
| Spaghetti. RegularNermicelli | 12 – 15 | |
| Macaroni, Shells/Elbows | 15 – 18 | |
| Noodles, 1/2″ wide | 12 – 15 | |
| Lasagna Noodles | 15 – 18 | |
| Frozen Casseroles. Lasagna | 35 | Full Pan |
| Meat Loaf, 3 – 5 pounds each | 40 | 15 lb. |
| Beef | ||
| Ground Chuck | 20 – 25 | 10 lb. |
| Sliced as Purchased | 35 – 40 | 10 lb. |
| Shrimp, Frozen, 10 per pound | 5 | 4 lb. |
| Beans | ||
| Baked | 9 | 10 lb. Can |
| Refried | 9 | 10 lb. Can |
| Canned Vegetables | 6 | 10 Lb Can |
| Prunes. Died | 12 to 15 | |
| Clams | ||
| Frozen | 10 – 12 | 3 Doz. |
| Fresh, Cherrystone | 5 – 6 | 3 Doz. |
| King Crab, Frozen | ||
| Claws | 4 | 2-1/2 lb. |
| Legs | 4 – 6 | 4-1/2 lb. |
| Lobster Tail, Frozen | 6 | 10 lb. |
| Lobster, Live, 10 – 12″ | 5 | 4 Per Pan |
| Salmon Fillets, Frozen, 8 ounces each | 5 | 7-1/2 lb. |
| Scallops, Fresh | 4 | 3 lb. |
| Scrod Fillets. Fresh | 3 – 5 | 4 lb. |
| Eggs | ||
| Hard Cooked | 15 | 4 Doz. |
| Soft Cooked | 9 – 10 | 4 Doz. |
| Soft Yolk for Caesar Salad | 6 – 8 | 4 Doz. |
| Chicken – Breasts. Legs, Thighs | 20 | 15 lb. |
| Turkey, Frozen | ||
| Breasts (2) | 90 | 6 – 7 lb. Each |
| Cut Lengthwise | 55 | 20 – 25 lb. |
| Corned Beef | 40 – 75 | 6 – 8 lb. |
| Hot Dogs or Wieners | 3 | 80 – 100 Count |
| Asparagus Spears | ||
| Frozen | 10 – 12 | 3 Doz. |
| Fresh | 5 | 5 lb. |
| Beans | ||
| Green, T Cut. Frozen/Fresh | 6 | 5 lb. |
| Lima. Frozen | 8 | 5 lb. |
| Baby Lima. Frozen | 5 | 5 lb. |
| Broccoli | ||
| Spears. Frozen | 8 | 4 lb. |
| Spears, Fresh | 6 | 5 lb. |
| Florets. Frozen | 6 | 5 lb. |
| Brussel Sprouts. Frozen | 6 | 5 lb. |
| Cabbage, Fresh, 1/6 Cut | 8 | 5 lb. |
| Carrots | ||
| Baby Whole, Frozen | 8 | 7 lb. |
| Crinkle Cut, Frozen | 7 – 8 | 4 lb. |
| Sliced Fresh | 11 | 9 lb. |
| Cauliflower, Flowerettes | ||
| Frozen | 6 | 4 lb. |
| Fresh | 7 – 8 | 5 lb. |
| Celery, 1″ Diagonal Cut | 7 | 5 lb. |
| Corn | 5 lb. | |
| Yellow Whole Kernel, Frozen | 5 | 27 Ears |
| Cobbettes. Frozen | 8 – 16 18 | 80 Ears |
| Corn-On-Cob, Fresh | 10 – 12 – 16 18 | 18 Ears 54 Ears |
| Peas, Green | 6 | 5 lb. |
| Potatoes. Whole Russet | 55 | 10 lb. |
| Spinach | ||
| Chopped. Frozen | 17 | 6 lb. |
| Defrosted | 5 | 6 lb. |
| Fresh Cut | 3 | 2 lb. |
| Squash, Acorn Halves | 25 | 10 Halves |
| Zucchini. Slices | 8 | 10 lb. |
| Frozen Mixed Vegetables | 6 – 7 | 5 lb. |
| Fruit, Blanch for Peeling, Grapefruit | 3 | |
| Oranges | ||
| Pineapple. Whole for Cutting | 4 |
Cooking Hints
Where possible, spread food out evenly in pans. Do not allow food to protrude above pans, since this will interfere with steam circulation between pans in the compartment.
Always preheat compartments for satisfactory results. When time does not allow for defrosting of frozen vegetables, such as loose-pack peas, corn, diced carrots, etc., they may be cooked at once provided just half of the suggested portions in the cooking chart are used.
Notes
SCX-2-24, SCX-2-36,
SCX-10-24 & SCX-10-36
Electric
Cabinet Base Convection Steamer![]()
A product with the Crown name incorporates the best in durability and low maintenance. We all recognize, however, that replacement parts and occasional professional service may be necessary to extend the useful life of this appliance. When service is needed, contact a Crown Authorized Service Agency, or your dealer. To avoid confusion, always refer to the model number, serial number, and type of your appliance.

CROWN FOOD SERVICE EQUIPMENT
A Middleby Company
70 Oakdale Road, Downsview (Toronto) Ontario, Canada, M3N 1V9
Telephone: 919-762-1000 www.crownsteamgroup.com
![]()
CROWN FOOD SERVICE EQUIPMENT
A Middleby Company
70 Oakdale Road, Downsview (Toronto) Ontario, Canada, M3N 1V9
Telephone: 919-762-1000 www.crownsteamgroup.com
MANUAL 10112 REV 4 (05/22) $21.00
ELECTRIC CABINET BASE
CONVECTION STEAMER
MANUAL SECTION CO



















