SC-2 Steam Coil Cabinet Base Compartment Cookers
User Manual
Model SC-2
Installation & Operation Manual
Steam Coil Cabinet Base
Compartment Cookers
SC-2, SC-3, SCDA-2 & SCDA-3![]()
IMPORTANT FOR FUTURE REFERENCE
Please complete this information and retain this manual for the life of the equipment:
Model #: ___________________________
Serial #: ___________________________
Date Purchased: _____________________
WARNING
Improper installation, adjustment, alteration, service or maintenance can cause property damage, injury or death. Read the installation, operating and maintenance instructions thoroughly before installing or servicing this equipment.
SAFETY PRECAUTIONS
Before installing and operating this equipment, be sure everyone involved in its operation is fully trained and aware of precautions. Accidents and problems can be caused by failure to follow fundamental rules and precautions.
The following symbols, found throughout this manual, alert you to potentially dangerous conditions to the operator, service personnel, or to the equipment.
DANGER
This symbol warns of immediate hazards that will result in severe injury or death.
WARNING
This symbol refers to a potential hazard or unsafe practice that could result in injury or death.
CAUTION
This symbol refers to a potential hazard or unsafe practice that could result in injury, product damage, or property damage.
NOTICE
This symbol refers to information that needs special attention or must be fully understood, even though not dangerous.
IMPORTANT NOTES FOR INSTALLATION AND OPERATION
WARNING
This is the safety alert symbol. It is used to alert you to potential personal injury hazards. Obey all safety messages that follow this symbol to avoid possible injury or death.
WARNING
Do not attempt to operate this unit in the event of power failure. Adequate clearances must be maintained for safe and proper operation.
WARNING
Disconnect the power supply to the appliance before cleaning or servicing.
IMPORTANT
Improper installation, operation, adjustment, alteration, service or maintenance can cause property damage, injury or death. Read the installation, operating and maintenance instructions thoroughly before installing, operating or servicing this equipment.
NOTICE
Contact the factory, the factory representative or local service company to perform maintenance and repairs.
NOTICE
This product is intended for commercial use only. NOT FOR HOUSEHOLD USE.
NOTICE
This manual should be retained for future reference.
It is recommended that this manual be read thoroughly and that all instructions be followed carefully.
Copyright © 2022 by Crown. All rights reserved. Published in the United States of America.
INSTALLATION & OPERATION MANUAL 10045 REV 2 (07/22)
Steam Coil Cabinet Base Compartment Cookers
RETAIN THIS MANUAL FOR FUTURE REFERENCE.
SERVICE CONNECTIONS
SERVICE CONNECTIONS
– ELECTRICAL CONNECTION: 1/2” (13 mm) conduit connection to controls. 2 Amps per compartment, 120-60-1 or 220-50-1.
– BOILER FEED WATER: 1/2” (13 mm) O.D. tubing at 25-50 psi (170-345 kPa).
– CONDENSATE: COLD WATER: 1/2” (13 mm) O.D. tubing at 25-50 psi (170-345 kPa).
– DRAIN: 2” (51 mm) IPS piped to open floor drain. No solid connection.
– STEAM TAKE-OFF CONNECTION: 3/4” (19 mm) IPS optional to operate adjacent equipment.
COMPARTMANT PAN CAPACITY
| PAN CAPACITY PER COMPARTMENT, 12″ x 20″ | ||||
| MODEL | PAN DEPTH | |||
| 1″ | 2-1/2″ | 4″ | 6″ | |
| SC-2 | 14 | 6 | 4 | 2 |
| SC-3 | ||||
WATER QUALITY STATEMENT
Water is the essential ingredient in steam equipment, water quality is the major factor affecting the performance of your appliance. Crown Steam Group offers a Comprehensive Water Treatment System which exceeds our minimum water requirements. Proof of installation and proper cartridges replacement is required for warranty coverage. Water supply to Crown Steam Group steamers must be within these guidelines.
Total dissolved solids…………………..Less than 60 PPM
Total alkalinity …………………………………. Less than 20 PPM
Silica ………………………………………………. Less than 13 PPM
Chlorine ……………………….Less than 1.5 PPM
pH Factor …………………….6.8 – 7.3
Water which does not meet these standards should be treated with the installation of Middleby’s Water Treatment System. Call 919-762-1000 if you have questions concerning your water meeting these parameters.
*Failure or malfunction of this appliance due to poor water quality is not covered under warranty.
Reference www.crownsteamgroup.com for complete warranty details and instructions.
DISCLAIMER
Terry System Cartridge Changes / Installation – “2-3 gallons of water MUST be purged at each cartridge change or new installation prior to water supply being fed to the steamer. Failure to do so can result in component damage within the steamer which is not covered under warranty. For additional guidance on proper installation, refer to install documentation provided with each Terry System and Replacement Cartridge Set.”
SERVICE CONNECTIONS
– ELECTRICAL CONNECTION: 1/2” conduit connection to controls. 2 AMPS per compartment, 120-60-1 or 220-50-1.
– COLD WATER: 3/8” O.D. tubing at 25-50 PSI (170-345 kPa).
– DRAIN: 2” IPS piped to open floor drain. No solid connection.
– STEAM SUPPLY: 3/4” female pipe connection for steam supply 25-45 PSI (170-310 kPa)*
* Pressure reducing valve is required if incoming pressure exceeds 50 PSI (345 kPa)
COMPARTMANT PAN CAPACITY
| Model | Compartments | Capacity |
| SCDA-2 | 2 | 8-16 Pans |
| SCDA-3 | 3 | 12-24 Pans |
WATER QUALITY STATEMENT
Water is the essential ingredient in steam equipment, water quality is the major factor affecting the performance of your appliance. Crown Steam Group offers a Comprehensive Water Treatment System which exceeds our minimum water requirements. Proof of installation and proper cartridges replacement is required for warranty coverage. Water supply to Crown Steam Group steamers must be within these guidelines.
Total dissolved solids…………………..Less than 60 PPM
Total alkalinity …………………………………. Less than 20 PPM
Silica ………………………………………………. Less than 13 PPM
Chlorine ……………………….Less than 1.5 PPM
pH Factor …………………….6.8 – 7.3
Water which does not meet these standards should be treated with the installation of Middleby’s Water Treatment System. Call 919-762-1000 if you have questions concerning your water meeting these parameters.
*Failure or malfunction of this appliance due to poor water quality is not covered under warranty.
Reference www.crownsteamgroup.com for complete warranty details and instructions.
DISCLAIMER
Terry System Cartridge Changes / Installation – “2-3 gallons of water MUST be purged at each cartridge change or new installation prior to water supply being fed to the steamer. Failure to do so can result in component damage within the steamer which is not covered under warranty. For additional guidance on proper installation, refer to install documentation provided with each Terry System and Replacement Cartridge Set.”
INSTALLATION
General
Models SC-2 and SC-3 cookers have two or three pressurized steaming compartments for cooking vegetables, fish, eggs and other foods. The steam boiler in the cabinet base is ASME code designed and approved as a steam heating boiler restricted to operate at pressure not to exceed 15 psi.
Models SCDA-2 and SCDA-3 cookers also have two or three compartments; the upper compartment can be switched to provide either pressurized or pressureless steam while the lower compartment(s) provide pressurized cooking only. Accessory 12 × 20” stainless steel pans are available, solid or perforated, in 2.5”, 4” and 6” depth.
ACCOMMODATION
| MODEL | COMPARTMENTS | TOTAL NUMBER OF PANS | NUMBER OF PANS PER COMPARTMENT | ||||
| 2.5″ DEPTH | 4″ DEPTH | 6″ DEPTH | 2.5″ DEPTH | 4″ DEPTH | 6″ DEPTH | ||
| SC-2, SCDA-2 | 2 | 16 | 8 | 4 | 8 | 4 | 2 |
| SC-3, SCDA-3 | 3 | 24 | 12 | 6 | |||
Each compartment has a 0 to 60 minute timer and a buzzer that requires manual shut-off. Doors cannot be opened during cooking. Each door is equipped with an interlock feature that stops delivery of steam to the compartment before the door can be opened.
An optional Steam Take-Off Connection (3/4” NPT) provides steam for adjacent equipment.
Unpacking
IMMEDIATELY INSPECT FOR SHIPPING DAMAGE
Immediately after unpacking, check for possible shipping damage. If the appliance is found to be damaged, save the packaging material and contact the carrier within 15 days of delivery.
We cannot assume responsibility for damage or loss incurred in transit.
Before installing, verify the electrical rating agrees with the specification on the rating plate.
Location
Position the boiler in its installation location. Check that there are sufficient clearances to service the controls, door swing, etc. Also adequate clearance must be left for making the required supply and drain connections.
Allow enough space between any other piece of equipment or wall for service access.
Service to the controls may be required on the left and/or right side panels of the cabinet.
Installation Codes and Standards
The appliance must be installed in accordance with:
In Canada:
Provincial and local codes, or in the absence of local codes, with the Canadian Electric Code, CSA C22.1 (latest edition). Copies may be obtained from the Canadian Standards Association, 178 Rexdale Blvd., Etobicoke, Ontario, Canada, M9W 1R3.
In the USA:
State and local codes, or in the absence of local codes, with the National Electrical Code, ANSI/NFPA-70 (latest edition). Copies may be obtained from The National Fire Protection Association, Batterymarch Park, Quincy, MA, 02269.
Leveling and Anchoring the Cabinet
- Place appliance in the installation position.
- Using a spirit level or pan of water, level the appliance. Then elevate the right side about 1/8” to assure proper compartment drainage.
- Mark hole locations on the floor through the anchoring holes provided in the rear flanged adjustable feet.
- Remove appliance from installation position and drill holes in locations marked on the floor. See Installation Diagram on page 4.) Insert proper anchoring devices (not supplied).
- Place appliance back in the installation position.
- Recheck level.
- Bolt and anchor appliance securely to the floor.
- Seal bolts and flanged feet with silastic or equivalent compound.
Electrical Connections
WARNING
Electrical and grounding connections must comply with the applicable portions of the National Electrical Code and/or other local electrical codes.
WARNING
Disconnect electrical power supply and place a tag at the disconnect switch to indicate you are working on the circuit.
When making electrical connections, use copper wire suitable for at least 200 °F (90 °C). The steamer must be grounded in accordance with the National Electrical Code or applicable local codes. The wiring diagram is located on the inside of the right panel.
Exhaust Hood
An exhaust system should be located directly above the steamer to exhaust steam and heat generated by the steamer.
Plumbing Connections
WARNING
Plumbing connections must comply with applicable sanitary, safety, and plumbing codes.
Water Supply Connection
The incoming cold water supply connection, at the rear of the boiler cabinet, requires 3/8” tubing and water pressure of 25 to 50 psi. A manual shut-off valve must be provided convenient to the boiler; this valve should be open when the boiler is in operation.
Drain Connection
The boiler drain (2” IPS) should be piped to a floor drain near the boiler. There should be no solid drain connection; an “open gap” between the boiler and the floor drain is required.
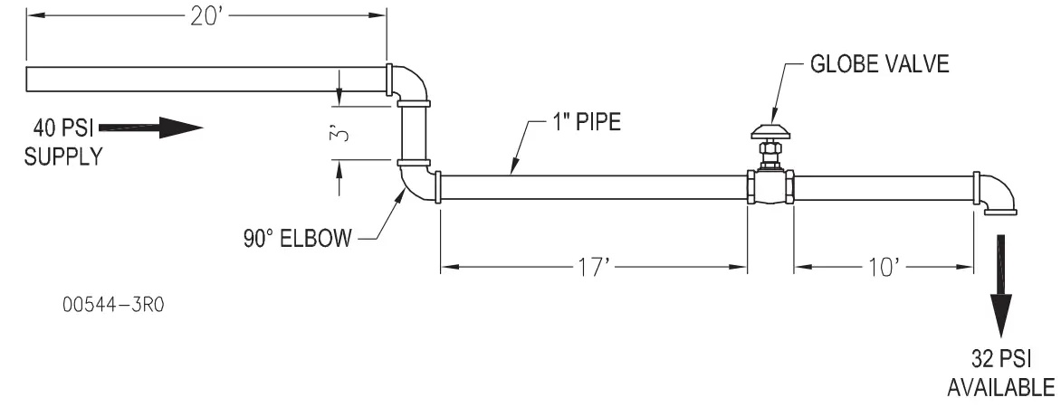
Information to Steam Fitter
Each cooking compartment requires approximately 1 BHP (34.5 lbs. of steam per hour to operate satisfactorily. Therefore a two compartment requires 2 BHP and a three compartment requires 3 BHP.
Assuming availability of a 30 psi supply steam pressure immediately to the appliance, then pipe sizes of 1/2”, 3/4” or 1” will deliver respectively 90, 165 or 385 lbs. of steam per hour to the appliance Heat Exchanger. From the foregoing, a 1/2” pipe line is not recommended.
An important consideration is the pressure drop that will occur through the steam supply line from its point of origin to the appliance. The greater the length of piping and number of valves and elbows, the greater will be the pressure losses.
Consider a pressure drop of 1 (one) psi for each straight length of pipe equivalent to 120 diameters of that pipe.Thus, a 1” pipe having a straight length of 120” (10 feet) is equivalent to 120 diameters of that pipe and will have a pressure loss of 1 psi through that pipe.
NOTE: In 3/4” pipe size, that a Standard 90º Elbow and Angle Valve and a Globe Valve are equivalent to 1.8 feet, 10 feet and 18 feet respectively of straight pipe.
Similarly, in a 1” pipe size, a standard 90º Elbow and Angle Valve and a Globe Valve are equivalent to 2.2 feet, 12 feet and 23 feet respectively of straight pipe.
Example:
Total of above = 20 + 2.2 + 3 + 2.2 + 17 + 23 + 10 + 2.2 = 79.6 feet. Since each 10 feet is equivalent to 1 psi pressure loss, 79.6 feet is equivalent to approximately 32 psi from an original boiler supply of 40 psi.
It is suggested that, wherever possible, the steam supply line to the appliance is a separate line from the steam source. If the appliance must be supplied from a line supplying
other appliances, the pipe sizes and pressure will have to be verified. Further, during idle periods, when the steam in the supply line is not in use, water will form from condensed steam in the supply line. It is advisable to prevent water pockets from forming in the steam line and impeding the steam flow when it is required. Therefore, the steam supply line should be installed level or run slightly downwards towards the appliance. Install a Ball Float Trap near the appliance to drain out water (condensed steam) from the line to assure clean dry steam to the appliance.
OPERATION
CAUTION
Operating, testing, and servicing should only be performed by qualified personnel.
CAUTION
The appliance and its parts are hot. Use care when operating, cleaning and servicing the appliance.
Initial Operations Check
The pressure gauge on the face of the Cooker Control Panel should indicate pressure of 5 to 6 psi. Open cooker compartment door and set timer dial to 5 minutes and pull out operating handle and observe that steam is entering the compartment.
CAUTION
Stand clear of compartment opening as live steam is being released.
Set timer at 5 minutes. Pull out operating handle and set in position. Steam should be heard entering the compartment;
also you should hear a hissing sound as compartment air exits the vent at the rear side, until replaced by steam.
Observe that door gasket seals properly and that no leaks are evident.
After five minutes: Timer should read “0”, steam will stop entering compartment, the exhaust valve will open allowing steam and condensate water to exit, and the buzzer will sound.
To silence the buzzer, push in the operating handle.
Observe flow at the open drain. Steam from the compartment is cooled by a flow of cold water from the thermostatically controlled valve. Pause one minute to allow steam and condensate to exit. Turn handwheel counterclockwise to avoid pressure on the door gasket when not in use.
Move the door latch to the left to release and open the door. Check each compartment in this manner.
The heater elements cycle on and off maintaining steam pressure in the boiler from 9 to 11 psi.
Turn main power switch OFF. Open the manual blowdown valve. This will release hot water and steam from the boiler tank which mixes with cold water released by the thermostatically controlled solenoid valve and travels to the drain.
If equipped with automatic blowdown valve, hot water and steam will be released once the main power switch has been turned off.
CAUTION
The steamer and its parts are hot. Use care when operating, cleaning, or servicing the steamer.
CAUTION
Live steam and accumulated hot water in the compartment may be released when the door is opened.
Compartment Controls

| Timer (0 to 60 minutes) | Sets the steam time for the compartment. |
| Indicator Light | – Timed cycle is in progress when lit. |
| Selector Switch | – PRESSURIZED means top compartment operates at 6 psi. PRESSURELESS means top compartment steams without pressure, the exhaust valve is open to the drain. |
| Operating Handle | – PULL OUT to send steam to compartment, lock door, and enable operation. PUSH IN to silence buzzer at end of cycle. |
| Door Latch | Holds door closed and prevents door from fully opening until operating handle is pushed in; move the door latch to the left to fully open door after steam and mcondensate drain (1 minute) and handwheel is turned fully counterclockwise. |
| Handwheel | – Turn clockwise to seal door at start of cycle. After pressure release at end of cycle, turn counterclockwise to open. |
| Buzzer (not shown) | – Sounds an audible signal when timer cycle is complete. To silence buzzer, push in operating handle. |
| Pressure Gauge | – Indicates steam pressure: 6 psi with compartments inactive, 4.5 – 6 psi during a cooking cycle. |
Steaming
Each steaming compartment is controlled by its own controls. When a compartment is not operating, the drain is open and the steam inlet valve from the boiler is closed. Food, properly portioned and in appropriate solid or perforated pans, is placed on rack supports (or wire shelves) in the steaming compartment. After closing and sealing the door, setting the timer, and pulling out the operating handle, the steam inlet valve from the boiler opens, allowing steam at a pressure of 6 psi to enter the compartment. Air from the sealed compartment exits through the vent until the temperature reaches 180 °F; then the vent closes and the compartment can become pressurized. [On SCDA models only, if the top compartment has been switched to pressureless steaming, steam enters the compartment and is exhausted to the drain without pressurizing the compartment.] Steaming continues until the timer reaches “0” and the buzzer sounds. To silence the buzzer, push in the operating handle. Wait one minute for steam or hot water to drain away. Open the door and remove the cooked food. The cabinet (lower portion of steamer) contains the steam generator or boiler.
PREHEAT COMPARTMENTS
If the cooker has been standing idle and the compartments are cold, preheat before loading.
General
Turn on water and steam supply to appliance. Open left door of cabinet and turn on Power Switch. Pilot light will come ON and steam generating will begin. In approximately 20 minutes, sufficient amount of pressurized steam will have been generated in the heat exchanger. The appliance is now ready for steam generation.
Shut Down
Turn off power switch, open manual drain valve. If unit is equipped with automatic lowdown valve, it will open and drain exchanger. Steam valve will close cutting off supply to exchanger.
Cooking Guidelines
The cooking guidelines in this manual are suggestions only. You should experiment with your food products to determine cooking times that will give you the best results. Variables which affect cooking time include size, weight, thickness of foods, temperature, density, previous condition of the foods (fresh, pre-blanched or frozen) and degree of doneness desired. To allow steam to circulate around the pans, food must be spread evenly throughout the pans. Best results are obtained after the compartments are allowed to preheat. When all compartments are to be loaded at the same time, it is best to allow the first compartment to reach 4 – 4.5 psig before starting the next compartment. When processing frozen vegetables, use half the suggested pan weights and allow sufficient time for cooking doneness.
| PRODUCT | PAN DEPTH | PERFORATED OR SOLID | WEIGHT/QUANTITY PER PAN | STEAM TIME MINUTES | PANS PER COMPARTMENT |
| VEGETABLES (Fresh) | |||||
| Beans, lima | .5″ | Perforated | 5 lbs. | 10 – 12 13 – 15 | 1 – 3 4 – 6 |
| Beans, string or wax | 2.5″ | Perforated | 6 lbs. | 15 – 20 20 – 25 | 1 – 3 4 – 6 |
| Broccoli, florets | 2.5″ | Perforated | 6 lbs. | 8 – 10 10 – 12 | 1 – 3 4 – 6 |
| Broccoli, stalks | 2.5″ | Perforated | 6 lbs. | 10 – 15 15 – 20 | 1 – 3 4 – 6 |
| Carrots, sliced | 2.5″ | Perforated | 9 lbs. | 18 – 21 21 – 25 | 1 – 3 4 – 6 |
| Corn | 2.5″ | Perforated | 5 lbs. | 9 – 10 11 – 13 | 1 – 3 4 – 6 |
| Peas | 2.5″ | Perforated | 5 lbs. | 6 – 7 8 – 9 | 1 – 3 4 – 6 |
| Potatoes, chunked | 2.5″ | Perforated | 10 lbs. | 20 – 25 25 – 30 | 1 – 3 4 – 6 |
| Spinach, cut, cleaned | 4″ | Perforated | 3 lbs. | 3 – 5 4 – 6 | 1 – 2 3 -4 |
| Vegetables, canned | 2.5″ | Solid | 7 lbs. | 4 – 5 5 – 8 | 1 – 3 4 – 6 |
| OTHER FOODS | |||||
| Chicken | 2.5″ | Perforated | 8 lbs. | 18 – 25 25 – 30 | 1 – 3 4 – 6 |
| Eggs, out-of-shell | 2.5″ | Solid | 4 doz. | 6 – 7 7 – 8 | 1 – 3 4 – 6 |
| Eggs, in-shell | 2.5″ | Perforated | 3 doz. | 2 – 3 4 – 6 | 1 – 3 4 – 6 |
| Fish, fillets | 2.5″ | Perforated | 3 lbs. | 8 – 12 10 – 15 | 1 – 3 4 – 6 |
| Meatloaf | 2.5″ | Solid (for broth) | 15 lbs. | 35 – 40 40 – 45 | 1 – 3 4 – 6 |
| Spaghetti, add 7 quarts of water | 4″ | Solid | 3 lbs. | 20 – 22 23 – 26 | 1 – 2 3 -4 |
| Turkey | 2.5″ | Perforated | 10 – 12 lbs. | 50 – 60 60 – 75 | 1 – 3 4 – 6 |
Cleaning
WARNING
Disconnect the power supply to the appliance before cleaning or servicing.
WARNING
Never spray water into electric controls.
CAUTION
The appliance and its parts are hot. Use care when operating, cleaning or servicing the appliance.
CAUTION
Do not use cleaning agents that are corrosive.
Keep exposed cleanable areas of unit clean at all times. Use a mild soap and warm clean water. Rinse thoroughly with clean water and wipe dry with a clean soft cloth.
Remove pans, shelves, slide racks and compartment strainers and clean using mild warm clean soapy water.
Remove food sediment from compartment and thoroughly wash oven cavities, door liners and door gaskets at the end of each day or as required.
Never use steel wool on stainless steel.
Do not apply food oils or petroleum lubricants to the door gaskets.
Replace racks, shelves and compartment strainers.
Turn handwheel fully counterclockwise to retract the gasket plate and avoid pressure on the door gasket when the steamer is not in use.
Maintenance
- Water level control should be opened daily to blowdown sediment and scalant.
- Observe that the water in gauge glass is clean and clear. Extreme murkiness in water indicates inadequate water quality.
- Safety valve should be tripped during operation once a week to assure that it functions properly.
- Keep all exposed cleanable areas of unit clean at all times.
- De-scaling is based on water quality and usage.
CAUTION
An obstructed drain can cause personal injury or property damage.
Do not allow any sediment to be exhausted through exhaust valves (compartment drains). Remove all sediment and clean. Greasy foods may leave deposits that will accumulate in the exhaust drain and drain lines. To remove close doors and seal, set timers and at frequent intervals release operating arm and blowdown unit, releasing steam through valves and drain lines to dissolve grease.
The thrust screw in each compartment door should be lubricated each month to prevent handwheel from becoming difficult to turn. To lubricate, turn handwheel clockwise until gasket plate is fully extended. Grasp finger hooks on door plate and lift up and out. Apply grease NLG12 consistency of 285W60 viscosity liberally on thrust screw, rotate handwheel to ensure complete coverage. Replace gasket plate.
NOTICE
As a safety precaution, disconnect the power supply before cleaning or servicing.
Be sure to flush your boiler water level control daily. Failure to follow this procedure can cause the control to malfunction resulting in serious boiler damage.
IMPORTANT INSTRUCTIONS
Be sure to flush your boiler water level control daily. Failure to follow this procedure can cause the control to malfunction resulting in serious boiler damage.
The Boiler Water Level Control installed on your boiler requires periodic maintenance. As boiler water circulates into the float chamber, sand, scale and other sediment may be deposited in the float chamber. While the chamber has been designed with a large accumulation bowl, it is necessary to flush the sediment from the chamber by blowing down the control so that the accumulation of sediment does not interfere with the movement of the float in the control.
Control must be flushed at least once a day.
Steam Coil Cabinet Base Compartment Cookers
When flushing control, note water level in gauge glass, allow the boiler to fill if necessary, and also to come up to temperature.
Before flushing control, note that water level in gauge glass is within operating range and the boiler pressure is at least 6 psi. While the boiler is being operated, open blowdown valve at bottom of control by rotating the handle counterclockwise about 1/4 turn to fully open the valve.
Opening the blowdown valve also checks the cut-off operation. Float should drop shutting steam off, hot water and steam will flow out the drain flushing away sediment.
CAUTION
If steam supply does not shut off during blowdown, immediately discontinue use of appliance and call for service. Continue draining water for about fifteen (15) seconds, from control until water is clean. Manually close valve. Recheck gauge glass. If water level has dropped significantly, wait for the boiler to restore water level and pressure and repeat if necessary.
CAUTION
Do not use cleaning agents that are corrosive.
Descaling Boiler
CAUTION
Improper use of this procedure may damage your appliance!
- With Generator tank empty, close manual blowdown valve.
If appliance is equipped with Automatic Blowdown, turn water supply OFF to appliance. Turn power switch ON, this will energize and close blowdown valve. - For appliance on 24” Cabinet, remove union fitting at connection to base of water level control and generator tank.
For appliance on 36”, 48” etc. cabinet, remove 3/4” pipe cap from fitting located at top front of generator tank. - Insert appropriate hose or tube through opening in generator tank and pour in (1/2) half U.S. gallon of CLR Descaling Solution.
- Replace 3/4” pipe cap OR union fitting.
- Open water supply to appliance allowing water to fill Generator tank to required level. On appliances with Manual Blowdown, turn ON power switch, boiler will fill to the required level.
- Let appliance cycle, allow two hours for descaling and cleaning. DO NOT TURN STEAM ON.
- Open both the blowdown and water level control valves for complete drainage and then close both valves.
On appliances equipped with automatic blowdown, turn OFF power switch and open water level control valve, this will allow complete drainage. Once drained, close water level control valve. - Turn appliance switch ON. When generator tank is completely filled, turn power switch OFF, this will rinse and drain Generator Tank. Appliances with manual blowdown valve must be opened to drain.
- Complete Step 8 twice to assure boiler is completely rinsed.
- Appliance is now ready for use.
Troubleshooting
Cooker
Door Hasp Will Not Engage
- Door loose and requires new bushings.
- Hasp requires adjustment by adding or removing of washers under hasp.
Handwheel Hard to Turn
- Foreign matter on thrust screw or lack of lubricant.
- Thrust screw bent or worn.
Door Gasket Leaks
- Gasket screw loose.
- Gasket damaged or at end of useful life.
- Door loose and not aligned correctly.
- Gasket plate installed incorrectly.
- Handwheel binding so that not enough pressure to seal door.
Water Accumulates in Compartments
- Appliance not levelled properly.
- Compartment screen plugged.
- Exhaust valve plugged or defective.
- Exhaust drain line plugged.
Compartment Pressurized at End of Cooking Cycle
- Exhaust valve plugged or defective.
Steam Escapes from Compartment During Cooking Cycle
- Compartment vent plugged.
- Exhaust valve plugged or defective.
Cooking Cycle Cannot Be Activated
- Loose wire terminations.
- Steam valve plugged or defective.
- Timer defective.
- Micro switch on operation arm defective or requires adjustment.
NOTICE
At least twice a year have an authorized service person clean and adjust the unit for maximum performance.
Water Enters Compartment Through Steam Valve
- Water level control defective or requires cleaning.
Boiler
Water Not Being Supplied to Heat Exchanger
- Water supply is “OFF”.
- Defective water fill solenoid.
- Water level control clogged or defective, unable to operate fill valve.
- Check drain valve is closed.
- Supply water pressure too low.
Automatic Blowdown Valve Does Not Drain
- Defective blowdown valve.
- Heat exchanger build up of scalant clogging drain lines and valve.
Heat Exchanger Achieves Pressure Slower Than Normal
- Heavy build up of lime on copper steam coils.
- Insufficient steam supply to heat exchanger.
- Defective steam supply solenoid valve.
Safety Valve Blows
- Defective safety valve.
- Pressure too high, pressure switch requires adjustment (lower) or may be defective.
SC-2, SC-3, SCDA-2 & SCDA-3 Steam Coil Cabinet Base Compartment Cookers
A product with the Crown name incorporates the best in durability and low maintenance. We all recognize, however, that replacement parts and occasional professional service may be necessary to extend the useful life of this appliance. When service is needed, contact a Crown Authorized Service Agency, or your dealer. To avoid confusion, always refer to the model number, serial number, and type of your appliance.

CROWN FOOD SERVICE EQUIPMENT
A Middleby Company
70 Oakdale Road, Downsview (Toronto) Ontario, Canada, M3N 1V9
Telephone: 919-762-1000 www.crownsteamgroup.com


















