Installation & Operation Manual
Electric Cabinet Base
Convection Steamers
ECX-16 & ECX-24
Model ECX-16
WARNING
Improper installation, adjustment, alteration, service or maintenance can cause property damage, injury or death. Read the installation, operating and maintenance instructions thoroughly before installing or servicing this equipment.
SAFETY PRECAUTIONS
Before installing and operating this equipment, be sure everyone involved in its operation is fully trained and aware of precautions. Accidents and problems can be caused by failure to follow fundamental rules and precautions.
The following symbols, found throughout this manual, alert you to potentially dangerous conditions to the operator, service personnel, or to the equipment.
DANGER This symbol warns of immediate hazards that will result in severe injury or death.
WARNING This symbol refers to a potential hazard or unsafe practice that could result in injury or death.
CAUTION This symbol refers to a potential hazard or unsafe practice that could result in injury, product damage, or property damage.
NOTICE This symbol refers to information that needs special attention or must be fully understood, even though not dangerous.
IMPORTANT NOTES FOR INSTALLATION AND OPERATION
WARNING
This is the safety alert symbol. It is used to alert you to potential personal injury hazards. Obey all safety messages that follow this symbol to avoid possible injury or death.
WARNING
Improper installation, operation, adjustment, alteration, service or maintenance can cause property damage, injury or death. Read the installation, operating and maintenance instructions thoroughly before installing, operating or servicing this equipment.
CAUTION
Operating, testing, and servicing should only be performed by qualified personnel.
NOTICE
Contact the factory, the factory representative or local service company to perform maintenance and repairs.
NOTICE
Do Not attempt to operate this unit in the event of power failure.
NOTICE
This product is intended for commercial use only. NOT FOR HOUSEHOLD USE.
NOTICE
This manual should be retained for future reference.
It is recommended that this manual be read thoroughly and that all instructions be followed carefully.
SERVICE CONNECTIONS

SERVICE CONNECTIONS
– ELECTRICAL CONNECTION: Field wiring electrical connection to be as specified on data plate.
– GENERATOR: COLD WATER: 3/8” (10 mm) O.D. tubing at 25-50 psi (170-345 kPa).
– CONDENSATE: COLD WATER: 3/8” (10 mm) O.D. tubing at 25-50 psi (170-345 kPa).
– DRAIN: 2” (51 mm) IPS piped to open floor drain. No solid connection.
– STEAM TAKE-OFF CONNECTION: 3/4” (19 mm) IPS optional to operate adjacent equipment.
ELECTRICAL CHARACTERISTICS
| Model | Phase | kW | 208V | 220V | 240V | 380V | 415V | 480V |
| Amps | Amps | Amps | Amps | Amps | Amps | |||
| ECX-16 | 3 | 42 (Standard) | 116.6 | 110.2 | 101 | 63.8 | 58.4 | 50.5 |
| 3 | 48 (Optional) | – | – | 115.8 | 72.9 | 66.8 | 57.8 |
COMPARTMANT PAN CAPACITY, WEIGHT AND CLEARANCE
| Model | Pan Depth | ||||
| 1” | 2-1/2” | 4” | 4” & 1” | 4” & 2-1/2” | |
| ECX-16 | 16 | 8 | 4 | 2 x 4” 2 x 1” | 2 x 4” 1 x 2-1/2” |
| Model | Shipping Weight (36” Cabinet) | Minimum Clearance | |
| ECX-16 | 900 lbs. [408 kg] | SIDES BACK | 0 0 |
WATER QUALITY STATEMENT
Water is the essential ingredient in steam equipment, water quality is the major factor affecting the performance of your appliance. Crown Steam Group offers a Comprehensive Water Treatment System which exceeds our minimum water requirements. Proof of installation and proper cartridges replacement is required for warranty coverage. Water supply to Crown Steam Group steamers must be within these guidelines.
Total dissolved solids…………………..Less than 60 PPM
Total alkalinity …………………………………. Less than 20 PPM
Silica ………………………………………………. Less than 13 PPM
Chlorine ……………………….Less than 1.5 PPM
pH Factor …………………….6.8 – 7.3
Water which does not meet these standards should be treated with the installation of Middle’s Water Treatment System. Call 919-762-1000 if you have questions concerning your water meeting these parameters.
*Failure or malfunction of this appliance due to poor water quality is not covered under warranty.
Reference www.crownsteamgroup.com for complete warranty details and instructions.
DISCLAIMER
Terry System Cartridge Changes / Installation – “2-3 gallons of water MUST be purged at each cartridge change or new installation prior to water supply being fed to the steamer. Failure to do so can result in component damage within the steamer which is not covered under warranty.
For additional guidance on proper installation, refer to install documentation provided with each Terry System and Replacement Cartridge Set.”

SERVICE CONNECTIONS
– ELECTRICAL CONNECTION: Field wiring electrical connection to be as specified on data plate.
– GENERATOR: COLD WATER: 1/2” NPT, 25-50 psi (170-345 kPa).
– CONDENSATE: COLD WATER: 1/2” NPT, 25-50 psi (170-345 kPa).
– DRAIN: 2” (51 mm) IPS piped to open floor drain. No solid connection.
– STEAM TAKE-OFF CONNECTION: 3/4” (19 mm) IPS optional to operate adjacent equipment.
ELECTRICAL CHARACTERISTICS
| Model | Phase | kW | 208V | 220V | 240V | 380V | 415V | 480V |
| Amps | Amps | Amps | Amps | Amps | Amps | |||
| ECX-24 | 3 | 42 (Standard) | 116.6 | 110.2 | 101 | 63.8 | 58.4 | 50.5 |
| 3 | 48 (Optional) | – | – | 115.8 | 72.9 | 66.8 | 57.8 |
COMPARTMENT PAN CAPACITY, WEIGHT AND CLEARANCE
| Model | Pan Depth | ||||
| 1” | 2-1/2” | 4” | 4” & 1” | 4” & 2-1/2” | |
| ECX-24 | 24 | 12 | 8 | 4 x 4” 12 x 1” | 4 x 4” 2 x 2-1/2” |
| Model | Shipping Weight (36” Cabinet) | Minimum Clearance | |
| ECX-24 | 950 lbs. [408 kg] | SIDES BACK | 0 0 |
WATER QUALITY STATEMENT
Water is the essential ingredient in steam equipment, water quality is the major factor affecting the performance of your appliance. Crown Steam Group offers a Comprehensive Water Treatment System which exceeds our minimum water requirements. Proof of installation and proper cartridges replacement is required for warranty coverage. Water supply to Crown Steam Group steamers must be within these guidelines.
Total dissolved solids…………………..Less than 60 PPM
Total alkalinity …………………………………. Less than 20 PPM
Silica ………………………………………………. Less than 13 PPM
Chlorine ……………………….Less than 1.5 PPM
pH Factor …………………….6.8 – 7.3
Water which does not meet these standards should be treated with the installation of Middleby’s Water Treatment System. Call 919-762-1000 if you have questions concerning your water meeting these parameters.
*Failure or malfunction of this appliance due to poor water quality is not covered under warranty.
Reference www.crownsteamgroup.com for complete warranty details and instructions.
DISCLAIMER
Terry System Cartridge Changes / Installation – “2-3 gallons of water MUST be purged at each cartridge change or new installation prior to water supply being fed to the steamer. Failure to do so can result in component damage within the steamer which is not covered under warranty.
For additional guidance on proper installation, refer to install documentation provided with each Terry System and Replacement Cartridge Set.”
INTRODUCTION
Description
Models ECX-16 and ECX-24 are convection steamers mounted on cabinet base and an electric steam boiler. ECX-16 steamer has a pan capacity of 16 (2 1/2”) pans. ECX-24 steamer has a pan capacity of 24 (2 1/2”) pans.
Basic Function
The sequence of operation is as follows:
- Turn on the main power switch. A green pilot light will indicate main power is on and steam generating will begin. In approximately 20 minutes, sufficient amount of pressurized steam will have been generated in the heat exchanger and the READY pilot light will come on. OFF shuts off the power supply to the boiler and opens the automatic blowdown valve, if so equipped, emptying the boiler and releasing water and steam to the drain. The manual blowdown valve will have to be opened to drain if not equipped with automatic blowdown valve.
- Boiler pressure gauge should read 9 – 11 psi during operation, 0 psi during shutdown.
- The compartment cooker is ready for use when the READY light is on. Place pans of food to be cooked into compartment(s) and close door(s).
- Set timer(s) to cook time desired. Cooking will commence and cooking time may be interrupted at any time by opening door(s) and resumed again by closing door(s).
- The buzzer will sound indicating the end of the cooking cycle and that steam has stopped entering the compartment(s). The COOKING pilot will go off and the READY light will come on. Turn the timer(s) to the OFF position to stop the buzzer.
INSTALLATION INSTRUCTIONS
General
The electric boiler is designed to ASME Code and approved as a steam heating boiler restricted to operation at pressure not to exceed 15 psi. Boilers are electrically rated as shown on page 4. Boiler may have optional CSD-1 controls.
Unpacking
IMMEDIATELY INSPECT FOR SHIPPING DAMAGE
Immediately after unpacking, check for possible shipping damage. If the appliance is found to be damaged, save the packaging material and contact the carrier within 15 days of delivery.
We cannot assume responsibility for damage or loss incurred in transit.
Before installing, verify the electrical rating agrees with the specification on the rating plate.
Location
Position the appliance in its installation location. Check that there are sufficient clearances to service the controls, door swing, etc. Also adequate clearance must be left for making the required supply and drain connections.
Allow enough space between any other piece of equipment or wall for service access. Service to the controls may be required on the left and/or right side panels of the cabinet
Installation Codes and Standards
The appliance must be installed in accordance with:
In Canada:
Provincial and local codes, or in the absence of local codes, with the Canadian Electric Code, CSA C22.1 (latest edition).
Copies may be obtained from the Canadian Standards Association, 178 Rodale Blvd., Etobicoke, Ontario, Canada, M9W 1R3.
In the U.S.A.:
State and local codes, or in the absence of local codes, with the National Electrical Code, ANSI/NFPA-70 (latest edition).
Copies may be obtained from The National Fire Protection Association, Battery march Park, Quincy, MA, USA, 02269.
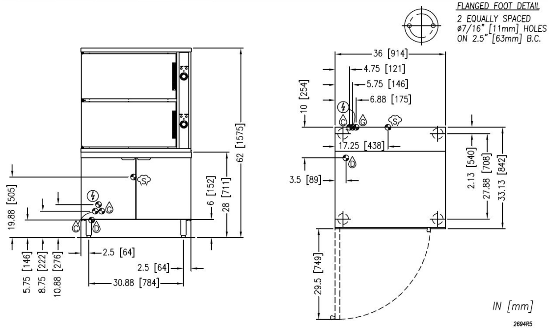
Levelling and Anchoring the Cabinet
- Place appliance in the installation position.
- Place a carpenter’s level on top of the appliance and turn the adjustable feet to level side-to-side and front-to-back.
- Mark hole locations on the floor through the anchoring holes provided in the flanged adjustable feet.
- Remove appliance from installation position and drill holes in locations marked on the floor. (See Installation Diagram on page 4.) Insert proper anchoring devices (not supplied).
- Place appliance back in the installation position.
- Place carpenter’s level on top appliance and re-level side-to-side and front-to-back.
- Bolt and anchor appliance securely to the floor.
- Seal bolts and flanged feet with solstice or equivalent compound.
ELECTRICAL CONNECTIONS
WARNING
Electrical and grounding connections must comply with the applicable portions of the National Electrical Code and/or other local electrical codes.
WARNING
Disconnect electrical power supply and place a tag at the disconnect switch to indicate you are working on the circuit.
When making electrical connections, use copper wire suitable for at least 200 °F (90 °C). The steamer must be grounded in accordance with the National Electrical Code or applicable local codes. The wiring diagram is located on the inside of the right panel.
Exhaust Hood
An exhaust system should be located directly above the boiler to exhaust steam and heat generated by the appliance.
Plumbing Connections (See Service Connections Section)
WARNING
Plumbing connections must comply with applicable sanitary, safety, and plumbing codes.
Water Supply Connection
The incoming cold water supply connection, at the rear of the boiler cabinet, requires 3/8” tubing and water pressure of 25 – 50 psig. A manual shut-off valve must be provided convenient to the appliance This valve should be open when the boiler is in operation.
WARNING
If your equipment was supplied with split water lines and a water treatment system, connect the system to the connection marked “FILTERED WATER IN” only (Use cold water). Make a second connection to the “CONDENSER WATER IN” from a cold and unfiltered water supply.
NOTICE
FAILURE OR MALFUNCTION OF THIS APPLIANCE DUE TO POOR WATER QUALITY IS NOT COVERED UNDER WARRANTY. SEE WATER QUALITY STATEMENT (PAGE 4, 5).
Drain Connection
The boiler drain (2” IPS) should be piped to a floor drain near the steamer (NOT directly under the steamer). There should be no solid drain connection; an “open gap” between the boiler and the floor drain is required.
OPERATION
For CSD-1 equipped boilers, see this section for Operation Instructions for CSD-1 Equipped Boilers.
Boiler Controls (Inside Cabinet)
| Main Power Switch | ON fills the boiler tank and turns the boiler heaters on. You should allow 20 minutes to fill the tank and generate steam. OFF shuts off the boiler heaters and opens the Automatic Blowdown Valve, emptying the boiler tank and releasing water and steam to the drain. This should be done daily to remove sediment, lime, or scale. |
| Pilot Light | Indicates main power is ON. |
| Boiler Pressure Gauge | Should read 9 -11 psi during operation; 0 psi during shutdown. |
| Water Level Sight Glass | Observe level of water and water quality in the boiler. Murkiness in the water indicates inadequate water quality; the owner must supply proper water to the boiler (see Water Quality Statement on page 4). |
| Water Level Control | While boiler is ON, briefly open the water level control daily to remove any sediment that might accumulate. (See Preventive Maintenance Section for detailed instructions.) |
| Safety Valve | This valve will release (pop off) if the boiler has too much pressure. Once a week, this valve should be tripped during operation to make sure it functions properly. |
Operation of the Boiler
Turn on water and power supply to appliance.
Open cabinet door and turn main power switch ON. Pilot light ignites and water begins to fill boiler – observe water gauge sight glass to verify that proper water level is reached.
Once the proper water level is reached, the heaters begin to heat the water. Heaters require about 15 minutes to begin steam generation. The boiler pressure gauge in the cabinet should indicate steam pressure in a range of 9 to 11 psig.
Shut Down
Turn the Main Power Switch OFF. Open manual drain valve. If unit is supplied with Automatic Blowdown Valve, it will open, draining the boiler and releasing hot water and steam to the drain.
Cooker Section
CAUTION
Live steam and accumulated hot water in the compartment may be released when the door is opened.
Start-up procedures for your steamer must be completed once daily prior to operation (see instruction plate or above for boiler start up procedures).
If appliance is equipped with optional – “Load Compensating Timer” a pre-heat thermostat is installed in each compartment. This allows the compartment to pre-heat to 185 °F before the cooking time starts. Set timer for one minute. Ready light will go out and cook light will come on; steam will enter compartment. Once compartment has reached the pre-heat temperature (185 °F) the timer will start. After the time selected has elapsed, buzzer will sound indicating the end of the cooking cycle. Steam generation will cease, Cook light will go out and Ready light will come on. To silence buzzer turn timer to its off position.
With ready pilot light on, preheat steamer compartment for one minute when the steamer is to be first used for the day or whenever the compartment is cold.
- Close compartment doors and set timer to “1 minute”.
- When buzzer sounds, set timer to the “OFF” position.
- Steamer is now ready for cooking.
- With cooking compartment preheated and ready pilot light on, place pans of food to be cooked into compartment and shut door.
- Set timer to cooking time desired. Cooking cycle may be interrupted at any time by opening door and resumed again by closing door.
- When buzzer sounds, it indicates the end of the cooking cycle and that no more steam is entering the compartment. Cooking pilot light will go off and ready pilot light will come on. Buzzer must be shut off by turning the timer to its off position.
CAUTION
An obstructed drain can cause personal injury or property damage.
Frequently check that the compartment drain and plumbing is free of all obstructions. Never place food containers, food or food portion bags in the cooking compartment in such a way that the compartment drain becomes obstructed.
IMPORTANT
Each compartment is equipped with a removable drain screen. Frequently check the drain screen for accumulation of food particles. Should food particles accumulate against, or clog the drain screen, remove it, clean it thoroughly and then replace it in its original position.
Shut Down
- To shut down cooking compartment, set timers to their OFF position and leave doors slightly open.
- At the end of the day, the steam supply must be shut off. Open the door of cabinet base and turn off power switch.
Open manual drain valve. If unit is equipped with automatic blowdown valve, it will open and drain the boiler.
CAUTION
If steam supply does not shut off during blowdown, immediately discontinue use of appliance and call for service.
Operation Instructions for Boilers with CSD-1 Controls
START-UP PROCEDURE
- Close the manual blowdown valve, if so equipped.
- Open cabinet door and turn “ON” power switch.
The green pilot light will come “ON.” Water will begin to enter the boiler. When enough water has entered the boiler, the (amber) “STANDBY” pilot light will come on. - Press the “RESET” switch to begin boiler operation. The “STANDBY” pilot light will go off and the boiler will begin operation.
Normal Boiler Operating Cycle
Water Fill Cycle
On the initial filling of the boiler, the reset switch must be activated to initialize the safety lockout circuit. Once the water in the boiler has reached the proper level, the level control will stop the flow of water to the boiler. As water is consumed in the production of steam, the level control will supply additional water to the boiler.
Firing Cycle
The elements are operated by pressure sensing devices. On initial operation, the boiler should reach 14 psi in approximately 15 minutes. At this point, the operating pressure switch will open, de-energizing the elements. Thereafter the operating pressure switch will cycle the elements between 9 and 11 psi boiler pressure.
Condensing Drain
A thermostat is located in the drain assembly and is activated by the temperature of steam. The thermostat operates the cooling solenoid, supplying water to the drain to condense the steam.
Automatic Blowdown Valve
If the unit has an automatic blowdown valve, it is activated when the main power switch is activated. The boiler will be drained should the main power switch be turned “OFF.”
Safety Lockout Conditions
High Temperature Condition
A high temperature safety device is installed on the boiler. Should the temperature exceed the limit of this device, the boiler will be shut down and put in a state of lockout. The “TEMPERATURE” pilot light (red), and the “STANDBY” pilot light (amber), will come on.
High Pressure Condition
A high pressure safety switch is installed on the boiler. Should the pressure exceed the limit of this device, the boiler will be shut down and put into a state of lockout. The “PRESSURE” pilot light (red), and the “STANDBY” pilot light (amber), will come on. Should this device fail to operate, the safety relief valve will open.
Low Water Condition
A second low water safety cut off is supplied with the boiler. Should the water level fall below normal operating levels, the boiler will be shut down and put into a state of lockout. The “LOW WATER” pilot light (red), and the “STANDBY” pilot light (amber) will come on.
Periodic Maintenance
WARNING
Disconnect the unit from the power supply before cleaning or servicing appliance.
NOTICE
Contact the factory, the factory representative or a local service company to perform maintenance and repairs should the appliance malfunction. Refer to warranty terms.
IMPORTANT INSTRUCTIONS
Be sure to flush your boiler water level control daily. Failure to follow this procedure can cause the control to malfunction resulting in serious boiler damage.

The Boiler Water Level Control installed on your boiler requires periodic maintenance. As boiler water circulates into the float chamber, sand, scale and other sediment may be deposited in the float chamber. While the chamber has been designed with a large accumulation bowl, it is necessary to flush the sediment from the chamber by blowing down the control so that the accumulation of sediment does not interfere with the movement of the float in the control.
Control must be flushed at least once a day.
CAUTION
Protect yourself. When flushing control, hot water and steam will flow out of the drain.
When flushing control, note water level in gauge glass, allow the boiler to fill if necessary, and also to come up to temperature.
Before flushing control, note that water level in gauge glass is within operating range and the boiler pressure is at least 6 psi. While the boiler is being operated, open blowdown valve at bottom of control by rotating the handle counterclockwise about 1/4 turn to fully open the valve.
Opening the blowdown valve also checks the cut-off operation. Float should drop shutting steam off, hot water and steam will flow out the drain flushing away sediment.
CAUTION
If heater does not shut off during blowdown, immediately discontinue use of appliance and call for service.
Continue draining water for about fifteen (15) seconds, from control until water is clean. Manually close valve. Recheck gauge glass. If water level has dropped significantly, wait for the boiler to restore water level and pressure and repeat if necessary.
- Water level control should be opened daily to blow down sediment and sealant.
- Observe that the water in gauge glass is clean and clear. Extreme murkiness in water indicates inadequate water quality.
- Safety valve should be tripped during operation once a week to assure that it functions properly.
- De-scaling is based on water quality and usage.
CAUTION
Take extra caution when blowing down water level control or tripping safety valve as extreme hot water and live steam are present.
Removal of Scale Deposits
This equipment should be installed with the Medley TruH20 water treatment system which, when properly maintained can provide a scale-free environment for your steamer. However, because water quality can vary it is recommended that the steamer be checked every 90 to 120 days for scale build up. Regular maintenance should be carried out at this time.
Descaling Boiler
CAUTION
Improper use of this procedure may damage your appliance!
If the boiler has been descaled, a new Anode should be installed in the boiler.
- With boiler empty, close manual blowdown valve. If appliance is equipped with Automatic Blowdown, turn water supply to appliance OFF. Turn power switch ON. This will energize and close blowdown valve.
- Remove 3/4” pipe plug from Brass Tee on front top of boiler.
- Insert appropriate hose or tube through fitting and pour in (1/2) half gallon (U.S.) of CLR Descaling Solution or use the Optional Deliming assembly DPA-1 available from your dealer.
- Replace 3/4” pipe plug securely.
- Open water supply to appliance allowing water to fill boiler to required level.
- Let appliance cycle, allow two hours for descaling and cleaning. DO NOT TURN ON STEAM to attached appliances or to upper compartment.
- Open both the blowdown and low water level control valves for complete drainage. After boiler drains, close both valves.
Appliance equipped with automatic blowdown – turn OFF power switch and open low water control valve. This will allow complete drainage. Once drained close water level control valve. - Turn appliance switch ON. When boiler is completely filled turn power switch OFF. This will rinse and drain boiler.
Appliances with manual blowdown valve must be opened to drain. - Complete Step 8 twice to assure boiler is completely rinsed.
- Appliance is now ready for use.
Cleaning
WARNING
Never spray water into electric controls.
CAUTION
Do not use cleaning agents that are corrosive.
CAUTION
Live steam and accumulated hot water in the compartment may be released when the door is opened.
CAUTION
Disconnect the power supply during cleaning or servicing.
- Keep exposed cleanable areas of unit clean at all times.
- Thoroughly wash steamer cavities, door liners, and pan racks at the end of each day or as required with a mild detergent and water to prevent bacterial growth and odors.
- Remove drain screens from inside compartment drains. Using a plastic bottle brush and mild detergent, clean inside the drain opening ensuring there is no food residue or blockage. Clean the drain screen and replace in its original position.
- Wash gasket sealing surface with mild detergent to remove harmful food acids and rinse.
- Rinse entire unit and dry. DO NOT GET WATER in electrical box or any electrical component.
Adjustments
Calibrate Pressure Switches
NOTICE
Pressure switches are factory set.
Calibration is only required if pressure switches are replaced or if adjustment is required.
CAUTION
Adjusting knob and nut will turn easily until they hit a stop. Do not over torque. Over torqueing may cause damage.

- Turn the adjusting knob clockwise to the headband to maximum.
- Turn the adjusting nut clockwise to maximum.
- Adjust in the following sequence:
– High limit pressure switch.
– Override pressure switch (if equipped).
– Operating pressure switch.
– Use relief valve to release pressure from boiler for setting adjustments.
High Limit Pressure Switches
Allow pressure to build until unit shuts off. This should occur at 15 PSI. Set the adjusting nut to switch off at 14.5 PSI on the gauge.
Override Pressure Switches
Set the adjusting nut to switch off at 13 PSI on the gauge.
Operating Pressure Switches
Set the high signal to switch off at 11 PSI on the gauge. - Release pressure in boiler below 9 PSI. The boiler should fire and once the pressure has reached 11 PSI, the boiler should shut off. Repeat this process several times to make sure boiler operates between 9 and 11 PSI.
Once completed, pressure switches have been calibrated.
Troubleshooting
NOTICE
Contact the factory, the factory representative or local service company to perform maintenance and repairs.
Refer to warranty terms.
NOTICE
At least twice a year have an authorized service person clean and adjust the unit for maximum performance.
Door Leaks
- Check for damage to door gasket.
- Compartment drain opening or associated piping may be blocked.
Water Accumulates in the Compartment
- Compartment drain screen clogged. Remove and clean thoroughly and replace.
Water Not Being Supplied to Boiler
- Water supply is “OFF”.
- Defective water fill solenoid.
- Water level control clogged or defective, unable to operate fill valve.
- Check drain valve is closed.
- Supply water pressure too low.
Automatic Blowdown Valve Does Not Drain
- Defective Blowdown valve.
- Boiler build up of sealant clogging drain lines and valve.
Boiler Achieves Pressure Slower Than Normal
- Heavy build up of lime on elements.
- Loose element connections.
Safety Valve Blows
- Defective safety valve.
- Pressure too high. Pressure switch requires adjustment (lower) or may be defective.
Notes
ECX-16 & ECX-24
Electric Cabinet Base
Convection Steamers
![]()
A product with the Crown name incorporates the best in durability and low maintenance. We all recognize, however, that replacement parts and occasional professional service may be necessary to extend the useful life of this appliance.
When service is needed, contact a Crown Authorized Service Agency, or your dealer. To avoid confusion, always refer to the model number, serial number, and type of your appliance.
CROWN FOOD SERVICE EQUIPMENT
A Medley Company
70 Oakdale Road, Downsview (Toronto) Ontario, Canada, M3N 1V9
Telephone: 919-762-1000 www.crownsteamgroup.com![]()



















