Upright Refrigerator & Freezer
Service, Installation and Care Manual
IMPORTANT INFORMATION
BEFORE USE
Please read this manual completely before attempting to install or operate this equipment.
Notify carrier of damage! Inspect all components immediately. See page 2.
All rights reserved. Reproduction without written permission is prohibited.
SERIAL NUMBER INFORMATION
The serial number of all self-contained refrigerators and freezers is located inside the unit on the left hand side near the top on the wall.
Always have the serial number of your unit available when calling for parts or service.
This manual covers standard units only. If you have a custom unit, consult the customer service department at the number listed on the last page.
RECEIVING AND INSPECTING THE EQUIPMENT
Care should be taken during unloading so the equipment is not damaged while being moved into the building.
- Visually inspect the exterior of the package and skid or container. Any damage should be noted and reported to the delivering carrier immediately.
- If damaged, open and inspect the contents with the carrier.
- In the event that the exterior is not damaged, yet upon opening, there is concealed damage to the equipment, notify the carrier. Notification should be made verbally as well as in written form.
- Request an inspection by the shipping company of the damaged equipment. This should be done within 3 days from receipt of the equipment.
- Be certain to check the compressor compartment housing and visually inspect the refrigeration package. Be sure lines are secure and base is still intact.
- Freight carriers can supply the necessary damage forms upon request.
- Retain all packing material until an inspection has been made or waived.
SPECIFICATION
| MODEL# | V/Hz/Ph | AMPS | STORAGE CAPACITY Cu-ft | HP | BTU/H | OZ | SHIP WEIGHT LBS | PLUG |
| SR59V | 115/60/1 | 3. | 19. | 1/8 | 888 | 4. | 267 | 5-15P |
| SF59V | 115/60/1 | 6. | 19. | 3/8 | 2167 | 4. | 284 | 5-15P |
INSTALLATION
Location
Units represented in this manual are intended for indoor use only. Be sure the location chosen has a floor strong enough to support the total weight of the cabinet and contents. A fully loaded unit can weigh as much as 1500 pounds. Reinforce the floor as necessary to provide for maximum loading. For the most efficient refrigeration, be sure to provide good air circulation inside and out.
NOTE: The cabinet is fixed on the wooden pallet with screws, remove the screws before moving the cabinet from the pallet.
Door handle is packed and fixed on the shelf inside the cabinet, after locating the cabinet, take out the door handle, and install it with cross screwdriver according to following instruction:

Inside cabinet:
Do not pack the units so full that air cannot circulate. The refrigerated air is discharged at the top rear of the unit. It is important to allow for proper air flow from the top rear to the bottom of the unit. Obstructions to this air flow can cause evaporator coil freeze ups and loss of temperature or overflow of water from the evaporator drain pan. The shelves have a rear turn up on them to prevent this. However, bags and other items can still be located to the far rear of the cabinet. Air is brought into the evaporator coil with fans mounted to the front of the coil.
Outside cabinet:
Be sure that the unit has access to ample air. Avoid hot corners and locations near stoves and ovens. It is recommended that the unit be installed no closer than 2″ from any wall with at least 12″ of clear space above the unit.
Leveling
A level cabinet looks better and will perform better because the doors will line up with the frames properly.
Use a level to make sure the unit is level from front to back and side to side. Ensure the floor where the unit is to be located is level.
Stabilizing
All models are supplied with casters for your convenience, ease of cleaning underneath and for mobility. It is very important, however, that the cabinet be installed in a stable condition with the front wheels locked while in use. Should it become necessary to lay the unit on its side or back for any reason, allow at least 24 hours before start-up to allow compressor oil to flow back into place. Failure to meet this requirement can cause compressor failure and unit damage.
Unit repairs will not be subject to standard unit warranties if due to improper installation procedures.
Electrical connection
Refer to the amperage data on page 3, the serial tag, your local code or the National Electrical Code to be sure the unit is connected to the proper power source.
The unit must be turned OFF and disconnected from the power source whenever performing service, maintenance functions or cleaning the refrigerated area.
OPERATION
Do not throw items into the storage area. Failure to heed these recommendations could result in damage to the interior of the cabinet.
REFRIGERATED CYCLE
Refrigerators: During the refrigeration cycle, the evaporator fans will run continuously, will stop when the door is open to avoid the hot air be sucked into the box.
- Every 4 hours, the unit will turn off and to allow the evaporator fin to defrost. The controller now displays the defrost symbol. When the fin temperature reaches 46°F or after 30 minutes of defrost, the unit will turn on again.
- The factory setting of the temperature range for compressor start and stop is 34° to 41° F.
Freezers: The evaporator fans will run at any time, but will cycle off during a defrost period and when door is open.
- Every 4 hours, the unit will turn off and electric heater will turn on to start the defrost cycle. The controller now displays the defrost symbol. When the fin temperature reaches 46°F or after 30 minutes of defrost, the unit will turn on again.
- The factory setting of the temperature range for compressor start and stop is -4° to 3°F.
LIGHT
Interior LED light is linked with door switch, when door is open the LED light will be switched on automatically.
REVERSIBLE DOOR
The door is open from left side in production.
Tools needed: Slot type screwdriver, cross screwdriver and hexagon wrench.
Note: locate the cabinet in a level floor and make sure there is enough space for this operation. It’s better to operate by at least two people.
- Unscrew the four screws(A~D) with cross screwdriver of the bottom hinge in position 1, then the door can be removed downward from the cabinet together with the bottom hinge.

- Put the door with care horizontally.
- Use slot type screwdriver to remove the upper hinge axis in position 2 and screw it into the opposite side position 3.

- Use hexagon wrench to remove the hinge axis D from the door and the bottom hinge, insert it into the opposite hole of bottom hinge, position 4, and screw into position upper axle hole, position 5.

- Revolve the door with care, and put it in the correct position, insert the upper hinge axis into the axle hole of the door and hold the door.

- Fix the bottom hinge with four screws.
THERMOSTAT OPERATION
Operation and display panel
1. Indicator light status description
| Indicator light | Symbol | Status | Meaning |
| Setting | Set | ON | Parameter setting |
| OFF | Status of temperature measuring and controlling | ||
| Refrigeration |
| ON | Refrigeration work |
| OFF | Refrigeration stop | ||
| FLASH | Refrigeration time delay | ||
| Defrost | ON | Defrost work | |
| OFF | Defrost stop | ||
| Fan | ON | Fan work | |
| OFF | Fan stop | ||
| Defrost dripping | drip | ON | Start defrost dripping |
| OFF | Stop defrost dripping | ||
| Door switch | ON | Cabinet door open | |
| OFF | Cabinet door close |
Parameter list
| Menu | Functions | Setting range | HK-01 Freezer | HK-02 Refrigerator | Unit |
| Common user menu | |||||
| St | Temperature set value | Upper limit Lower limit | -8℉ | 36℉ | ℃/℉ |
| Po | Administrator menu Password | 00~99(password is 55,unmodified) | 00 | 00 | / |
| Administrator’s menu | |||||
| C1 | Hysteresis value | 0.5℃~9.0℃ | 7℉ | 7℉ | ℃/℉ |
| 1℉~20℉ | |||||
| C2 | Compressor start Min. interval | 0~60 | 3 | 3 | min |
| C3 | Compressor initial start Min. interval | 0~90 | 0 | 0 | min |
| C4 | Cabinet sensor calibration | -10.0℃~10.0℃ | 0℉ | 0℉ | ℃/℉ |
| -20℉~20℉ | |||||
| C5 | Temperature set lower limit | -50℃~temperature set value | -10℉ | 28℉ | ℃/℉ |
| -58℉~temperature set value | |||||
| C6 | Temperature set upper limit | temperature set value~85℃ | -1℉ | 55℉ | ℃/℉ |
| temperature set value~185℉ | |||||
| C7 | Max. standby time after finishing compressor start Min. interval (note①) | 0~90, 0:Max.standby time calculation is forbidden | 9 | 9 | min |
| C8 | Refrigeration Min. running time | 0~90, 0: Refrigeration Min. running time calculation is forbidden | 0 | 0 | min |
| d1 | Evaporator sensor selection | 0: Disabled, 1: Enabled | 1 | 0 | / |
| d2 | Evaporator sensor calibration | -10.0℃~10.0℃ | 0℉ | 0℉ | ℃/℉ |
| -20℉~20℉ | |||||
| d3 | Defrost cycle calculation | 0: accumulated refrigeration time 1: natural time | 1 | 1 | / |
| d4 | Defrost cycle | 0~90, 0: Defrost forbidden | 4 | 4 | hour |
| d5 | Defrost status display | 0:Display cabinet temperature 1:Display dEF during defrost and defrost time delay, display cabinet temperature after finishing defrost time delay. 2:Always display dEF during defrost and defrost dripping 3:Always display start-defrost cabinet temperature during defrost and defrost dripping | 1 | 1 | / |
| d6 | The maximum time of defrost | 1~90 | 30 | 30 | min |
| d7 | Defrost termination temperature | 0℃~50℃ | 46℉ | 46℉ | ℃/℉ |
| 32℉~122℉ | |||||
| d8 | Dripping time after defrost | 0~60, 0: Defrost dripping time forbidden | 0 | 0 | min |
| d9 | Cabinet temperature display time delay after defrost | 0~90 | 10 | 10 | min |
| d10 | Time delay after defrost start | 0~60 0:Defrost start time delay is canceled | 0 | 0 | minx |
| d11 | Defrost type | 0:Electric heating defrost 1:Hot gas defrost | 0 | 0 | / |
| F1 | Fan running mode | 0:Fan and compressor run or stop synchronically 1:Fan runs continuously, stops during defrost 2: Fan runs continuously, stops during defrost and defrost dripping 3: Fan runs continuously, stops during defrost, fan time delay after defrost 4:Controlled by defrost sensor, fan stops during defrost. | 1 | 1 | / |
| F2 | Fan initial start time delay after electrified | 0~60 | 0 | 0 | min |
| F3 | Fan start time delay after defrost | 0~60 , 0: Fan time delay canceled | 2 | 2 | min |
| F4 | Fan working lowest temp. | -50℃~Fan working highest temp. | -58℉ | -58℉ | ℃/℉ |
| -58℉~Fan working highest temp. | |||||
| F5 | Fan working highest temp. | Fan working lowest temp.~85℃ | 185℉ | 185℉ | ℃/℉ |
| Fan working lowest temp.~185℉ | |||||
| A1 | Compressor run and stop in a proportional time after cabinet sensor failure | 0: Cancel the mode of “Run/stop in a proportional time” 1: Start the mode of “Run/stop in a proportional time” | 1 | 1 | / |
| A2 | Compressor stop time in the mode of “Run/stop in a proportional time” | 1~60 | 5 | 5 | min |
| A3 | Compressor running time in the mode of “Run/stop in a proportional time” | 1~60 | 30 | 30 | min |
| A4 | Buzzer alarm output switch | 0: Buzzer output disabled 1: Buzzer output enabled | 1 | 1 | / |
| A5 | Cabinet temperature lower limit alarm value | -50℃~Cabinet temperature upper limit alarm value | -58℉ | -58℉ | ℃/℉ |
| -58℉~Cabinet temperature upper limit alarm value | |||||
| A6 | Cabinet temperature upper limit alarm value | Cabinet temperature lower limit alarm value~85℃ | 185℉ | 185℉ | ℃/℉ |
| Cabinet temperature lower limit alarm value~185℉ | |||||
| A7 | Cabinet over temperature alarm time delay | 0~60 | 20 | 20 | 3min |
| A8 | The initial cabinet over temperature alarm time delay after electrified | 0~60 | 40 | 40 | 3min |
| A9 | Over temperature alarm upper deviation | 1℃~30℃ | 10℃ | 10℃ | ℃/℉ |
| 1℉~60℉ | |||||
| A10 | Over temperature alarm lower deviation | 1℃~30℃ | 5℃ | 5℃ | ℃/℉ |
| 1℉~60℉ | |||||
| A11 | Over temperature alarm mode | 0: Absolute temperature point 1:set value+ over temperature alarm deviation | 0 | 0 | / |
| A12 | Light/Alarm relay selection | 0:Light output 1:Alarm output | 0 | 0 | / |
| do1 | Control output of door switch | 0:Door switch is canceled 1:Close fan during door open 2: Turn on the light when door open, turn off the light when door closed 3:Close fan and turn on the light when door open, Turn off the light when door closed 4: When door is open, it is the synchronous signal input of defrost, defrost will start. | 0 | 0 | / |
| do2 | Buzzer response when door open | 0:NO 1:YES | 0 | 0 | / |
| cd1 | Condenser sensor selection | 0:Disabled 1:Enabled | 0 | 0 | / |
| cd2 | Condenser high temperature alarm start value | 30℃~90℃ | 55℃ | 55℃ | ℃/℉ |
| 86℉~194℉ | |||||
| cd3 | Lower hysteresis of condenser high temperature alarm | 1℃~15℃ | 5℃ | 5℃ | ℃/℉ |
| 2℉~30℉ | |||||
| cd4 | Condenser high temperature protect start value | 30℃~90℃ | 70℃ | 70℃ | ℃/℉ |
| 86℉~194℉ | |||||
| u1 | Celsius /Fahrenheit selection (note②) | 00:Fahrenheit 01:Celsius | 01 | 00 | / |
Note①:Only valid when the cabinet sensor is in proper working。
Note②: After switch between Celsius /Fahrenheit, users need to adjust all related parameters themselves to make sure the correct parameter setting.
Keys Function
3.1 Keys description
| Keys | Function |
| Set | Enter the status of parameter setting; |
| Switch between menu and parameter; | |
| Adjust menu and parameters; |
| Open/close light(only valid for the model with light control) | |
| Adjust menu and parameters |
| View evaporator sensor temperature |
| Exit from parameter setting; | |
| Press 3s to forced switch between refrigeration, defrost/defrost delay, defrost dripping |
3.2 Keys operation
- Parameter modified
In the status of temperature measuring and controlling, press Set key for three seconds to enter user menu, it displays the code St, then press Set key again, display the value of St. It could be modified by pressing the key or When it displays the code Stress the key ,display the code Postmen press Set key, display 00, at this
time, press or to input the password of administrator menu.
Press Set key again to confirm the password input, and the controller will automatically verify the correctness of password. When it passes, it could select parameter items St 、Po、C1、C2……Cd3 (that is, any parameter items both in the administrator menu and user manuals) by pressing the key or . Or else, only
the parameters items St and Po available, others could not be displayed.
When the parameter item is selected, press Set key to enter to the setting of the current item, press or to modify the value, and then press Set key to return to the menu.
Under the status of parameter setting, press key or no key operation within 30s, it will exit from parameter setting and automatically save the current parameter value.
Note: The password input of administrator menu only is valid for single entering. After exit from the parameter setting by pressing , it needs to input the correct password again for next parameter adjustment. - Temperature viewing
In the status of temperature measuring and controlling, press to view the current evaporator sensor
measured temperature value (note: evaporator sensor is enables and works properly). - Manually forced operation
In the status of temperature measuring and controlling, press for three seconds to force the switch between refrigeration, defrost/defrost delay, defrost dripping. - One-key restore operation
In the status of temperature measuring and controlling, press the Set key + key at the same time for 10 seconds, the controller performs a one-key restore operation, that is, restores all parameters to the factory default values, and the rSt code is displayed after successful execution.
4. Internal Alarm
| Alarm code | Alarm reason |
| E1 | Cabinet temperature sensor failure |
| E2 | Evaporator sensor failure |
| E3 | Condenser sensor failure |
| cH | Condenser high temperature alarm |
| cP | Condenser high temperature protect |
| rH | Cabinet high temperature alarm |
| rL | Cabinet low temperature alarm |
| Er | Copy card programming failure |
| EP | Inconsistent data between copy card and controller, programming failure |
MAINTENANCE
The unit must be turned OFF and disconnected from the power source whenever performing service, maintenance functions or cleaning the refrigerated area.
Refrigerators and Freezers
The interior and exterior can be cleaned using soap and warm water. If this isn’t sufficient, try ammonia and water or a nonabrasive liquid cleaner.
Do not use an abrasive cleaner because it will scratch the plastic and can damage the breaker strips and gaskets.
Cleaning the Condenser Coil
The condenser coil requires regular cleaning, and is recommended every 90 days. In some instances, you may find that there is a large amount of debris, dust or grease accumulated prior to the 90 day time frame. In these cases the condenser coil should be cleaned every 30 days.
If the build up on the coil consists of only light dust and debris, the condenser coil can be cleaned with a simple brush. Heavier dust build-up may require a vacuum or even compressed air to blow through the condenser coil.
If heavy grease is present, there are de-greasing agents available for refrigeration use and specifically for the condenser coils. The condenser coil may require cleaning with the de-greasing agent and then blown through with compressed air.
Failure to maintain a clean condenser coil can initially cause high temperatures and excessive run times.
Continuous operation with dirty or clogged condenser coils can result in compressor failures. Neglecting the condenser coil cleaning procedures will void any warranties associated with the compressor or cost to replace the compressor.
Never use a high pressure water wash for this cleaning procedure as water can damage the electrical components located near or at the condenser coil.
In order to maintain proper refrigeration performance, the condenser fans must be cleaned of dust, dirt and grease regularly. It is recommended that this be done at least every three months. If conditions are such that the condenser is totally blocked in three months, the frequency of cleaning should be increased.
Clean the condenser with a vacuum cleaner or stiff brush. If extremely dirty, a commercial-grade condenser cleaner may be required.
Cleaning solutions need to be alkaline based or non-chloride based. If cleaners containing chlorides are used, be sure to rinse and dry thoroughly. Routine cleaning can be done with soap and water. Extreme stains or grease should be cleaned with a non-abrasive cleaner and plastic scrub pad. It is always good to rub with the grain of the steel.
Gasket Maintenance
Gaskets require regular cleaning to prevent mold and mildew build up and also to keep the elasticity of the gasket. Gasket cleaning can be done with the use of warm soapy water. Avoid full strength cleaning products on gaskets as this can cause them to become brittle and prevent proper seals. Do not use sharp tools or knives to scrape or clean the gasket which could possibly tear the gasket and rip the bellows.
Gaskets can easily be replaced and don’t require the use of tools or authorized service technicians.
The gaskets are “Dart” style and can be pulled out of the groove in the door and be replaced by pressing the new one back into place.
Doors/Hinges
Over time and with heavy use, door hinges may become loose. If the door is beginning to sag, tighten the screws that mount the hinge brackets to the frame of the unit. If the doors are loose or sagging, this can cause the hinge to pull out of the frame which may damage both the doors and the door hinges.
Drain Maintenance
Each unit has a drain located inside the unit which removes the condensation from the evaporator coil and evaporates it into an external condensate evaporator pan. Each drain can become loose or disconnected from moving or bumping the drain. If you notice excessive water accumulation on the inside of the unit, be sure the drain tube is connected from the evaporator housing to the condensate evaporator drain pan. If water starts to collect underneath the unit, you may want to check the condensate evaporator drain tube to be sure it is still located inside the drain pan. The leveling of the unit is important as the units are designed to drain properly when on a level surface. If your floor is not level this can also cause drain problems. Be sure all drain lines are free of obstructions because this can cause water to back up and overflow the drain pans.
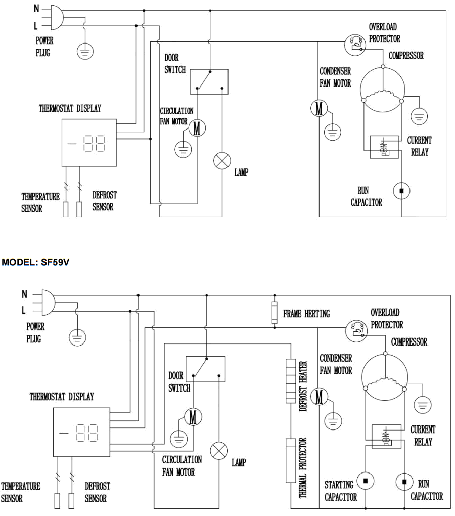
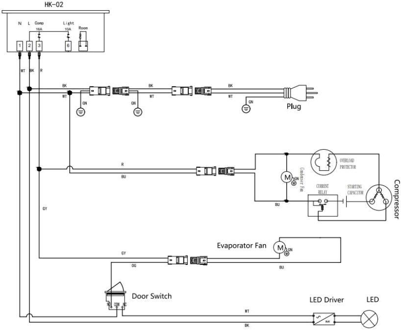
WIRING DIAGRAM
MODEL: SR59V

MODEL: SR59V

MODEL: SF59V

Berg Refrigeration Warranty
For Models GA0997 (SR59V) & GA0998 (SF59V)
1 Year Parts & Labor Limited Warranty, 4 Year Additional Compressor Part Warranty – Valid Only in the Continental United States for Berg GA0997 and GA0998 models
ONE YEAR PARTS & LABOR WARRANTY
Warrants to the original purchaser of this unit, the cabinet and all parts thereof, to be free from defects in material or workmanship, under normal use and service for a period of one (1) year from the date of original purchase. Any parts covered by this warranty that are examined and determined to have been defective within one (1) year of original purchase shall be repaired or replaced as stated below.
Berg Refrigeration shall be deemed to have fully complied with its obligation under the foregoing warranties by electing either one of the following procedures.
- Furnishing a replacement part, freight collect, in even exchange for the returned part, freight collect.
- Receiving the defective part, freight collect, repairing it; and returning it freight collect.
ADDITIONAL FOUR- YEAR COMPRESSOR PART WARRANTY
Berg Refrigeration warrants its hermetically and semi-hermetically sealed compressor to be free from defects in both material and workmanship under normal use and service for a period of four (4) additional years from the date of original purchase.
Exclusions
The warranty described herein does not cover the following:
- The original serial number has been removed, altered, or cannot be readily determined on the Berg Refrigeration product.
- Normal wear and tear and gradual deterioration of the Berg Refrigeration product
- When the Berg product has been transferred from an original owner to another party.
- When the Berg product has been moved outside of the continental United States.
- Rust on the interior or exterior of the Berg Refrigeration product.
- When a Berg product is purchased “as is.”
- When the Berg product is defective, but the defect does not involve malfunction or defects in materials or workmanship.
- When the Berg product is used in a way that is not in accordance with provided instructions and intended purpose.
- When the Berg product is installed in places other than recommended locations, including, but not limited to, outside, open air venues, and residential locations.
- Expenses for making the defective Berg product available for removal or accessible for the replacement Berg product, such as removing shelves, etc.
- Common wear and tear items, including, but not limited to, light bulbs, air filters, water filters, knobs, handles, gaskets, power cords, and other cosmetic parts.
- Damages to the finish of the Berg product that occur during installation.
- When the Berg product has been repaired, modified or altered by the owner or a third party.
- Damage to the Berg product as a result of misuse, abuse, neglect, accidents, fire, flooding, or acts of God.
- Damage to the Berg product relating to improper utility connection or supply and problems due to improper ventilations.
- Damage to the contents being stored in the malfunctioning Berg product.
THE FOREGOING WARRANTY IS EXCLUSIVE AND IS IN LIEU OF ANY OTHER WARRANTY, WRITTEN OR ORAL EXPRESS OR IMPLIED, INCLUDING, BUT NOT LIMITED TO, ANY IMPLIED WARRANTY OF EITHER MERCHANTABILITY OR FITNESS FOR A PARTICULAR PURPOSE.
The agents, employees, distributors, and dealers of Berg Refrigeration are not authorized to make modifications to this warranty or to make additional warranties that are binding on Berg Refrigeration. Accordingly, statements by such individuals, whether oral or written, do not constitute warranties and should not be relied upon.
THE BUYER’S REMEDY AGAINST BERG REFRIGERATION, FOR THE BREACH OF ANY OBLIGATION ARISING OUT OF THE SALE OF BERG REFRIGERATION, WHETHER DERIVED FROM WARRANTY OR OTHERWISE, SHALL BE LIMITED TO REPLACEMENT OR REPAIR OF THE BERG REFRIGERATION PRODUCT.
In no event shall Berg Refrigeration. be liable for any other damage or loss, including, but not limited to, lost profits, lost sales, loss of use of equipment, claims of Buyer’s customers, cost of interruption or down time, cost of substitute equipment, facilities, or services, or any other special, incidental, or consequential damages.
To Obtain Warranty Service, call 888-585-9440
11/01/22






















