CROWN EMT-6 Direct Steam Kettles Mounted on Electric Boiler Cabinet Base

Product Information
The Direct Steam Kettles Mounted on Electric Boiler Cabinet Base is a commercial kitchen equipment manufactured by Crown Food Service Equipment, a Middleby Company. It is available in six models: EMT-6, EMT-10, EMT-12, EMT-6-6, EMT-10-6, and EMT-10-10. This manual section is specifically for model EMT-10-10. The equipment is intended for commercial use only and should not be used in households. The installation and operation of the equipment must be done by qualified personnel. The manual provides safety precautions and important notes for installation, operation, and maintenance to avoid property damage, injury, or death. The equipment is mounted on an electric boiler cabinet base and uses direct steam kettles for cooking.
Product Usage Instructions
Before installing and operating the equipment, ensure that all personnel involved in its operation are fully trained and aware of safety precautions. Obey all safety messages found in the manual to avoid possible injury or death. Ensure that gasoline or other flammable vapors or liquids are not stored or used in the vicinity of the equipment to avoid fire hazards. Read the installation, operating, and maintenance instructions thoroughly before installing, operating or servicing the equipment. Disconnect the power supply to the appliance before cleaning or servicing. Only qualified personnel should operate, test, and service the equipment. The manual should be retained for future reference. For the EMT-10-10 model, record the Model #, Serial #, and Date Purchased information on the manual for future reference.
WARNING
Improper installation, adjustment, alteration, service or maintenance can cause property damage, injury or death. Read the installation, operating and maintenance instructions thoroughly before installing or servicing this equipment.
SAFETY PRECAUTIONS
Before installing and operating this equipment, be sure everyone involved in its operation is fully trained and aware of precautions. Accidents and problems can be caused by failure to follow fundamental rules and precautions. The following symbols, found throughout this manual, alert you to potentially dangerous conditions to the operator, service personnel, or to the equipment.
DANGER
This symbol warns of immediate hazards that will result in severe injury or death.
WARNING
This symbol refers to a potential hazard or unsafe practice that could result in injury or death.
CAUTION
This symbol refers to a potential hazard or unsafe practice that could result in injury, product damage, or property damage.
NOTICE
This symbol refers to information that needs special attention or must be fully understood, even though not dangerous.
IMPORTANT NOTES FOR INSTALLATION AND OPERATION
WARNING
This is the safety alert symbol. It is used to alert you to potential personal injury hazards. Obey all safety messages that follow this symbol to avoid possible injury or death.
WARNING
FOR YOUR SAFETY Do not store or use gasoline or other flammable vapors or liquids in the vicinity of this or any other appliance.
WARNING
Improper installation, operation, adjustment, alteration, service or maintenance can cause property damage, injury or death. Read the installation, operating and maintenance instructions thoroughly before installing, operating or servicing this equipment.
WARNING
Disconnect the power supply to the appliance before cleaning or servicing.
CAUTION
Operating, testing, and servicing should only be performed by qualified personnel.
NOTICE
This product is intended for commercial use only. NOT FOR HOUSEHOLD USE
NOTICE
This manual should be retained for future reference.
Direct Steam Kettles Mounted on Electric Boiler Cabinet Base RETAIN THIS MANUAL FOR FUTURE REFERENCE
Service Connections

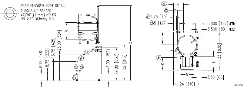
NOTE: SPLASH GUARD NOT SHOWN IN FRONT VIEW
SERVICE CONNECTIONS
![]()
- FIELD WIRE ELECTRICAL CONNECTION: Field wiring electrical connection to be as specified on data plate.
- SINK DRAIN: 2” (51 mm) IPS piped to open floor drain. No Solid Connection.
- CONDENSATE COLD WATER: 1/2” (13 mm) NPT at 25-50 PSI (170-345 kPa). (OPTIONAL)
- BOILER FEED WATER: 1/2” (13 mm) NPT at 25-50 PSI (170-345 kPa).
- FAUCET COLD WATER: 3/8” (10 mm) O.D. tubing at 25-50 PSI (170-345 kPa), NSF-61 compliant.
- FAUCET HOT WATER: 3/8” (10 mm) O.D. tubing at 25-50 PSI (170-345 kPa), NSF-61 compliant.
- STEAM TAKE-OFF CONNECTION: 3/4” (19 mm) IPS optional to operate adjacent equipment
DIMENSIONS AND SPECIFICATIONS
| Model | Capacity | a | b | c | d | e | f | g | h | j | k | l | m | Shipping Weight | Min. Clearance |
| EMT-6 | 6 gal. (23 L) | 12 (305) | 14.5 (368) | 66.13 (1680) | 3.5 (89) | 10.5 (267) | 8.75 (222) | 5.5 (140) | 7 (178) | 2.5 (64) | 11.12 (283) | 9 (229) | 12 (305) | 450 lbs. [204 kg.] | SIDES 0 [0 mm] BACK 0 [0 mm] |
| EMT-10 | 10 gal. (38 L) | 16 (406) | 15 (381) | 65.13 (1654) | 470 lbs. [213 kg.] | ||||||||||
| EMT-12 | 12 gal. (45 L) | 16 (406) | 17 (432) | 67.13 (1705) | 479 lbs. [217 kg.] |
ELECTRICAL CHARACTERISTICS
| Model | Phase | kW | Amps Per Line | |||||
| 208V | 220V | 240V | 380V | 415V | 480V | |||
| EMT-6 EMT-10 EMT-12 | 3 | 24 | 66.6 | 63 | 57.7 | 36.5 | 33.4 | 28.9 |
| 3 | 36 | 99.9 | 94.5 | 86.6 | 54.7 | 50.1 | 43.3 | |
| 3 | 42 | 116.6 | 110.2 | 101 | 63.8 | 58.4 | 50.5 | |
| 3 | 48 | N/A | N/A | 115.5 | 72.9 | 66.8 | 57.7 | |
WATER QUALITY STATEMENT
Water is the essential ingredient in steam equipment, water quality is the major factor affecting the performance of your appliance. Crown Steam Group offers a
Comprehensive Water Treatment System which exceeds our minimum water requirements. Proof of installation and proper cartridges replacement is required for
warranty coverage. Water supply to Crown Steam Group steamers must be within these guidelines
- Total dissolved solids…………………..Less than 60 PPM
- Chlorine ………………………..Less than 1.5 PPM
- Total alkalinity ………………………………….. Less than 20 PPM
- pH Factor ……………………..6.8 – 7.3
- Silica……………………………………………….. Less than 13 PPM
Water which does not meet these standards should be treated with the installation of Middleby’s Water Treatment System. Call 919-762-1000 if you have questions
concerning your water meeting these parameters. Failure or malfunction of this appliance due to poor water quality is not covered under warranty. Reference www.crownsteamgroup.com for complete warranty details and instructions.
DISCLAIMER
Terry System Cartridge Changes / Installation – “2-3 gallons of water MUST be purged at each cartridge change or new installation prior to water supply being fed to the steamer. Failure to do so can result in component damage within the steamer which is not covered under warranty. For additional guidance on proper installation, refer to install documentation provided with each Terry System and Replacement Cartridge Set.”

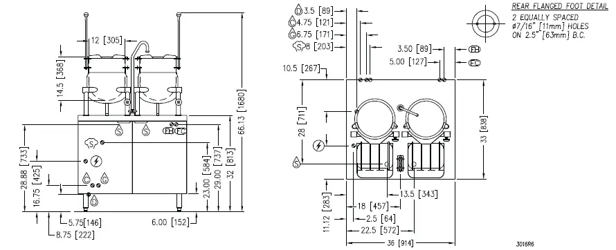
NOTE: SPLASH GUARD NOT SHOWN IN FRONT VIEW.
SERVICE CONNECTIONS
![]()
- FIELD WIRE ELECTRICAL CONNECTION: Field wiring electrical connection to be as specified on data plate.
- SINK DRAIN: 2” (51 mm) IPS piped to open floor drain. No Solid Connection.
- CONDENSATE COLD WATER: 1/2” (13 mm) NPT at 25-50 PSI (170-345 kPa). (OPTIONAL)
- BOILER FEED WATER: 1/2” (13 mm) NPT at 25-50 PSI (170-345 kPa).
- FAUCET COLD WATER: 3/8” (10 mm) O.D. tubing at 25-50 PSI (170-345 kPa), NSF-61 compliant.
- FAUCET HOT WATER: 3/8” (10 mm) O.D. tubing at 25-50 PSI (170-345 kPa), NSF-61 compliant.
- STEAM TAKE-OFF CONNECTION: 3/4” (19 mm) IPS optional to operate adjacent equipment.
ELECTRICAL CHARACTERISTICS AND SPECIFICATIONS
| Model | Phase | kW | Amps Per Line | Shipping Wt | Min Clearance | Capacity | |||||
| 208V | 220V | 240V | 380V | 415V | 480V | ||||||
|
EMT-6-6 | 3 | 24 | 66.6 | 63 | 57.7 | 36.5 | 33.4 | 28.9 | 600 lbs. [272 kg.] | SIDES 0 [0 mm] BACK 0 [0 mm] | (2) 6 gallon (23 litre) |
| 3 | 36 | 99.9 | 94.5 | 86.6 | 54.7 | 50.1 | 43.3 | ||||
| 3 | 42 | 116.6 | 110.2 | 101 | 63.8 | 58.4 | 50.5 | ||||
| 3 | 48 | N/A | N/A | 115.5 | 72.9 | 66.8 | 57.7 | ||||
WATER QUALITY STATEMENT
Water is the essential ingredient in steam equipment, water quality is the major factor affecting the performance of your appliance. Crown Steam Group offers a
Comprehensive Water Treatment System which exceeds our minimum water requirements. Proof of installation and proper cartridges replacement is required for
warranty coverage. Water supply to Crown Steam Group steamers must be within these guidelines
- Total dissolved solids…………………..Less than 60 PPM
- Chlorine ………………………..Less than 1.5 PPM
- Total alkalinity ………………………………….. Less than 20 PPM
- pH Factor ……………………..6.8 – 7.3
- Silica……………………………………………….. Less than 13 PPM
Water which does not meet these standards should be treated with the installation of Middleby’s Water Treatment System. Call 919-762-1000 if you have questions
concerning your water meeting these parameters. Failure or malfunction of this appliance due to poor water quality is not covered under warranty. Reference www.crownsteamgroup.com for complete warranty details and instructions
SERVICE CONNECTIONS
![]()
- FIELD WIRE ELECTRICAL CONNECTION: Field wiring electrical connection to be as specified on data plate.
- SINK DRAIN: 2” (51 mm) IPS piped to open floor drain. No Solid Connection.
- CONDENSATE COLD WATER: 1/2” (13 mm) NPT at 25-50 PSI (170-345 kPa). (OPTIONAL)
- BOILER FEED WATER: 1/2” (13 mm) NPT at 25-50 PSI (170-345 kPa).
- FAUCET COLD WATER: 3/8” (10 mm) O.D. tubing at 25-50 PSI (170-345 kPa), NSF-61 compliant.
- FAUCET HOT WATER: 3/8” (10 mm) O.D. tubing at 25-50 PSI (170-345 kPa), NSF-61 compliant.
- STEAM TAKE-OFF CONNECTION: 3/4” (19 mm) IPS optional to operate adjacent equipment.
ELECTRICAL CHARACTERISTICS AND SPECIFICATIONS
| Model | Phase | kW | Amps Per Line | Shipping Weight | Minimum Clear- ance | Capacity | |||||
| 208V | 220V | 240V | 380V | 415V | 480V | ||||||
| 1 | 24 | 115.4 | 109.1 | 100 | N/A | N/A | N/A | (1) 10 gallon (38 litre) and (1) 6 gallon (23 litre) | |||
| EMT-10-6 | 3 | 24 | 66.6 | 63 | 57.7 | 36.5 | 33.4 | 28.9 | 700 lbs. [317 kg.] | SIDES 0 [0 mm] BACK 0 [0 mm] | |
| 3 | 36 | 99.9 | 94.5 | 86.6 | 54.7 | 50.1 | 43.3 | ||||
| 3 | 42 | 116.6 | 110.2 | 101 | 63.8 | 58.4 | 50.5 | ||||
| 3 | 48 | 133.2 | 126 | 115.5 | 72.9 | 66.8 | 57.7 | ||||
WATER QUALITY STATEMENT
Water is the essential ingredient in steam equipment, water quality is the major factor affecting the performance of your appliance. Crown Steam Group offers a Comprehensive Water Treatment System which exceeds our minimum water requirements. Proof of installation and proper cartridges replacement is required for warranty coverage. Water supply to Crown Steam Group steamers must be within these guidelines
- Total dissolved solids…………………..Less than 60 PPM
- Chlorine ………………………..Less than 1.5 PPM
- Total alkalinity ………………………………….. Less than 20 PPM
- pH Factor ……………………..6.8 – 7.3
- Silica……………………………………………….. Less than 13 PPM
Water which does not meet these standards should be treated with the installation of Middleby’s Water Treatment System. Call 919-762-1000 if you have questions
concerning your water meeting these parameters. Failure or malfunction of this appliance due to poor water quality is not covered under warranty. Reference www.crownsteamgroup.com for complete warranty details and instructions
DISCLAIMER
Terry System Cartridge Changes / Installation – “2-3 gallons of water MUST be purged at each cartridge change or new installation prior to water supply being fed to the steamer. Failure to do so can result in component damage within the steamer which is not covered under warranty. For additional guidance on proper installation, refer to install documentation provided with each Terry System and Replacement Cartridge Set.”

NOTE: SPLASH GUARD NOT SHOWN IN FRONT VIEW.
SERVICE CONNECTIONS
![]()
- FIELD WIRE ELECTRICAL CONNECTION: Field wiring electrical connection to be as specified on data plate.
- SINK DRAIN: 2” (51 mm) IPS piped to open floor drain. No Solid Connection.
- CONDENSATE COLD WATER: 1/2” (13 mm) NPT at 25-50 PSI (170-345 kPa). (OPTIONAL)
- BOILER FEED WATER: 1/2” (13 mm) NPT at 25-50 PSI (170-345 kPa).
- FAUCET COLD WATER: 3/8” (10 mm) O.D. tubing at 25-50 PSI (170-345 kPa), NSF-61 compliant.
- FAUCET HOT WATER: 3/8” (10 mm) O.D. tubing at 25-50 PSI (170-345 kPa), NSF-61 compliant.
- STEAM TAKE-OFF CONNECTION: 3/4” (19 mm) IPS optional to operate adjacent equipment.
ELECTRICAL CHARACTERISTICS AND SPECIFICATIONS
| Model | Phase | kW | Amps Per Line | Shipping Weight | Minimum Clearance | Capacity | |||||
| 208V | 220V | 240V | 380V | 415V | 480V | ||||||
|
EMT-10-10 | 1 | 24 | 115.4 | 109.1 | 100 | N/A | N/A | N/A |
720 lbs. [327 kg.] |
SIDES 0 [0 mm] BACK 0 [0 mm] |
(2) 10 gallon (38 litre) |
| 3 | 24 | 66.6 | 63 | 57.7 | 36.5 | 33.4 | 28.9 | ||||
| 3 | 36 | 99.9 | 94.5 | 86.6 | 54.7 | 50.1 | 43.3 | ||||
| 3 | 42 | 116.6 | 110.2 | 101 | 63.8 | 58.4 | 50.5 | ||||
| 3 | 48 | N/A | N/A | 115.5 | 72.9 | 66.8 | 57.7 | ||||
WATER QUALITY STATEMENT
Water is the essential ingredient in steam equipment, water quality is the major factor affecting the performance of your appliance. Crown Steam Group offers a
Comprehensive Water Treatment System which exceeds our minimum water requirements. Proof of installation and proper cartridges replacement is required for
warranty coverage. Water supply to Crown Steam Group steamers must be within these guidelines.
- Total dissolved solids…………………..Less than 60 PPM
- Chlorine ………………………..Less than 1.5 PPM
- Total alkalinity ………………………………….. Less than 20 PPM
- pH Factor ……………………..6.8 – 7.3
- Silica……………………………………………….. Less than 13 PPM
Water which does not meet these standards should be treated with the installation of Middleby’s Water Treatment System. Call 919-762-1000 if you have questions
concerning your water meeting these parameters. Failure or malfunction of this appliance due to poor water quality is not covered under warranty. Reference www.crownsteamgroup.com for complete warranty details and instructions.
DISCLAIMER
Terry System Cartridge Changes / Installation – “2-3 gallons of water MUST be purged at each cartridge change or new installation prior to water supply being fed to the steamer. Failure to do so can result in component damage within the steamer which is not covered under warranty. For additional guidance on proper installation, refer to install documentation provided with each Terry System and Replacement Cartridge Set.”
Introduction – Direct Steam Kettles
General
Direct steam tilting kettle(s) mounted on a cabinet base, housing an ASME Code designed electric steam boiler approved as a steam boiler restricted to operation at pressure not to exceed 15 psi. Hot and cold water fill faucet, 5” (152 mm) deep sink with drain and splash guard(s). All models are suffixed with either -6, -10 or -12 to indicate the capacity of the kettle(s) in US gallons. The electric boiler may be rated at 24 kW, 36 kW, 42 kW or 48 kW. Operational on 208V, 220V, 240V, 380V, 415V or 480V and have optional CSD1 controls.
Functioning Mode
Direct connected steam jacketed kettles consist of a stainless steel bowl and a stainless steel jacket which envelopes two thirds of the lower surface of the bowl thus forming a sealed pressure vessel (chamber) into which steam is introduced by means of a manual control valve. The kettle bowl is the container for the food product which ideally should be of a liquid or semi-liquid consistency to achieve complete contact with the bowl surface and thus fully absorb the heat transmitted through that surface. The temperatures required for the cooking process to function adequately must be greater than the boiling point of the liquid food product. Further, the greater the steam pressure used, the higher the temperature and consequently the quicker the cooking process. For example, steam pressurized at 30 p.s.i. attains a temperature of 274 degrees Fahrenheit (135 degrees Celsius). In the initial stages of the cooking process when the steam comes in contact with the cold kettle bowl surface it condenses and forms considerable amounts of water. A thermostatic steam trap has been plumbed to the exit end of the kettle jacket. This trap is a mechanical device that closes on high temperatures and opens when the temperature drops thus allowing the water formed from condensate to exhaust but retain steam under pressure.
Installation Instructions
Unpacking
IMMEDIATELY INSPECT FOR SHIPPING DAMAGE
Immediately after unpacking, check for possible shipping damage. If the appliance is found to be damaged, save the packaging material and contact the carrier within 15 days of delivery. We cannot assume responsibility for damage or loss incurred in transit. Before installing, verify that the gas (natural or propane), the elevation from sea level and the electrical supply agree with the specification on the data plate.
NOTE: If this appliance is being installed above 2000 feet altitude, contact your authorized service office to assure that the proper orifice size for your elevation has been installed.
Location
Position the boiler in its installation location. Check that there are sufficient clearances to service the controls, door swing, etc. Also adequate clearance must be left for making the required supply and drain connections. Allow enough space between any other piece of equipment or wall for service access. Service to the controls may be required on the left and/or right side panels of the cabinet.
Installation Codes and Standards
The boiler must be installed in accordance with:
In Canada:
Provincial and local codes, or in the absence of local codes, with the Canadian Electric Code, CSA C22.1 (latest edition). Copies may be obtained from the Canadian Standards Association, 178 Rexdale Blvd., Toronto, Ontario, Canada, M9W 1R3.
In the U.S.A.:
State and local codes, or in the absence of local codes, with the National Electrical Code, ANSI/NFPA-70 (latest edition). Copies may be obtained from The National Fire Protection Association, Batterymarch Park, Quincy, MA, U.S.A., 02269.
Levelling and Anchoring the Cabinet
- Place appliance in the installation position.
- Place a carpenter’s level on top of the appliance and turn the adjustable feet to level side-to-side and front-to-back.
- Mark hole locations on the floor through the anchoring holes provided in the rear flanged adjustable feet.
- Remove appliance from installation position and drill holes in locations marked on the floor. (See Installation Diagram on page 4.) Insert proper anchoring devices (not supplied).
- Place appliance back in the installation position.
- Place carpenter’s level on top appliance and re-level side-to-side and front-to-back.
- Bolt and anchor appliance securely to the floor.
- Seal bolts and flanged feet with silastic or equivalent compound
WARNING
Electrical and grounding connections must comply with the applicable portions of the National Electrical Code and/or other local codes.
WARNING
Do not connect the appliance to the electrical supply until after the gas connection has been made.
When making electrical connections, use copper wire suitable for at least 200 °F (90 °C). The steamer must be grounded in accordance with the National Electrical Code or applicable local codes. The wiring diagram is located on the inside of the right panel.
Exhaust Hood
An exhaust system should be located directly above the boiler to exhaust steam and heat generated by the boiler.
Plumbing Connections
Plumbing connections must comply with applicable sanitary, safety, and plumbing codes.
Water Supply Connection
The incoming cold water supply connection, at the rear of the b oiler cabinet, requires 3/8” tubing and water pressure of 25 – 50 psig. A manual shut-off valve must be provided convenient to the boiler ; this valve should be open when the boiler is in operation.
Drain Connection
The boiler drain (2” IPS) should be piped to a floor drain near the boiler. There should be no solid drain connection; an “open gap” between the boiler and the floor drain is required.
OPERATION
Operating Instructions
For CSD-1 equipped boilers, see this section for Operation Instructions for CSD-1 Equipped Boilers.
Boiler Controls (Inside Cabinet)
- Main Power Switch
- ON fills the boiler tank and turns the boiler controls on. You should allow 20 minutes to fill the tank and generate steam.
- OFF shuts off the boiler heaters and opens the Automatic Blowdown Valve, emptying the boiler tank and releasing water and steam to the drain. This should be done daily to remove sediment, lime, or scale.
- Pilot Light – Indicates main power is ON.
- Boiler Pressure Gauge – Should read 9 -11 psi during operation; 0 psi during shutdown.
- Water Level Sight Glass – Observe level of water and water quality in the boiler. Murkiness in the water indicates inadequate water quality; the owner must supply proper water to the boiler (see Service Connections Water Quality Statement).
- Water Level Control – While boiler is ON, briefly open the water level control valve once a day to remove any sediment that might accumulate. (see Periodic Maintenance Section).
- Safety Valve – This valve will release (pop off) if the boiler has too much pressure. Once a week, this valve should be tripped during operation to make sure it functions properly.
Operation of the Boiler
Turn on water and power supply. Open cabinet door and turn main power switch ON. Pilot light ignites and water begins to fill boiler – observe water gauge sight glass to verify that proper water level is reached. Once the proper water level is reached, the heaters begin to heat the water. Heaters require about 15 minutes to begin steam generation. The boiler pressure gauge in the cabinet should indicate steam pressure in a range of 9 to 11 psig.
Operating Procedures
The appliance and its parts are hot. Use care when operating, cleaning and servicing the appliance.
With Boiler In Operation Mode
- Fill kettle with product to desired level.
- Slowly turn the steam control valve to full open position.
- The water or food should boil 3 – 4 minutes per gallon. If it does not, then incoming pressure should be checked to determine that it is adequate to operate the kettle efficiently.
- Regulate steam control valve depending on type of food being prepared.
- When food is cooked, turn off steam, remove food and clean kettle immediately to prevent residue from drying on kettle bowl surface.
Shut Down
Turn the Main Power Switch OFF. Open manual drain valve. If unit is supplied with Automatic Blowdown Valve, it will open, draining the boiler and releasing hot water and steam to the drain.
CSD-1 Optional Feature
Start-up Procedure
- Close the manual blowdown valve.
- Open cabinet door and turn “ON” power switch. The green pilot light will come “ON.” Water will begin to enter the boiler. When enough water has entered the boiler, the (amber) “STANDBY” pilot light will come on.
- Press the “RESET” switch to begin boiler operation. The “STANDBY” pilot light will go off and the boiler will begin operation.
Normal Boiler Operating Cycle
Water Fill Cycle
On the initial filling of the boiler, the reset switch must be activated to initialize the safety lockout circuit. Once the water in the boiler has reached the proper level, the level control will stop the flow of water to the boiler. As water is consumed in the production of steam, the level control will supply additional water to the boiler.
Firing Cycle
The elements are operated by pressure sensing devices. On initial operation, the boiler should reach 11 psi in approximately 15 minutes. At this point, the operating pressure switch will open, de-energizing the elements. Thereafter the operating pressure switch will cycle the elements between 9 and 11 psi boiler pressure.
Condensing Drain
A thermostat is located in the drain assembly and is activated by the temperature of steam. The thermostat operates the cooling solenoid, supplying water to the drain to condense the steam.
Automatic Blowdown Valve
If the unit has an automatic blowdown valve, it is activated when the main power switch is activated. The boiler will be drained should the main power switch be turned “OFF.”
Safety Lockout Conditions
High Temperature Condition
A high temperature safety device is installed on the boiler. Should the temperature exceed the limit of this device, the boiler will be shut down and put in a state of lockout. The “TEMPERATURE” pilot light (red), and the “STANDBY” pilot light (amber), will come on.
High Pressure Condition
A high pressure safety switch is installed on the boiler. Should the pressure exceed the limit of this device, the boiler will be shut down and put into a state of lockout. The “PRESSURE” pilot light (red), and the “STANDBY” pilot light (amber), will come on. Should this device fail to operate, the safety relief valve will open.
Low Water Condition
A second low water safety cut off is supplied with the boiler. Should the water level fall below normal operating levels, the boiler will be shut down and put into a state of lockout. The “LOW WATER” pilot light (red), and the “STANDBY” pilot light (amber) will come on.
PERIODIC MAINTENANCE
WARNING
Disconnect the unit from the power supply before cleaning or servicing appliance
IMPORTANT INSTRUCTIONS
Be sure to flush your boiler water level control daily. Failure to follow this procedure can cause the control to malfunction resulting in serious boiler damage.

The Boiler Water Level Control installed on your boiler requires periodic maintenance. As boiler water circulates into the float chamber, sand, scale and other sediment may be deposited in the float chamber. While the chamber has been designed with a large accumulation bowl, it is necessary to flush the sediment from the chamber by blowing down the control so that the accumulation of sediment does not interfere with the movement of the float in the control. Control must be flushed at least once a day.
CAUTION
Protect yourself. When flushing control, hot water and steam will flow out of the drain. When flushing control, note water level in gauge glass, allow the boiler to fill if necessary and also to come up to temperature. Before flushing control, note that water level in gauge glass is within operating range and the boiler pressure is at least 6 psi. While the boiler is being fired, open blowdown valve at bottom of control by rotating the handle counterclockwise about 1/4 turn to fully open the valve Opening the blowdown valve also checks the cut-off operation. Float should drop shutting burners off, hot water and steam will flow out the drain flushing away sediment.
CAUTION
If heater does not shut off during blowdown, immediately discontinue use of appliance and call for service. Continue draining water for about fifteen (15) seconds, from control until water is clean. Manually close valve. Recheck gauge glass. If water level has dropped significantly, wait for the boiler to restore water level and pressure and repeat if necessary.
- Observe that the water in gauge glass is clean and clear. Extreme murkiness in water indicates inadequate water quality.
- Safety valve should be tripped during operation once a week to assure that it functions properly.
- Keep all exposed cleanable areas of unit clean at all times
Cleaning
WARNING
Disconnect the unit from the power supply before cleaning or servicing appliance
CAUTION
Do not use cleaning agents that are corrosiv
CAUTION
DO NOT allow water near the electrical components.
Your kettle should be cleaned immediately after each use.
- Ensure that steam supply is OFF.
- Pre-rinse inside of kettle thoroughly and tilt to remove any food particles.
- Using a nylon brush, clean kettle with a mild detergent and warm water rinse. Never use steel wool or scouring powder as it will scratch stainless steel.
- Tilt kettle and rinse thoroughly draining out detergent solution.
Use of cleaning agents that contain chloride, acids or salts are corrosive and may cause pitting and corrosion when used over a period of time; this will reduce the life of the appliances. Should pitting or corrosion occur this is not covered by warranty. Follow the recommended cleaning instructions. Use a mild detergent, warm water and rinse thoroughly.
What to Do if Surface Rust Appears
Metal utensils should never be used as they will scratch the surface of the equipment and rust may begin to form. To remove surface accumulation of rust from the inadvertent use of such utensils, the following procedure may be used.
CAUTION
Improper use of this procedure may damage your appliance!
- Use undiluted white vinegar with a non-abrasive scouring pad (plastic) or cloth on the affected area to remove the rust stain. The appliance should not be heated and remain at room temperature during the entire cleaning process.
- If the stain resists removal, additional exposure time with vinegar may be required, to a maximum of one hour.
- Thoroughly wash all of the vinegar away with fresh clear water. Dry the surface completely and allow one hour before using the appliance to cook.
Following daily and period maintenance procedures will prolong the life for your equipment. Climatic conditions – salt air – may require more thorough and frequent cleaning or the life of the equipment could be adversely affected.
Adjustments
NOTICE
Contact the factory, the factory representative or local service company to perform maintenance and repairs.
WARNING
At least twice a year have an authorized service technician clean and adjust the unit for maximum performance
CAUTION
Take extra caution when blowing down water level control or tripping safety valve as extreme hot water and live steam are present.
Boiler Descaling Instructions
It is recommended that the boiler be checked every 90 to 120 days for scale build up. Regular maintenance should be carried out at this time
- With boiler empty, close manual blowdown valve. If appliance is equipped with Automatic Blowdown, turn water supply to appliance OFF. Turn power switch ON. This will energize and close blowdown valve.
- Remove 3/4” pipe plug from fitting on left front of boiler.
- Insert appropriate hose or tube through fitting and pour in (1/2) half gallon (U.S.) of CLR Descaling Solution. If available, use the Optional Deliming assembly DPA-1 available from your dealer.
- Replace 3/4” pipe plug securely.
- Open water supply to appliance allowing water to fill boiler to required level.
- Let appliance cycle, allow two hours for descaling and cleaning. DO NOT TURN ON STEAM to attached appliances or to upper compartment.
- Open both the blowdown and low water level control valves for complete drainage. After boiler drains, close both valves.
- Turn appliance switch ON. When boiler is completely filled turn power switch OFF. This will rinse and drain boiler. Appliances with manual blowdown valve must be opened to drain.
- Complete Step 8 twice to assure boiler is completely rinsed.
- Appliance is now ready for use.
Calibrate Pressure Switches
NOTICE
Pressure switches are factory set. Calibration is only required if pressure switches are replaced or if adjustment is required. Pressure switch range is from 1 to 15 psi.
Pressure switch range is from 1 to 15 psi. Adjust all settings to maximum on high signal adjustment screw on pressure switches.
Adjust in the following sequence:
- High limit pressure switch.
- Operating pressure switch.
- Turning screw clockwise to increase, counterclockwise to decrease pressure.
- Use relief valve to release pressure from boiler for settling adjustments.
- HIGH LIMIT PRESSURE SWITCHES
Allow pressure to build until unit shuts off. This should occur at 15 psi. Set the high signal to switch at 14.5 psi on the gauge and the low signal to 13.0 psi. - OPERATING PRESSURE SWITCHES
Set the high signal to switch at 11 psi on the gauge and the low signal to 9 psi. - Release pressure in boiler to below 9 psi. Burner will come on. Once pressure has reached 11 psi, burners will shut off. Repeat this process several times to make sure burners come on at 9 psi and shut off at 11 psi.
Once completed, pressure switches have been calibrated.
Service
Contact your local authorized service office for any repairs or adjustments needed on this equipment.
Troubleshooting
NOTICE
Contact the factory, the factory representative or local service company to perform maintenance and repairs.
Water Not Being Supplied to Boiler
- Water supply is “OFF”.
- Defective water fill solenoid.
- Water level control clogged or defective, unable to operate fill valve.
- Check drain valve is closed.
- Supply water pressure too low.
Automatic Blowdown Valve Does Not Drain
- Defective blowdown valve.
- Heat exchanger build up of scalant clogging drain lines and valve.
Boiler Achieves Pressure Slower Than Normal
- Heavy build up of lime on elements.
- Loose element connections.
Safety Valve Blows
- Defective safety valve.
- Pressure too high, pressure switch requires adjustment (lower) or may be defective.
A product with the Crown name incorporates the best in durability and low maintenance. We all recognize, however, that replacement parts and occasional professional service may be necessary to extend the useful life of this appliance. When service is needed, contact a Crown Authorized Service Agency, or your dealer. To avoid confusion, always refer to the model number, serial number, and type of your appliance.
CROWN FOOD SERVICE EQUIPMENT
A Middleby Company 70 Oakdale Road, Downsview (Toronto) Ontario, Canada, M3N 1V9 Telephone: 919-762-1000 www.crownsteamgroup.com




















