
Safe Use Instructions:
ControlWave® Micro

Safe Use Instructions
ControlWave® Micro Process Automation Controller

Use this safe use instruction (SUI) document with the control wave Micro Process Automation Controller Instruction Manual (part D301392X012). For full cautions and descriptions of installation and troubleshooting procedures, refer to that manual.
ControlWave Micro Special Conditions for Safe Use
- Connections made to RS-232 or RS-485 communications ports shall be mechanically secured in place with suitable screw connections to prevent loosening or disconnection during use
- When using Ethernet connections, the RJ45 (Ethernet) connection must have a mating connector with a valid securing clip to prevent loosening or disconnection during use.
- The USB connector on the IEC 62591 module shall not is used unless the area is known to be nonhazardous (non-flammable).
- Install the ControlWave Micro within a suitable certified tool-accessible ATEX or IECEx-approved IP54 or better enclosure.
- The area in which the equipment is used should be a minimum of Pollution degree 2, as defined by IEC 60664-1 (that is, the environment should not contain conductive pollution and the equipment shall be installed in an indoor or sheltered location).
- The equipment may be used in zone 2 with flammable gases.
- The equipment may be used in the presence of flammable gases and vapors with apparatus groups IIC or IIB or IIA and with temperature classes T1 or T2 or T3 or T4.
- The equipment is certified for use in ambient temperatures in the range of –40°C ≤ Tamb ≤ +70°C and should not be used outside this range.
- The equipment is to be installed by suitably trained personnel in accordance with the applicable code of practice (typically IEC EN 60079-14).
- The equipment does not require assembly or dismantling.
Remote Automation Solutions
- With regard to safety, it is not necessary to check for correct operation.
- No user adjustment is required.
- Regular periodic inspections of the equipment should be performed by suitably trained personnel in accordance with the applicable code of practice to ensure it is maintained in satisfactory condition.
- The equipment is not intended to be repaired by the user. Repair of the equipment is to be carried out by the manufacturer, or their approved agents, in accordance with the applicable code of practice.
- The equipment contains no other customer-replaceable parts.
- Under certain extreme circumstances, the nonmetallic parts incorporated in the enclosure of this equipment may generate an ignition-capable level of electrostatic charge. Therefore, the equipment shall only be cleaned with a damp cloth.
- If the equipment is likely to come into contact with aggressive substances (such as acidic liquids or gases that may attack metals or solvents that may affect polymeric materials), then it is the responsibility of the user to take suitable precautions that prevent the equipment from being adversely affected, thus ensuring that the type of protection is not compromised.
- Provision shall be made to prevent the rated voltage from being exceeded by transient disturbances of more than 140% of the rated voltage.
Statement of Conformity
Hereby, Remote Automation Solutions declares that the ControlWave Micro product is in compliance with the essential requirements and other relevant provisions of European Directives 2004/108/EC (EMC) and 94/9/EC (ATEX).
DANGER
When installing units in a hazardous area, make sure all installation components selected are labeled for use in such areas. Installation and maintenance must be performed only when the area is known to be non-hazardous. Installation in a hazardous area could result in personal injury or property damage. Always turn off the power to the ControlWave Micro before you attempt any type of wiring. Wiring of powered equipment could result in personal injury or property damage. To avoid circuit damage when working inside the unit, use appropriate electrostatic discharge precautions, such as wearing a grounded wrist strap.
Do not open the enclosure unless the area is known to be non-hazardous.
SPECIFICATIONS
POWER
External Power Input: 10.7 to 30 V dc (+12 V dc) or 21.7 to 30 V dc (+24 V dc), depending on the configuration of jumpers switches, and reverse polarity protection.
Input: 10.7 to 30 V dc, 3A max, 36 watts max.
Reference ratings for each device are:
396560-01-6: 2 mA @ 3.3 V dc
396560-02-4: 2 mA @ 3.3 V dc
396563-16-3: 240 mA @ 3.3 V dc
396581-06-4: 145 mA @ 3.3 V dc
396657-02-8: 2A @ 24 V dc 4A @ 12 V dc
396686-01-0: 96 mA @ 120 V ac 40 mA@ 3.3 V dc
396897-02-9: 46 mA @ 3.3 V dc 24.3 mA @ Vext (11-30 V dc)
ENVIRONMENTAL
Operating Ambient Temperature: –40 to +70°C.
Storage Temperature: –40 to +85°C.
Operating Humidity: 15 to 95%, non-condensing.
WEIGHT
0.36 kg (4-slot base unit or 4-slot expansion unit).
APPROVALS
ATEX/IECEx
Evaluated per the following standards:
EN 60079-0 (2012)
EN 60079-15 (2010)
IEC 60079-0 (6th Ed)
IEC 60079-15 (4th Ed)
DEMKO 13 ATEX 1203X
Product Markings for Hazardous Locations:
Ex nA IIC T4 Gc, –40°C ≤ Tamb ≤ +70°C

The following tools are required for installation, maintenance, and troubleshooting:
- A personal computer running Microsoft® Windows® XP (with Service Pack 3), Windows 7, 8, 8.1 Pro, or Windows 10 Pro.
- ControlWave Designer software.
- Phillips-head screwdriver.
- Flat-head screwdriver.
- You receive the ControlWave Micro in a box. Remove it from the box.
- The ControlWave Micro has three base housing configurations (3-slot, 4-slot, and 8-slot) and three expansion housing configurations (2-slot, 4-slots, and 8-slot). This document discusses the 4-slot base housing and the 4-slot expansion housing. For further information on other housings, refer to the ControlWave Micro Process Automation Controller Instruction Manual (Part D301392X012). Install the ControlWave Micro in a suitable ATEX- or IECExapproved IP54 or better enclosure, using the following guidelines:
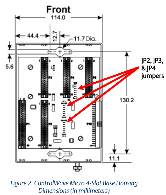
• Base housing. Position as desired on the enclosure mounting plate and locate mounting holes on the plate using the ControlWave Micro as a template. See Figure 2 for dimensions. Drill and tap mounting holes in the plate. Position the ControlWave Micro over the tapped locations and attach to the plate with four screws (not provided). Torque the screws to approximately 1.1 to 1.4 N-m.
• Expansion housing. Position the expansion housing to the right of the base housing and locate mounting holes using the expansion housing as a template (see Figure 3 for
dimensions).
Note: Remove the paper label over the connector on the right back edge of the base housing to firmly attach the expansion housing to the base housing.
Note: If you are attaching an expansion housing to a 4-slot or 8-slot base housing, remove the three bus terminators (JP2, JP3, and JP4, shown in Figure 2) from the backplane of the 4-slot or 8-slot base housing.
Drill and tap holes in the mounting plate. Position the base housing over the tapped locations and attach to the plate with four screws (not provided). Do not fully tighten. Plug
the expansion housing into the base housing and attach it to the plate with four screws (not provided). Torque the eight mounting screws to approximately 1.1 to 1.4 N-m. - Find a suitable location for the enclosure assembly. When choosing an installation site, be sure to check all clearances. Provide adequate clearance for wiring and service. Seal any holes placed in the enclosure to maintain the IP54 enclosure rating. Ensure the mounting of the assembly meets all weight requirements and the installation conforms to local building codes.
- Properly ground the ControlWave Micro. Properly grounding the Micro helps to reduce the effects of electrical noise on the unit’s operation and protects against lightning. Base housings have a ground lug (see Figure 2) that accommodates up to 5.19 mm (4 AWG) wire size. After you install the base and any expansion housings and before you install any modules in the base or expansion housings, you must run a ground wire between the base housing ground lug and known good earth ground. All earth grounds must have an earth-to-ground rod or grid impedance of 2.0 ohms or less, as measured with a ground system tester. The grounding conductor should have a resistance of 1
ohm or less between the ControlWave Micro’s enclosure ground and the earth ground rod or grid.
Note: After you install the PSSM In the base housing, run a 1.63 mm (14 AWG) wire from the TB1-3 power connection (Ground) to the same known good earth ground.
If the pipeline-to-earth impedance is greater than 2 ohms, electrically isolate the ControlWave Micro and install a ground rod or grid grounding system. The recommended cable for I/O signal wiring is an insulated, shielded, twisted-pair. The twisted pair and the shielding minimize signal errors caused by EMI (electromagnetic interference), RFI (radio frequency interference), and transients. - Install and configure the Power Supply/Sequencer module (PSSM). Refer to the ControlWave Micro Process Automation Controller Instruction Manual (part D301392X012) for specific instructions on configuring the PSSM to your site’s requirements.
- Install and configure the CPU and communications and I/O modules. Refer to the ControlWave Micro Process Automation Controller Instruction Manual (Part D301392X012) for specific instructions on configuring these modules to your site’s requirements.
- Connect the ControlWave Micro to power, I/O devices, and communication devices. The external connections (or field terminals) are all located on the termination board. The terminal block accepts wires up to 1.63 mm (14 AWG) in size. The ControlWave Micro connectors use compression terminals. The input power termination (IN+ / IN–) uses a removable connector and accommodates wiring up to 1.63 mm (14 AWG) in size. In all cases, make connections by baring the end (6 mm maximum) of the wire, inserting the bared end into the clamp beneath the termination screw, and then tightening the screw to 0.25 N-m. The inserted wires should have a minimum of bare
wire exposed to prevent short circuits. Allow some slack when making connections to prevent strain.
Notes:
• Caution: Do not over-torque the connector screws.
• Check the input power polarity before you turn on the power. - Apply power to the ControlWave Micro.
- To place the ControlWave Micro in service, use ControlWave Designer software to create a ControlWave project that meets the needs of your particular application. Download the project into the unit. Then use the Flash Configuration utility to set configuration parameters.
Note: For an overview of this process and references to other relevant documentation, see the ControlWave Micro Quick Setup Guide (D301425X012). - If you are experiencing problems that appear to be hardware-related, verify the wiring. If you still experience problems, contact your local sales office for return authorization.
- To remove the ControlWave Micro from service:
• Verify safe area.
• Disconnect power from the unit.
• Remove all external wiring connections.
• Remove the FB107 from its enclosure. - Place the ControlWave Micro in a suitable container for transportation or shipment.
For customer service and technical support,
visit www.Emerson.com/SupportNet.
Global Headquarters,
| North America, and Latin America: Emerson Automation Solutions | Europe: Emerson Automation Solutions Remote Automation SolutionsUnit 1, Waterfront Business Park Dudley Road, Brierley Hill Dudley, DY5 1LX UK T +44 1384 487200 | Middle East/Africa: Emerson Automation Solutions Remote Automation Solutions Emerson FZE P.O. Box 17033 Jebel Ali Free Zone – South 2 Dubai U.A.E. T +971 4 8118100 | F +971 4 8865465 | Asia-Pacific: Emerson Automation Solutions Remote Automation Solutions 1 Pandan Crescent Singapore 128461 T +65 6777 8211| F +65 6777 0947 |
© 2014-2021 Remote Automation Solutions, a business unit of Emerson Automation Solutions. All rights reserved.
This publication is for informational purposes only. While every effort has been made to ensure accuracy, this publication shall not be read to include any warranty or guarantee, express or implied, including as regards the products or services described or their use or applicability. Remote Automation Solutions (RAS) reserves the right to modify or improve the designs or specifications of its products at any time without notice. All sales are governed by RAS terms and conditions which are available upon request. RAS accepts no responsibility for the proper selection, use or maintenance of any product, which remains solely with the purchaser and/or end-user.
Remote Automation Solutions

• Expansion housing. Position the expansion housing to the right of the base housing and locate mounting holes using the expansion housing as a template (see Figure 3 for
Note:














