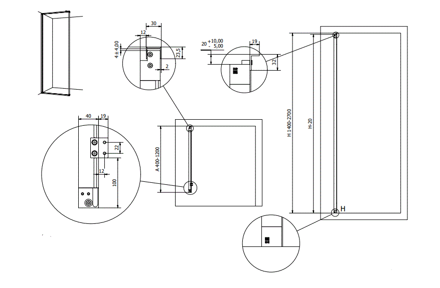
Home » Blog » Inr Edge 20 Plus Shower Screen Instruction Manual Inr Edge 20 Plus Shower Screen Instruction Manual Contents hide1 INR Edge 20 Plus Shower Screen2 INSTALLATION/GENERAL DIMENSIONS3 Documents / Resources4 Related PostsINR Edge 20 Plus Shower ScreenINSTALLATION/GENERAL DIMENSIONS Documents / Resouces Download manual Here you can download full pdf version of manual, it may contain additional safety instructions, warranty information, FCC rules, etc. To access the pdf donwload links, solve the captcha. Related Manuals Inr Edge 12 Corner Shower Instruction Manual Inr Edge 20 Shower Wall Instruction Manual Inr Edge 13 Left Shower Corner Instruction Manual Inr Edge 4 Left Shower Wall Instruction Manual Inr Arc 4 Shower Wall Frame Instruction Manual Ravak Gw1cg4c00z1 Walk-in Corner Shower Instruction Manual Aqualine Yr800 Arlen Quarter-circle Shower Screen Instruction Manual Aquabatos Fsp204 Shower Cubicle Corner Shower Instruction Manual Cur Aqua 003836 Bathroom Shower Set Instruction Manual Inr Arc 12 Original Shower Owner's Manual Ravak Bsrv4 Plus B Set 80 Corner Shower Instruction Manual Ravak 0ulg7a00z1 Brilliant Shower Enclosure Instruction Manual Gustavsberg Skandic Kr 90 90 X 90 Cm Screen Quarter Circle Shower Instruction Manual Wellis Wz00081 Napoli Shower Panel Instruction Manual Kayoba 952-056 Outdoor Shower Instruction Manual Hansgrohe 28551000 Ecosmart Hand Shower Instruction Manual Well Time 56213235 Corner Shower Florenz Instruction Manual Bernstein Nt213 Corner Shower User Manual Iconic Nordic Rooms Edge 13 Shower Corner Instruction Manual Hansgrohe 27085000 Shower Combination Instruction Manual