VEGA SI-11 REV.2 Pulse Counter

Product Information
- The product manual consists of 19 pages.
- The content on pages 3 to 4 is related to the product’s features.
- The content on page 6 is related to the product’s setup process.
- The content on pages 7 to 8 is related to the product’s usage instructions.
- The content on pages 9 to 13 is related to troubleshooting and maintenance.
- The content on pages 14 to 18 is related to safety precautions.
- The content on page 19 is related to warranty and support.
Product Usage Instructions
- Refer to pages 3 to 4 for an overview of the product’s features.
- Follow the instructions on page 6 to set up the product.
- Refer to pages 7 to 8 for detailed usage instructions.
- If you encounter any issues, refer to pages 9 to 13 for troubleshooting and maintenance tips.
- Make sure to read and follow the safety precautions on pages 14 to 18 before using the product.
- Refer to page 19 for information about the product’s warranty and support options.
INTRODUCTION
- This manual is designated for Vega SI-11 rev.2 pulse counter (hereinafter – the counter) manufactured by Vega-Absolute 000 and provides information on powering and activation procedure, control commands, and functions of the counter.
- This manual is targeted at specialists familiar with installation work fundamentals of electronic and electrical equipment.
- Vega-Absolute 000 reserves the right to make changes to the manual related to the improvement of equipment and software, as well as to eliminate typos and inaccuracies, without prior notice.
DEVICE PURPOSE AND OPERATION PRINCIPAL
DEVICE PURPOSE
- Vega SI-11 rev.2 pulse counter is designed for counting of pulses incoming to 4 independent inputs, further accumulating and transmitting of this information to the LoRaWAN® network.
- In addition, Vega SI-11 rev.2 can be used as a security device – anyone of four inputs can be configured as security input.
- The pulse counter can be used for any utilities’ meters and industrial equipment with pulse output of herkon type or open-drain type.
- Equipment with NAMUR pulse output is not supported
- The counter is powered by a 3.6 V battery type A.
- The device is powered by a non-rechargeable lithium-thionyl chloride {LiSOCb) battery
- Attempts to charge the battery may result in fire Long-term storage of equipment outside the operating mode leads to battery passivation, which does not allow the equipment to operate in the declared mode.
- For correct operation, before starting the equipment, carry out the depassivation process. To request the instructions please e-mail us at [email protected]
OPERATION ALGORITHM
Vega SI-11 rev.2 operates in modes listed below:
- Storage” – is a mode for storing and transporting. In this mode the device does not communicate regularly wi th the network.
- Active” – is a main mode of device operation.
- Initially, the device is not connected to power, because a plastic plug is insta lled between the battery contact and the device contact, which must be removed before putting the sensor into operation.
- Vega Sl-11 rev.2 supports two activation methods in the LoRaWAN® network – ABP and OTAA. Select one of the methods via the “Vega LoRaWAN Configurator” application (see “User Manual” on the program).
- ABP method. After pressing the start button, the device immediately starts working in the “Active” mode.
- OTAA method. After pressing the start button, the device makes three attempts to connect to the network within the set frequency plan. After the activation in the LoRaWAN® network is confirmed, the device sends a signal (LED flashing for 5 seconds) and switches to the “Active” mode. If all attempts fail, the counter will continue to accumulate data and will attempt to connect to the network every 6 hours.
- Switching the device from the “Active” mode back to the “Storage” mode is possible by the prolonged exposure (longer than 10 seconds) of the magnetic field (magnet proximity) on the Hall sensor.
- When switching to the “Storage” mode. all readings from the pulse inputs accumulated in the device memory are reset
- The device forms the data packet with current state with a configurable period from 5 minutes to 24 hours. The packets stored in the device memory and transmitting during the next communication session with the LoRaWAN® network.
Examples
- If the data collection period is set to 24 hours the packet is formed at 00.00 on the internal clock of the device
- If the data collection period is 12 hours then at 00.00 and at 12.00, and so on.
- The adjustable data transfer period can be from 5 minutes to 24 hours. When beginning of communication session, the device starts sending packets with readings from the earliest packet. The time of data transmitting cannot be specified, it’s defined in random way for every device in chosen period of transmission from the moment of connection to the network.
Example
- Transmission period is 30 minutes, and device was started at 16:40 by the internal device clock. In random way the device calculate data transmitting time and set it at 16:41 in the half-hour period from 16:40 to 17:10. Thus, packets from this device will transmit at 16:41, at 17:11, at 17:41, at 18:11 and so on every 30 minutes by the internal device clock.
- The internal clock is set automatically when you connect to the device via service UART connector, also can be adjust via LoRaWAN® network.
FUNCTIONAL
- Vega Sl-11 rev.2 pulse counter is A class device (LoRaWAN® classification) and has the following features:
- ADR support (Adaptive Data Rate)
- Sending of confirmed packets
- Two operating modes: “Active” and “Storage”
- Inputs can be switched to “security” mode for connection to external leakage and safety sensors, etc.
- Queue for sending packets if delivery fails
- Time referencing of readings by internal clock
- Communication in case of security inputs actuation
- Temperature measurement
- Charge measuring of the built-in battery(%)
MARKING
- Device marked with a sticker that contains the following information:
- Device name;
- DevEUI;
- Release Date:
- Certification marks.
- The sticker is located in three places – on the device case, on the factory certificate, and on the packing box.
- Besides, there is an additional sticker located on the packing box which contains:
- Information about firmware version;
- OR code containing device activation keys in the LoRaWAN® network, production date, and other identifiers.
SPECIFICATION


For changing the device settings, you need to connect to it with the “Vega LoRaWAN Configurator” application. You can download app on the iotvega.com site in SOFT section as well as User Manual for the configurator. Go to the app page.
OPERATION
DEVICE APPEARANCE
Vega SI-11 rev.2 is represented in a small plastic case that has four screws and mounting for the DIN rail.
- screw 0 2 mm x 8 mm, cross

- DIN-rail with mounting holes 0 3 mm
- silicone gasket without through holes, ensuring the protection rating of the device case IP65.
- All of the elements for management and indication as well as connecting contacts are placed on the board inside the case.

- All of the elements for management and indication as well as connecting contacts are placed on the board inside the case.
- battery contacts
- LED indicator
- service UART connector
- Hall sensor
- Contacts
CONTACTS DESCRIPTION
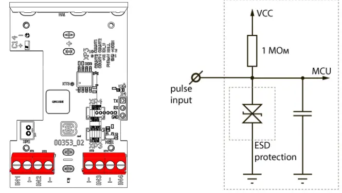
When connecting a radio modem to external devices, consider the internal circuitry of its pulse inputs shown below.
- De-bouncing logics with 5 msec time constant is integrated in the pulse counter. The pulse counting is carried out for frequencies up to 200 Hz.
- The pulse counter has 4 pairs of contacts that is allows to connect circuits with the following types of NO contacts:
- reed switch;
- mechanical pushbutton;
- open-collector output.
Equipment with NAMUR pulse output is not supported
- Polarity effects only “open collector” circuits.
- To reset all readings from the pulse inputs accumulated in the device memory you need to switch the device to the “Storage” mode by the prolonged exposure (longer than 10 seconds) of the magnetic field (magnet proximity) on the Hall sensor.
- Pulse inputs can be configured for work in the “Security” mode via the “Vega LoRaWAN
- Configurator” application. In this mode, the device does not count pulses at the “Security” input, but only monitors its status. Should the “Security” input trigger, the device is activated and sends an alarm message to the network.
- The maximum possible frequency of sending alarm packets is one per 1 second.
LED INDICATIONS
- There is one red LED on the board. The indication is only used when the device is activating in the LoRaWAN® network and when the operating modes are changing.


- In case of connection attempt fail, the device will continue to accumulate data and will attempt to connect to the network every 6 hours
HALL SENSOR
- The device is equipped with a Hall sensor.


FSK RADIO CHANNEL
- For a local wireless connection to a personal computer (PC), the device implements switching between LoRa and FSK modulation modes, that is, an FSK radio channel is implemented.
- To organize such a connection, an additional device “Vega FSK Dongle” is used, which is connected to the USB port of the PC. To read and change the meter parameters, the Vega LoRaWAN Configurator» program is used.
CONNECTING THE METER TO A PERSONAL COMPUTER
- The FSK radio channel allows you to organize a local wireless (up to several tens of meters) connection to the meter for reading and changing its parameters.
- To connect via FSK you will need: ® device “Vega FSK Dongle”, which is connected to the USB port of a PC; ® FSK key, which is individual for each device and is contained in an OR code on a sticky label along with activation keys in the LoRaWAN® network and other identifiers.
The connection order is as follows:
- Connect the “Vega FSK Dongle” to the USB port of the PC;
- Run the «Vega LoRaWAN Configurator» program;
- Click the “Connect” button in the menu on the left
- The program will automatically recognize the device type and the device selection menu will become inactive.

- The program will automatically recognize the device type and the device selection menu will become inactive.
- Click the “Get settings” button and make sure that the frequency plan matches the frequency plan of the device to which you plan to connect via FSK.
- Click the “Connect to the device via FSK” button.
- In the window that appears, enter the FSK key of the desired meter and click “OK”.

- Exposure the magnet to the Hall sensor of the device for 1-2 seconds or wait for automatic connection (the device activates the FSK radio channel once every two minutes).
- It will connect to the device as if it was connected via USB, only a window with FSK communication parameters will appear in the menu on the left. All settings are made, as with a USB connection, using the “Get Settings” and “Apply Settings” buttons.
- At the time of an active communication session using the FSK radio channel. data transmission to the Lo Ra WAN® network will be unavailable. If the device settings have been changed, it will start the registration procedure on the network again, immediately after the session with the «Vega LoRaWAN Configurator» program is completed.
- CONNECTING METER TO A PERSONAL COMPUTER VIA VEGA USB-UART CONNECTOR
Vega USB-UART converter allows to organize a wired connection to the meter for reading and changing its parameters. To connect, it is necessary to install the driver for the MCP2200 COM port, which can be found on website in the “Downloads” section.
To connect you will need:
- ® Vega USB-UART converter connected to the USB port of a PC. Connection procedure as follows:

- Connect the converter to the USB connector of a PC;
- Ru n the «Vega LoRaWAN Configurator» program;
- Expose the magnet to the Hall sensor and wait for the LED signal;
- In the «Vega LoRaWAN Configurator» switch to the Expert mode in the menu on the left, and select the device model and the assigned COM port. After that, click the “Connect” button.
MOUNTING RECOMMENDATIONS
- To provide a stable radio between the gateway and the end device it is recommended to avoid the device installation in places that are barriers to the radio signal getting through like reinforced floors and walls, a basement, underground facilities and wells, a metal case, etc.
- The necessary stage for network deploying including a big quantity of end devices is radio planning work with nature experiments.
- Before starting mounting work, you must make sure that the latest firmware version is installed on the equipment
For mounting you will need:
- cross-shaped screwdriver
- awl;
- wire stripper;
- magnet;
- laptop.
Initially, the device is not connected to power, because a plastic plug is installed between the battery contact and the device contact, which must be removed before putting the sensor into operation After removing the plug, make sure that the battery contacts are tightly adjacent to the contacts of the device
Step by step mount ing is as follows:
- Setting the devices and connecting them to the network are usually carried out in the office (see Network Deployment Manual).
- Determination of suitable places for mounting the object with a network tester.
- De-energizing the connected equipment, metering devices, etc.
- Making holes in the silicone gasket for wires – strictly according to the number of wires. It must be remembered that the wire must be of circular cross-section and no more than 3 mm in diameter.
- When removing the sealant, as well as when installing wires of a different diameter or cross-section, device performance may deteriorate until failure due to moisture entering the case
- Remove the plastic plug between the battery contact and the device contact if there is one, or install the battery if it was not installed;
- Connecting all necessary wires to the Sl-11 rev.2 contacts;
- Device launching – switching to the “Active” mode by the prolonged exposure (longer than 10 seconds) of the magnetic field (magnet proximity) on the Hall sensor and registration in the network.

- By the laptop, you can make sure that the device successfully sends the data.
- Before assembling the device, it is necessary to reset the pulses accumulated during testing and connection by switching the device to the “Storage” mode by the prolonged exposure (longer than 10 seconds) of the magnetic field (magnet proximity) on the Hall sensor.
- Start the device by prolonged exposure (longer than 10 seconds) of the magnetic field (magnet proximity) on the Hall sensor.
- Assembling the device.
- DIN-ra il mounting or another available way to mount the device on the object.
COMMUNICATION PROTOCOL – VERSION 2.0
- This part describes the latest version of the Sl-11 rev.2 communication protocol with the LoRaWAN® network. The protocol version of the device is displayed in the “Configurator” in the “Device info” tab
In fields consisting of several bytes, the little-endian byte order is used
VEGA Sl-11 REV.2 PULSE COUNTER TRANSMITS THE FOLLOWING TYPES OF PACKETS
- A packet with current readings Sent regularly or by an event on LoRaWAN® port 2.

Values of basic settings” bit field decoding
- The counter has an internal clock and calendar; the time and date are factory set.
- When sending a packet with the current readings, the device uses the data taken at the nearest time, which is multiple to the interval according to the data collection period:
- 1-hour period: the readings of the beginning of the current hour are sent;
- 6 hours period: 00:00, 06:00, 12:00, 18:00 readings are sent;
- 12 hours period: 00:00, 12:00 readings are sent;
- 24-hour period: the readings of 00:00 of the current day are sent.
- Time zone considered during the collection of data from an external meter. 2. Settings packet
- Transmitting on LoRaWAN® port 3 when settings request command received, or device connected to the network.

VEGA Sl-11 REV.2 PULSE COUNTER RECEIVES PACKETS OF THE FOLLOWING TYPES
- The packet with a request for settings
- Sent by application on LoRaWAN® port 3.

- Answering this packet, the device sends the packet with settings.
Packet with settings
- Is identical to such a packet from the device.

- The package with settings sent to the device may not contain all the settings supported by the device, only the part that needs to be changed.
Table of the ID of SI-11 rev.2 parameters and these possible values
- The table contains values in DEC, when sending, these values must be converted to HEX

STORAGE AND TRANSPORTATION REQUIREMENTS
- Vega SI-11 rev.2 pulse counter shall be stored in the original packaging in a heated room at temperatures +5 °C to +40 °C and relative humidity less than 85%.
- The counter shall be transported in covered freight compartments of all types at any distance at temperatures -40 °C to +85 °c.
- Long-term storage of the device in the “Storage” mode (more than 6 months) can lead to passivation of the battery.
CONTENT OF THE PACKAGE
- The pulse counter is delivered complete with:
- Vega SI-11 rev.2 pulse counter – 1 pc.
- Screw – 4 pcs.
- Factory certificate – 1 pc.
WARRANTY
- The manufacturer guarantees that the product complies with the current technical documentation, subject to the storage, transportation, and operation conditions specified in the User Manual
- The warranty period is 36 months.
- The warranty does not apply to batteries.
- The warranty period of operation is calculated from the date of sale marked in the product factory certificate, and from the release date when such a mark is absent. During the warranty period, the manufacturer is obliged to provide repair services or replace a failed device or its components.
The manufacturer does not bear warranty obligations in the event of a product failure if:
- the product does not have a factory certificate;
- the factory certificate does not have a TCD stamp and/ or there is no sticker with information about the device;
- the serial number (DevEUI, EMEi) printed on the product differs from the serial number (DevEUI, EMEi) specified in the factory certificate;
- the product has been subject to alterations in the design and/or software which are not provided for in the operational documentation;
- the product has mechanical, electrical and/or other damage and defects arising from a violation of the conditions of transportation, storage, and operation;
- the product has traces of repair outside the manufacturer’s service center;
- the components of the product have internal damage caused by the ingress of foreign objects liquids and/ or natural disasters (flood, fire, etc.).
- The average service life of the product is 7 years.
- In the event of a warranty claim, contact the service center:
- 119A, Bol’shevistskaya Str., Novosibirsk, 630009, Russia.
- Tel.: +7 (383) 206-41-35.
- e-mail: [email protected]
DOCUMENT INFORMATION
- Title: Pulse Counter Vega SI-11 rev.2
- Document Type: Manual – Translation from Russian
- Document number: V02-SI11-01
- Revision and date: 30 or 23 August 2022
Revision History

vega-absolute.ru: User Manual © Vega-Absolute 000 2022 Revision 30 of 23 August 2022



































