F F MB-LI-4 Hi Pulse Counter

Product Information
- Brand: F&F Filipowski sp. j.
- Address: Konstantynowska 79/81, 95-200 Pabianice, POLAND
- Phone/Fax: (+48 42) 215 23 83 / (+48 42) 227 09 71
- Website: www.fif.com.pl
- Email: [email protected]
- Product Name: MB-LI-4 Hi
Pulse counter, 4-channel, with Modbus RTU output.
The MB-LI-4 pulse counter is used for counting the AC/DC signals generated by external devices to determine the number of completed work cycles and for exchanging the data via RS-485 port in accordance with the Modbus RTU protocol.
Functions:
- 1 –
- 2 –
- 3 –
Purpose:
The MB-LI-4 pulse counter is used for counting the AC/DC signals generated by external devices to determine the number of completed work cycles and for exchanging the data via RS-485 port in accordance with the Modbus RTU protocol.
Security:
- Galvanic isolation between the IN…, COM… contacts and the rest of the circuit (min. 2.5 kV). and the rest of the system (min. 2.5 kV).
- No galvanic isolation between module power supply and RS485 lines.
- Overcurrent protection for power supply and communication inputs (up to a maximum of 60 V DC) with automatic return function.
Modbus RTU protocol parameters
Communication parameters:
- Protocol: Modbus RTU
- Operating mode: Slave
- Port settings (factory settings):
- Number of bits per second: 1200, 2400, 4800, 9600, 19200, 38400, 57600, 115200
- Data bits: 8
- Parity: NONE, EVEN, ODD
- Start bits: 1
- Stop bits: 1/1.5/2
- Network address range (factory settings)
- Command codes
- Max. frequency of queries: 15 Hz
- Communication registers:
- Address
- Description
- Function type Atr.
- 256
- 03 06
- int R/W
- Read current and write the baud rate: 0:1200/1:2400/2:4800/3:9600/4:19200/5:38400/6:57600/7:115200
- 257
- Read current and write new parity value: 0:NONE/1:EVEN/2:ODD
- 258
- 03 06
- int R/W
Product Usage Instructions
- Before installing the module, set the selected Modbus communication parameters and measurement options.
- Disconnect the power supply in the distribution box.
- Install the module on the rail.
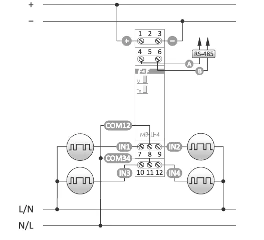
- Connect the module power supply to terminals 1-3 as indicated.
- Connect the A-B signal output (RS-485 port) to the Master device output.
- Connect the signal wires to the counter inputs according to the selected trigger option (low or high signal).
Wiring diagram:

Communication settings reset
A configuration jumper is available under the module casing. Starting the controller with the jumper closed restores the factory settings of the communication parameters. To do this, remove the casing of the module and put the jumper on both pins. After the reset is done, remove the jumper.
Note: An external control voltage is needed to trigger the input in any case. If the module’s supply voltage is used for this, the galvanic separation between the control inputs and the power supply and communication is lost.
F&F Filipowski sp. j.
Konstantynowska 79/81, 95-200 Pabianice, POLAND phone/fax (+48 42) 215 23 83 / (+48 42) 227 09 71
www.fif.com.pl;
e-mail: [email protected]

MB-LI-4 Hi
Pulse counter, 4-channel, with Modbus RTU output
Do not dispose of this device in the trash along with other waste! According to the Law on Waste, electro coming from households free of charge and can give any amount to up to that end point of collection, as well as to store the occasion of the purchase of new equipment (in accordance with the principle of old-for-new, regardless of brand). Electro thrown in the trash or abandoned in nature, pose a threat to the environment and human health.
Purpose
The MB-LI-4 pulse counter is used for counting the AC/DC signals generated by external devices to determine the number of completed work cycles and for exchanging the data via RS-485 port in accordance with the Modbus RTU protocol.
Functions
- 4 independent counters;
- Counter input designed to work with AC/DC signals 160÷265 V;
- Factor adjustment (a floating-point value);
- Rescaled value (Number of pulses × factor);
- Selecting a mode of state 1 trigger: high or low voltage;
- Selecting an input pulse edge (leading or trailing);
- Frequency filter that allows you to limit the maximum frequency of counted pulses (to eliminate interferences on the input of the counter);
- Memory of counter status after power failure;
- Digital input.
Functioning
The MB-LI-4 module is a four-channel one-way counter. Each channel is independent and counts the impulses in accordance with individual settings.
The results are presented in the form of a Number of pulses and rescaled value in a range from 0 to ~4,29 billion. Reading of the counter can be reset independently for each channel. Once the maximum Number of pulses (overflow) is reached, counter automatically resets and counts from 0.
The module has configurable options of counting pulses with low or high signal and with leading or trailing edge.
In addition, counting input can be used as a DI digital input with the ability to read its state.
Reading the values of counted pulses, a rescaled value, adjustment of all counting parameters, communication and data exchange is carried out via RS-485 port using Modbus RTU communication protocol. Power is indicated by a green LED “U” light. Correct data exchange between the module and other device is indicated by the LED yellow “Tx” light.
Mounting
- The use of anti-interference and surge filters (such as OP-230) is recommended.
- It is recommended to use shielded twisted-pair cables to connect the module to another device.
- When using shielded cables, ground the screens only on one side and as close to the device as possible.
- Do not route signal cables in parallel in close proximity to high and medium voltage lines.
- Do not install the module in the immediate vicinity of high-power electric receivers, electromagnetic measuring instruments, phase power control devices and other de-vices that may cause interference.
- Before installing the module, set the selected Modbus communication parameters and measurement options.
- Disconnect the power supply in distribution box.
- Install the module on the rail.
- Connect the module power supply to terminals 1-3 as indicated.
- Connect the A-B signal output (RS-485 port) to the Master de-vice output.
- Connect the signal wires to the counter inputs according to the selected trigger option (low or high signal).
Wiring diagram

Terminal description

- 1-3 9÷30 V DC power supply
- 4-6 RS-485 serial port
- 7 IN1 counter input
- 8 IN2 counter input
- 9 COM input (common) for IN1 and IN2
- 10 IN3 counter input
- 11 IN4 counter input
- 12 COM input (common) for IN3 and IN4
Communication settings reset
A configuration jumper is available under the module casing. Starting the controller with the jumper closed restores the factory settings of the communication parameters. To do this, remove the casing of the module and put the jumper on both pins. After the reset is done, remove the jumper.

Security
- Galvanic isolation between the IN…, COM… contacts and the rest of the circuit (min. 2.5 kV). and the rest of the system (min. 2.5 kV).
- No galvanic isolation between module power supply and RS-485 lines.
- Overcurrent protection for power supply and communication inputs (up to a maximum of 60 V DC) with automatic return function.
An external control voltage is needed to trigger the input in any case. If the module’s supply voltage is used for this, the galvanic separation between the control inputs and the power supply and communication is lost.
Modbus RTU protocol parameters
Communication parameters


Communication registers




Digital input registers

Counters registers






Configuration registers





The ratio setting for the scaled value is the result of multiplying and dividing the set values of the registers (e.g. for In1, registers R514 and R515) Example:
Factor 2: multiplier =2; divisor=1 (2/1=2)
Factor 1.68: multiplier =168; divisor=100 (168/100=1.68)
Factor 0.68: multiplier =68; divisor=100 (68/100=0.68)
Default values:
logic = 1; pulse time = 5 ms; multiplier = 1; divisor = 1
Legend: R – read, W – write
Technical data
- power supply 9÷30 V DC
- number of counting inputs 4
- counting input voltage 160÷265 V AC/DC
- maximum counting frequency 100 Hz
- maximum number of pulses 232 (4.294.967.295)
- input circuit impedance ≥10 kΩ
- port RS-485
- communication protocol Modbus RTU
- operating mode Slave
- power indication green LED
- communication indication yellow LED
- parametry komunikacji
- baud rate (adjustable) 1200÷115200 bit/s
- data bits 8
- stop bits 1/1.5/2
- parity bit EVEN/ODD/NONE
- address 1÷247
- power consumption 0.3 W
- working temperature -20÷50°C
- terminal 2.5 mm² screw terminals
- tightening torque 0.4 Nm
- dimensions 1 module (18 mm)
- mounting on TH-35 rail
- ingress protection IP20
Warranty
The F&F products are covered by a warranty of the 24 months from the date of purchase. Effective only with proof of purchase. Contact your dealer or directly with us.
CE declaration
F&F Filipowski sp. j. declares that the device is in conformity with the essential requirements of The Low Voltage Directive (LVD) 2014/35/EU and the Electromagnetic Compatibility (EMC) Directive 2014/30/UE.
The CE Declaration of Conformity, along with the references to the standards in relation to which conformity is declared, can be found at www.fif.com.pl on the product page.




















