LynTec PDS-12 Series Relay Panels
Hazard Categories and Special Symbols:
The user manual contains hazard categories and special symbols
to warn users of potential hazards or to provide information that
clarifies or simplifies a procedure. The symbols include:
- DANGER: Indicates an immediately hazardous situation that will result in death or serious injury if not avoided.
- WARNING: Indicates a potentially hazardous situation that can result in death or serious injury if not avoided.
- CAUTION: Indicates a potentially hazardous situation that can result in minor or moderate injury or property damage if not avoided.
- NOTE: Provides additional information to clarify or simplify a procedure.
The addition of either symbol to a Danger or Warning safety label indicates that an electrical hazard exists which will result in personal injury if the instructions are not followed.
Class A FCC Statement:
This equipment has been tested and found to comply with the limits for a Class A digital device, pursuant to part 15 of the FCC Rules.
Product Usage Instructions:
Before attempting to install, operate, service, or maintain the PDS-12 Series Relay Panels, read the user manual carefully and become familiar with the device. Follow all safety messages provided in the manual to avoid possible injury or death.
Each PDS comes standard with the following components installed:
- PDS Controller
- Power Supply
- Relay Driver to control 4, 8 or 12 relays
- SS-2 Switch Set
Optional additional components include: - SS-2PL Locking Switch Set (single-gang wall plate)
- SS-2DPL Locking Switch Set (Decora insert)
- SS-2LRP Locking Switch Set (1RU rack plate)
- SS-4LRP Two Locking Switch Sets (1RU rack plate)
Safety Precautions:
Chapter Two of the user manual provides safety precautions that users should follow before operating the product.
This chapter contains important safety precautions that must be followed before attempting to install, service, or maintain electrical equipment? Carefully read and follow the safety precautions below
READ AND FOLLOW ALL SAFETY INSTRUCTIONS
DANGER
HAZARD OF ELECTRIC SHOCK, EXPLOSION, OR ARC FLASH
This equipment must be installed and serviced only by qualified electrical personnel
- Apply appropriate personal protective equipment (PPE) and follow safe electrical work practices See NFPA 70E
- Turn off all power supplying this equipment before working on or inside the equipment
- Always use a properly rated voltage sensing device to confirm that power is off
- Replace all devices, doors, and covers before turning on power to this equipment
Failure to follow this instruction will result in death or serious injury
IMPORTANT SAFEGUARDS
When using electrical equipment, basic safety precautions should always be followed including the following:
READ AND FOLLOW ALL SAFETY INSTRUCTIONS
- Do not use outdoors unless the enclosure is rated for outdoor use
- Do not mount near gas or electric heaters
- Equipment should be mounted in locations and at heights where it will not readily be subjected to tampering by unauthorized personnel
- The use of accessory equipment not recommended by the manufacturer may cause an unsafe condition
- Do not use this equipment for other than the intended use
Quick Start Guide:
Chapter Three of the user manual provides a quick start guide for users to set up and operate the PDS-12 Series Relay Panels.
INTRODUCTION
This chapter is a quick reference listing the steps necessary to install the PDS system The steps in this chapter are provided as an installation checklist For complete installation instructions, refer the chapter listed
| Steps | Reference |
| 1 Mount the PDS at your preferred location as allowed by code | Local Electrical Code |
| 2 Wire the power supply | Chapter 4–Wiring |
| 3 Wire each individual circuit | Chapter 4–Wiring |
| 4 Wire contact closures | Chapter 4–Wiring |
| 5 Complete the relay panel setup | Chapter 5–Control Setup |
| 6 If your PDS system does not operate as expected, verify that everything is installed and programmed correctly | Appendix A–Troubleshooting |
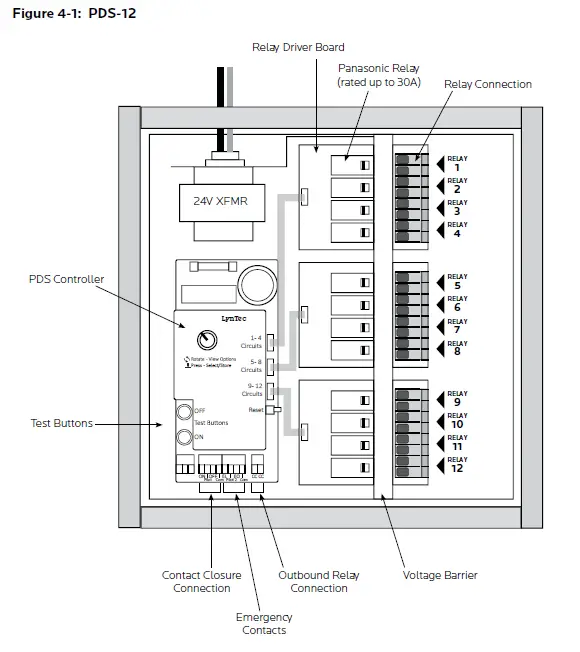
Wiring:

Chapter Four of the user manual explains the process of wiring the PDS-12 Series Relay Panels. It includes power wiring, relay wiring, and switch wiring.
- Power Wiring: Connect the power source to the power input terminals of the panel.
- Relay Wiring: Connect the relay output terminals to the load being controlled.
- Switch Wiring: Connect the dry contact inputs to the control signals originating from external devices.
POWER WIRING
To initially wire the PDS connect the power breaker in your panel to the transformer in the PDS
Figure 4-2: 24V Power Transformer 
RELAY WIRING
To wire individual relays, bring the hot from the breaker to the first terminal for the desired relay Then run another conductor from the second relay terminal to the load
Figure 4-3: Relay Driver Board 
SWITCH WIRING
SS-2PL, SS-2DPL, SS-2LRP and SS-4LRP Locking Switch Sets
Using a standard LynTec SS-2PL, SS-2DPL, SS-2LRP or SS-4LRP Switch Set with an illuminated ON switch See Figure 4-4
- Connect at T-568B Cat5 cable to the RJ-45 input on the back of the switch set Alternately, you may use the provided 4-wire terminal
Figure 4-4: Switch Wiring for SS-2PL, SS-2DPL, SS-2LRP and SS-4LRP - Connect the green wire from the Cat5 (or the wire from the first terminal switch set terminal strip) to the ON terminal
- Connect the brown wire from the Cat5 (or the wire from the second terminal on the switch set) to the OFF terminal
- Connect the blue wire (or the wire from the third terminal on the switch set) to the PILOT terminal
- Connect the orange wire (or wire from the fourth terminal on the switch set) to the COM terminal

LynTec SS-2 Switch Set
Using a standard LynTec SS-2 Switch Set with an illuminated ON switch. See Figure 4-5 Wire the ON switch to PDS Controller board as follows:
- Connect the “NO” pin on the ON switch to the “ON” terminal on the PDS Controller.
- Connect the “+” pin on the ON switch to the “Pilot” terminal on the PDS Controller.
- Connect the “-” pin on the ON switch to the “Com” terminal on the PDS Controller. Wire the OFF switch to PDS Controller board as follows:
- Connect the “NO” pin on the OFF switch to the “OFF” terminal on the PDS Controller.
- Connect the “C” pin on the OFF switch to the “Com” terminal on the PDS Controller.
- Jumper the “C” pin on the OFF switch to the “C” pin on the ON switch

SS-2 and KS-2L Loose Components
Using a standard LynTec SS-2 Switch Set with an illuminated ON switch with a KS-2L Lock. See Figure 4-6
Wire the ON switch to PDS Controller board as follows:
- Connect the “NO” pin on the ON switch to the “ON” terminal on the PDS Controller.
- Connect the “+” pin on the ON switch to the “Pilot” terminal on the PDS Controller.
- Connect the “-” pin on the ON switch to the “1” terminal on the KS-2L. Then connect the “3” terminal on the KS-2L to the “Com” terminal on the PDS Controller.
Wire the OFF switch to PDS Controller board as follows: - Connect the “NO” pin on the OFF switch to the “OFF” terminal on the PDS Controller.
- Connect the “C” pin on the OFF switch to the “Com” terminal on the PDS Controller.
- Jumper the “C” pin on the OFF switch to the “C” pin on the ON switch.
Figure 4-6: Switch Wiring for SS-2 with KS-2L 
Emergency Override Wiring
From the fire alarm unit or latching Emergency Shutoff switch, wire the Normally Open (NO) contacts to the “EO” and “Com” positions on the PDS Controller
Figure 4-7: Wiring for Emergency Override
Emergency Lighting Wiring
From the fire alarm unit or latching Emergency Lighting switch, wire the Normally Open (NO) contacts to the “EL” and “Com” positions on the PDS Controller
Figure 4-8: Wiring for Emergency Lighting
Completion Contact Wiring
From the desired unit, wire the Normally Open (NO) contacts to the “CC” and “CC” positions on the PDS Controller
Figure 4-9: Wiring for Completion Contacts
INITIAL POWER UP PROCEDURE
With the circuit breaker panel door open and breakers visible, turn on the Controller Power 15 Amp circuit breaker
The red “Status” LED should illuminate on the PDS Controller and “Lyntec PDS-12” will scroll across the screen
Use the red and green test buttons to test the operation
Setup
PDS-12 setup is achieved via a dial on the PDS Controller The dial is rotated to view options and pressed to select and store options The dial can rotate left or right and also be pressed in for menu selection and control? The screen will timeout after 30 seconds and clear anything not saved
Figure 5-1: PDS Controller Dial
MENU OPTIONS
Circuit Select Menu
The Circuit Select Menu will appear any time changes are made to individual circuits All circuit LEDs will go Green except the selected circuit which will alternate between red & green
When the desired circuit has been selected, press the dial to move to the next option for that circuit
On menus where the circuit ON/OFF is selected, green designates OFF & red designates ON
To save changes, press the dial in for 2 seconds to ensure all changes are saved to memory “SAVd” will display on the screen when saving is complete
Step Menu (StEP)
This feature changes all circuit delays to the same time interval The default interval is 02 seconds PLEASE NOTE: this menu will clear any individual circuit delays
On press it the screen will blink the current step rate Rotating the dial left or right will cycle through the available step rates in seconds (01 to 500 secs)
Press to save the selection and return to main menu.
Delay Menu (dELy)
This feature changes the circuit delay for any individual circuit Pressing the dial will activate the Circuit Select Menu After the desired circuit is selected, rotate left or right to cycle through individual delay options from 01 to 500 seconds?
Press to save the selection and return to main menu
Brownout Menu (bo)
This feature changes the circuit state for circuits during an under-voltage (brownout) or over-voltage condition The default setting is all circuits set to turn off during either voltage condition all OFF
Pressing the dial will activate the Circuit Select Menu The current setting for the selected circuit will be displayed Press the dial to change the state Rotating left will select “OFF” and right will select “ON”
Press to save the selection and return to Circuit Select Menu
When all changes to individual circuits have been made Press to save the selection and return to main menu
Emergency Override Menu (Eo)
This feature allows you to select which individual circuits should turn off in the event of an emergency
Pressing the dial will activate the Circuit Select Menu The current setting for the selected circuit will be displayed Press the dial to change the state Rotating left will select “OFF” and right will select “ON”
Press to save the selection and return to Circuit Select Menu
When all changes to individual circuits have been made Press to save the selection and return to main menu
Completion Relay Menus (C on & CoFF)
These two menus allow you to select which individual circuits trigger the completion relay The default ON circuit is the last circuit and the default OFF circuit is the first circuit
Pressing the dial will activate the Circuit Select Menu Rotate the dial to select the desired circuit The current setting
for the selected circuit will be displayed Press the dial to change the state
Press to save the selection and return to Circuit Select Menu
When all changes to individual circuits have been made Press to save the selection and return to main menu
Nominal Voltage Selection Menus (VrnG & VoLt)
These menus allow you to set the nominal voltage for under-voltage (brownout) or over-voltage monitoring
The VrnG menu sets the voltage range Exact voltages are selected in the next menu Press to open the VrnG menu and turn the dial to select 120C, 240V or 277V as the voltage range
Press to save the selection and return to main menu
The VoLt menu allows to refine the nominal voltage within the selected range For example, in the 120V range, you may choose any nominal voltage between 100V – 130V in 1 volt increments See table 5-1 for ranges and increments
Press to save the selection and return to main menu
Table 5-1: Voltage Settings
| Setting | Range | Increment |
| 120V | 100V – 130V | 1 volt |
| 240V | 200V – 260V | 5 volts |
| 277V | 232V – 302V | 5 volts |
Emergency Relay Menus (EoCC & ELCC)
The default relay type for EL and EO features is Normally Open You may change the type to Normally Closed in these menus
Press the dial to display the current setting Rotate to change the setting
Press to save the selection and return to main menu
Brownout Enable/Disable (boEn)
This feature allows you to enable or disable the brownout
(under or over-voltage) protection The default setting is ENABLED To disable, press to open the menu, then rotate
Press to save the selection and return to main menu
PLEASE NOTE: If brownout is disabled, the start up voltage check is also disabled The normal start time requirement for this is 5 seconds Control is only possible after this check is complete Disabling Brown out removes this start up time check, enabling it conversely ensures that voltage is good before making changes
Display Brightness (brGt)
This menu changes the brightness of the display The screen will not blink, but left/right will decrease/increase the brightness in real time\
Press to save the selection and return to main menu
Factory Reset (rSEt)
To reset the PDS-12 to factory settings press the dial to confirm
This action restores everything to default configuration All settings will be lost The PDS-12 will automatically restart
Information Menu (InFo)
This menu shows the current firmware version of the PDS-12
Press to return to main menu
Test Menu (teSt)
When pressed, circuit 1 will turn on Turn the dial to the right will turn OFF circuit 1 and then turn ON circuit 2 at a half-second interval This will repeat for as many circuits as are installed
Turn the dial to the left to reverse the circuit OFF / ON sequence
This will NOT time out A second press of the encoder button is required to end the TEST mode
Press to return to main menu























