COOPER Lighting Solutions LRM347 LRM Lighting Relay Module

| Project | Catalog # | Type | |||
| Prepared by | Notes | Date |
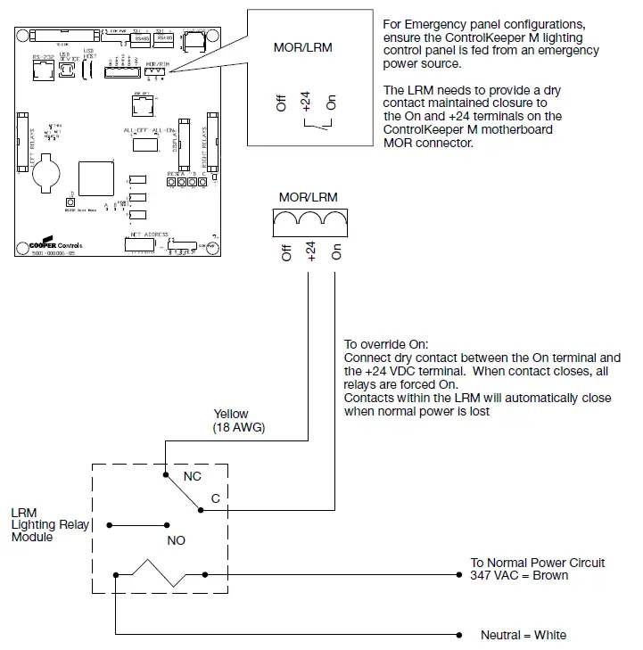
The LRM provides a dry contact closure to the ControlKeeper M and MB panels when normal (grid) power is lost.
- Order Information page 2
- Wiring Diagrams page 2
- Product Warranty page 2
Top Product Features
- The Lighting Relay Module (LRM) is available in 347 VAC input voltage
- The LRM is designed to force all relays in a lighting control panel to an ON or Closed state, regardless of the control panel programmed relay status. This allows the closure of relays during loss of normal (grid) power to allow an alternate power source to drive the lighting loads. Once the LRM senses the normal power returning, the control panel will return to the normal programmed operating mode.
- This contact closure forces a hardware override of all relays in the enclosure to the ON state. This override condition takes priority over any relay commands from the system controller and will remain in effect until the contact closure from the LRM is removed.
- The LRM provides a dry contact closure to the ControlKeeper M and MB panels when normal (grid) power is lost.
- This contact closure forces a hardware override of all relays in the enclosure to the ON state. This override condition takes priority over any relay commands from the system controller and will remain in effect until the contact closure from the LRM is removed.
- UL 924 Listed Accessory (ControlKeeper M Series Panels only)
- Detects loss of power and auto sends signal to lighting control panel
- Allows Greengate panels to be listed as UL 924 when LRM is connected
Order Information
This is an accessory for the ControlKeeper M and ControlKeeper MB lighting control panels. When ordering, specify the LRM as a separate system accessory.
Catalog Number
| Catalog Number | Description | Rating |
| LRM347 | Lighting Relay Module | 347 VAC |
Product Specifications
Electrical
- Power Sources: Lighting Control Panels must be fed from alternate power
- Connection: Connects to normal power
Compatibility
ControlKeeper M, ControlKeeper MB
Standards/Ratings
- UL Approved
- UL 924 Listed
Warranty
Consult website for warranty information
Installation
The LRM can be installed next to the lighting control panel enclosure.
Wiring Diagrams
ControlKeeper M Motherboard

Control Systems
- Greengate
- DLVP
Cooper Lighting Solutions
1121 Highway 74 South Peachtree City, GA 30269 P: 770-486-4800 www.cooperlighting.com




















