CTP7-20E Combitherm CT PROformance Combi Oven Steamer Electric
Instruction Manual
Combining multiple cooking functions into a single appliance, Combitherm® ovens provide endless versatility, reliability and unmatched performance. An all-in-one solution for efficient and consistent food production. Combitherm ovens do the work of a convection oven, kettle, steamer, fryer, smoker and more. Execute every dish, no matter how simple or complex, faster than ever with flawless precision and consistency.
Standard featuresr
- Four cooking modes—steam, convection, combination, and retherm
- Programmable, touchscreen control
- Easy recipe upload/download via USB port
- Four fully automated cleaning cycles
- Front-accessible and retractable rinse hose
- LED illuminated door handle is designed for the needs of the busy kitchen, and provides visual notification of the oven status
- Absolute Humidity Control™ allows for selection any humidity level from 0-100% to maximize food quality, texture, and yield
- SafeVent™ provides automatic steam venting at the end of the cooking cycle
CAPACITY
Eight, full-size sheet pans or eight GN 2/1 pans; sixteen full-size or GN 1/1 pans, two rows deep
Two side racks with eight non-tilt support rails; 197/8” (505mm) horizontal width between rails, 2-3/4” (70mm) vertical spacing between rails
168 lb (76 kg) product maximum
105 quarts (133 liters) volume maximum
Four (4) wire shelves included. Additional wire shelves required for maximum capacity.
Condensable Particulate Matter (CPM) emissions produced through the most aggressive testing methods available were measured at 0.77 mg/m³ for 11,660 beef patties which is below the maximum allowable level of 5.0 mg/m³ established by EPA test method 202. This product is UL listed under KNLZ in the U.S. and Canada.
Cooking appliance with integral systems for limiting the emission of grease laden air 1P35.
Condensable Particulate Matter (CPM) emissions produced through the most aggressive testing methods available were measured at 0.77 mg/m³ for 11,660 beef patties which is below the maximum allowable level of 5.0 mg/m³ established by EPA test method 202. This product is UL listed under KNLZ in the U.S. and Canada.
Cooking appliance with integral systems for limiting the emission of grease laden air 1P35.
Configurations (select one)
- Boiler version
- PROpower™
Door swing
- Right hinged
- Recessed door, optional (not available on ventless hood)
Electrical
- 208-240V 1ph
- 380-415V 3ph
- 208-240V 3ph
- 440-480V 3ph
Accessories (select all that apply)
- Ventech™ Hood
- Ventech™ Hood PLUS
- CombiLatch™
- Stacking hardware
- Seismic feet package, optional
- Smoking feature – including one-step cold smoking (not available on units with security devices)
- Extended one-year warranty
- Automatic grease collection system, includes four 6-piece, self-trussing poultry racks #5014438, interior drip collection pan, and grease collection container with shut off valve
Cleaning
- Automatic tablet-based cleaning system, standard
- Automatic liquid cleaning system, optional Probe choices
- Removable, single-point, quick-connect core temperature probe, standard
- Removable, single-point, quick-connect sous vide temperature probe, optional
- Hard-wired, multi-point core temperature probe, optional (factory only installed)
Security devices for correctional facility use
- Optional base package (not available with recessed door): includes tamper-proof screw package, excludes temperature probe
- Anti-entrapment device, optional
- Control panel security cover, optional
- Hasp door lock (padlock not included), optional
- Removable, single-point, quick-connect core temperature probe, optional
Installation options (select one)
- Alto-Shaam Combination Factory Authorized Installation Program – available in the U.S. and Canada only
- Installation Start-Up Check – available through an Alto-Shaam authorized service agency
Specification

![]()
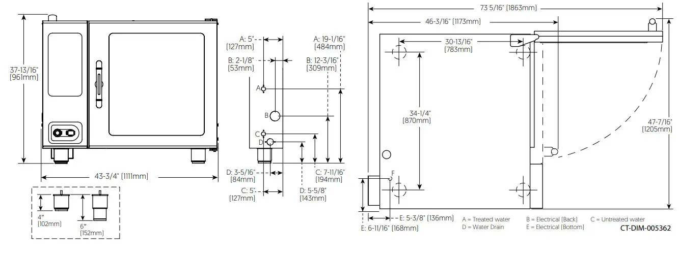
DIMENSIONS
Model
CTP7-20E
Exterior (H x W x D)
37-13/16″ x 43-3/4″ x 46-3/16″ (961mm x 1111mm x 1173mm) 23-
Exterior with recessed door (H x W x D)
37-13/16″ x 48-3/4″ x 46-3/16″ (961mm x 1238mm x 1173mm) 680
Interior (H x W x D)
173mm) 23-1/4″ x 24-1/4″ x 32-3/4″ (590mm x 616mm x 832mm)
Net Weight
173mm) 680 lb (308 kg)
Ship Dimensions (L x W x H)*
56″ x 49″ x 65″ (1422mm x 1245mm x 1651mm)
Ship Weight*
727 lb (330 kg)
CTP7-20E
* Domestic ground shipping information. Contact factory for export weight and dimensions.
![]()
Top: 20″ (508mm)
Left: 0″ (0mm)
18″ (457mm) recommended service access
Right: 0″ (0mm) Non-combustible surfaces
2″ (51mm) combustible surfaces
Bottom: 5-1/8″ (130mm)
Back: 4″ (102mm)
4-5/16″ (109mm) optional plumbing kit
![]()
- Oven must be installed level.
- Water supply shut-off valve and back-flow preventer when required by local code.
- Hood installation is required.
- Drain must not be located directly underneath the appliance.
Heat of rejection
![]()
| CTP7-20E | Heat Gain | Heat Gain |
| qs, BTU/hr 1,305 | qs, kW 0.38 |
| ECO Standard | PRO power™ option | Certification | ||||||||||
| CTP7-20E | V 208 240 | Ph | Hz 50/60 50/60 | Awg 1/0 | A 79.1 91.3 | Breaker 80 100 | kW 16.5 21.9 | A 92 7 106.3 | Breaker 100 110 | kW 19.2 25.5 | Connection LI, L2/N, G Ll, L2/N, G | |
| 208-240V | 208 240 | 3 3 | 50/60 50/60 | 4 3 | 45.7 52.7 | 50 60 | 16.5 21.9 | 58.7 677 | 60 70 | 19.2 25.5 | LI. L2, L3. G LI, L2, L3, G | |
| 380-415V | 380 415 | to Ni | 50/60 50/60 | 6 4 | 28.0 30.4 | 32 32 | 18.7 21.9 | 41.7 45.4 | 63 63 | 21.4 25.5 | LI. L2. L3. N, G LI, L2, L3. N, G | |
| 440-480V | 440 480 | 3′ 3′ | 50/60 50/60 | 8 8 | 20.6 22.4 | 25 25 | 15.7 18.7 | 26.5 28.8 | 30 35 | 18.3 21.8 | LI, L2. L3. G LI. L2, L3. G | |
Electrical connections must meet all applicable federal, state, and local codes. No cord, no plug, dedicated circuit required.
*Electrical service charge applies.
**No-cost option on electric models.
| With CombiSmoker’ Option | ECO Standard | PROpoweriM option•* | ||||||||||
| CTP7-20E | V | Ph | Hz | Awg | A | Breaker | kW | A | Breaker | kW | Connection | Certification |
| 208 240 | 1* I* | 50/60 50/60 | 1/0 | 81.6 94. | 90 100 | 17.0 22.6 | 94.6 109.1 | 100 110 | 197 26.2 | LI. L2/N. G LI. L2/N. G | ||
| 208 240 | 3 3 | 50/60 50/60 | 4 3 | 48.2 55.6 | 50 60 | 17.0 22.6 | 61.2 70.6 | 70 70 | 19.7 26.2 | Ll, L2, L3. G Ll. L2, L3. G | ||
| 380-415V | 380 415 | M V) | 50/60 50/60 | 6 4 | 30.6 33.3 | 32 63 | 19.3 22.6 | 44A 48.3 | 63 63 | 22.0 26.2 | LI. L2. L3, N. G LI. L2. L3, N. G | |
| 440-48C’: | /-40 480 | 3* 3* | 50/60 50/60 | OD 00 | 21.9 23.8 | 36 30 | 16.2 19.2 | 27.3 30.0 | 30 35 | 18.1 22.3 | LI, L2, L3. G LI, L2, L3. G | |
Electrical connections must meet all applicable federal, state, and local codes. No cord, no plug, dedicated circuit required.
*Electrical service charge applies.
**No-cost option on electric models.
WATER
Water requirements (per oven)
- Two cold water inlets – drinking quality
- One treated water inlet: 3/4” NPT connection. Line pressure 30 psi minimum dynamic and 90 psi maximum static (200600 kPa) at a minimum flow rate of 0.26 gpm (1
L/min). - One untreated water inlet: 3/4” NPT connection. Line pressure 30 psi minimum dynamic and 90 psi maximum static (200-600 kPa) at a minimum flow rate of 2.64 gpm (10 L/min). Water drain: 1-1/2” (40mm) connection with a vertical vent to extend above the exhaust vent. Materials must withstand temperatures up to 200°F (93°C).
CLEARANCE
Clearance requirements for water filtration system
Do not install a water filtration system behind unit.
Water Quality Standards
It is the sole responsibility of the owner/operator/purchaser of this equipment to verify that the incoming water supply is comprehensively tested and, if required, a means of “water treatment” provided that would meet compliance requirements with the published water quality standards shown below. Noncompliance with these minimum standards will potentially damage this equipment and/or components and void the original equipment manufacturer’s warranty. Alto-Shaam recommends using the Alto- Shaam Reverse Osmosis System to properly treat your water.
| Inlet Water Requirements | ||
| Contaminant | Treated Water | Untreated Water |
| Free Chlorine | Less than 0.1 ppm (mg/L) | Less than 0.1 ppm (mg/L) |
| Hardness | 30-70 ppm | 30-70 ppm |
| Chloride | Less than 30 ppm (mg/L) | Less than 30 ppm (mg/L) |
| pH | 7.0 to 8.5 | 7.0 to 8.5 |
| Silica | Less than 12 ppm (mg/L) | Less than 12 ppm (mg/L) |
| Total Dissolved Solids (tds) | 50-125 ppm | 50-360 ppm |
CONTACT US
W164 N9221 Water Street | Menomonee Falls, Wisconsin 53051 | U.S.A.
Phone: 262.251.3800 | 800.558.8744 U.S.A./Canada | Fax: 262.251.7067 | alto-shaam.com

















