SVEN RN-16D Voltage Relay

Congratulations on your purchase of the SVEN voltage relay!
COPYRIGHT
2017. SVEN PTE. LTD. Version 1.0 (V 1.0).
This Manual and information contained in it are copyrighted. All rights reserved.
TRADEMARKS
All trademarks are the property of their legal holders.
NOTICE OF RESPONsIBILITY RESTRICTION
Despite the exerted efforts to make this Manual more exact, some discre- pancies may occur. The information in this Manual is given on “as is” terms. The author and the publisher do not bear any liability to a person or an or- ganization for loss or damage which has arisen from the information con- tained in this Manual.
PRECAUTIONS
- Before using the device, please carefully read the following User’s
- Manual and save it for the whole operation period.
- Before connecting the device to the power supply network, keep it within two hours in operating conditions.
- Do not use abrasive materials or organic compounds (alcohol, petrol, solvents etc.) to clean the device.
- It is prohibited to open and repair the device on your own.
- It is prohibited to open and repair any protected equipment, if it is connected to the device socket.
- It is prohibited to use the device with mechanical damages of its case.
- It is prohibited to use the device in high humidity conditions.
- Avoid ingress of water into the device.
- Shipping and transportation equipment is permitted only in the original container.
- Does not require special conditions for realization.
- Dispose of in accordance with regulations for the disposal of household and computer equipment.
Attention
Protective fuse may be triggered when the current consumption is more than 15A. Replacement of the protective fuse is possible in SC conditions.
The device is not designed for power-cut while short-circuited.
PACKAGE CONTENTS
- Voltage relay- 1 pc
- User’s Manual- 1 pc
- Warranty card 1 pc
APPLICATION
RN-16D voltage relay is designed to protect household appliances (refri- gerators, washing-machines, PCs, video and audio equipment, etc.) con- nected to it against inadmissible supply voltage deflections and impulse noises in the power supply network.
FEATURES
- Protection of connected devices against high/low voltage in the power supply network
- Protection of connected devices against impulse noises in the power Supply network (varistor)
- Programmable disconnection thresholds and turn-on delay time
- Nonvolatile memory of programmed settings
- Multifunctional LCD display to show voltage level in the power supply netWork, delay time and protection status indication
- Protective shutters in the output socket
- Presence of protective, fuse * 15A
TECHNICAL DESCRIPTION
- RN-16D voltage relay presents a device with an electronic circuit with microprocessor control assembled in a case with a wall plug and socket.
- RN-16D voltage relay provides the power supply disconnection of appliances connected to it, if the power supply voltage exceeds specified values, and automatically recovers the power supply within the specified time after voltage normalization. An indicator on the front panel displays the active voltage value in the power supply network and signals about its operation mode. RN-16D voltage relay is a programmable device. Buttons on the front panel are used to set its parameters.
- Set parameters of the voltage relay are saved in its nonvolatile memory.
- The fuse is replaced in the SC.
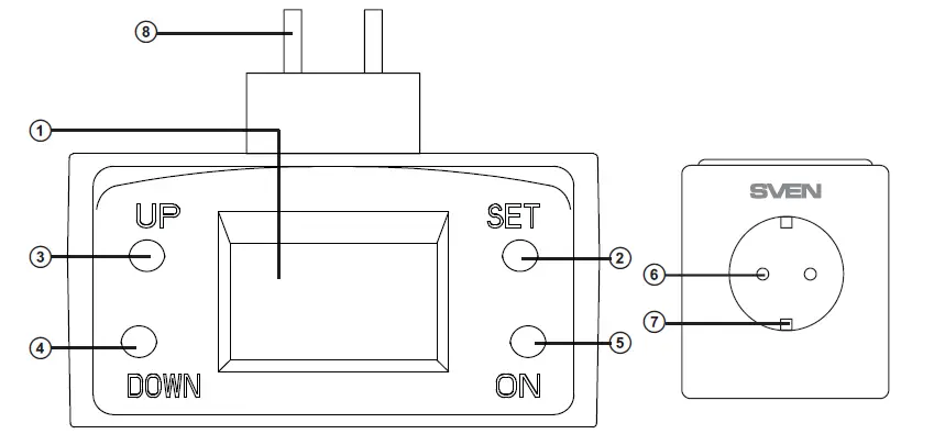
Design description 
- LCD Indicator for displaying the value of the mains voltage, displaying the values of the adjustable parameters and indicating the status of the voltage relay
- SET: button to enter the programming mode and select programmable parameters
- UP: button to increase the value of a parameter being set
- DOWN: button to decrease the value of a parameter being set
- ON: forced load button, exit button from the parameter setting mode
- Protective shutters
- Grounding contacts
- Wall plug to connect the voltage relay to 230 V/ 50 Hz power supply network socket
CONNECTION
- RN-16D voltage relay is connected to a standard socket of 230 V / 50 Hz power supply network. The socket must be rated at the current 16 A.
- Protected devices are connected to the output socket of the voltage relay.
- The voltage relay is designed for operation indoor only. The device ope- ration is inadmissible in places with high humidity and where ingress of liquid on its case is possible. Ambient temperature during the voltage relay operation must be in the range +10 to +35 C.
- Before connecting equipment to the voltage relay it is necessary to set actuation values, namely, high voltage switching off threshold (U), low voltage switching off threshold (U) and turn-on delay time after voltage normalization of the power supply network (t) (see p. 7). It is recom- mended to set these values in accordance with operation manuals of connected equipment.
- The turn-on delay time value after allowable voltage renewal is selected depending on the type of connected electrical appliances. For refrigerators, air-conditioners and other compressor devices the delay value should be not less than 3 minutes.
PARAMETER SETTINGS
- To set the parameters, connect the voltage relay to the mains. The display will begin counting down the time before the load power is turned on. .To enter the parameter setting mode, press the button«SET» . There will be flashing«SET HV» symbol and the upper switching-off threshold value (U) in volts on the display . Set a required value using buttons “UP” and “DOWN” . The range of possible values of the U parameter is 225 to 275 V.
- Start setting lower switching-off threshold value by pressing the button «SET» . There will be flashing «SET LV» symbol and the upper switching-off threshold value (U) in volts on the display O. Set a required value using buttons “UP” and “DOWN” . The range of possible values of the U parameter is 150 to 215 V.
- Start setting turn-on delay value by pressing the button«SET» 2. There will be the flashing «SET DS» symbol and delay value (t) in seconds on the display. Set a required value using buttons “UP” and “DOWN” . The range of possible values of the t parameter is 5 to 999 seconds.
- The set parameters will be saved in the voltage relay nonvolatile memory in 10 seconds after the last button press. You can force to exit the programming mode by pressing the «ON» button.
- If you want to connect consumers, bypassing the pause, press and hold the «ON» button.
OPERATION
The voltage relay has the following operation modes:
- normal operation;
- protection mode;
- turn-on delay mode;
- parameter settings mode.
The voltage relay is in the normal operation mode, when the active power supply voltage is within the range of voltage actuacion protection thresholds having been set by a user and the turn-on delay time is over. In this mode the protected equipment is connected to the power supply network and active voltage in the network is displayed continuously.
If the voltage exceeds the set thresholds, the relay enters the protection mode. In this mode the equipment connected to the relay is de-energized.
The display shows the actual value of the mains voltage and symbols: LV HV voltage below/above the set limit. The sub-illumination of the LCD-indicator in this mode is jerky. The voltage relay will be in this mode as long as the voltage in the power supply network returns to the range of values from (U+7) V to (U-7) V.
The relay enters the turn-on delay mode after its connection to the networkor when it leaves the protection mode. In this mode the equipment con- nected to the relay is de-energized and the countdown time of turn-ondelay is displayed. When the time is over the relay enters the normal ope- ration mode.
The parameter settings mode is used to adjust protection actuacion para- meters. Press the «SET» button to enter the mode, exit the mode – automatically after 10 seconds after the last pressing of any of the buttons or by pressing the «ON» button.
TECHNICAL SPECIFICATIONS
Notes:
- The data on the varistor, fuse, shown in the table, are background and can not serve as a basis for claims.
- Technical specifications and package contents are subject to change without notice due to the improvement of SVEN production.
Manufacturer: SVEN PTE. LTD, 176 Jo0 Chiat Road, N 02-02, Singapore, 427447. Produced under the control of Oy Sven Scandinavia Ltd. 15, Kotolah- dentie, Kotka, Finland, 48310. Made in China.
Registered Trademark of Oy SVEN Scandinavia Ltd. Finland. IR CE
www.Sven.fi





















