
SUPPLEMENTAL INSTRUCTIONS
CMA-37 Modulating Low Ambient Control
The CMA-37 is a field-installable modulating low ambient control kit. This modulating low ambient control is only for use on R-410A refrigerant systems. The low ambient control pressure sensor is attached to the liquid line of the system and monitors high side system pressure.
Operation of the LAC occurs as outdoor temperatures drop below the 65°F to 50°F range. Modulating LAC operation is factory adjusted and slows the condenser fan speed RPM based on the outdoor temperature.
The CMA-37 kit is for use with Bard models W18AB and W24AB wall-mount air conditioners.
The CMA-37 kit consists of:
- 7960-846C Installation Instructions
- 910-2058 Outdoor Temperature Switch Assembly
- 8408-048 Freeze Protect Thermostat
- 8607-017 Terminal Block
- 8612-027 230V Head Pressure Control
- 1804-0563 Extension Tube Assembly
- 8611-115 Plug Assembly
- 113-353 Mounting Bracket
- 1012-066 Screw (1)
- 1012-085 Screws (4)
- 7961-312-0480 CMA-37 Unit I.D. Label
Field-supplied tools needed:
- Personal protection equipment, including gloves and safety glasses
- 5/16″ nut driver
- 1/2″ wrench (service port), 11/16″ wrench (LAC control) and 3/4″ wrench (LAC assembly)
- T20 T Torx screwdriver
- Small flat-head screwdriver for securing the wire in terminal blocks
WARNING
Electrical shock hazard.
Disconnect the remote electric power supply or supplies before servicing.
Failure to do so can result in serious injury or death.
WARNING
Exposed moving parts.
Disconnect all electrical power before servicing.
Failure to do so can result in severe injury or amputation.
CAUTION
Sharp metallic edges.
Take care and wear appropriate protective devices to avoid accidental contact with sharp edges.
Failure to do so can result in personal injury.
Installation
Disconnect all power to the wall-mount unit. Remove outer and inner control panel covers, upper front panel, and right side condenser inlet grille.
- Mount 8607-017 terminal block to the unit control panel with 1012-066 screw as shown in Figure 1.
- Disconnect black high voltage outdoor motor lead from compressor contactor and reconnect to the terminal block.
- Install the pressure switch mounting bracket to the fan shroud using two (2) 1012-085 screws as shown in Figure 2 on page Remove the upper service port cap from the liquid line. Install the low ambient control on the liquid line by screwing it onto the service port as shown in Figure 2 on page 4. Use wrenches to make the connection snug and check for leaks.
- Install outdoor temperature switch assembly to the fan shroud as shown in Figure 3 on page 5. This switch defeats Balanced Climate airflow when the temperature falls below 50°F to help prevent evaporator freeze up. Refer to the unit installation manual for more information on Balanced Climate operation.
- Install freeze protect thermostat to the evaporator coil as shown in Figure 4 on page 6. Route the wires down through the copper bushing and into the control panel with the blower motor wires.
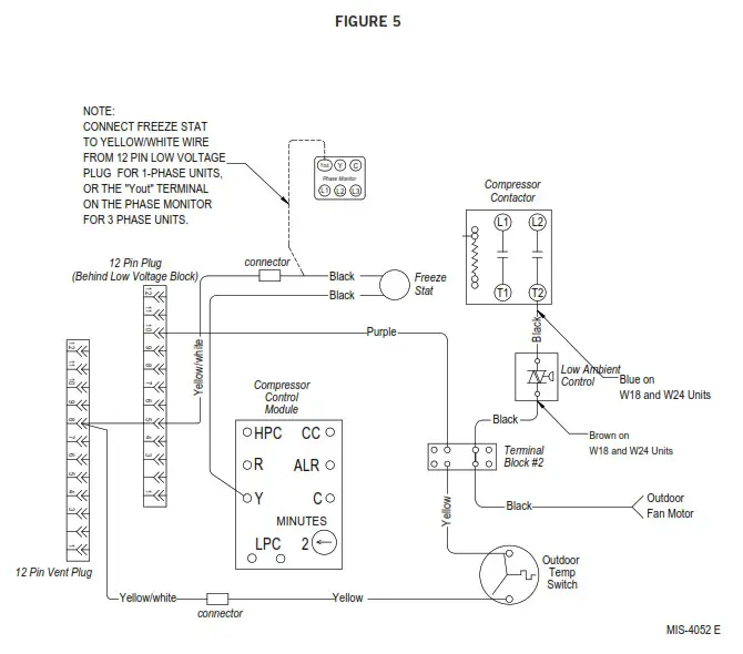
- Route low ambient control and outdoor temperature switch wires up through the bushing in the bottom of the control panel as shown in Figure 1. Replace sealing compound after routing wires through the bushing. Route the wires through the cable duct in the control panel to the required components as shown in the wiring diagram in Figure 5.
- Connect the low ambient control wires to the terminal block and T2 of the compressor contactor (see Figure 5).
- Find the purple wire not connected to anything that is tucked in the cable duct (see Figures 1 or 2). Pull it out and connect it to the LAC terminal block on the terminal that is separate from the LAC control wire. Connect the end of the outdoor temperature switch to the terminal block beside the purple wire. Find the yellow/white wire that is tucked in the cable duct and connect it to the other end of the outdoor temperature switch. Refer to Figure 5 or the unit wiring diagram.
- Connect the freeze protect thermostat wires in line with the “Y” input signal to the compressor control module (CCM). Refer to the unit wiring diagram. For 1-phase units, connect the end with the 1/4″ quick connect to Y terminal on the CCM, and the other end with the 1/4″ tab to the yellow/white wire coming from the low voltage terminal strip. For 3-phase units, connect the wire end with the 1/4″ quick connect to “Y out” on the phase monitor, and the other end with the 1/4″ tab to the yellow/black wire going to the CCM.
- Recheck wiring by referring to the unit wiring diagram.
- Apply the “This unit is equipped with CMA-37 control module” label to the inside of the inner control panel cover above the unit wiring diagram.
- Replace the right side condenser inlet grille, upper front panel, and inner and outer control panel covers. This completes the installation.
- Turn on power to the unit. Check for proper operation of the unit by referring to Sequence of Operation.
Sequence of Operation
Energize in cooling mode (first or second stage). The compressor should start—except when equipped with an economizer and enthalpy control is energizing “free cooling” mode. Energizing Y2 with an economizer will override the enthalpy control allowing the mechanical cooling to operate. Run the unit for at least 5 minutes. The condenser fan motor should not run at full speed until the liquid pressure exceeds the pressure setting of the low ambient control which is factory set at 315 PSI.





Bard Manufacturing Company, Inc.
Bryan, Ohio 43506
www.bardhvac.com
Manual: 7960-846D
Supersedes: 7960-846C
Date: 7-20-21



















