TRANE Technologies ACC-SVN237B-EN Low Ambient Control

Model Number: Used With:
FIALOAM001* 6 to 25 tons T/Y models with Symbio™ controls
FIALOAM002* 6 to 25 tons W/D models with Symbio™ controls
|
| Only qualified personnel should install and service the equipment. The installation, starting up, and servicing of heating, ventilating, and air-conditioning equipment can be hazardous and requires specific knowledge and training. Improperly installed, adjusted or altered equipment by an unqualified person could result in death or serious injury. When working on the equipment, observe all precautions in the literature and on the tags, stickers, and labels that are attached to the equipment. |
Introduction
Read this manual thoroughly before operating or servicing this unit.
Warnings, Cautions, and Notices
Safety advisories appear throughout this manual as required. Your personal safety and the proper operation of this machine depend upon the strict observance of these precautions.
The three types of advisories are defined as follows:
Indicates a potentially hazardous situation which, if not avoided, could result in death or serious injury.
Indicates a potentially hazardous situation which, if not avoided, could result in minor or moderate injury. It could also be used to alert against unsafe practices.
Indicates a situation that could result in equipment or property-damage only accidents.
Important Environmental Concerns
Scientific research has shown that certain man-made chemicals can affect the earth’s naturally occurring stratospheric ozone layer when released to the atmosphere. In particular, several of the identified chemicals that may affect the ozone layer are refrigerants that contain Chlorine, Fluorine and Carbon (CFCs) and those containing Hydrogen, Chlorine, Fluorine and Carbon (HCFCs). Not all refrigerants containing these compounds have the same potential impact to the environment. Trane advocates the responsible handling of all refrigerants-including industry replacements for CFCs and HCFCs such as saturated or unsaturated HFCs and HCFCs.
Important Responsible Refrigerant Practices
Trane believes that responsible refrigerant practices are important to the environment, our customers, and the air conditioning industry. All technicians who handle refrigerants must be certified according to local rules. For the USA, the Federal Clean Air Act (Section 608) sets forth the requirements for handling, reclaiming, recovering and recycling of certain refrigerants and the equipment that is used in these service procedures. In addition, some states or municipalities may have additional requirements that must also be adhered to for responsible management of refrigerants. Know the applicable laws and follow them.
| Proper Field Wiring and Grounding Required! Failure to follow code could result in death or serious injury. All field wiring MUST be performed by qualified personnel. Improperly installed and grounded field wiring poses FIRE and ELECTROCUTION hazards. To avoid these hazards, you MUST follow requirements for field wiring installation and grounding as described in NEC and your local/state/national electrical codes. |
| Personal Protective Equipment (PPE) Required! Failure to wear proper PPE for the job being undertaken could result in death or serious injury. Technicians, in order to protect themselves from potential electrical, mechanical, and chemical hazards, MUST follow precautions in this manual and on the tags, stickers, and labels, as well as the instructions below:
|
| Follow EHS Policies! Failure to follow instructions below could result in death or serious injury.
|
Copyright
This document and the information in it are the property of Trane, and may not be used or reproduced in whole or in part without written permission. Trane reserves the right to revise this publication at any time, and to make changes to its content without obligation to notify any person of such revision or change.
Trademarks
All trademarks referenced in this document are the trademarks of their respective owners.
Revision History
- Added FIALOAM002* 6 to 25 tons W/D/G models with Symbio™ controls.
- Added Valve control harness (FIALOAM002* only) to PartsList.
- Updated Controller, Temperature Sensor, and Control Box Wiring information in the Installation chapters.
General Information
This instruction covers installation of the low ambient kit on Precedent units with 3 phase condenser fan motor(s).
Important: The kit is not designed for use on units with eFlex™ option (digit 2 = Z).
Inspection
- Unpack all components of the kit.
- Check carefully for shipping damage. If any damage is found, report it immediately, and file a claim against the transportation company.
- Visually inspect the components for shipping damage as soon as possible after delivery, before it is stored. Concealed damage must be reported within 15 days.
- If concealed damage is discovered, stop unpacking the shipment.
- Do not remove damaged material from the receiving location. Take photos of the damage, if possible. The owner must provide reasonable evidence that the damage did not occur after delivery.
- Notify the carrier’s terminal of damage immediately by phone and by mail. Request an immediate joint inspection of the damage by the carrier and the consignee.
Note: Do not attempt to repair any damaged parts until the parts are inspected by the carrier’s representative.
Parts List
Table 1. Parts list
| Quantity | Description |
| 1 | Low Ambient Control Module |
| 1 | Control mounting bracket |
| 2 | 8-32 x 1 in. Screws |
| 2 | 10-16 x 0.5 in. Screws |
| 1 | Temperature Sensor |
| 1 | Pressure Transducer |
| 1 | Pressure Tap Tee |
| 1 | Rubber grommet |
| 1 | Outdoor Motor power harness |
| 1 | Control power harness |
| 1 | Temperature Sensor harness |
| 1 | Temperature Sensor extension harness |
| 1 | Schematic |
| 1 | Installation Guide |
| 1 | Installed Accessory Label |
| 1 | Valve control harness (FIALOAM002* only) |
Installation
General
Table 2. Low ambient controller ratings
| Volts, AC | 208, 240, 380, 415, 480, 600 |
| Control Voltage | 18-30 Vac |
| Frequency | 50-60 Hz |
| Operating Temperature | -40ºF + 140ºF (-40ºC to 60ºC) |
| Full Load Amps | 10 Amps |
| Transducer Pressure Control Range | 0-500 psi |
Controller
| Hazardous Voltage w/Capacitors! Failure to disconnect power and discharge capacitors before servicing could result in death or serious injury. Disconnect all electric power, including remote disconnects and discharge all motor start/run capacitors before servicing. Follow proper lockout/ tagout procedures to ensure the power cannot be inadvertently energized. Verify with a CAT III or IV voltmeter rated per NFPA 70E that all capacitors have discharged. |
- Disconnect all power from the unit.
- Remove the compressor and control box access panel(s).
- Use eight 32 x 1-inch screws to mount the controller bracket. See Figure 1 for orientation.

- Open the left-side, low voltage door to access the high voltage section This is where the controller/bracket will be mounted. See Figure 1 for mounting location.
- Use 10-16 x 0.5” screws to mount the assembly to the control box back panel.
Note: The right side of the assembly will slide into the slot in the back panel. Secure the left side with screws (supplied in the kit)
Pressure Transducer
- Install the supplied Tee on the high pressure service port. See Figure 2

- Remove cap nut from high pressure service port.
- Install the pressure sensor on one of the Tee ports. See Figure 3.

- Place the tee flare nut with the valve core depressor on the high pressure tap. See Figure 4.

- Tighten flare nut securely to the high pressure service port and check for leaks.
- Place cap nut on open port tee.
- Route wires along with existing sensor wires into main control box. Refer to wire harness installation section for proper wire routing path back to controller mounting location.
- Connect wires to the appropriate controller terminals. See schematic.
| Hazardous Voltage w/Capacitors! Failure to disconnect power and discharge capacitors before servicing could result in death or serious injury. Disconnect all electric power, including remote disconnects and discharge all motor start/run capacitors before servicing. Follow proper lockout/ tagout procedures to ensure the power cannot be inadvertently energized. Verify with a CAT III or IV voltmeter rated per NFPA 70E that all capacitors have discharged. |
The existing thermistor, used by the unit controls, measures the outdoor ambient air temperature.
- 6 to 12.5 tons – existing thermistor is mounted on the condenser base pan in front of the second compressor.
- 15 to 25 tons – existing thermistor is mounted in the lower, right corner of the main control box.
The low ambient controller requires a second thermistor. Both locations are factory designed with a second hole for the controller temperature sensor.
- Install grommet in second hole located next to existing temperature.
- Insert controller temperature sensor in grommet. Confirm majority of the sensor is pushed through the grommet.
Control Box Wiring
| Hazardous Voltage w/Capacitors! Failure to disconnect power and discharge capacitors before servicing could result in death or serious injury. Disconnect all electric power, including remote disconnects and discharge all motor start/run capacitors before servicing. Follow proper lockout/ tagout procedures to ensure the power cannot be inadvertently energized. Verify with a CAT III or IV voltmeter rated per NFPA 70E that all capacitors have discharged |
- Disconnect ODM1 from power circuit.
a. Unplug PPM79 (orange connector) from underneath control box.
b. Remove PPF79 from sheet metal opening in control box wrapper

- Install outdoor motor harness in control box as shown in Figure 6.
- Plug PPM79 from OFC1 into PPM79B of the power harness.
- Snap PPF79B back into the control box wrapper where PPF79 was originally placed.
- Refer to schematic for connection points and install remaining strip lead connections into controller.

- Install control power harness in control box as shown in
Figure 7.- Refer to schematic and install wires to appropriate terminals on the controller.
- Route harness across back panel and up onto right low voltage door to the adapter board.
Note: Following existing wiring paths to adapter board but routing through horseshoe shaped opening on low voltage door. - Connect P6 from control power harness to AB-J6.
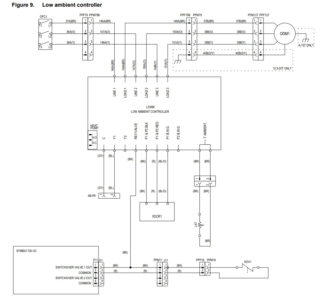
Refer to main unit schematic sheet 4. - For heat pump units, install the valve control harness included in the kit. See figure 9 for connections. Valve control harness will be routed with control harness.
- Temperature sensor harness
- Install temperature sensor harness in control box as shown in Figure 8.
- Refer to schematic and connect wires to appropriate terminals on the controller.
- Route harness across back panel and into lower right corner.
– 6 to 12.5 tons – use temperature sensor extension harness to continue routing down to sensor location.
– 15 to 25 tons – connect to sensor previously mounted in control box. - Connect harness to temperature sensor connector.
- Final wiring
- All harnesses in this kit can utilize the factory installed releasable wire ties in all routing paths.
- Secure installed wires with wire ties.


| REF DES | DESCRIPTION | LINE NO |
| LAT | LOW AMBIENT TEMP SENSOR | 38 |
| LOAM | LOW AMBIENT MODULE | 24 |
| ODM1 | OUTDOOR FAN MOTOR | 19 |
| OFC1 | OUTDOOR FAN CONTACTOR | 18 |
| SOV1 | SOLENOID VALVE | 40 |
| SYMBIO | SYMBIO 700 UC | 41 |
| XDCR1 | PRESSURE TRANSDUCER CKT1 | 35 |
| WIRE COLOR ABBREVIATION CODES | |||
| CODE | COLOR | CODE | COLOR |
| BK | BLACK | PK | PINK |
| BL | BLUE | R | RED |
| BR | BROWN | TQ | TURQUOISE |
| G | GREEN | V,(PR) | PURPLE |
| GY | GREY | W | WHITE |
| O | ORANGE | Y | YELLOW |
Controller Settings and Operation
Jumper Position
- For non-heat pump applications, the heat pump select jumper must be in the default (N.O.) position, and the REV. VALVE terminal must not be connected.
- For heat pump applications, move the jumper to the (N.C.) position and wire the REV. VALVE terminal with the REV Valve harness included in the kit.

Controller Operation
- The LOAM controller is used to maintain head pressure within an acceptable range when ambient temperature falls below 50ºF. It reads discharge pressures from both refrigeration circuits.
- It cycles both outdoor fan motors on and off to maintain the highest of the two discharge pressures at the selected setpoint anytime one or more compressors are operating.
Above 50ºF, both fans will be energized continuously.
Pressure Setpoint
Set the pressure setpoint to the recommended value of 245 psig (see Figure 11, p. 10).
At ambient temperatures lower than 50ºF, the controller will maintain the highest of the two circuits discharge pressures between 15 psig above and 15 psig below dialed pressure setpoint.
Labels
Apply self-adhesive labels supplied with the kit to the inside of the panel covering the main control box:
- Accessory label: Apply near the unit nameplate.
- Supplementary wiring diagram label: Schematic can be placed in schematic pouch already located on back of right side low voltage door that contains all main unit schematics.
Close-Up, Fan Inspection, and Restart
- Inspect condenser fans:
- Manually rotate the condenser fans to ensure free movement and check motor bearings for wear.
- Verify that all fan mounting hardware and fan hubs are tight.
- Connect all power to the unit.
Troubleshooting
Confirm the unit is operating properly through the desired pressure range.
Table 3. Troubleshooting guide
| Problem | Possible Cause | Possible Solution |
| No fan operation | No 24 volt control voltage | Check for 24 Vac at control and verify correct wiring. If wired correctly, check voltage across the transformer. |
| No line voltage | Check voltage across the brown, orange, and yellow OD motor leads. If no line voltage is present, verify all wiring is correct. | |
| Improper fan operation | Heat pump jumper not configured correctly | Refer to the IOM or correct hook-up diagram and verify the heat pump jumper is configured correctly. |
| Control is not wired correctly | See wiring diagrams. Ensure that the 24 Vac power supply is connected in-phase with the motor power supply. | |
| No fan modulation | No need to modulate the fan | If pressure is equal to or greater than the head pressure control setpoint, the fan will be operating at full speed. |
| No input pressure to control | Check for proper transducer and Tee installation. Schrader valve depressor must depress Schrader valve enough to allow refrigerant into pressure transducer. | |
| Miswired | Check that the 24Vac signal and the transducer are wired up correctly into the controller. | |
| Erratic fan operation | Control is not wired correctly | See wiring diagrams. |
| Pressure transducer problem | Check for proper transducer and Tee installation. Schrader valve depressor must depress Schrader valve enough to allow refrigerant into pressure transducer. | |
| Dirty or blocked condenser coil | Clean condenser coil. | |
| Fan motor is cycling on thermal overload | Dirty or blocked condenser coil | Clean condenser coil. |
| Unit fails to start | Incorrect/No voltage present | Using an AC voltmeter, measure the voltage between the 24 Vac terminals. It should read approximately 24 volts. Measure line voltage between LINE1, LINE2 and LINE 3 to confirm that line voltage is present. |
| Transducer malfunction or not installed | If lights are flashing alternatively, then no probe is connected or the probe is malfunctioning. When using a pressure transducer, with power applied to the control, use a voltmeter to measure volts DC between COMM and P1 or P2, where the wire is connected. The reading should be according to Table 4 below. | |
| The fuse is blown and/or signs of damage on the unit | Miswired | The unit has been mis-wired and may be permanently damaged |
Table 4. Pressure vs. voltage
| Pressure (psig) | Voltage (Vdc) |
| 0 | 0.5 |
| 50 | 0.9 |
| 100 | 1.3 |
| 150 | 1.7 |
| 200 | 2.1 |
| 250 | 2.5 |
| 300 | 2.9 |
| 350 | 3.3 |
| 400 | 3.7 |
| 450 | 4.1 |
| 500 | 4.5 |
Trane and American Standard create comfortable, energy efficient indoor environments for commercial and residential applications. For more information, please visit trane.com or americanstandardair.com.
Trane and American Standard have a policy of continuous product and product data improvement and reserve the right to change design and specifications without notice. We are committed to using environmentally conscious print practices.
ACC-SVN237B-EN 12 Nov 2022
Supersedes ACC-SVN237A-EN (Aug 2022)


























