THOMSON Electrak GX Electric Linear Actuator

Version history
| Edition | Reason for revision |
| 2022-02 | First edition |
|
|
The Thomson Electrak® GX is warranted to be free from defects in materials and workmanship for a period of twelve (12) months from date of manufacture. The application of this product is the responsibility of the buyer and Thomson makes no representation or warranty as to the suitability of the product for any particular use or purpose. For a copy of the entire warranty for this product that is contained in our standard terms and conditions of sale, please go to http://www.thomsonlinear.com/website/com/eng/support/terms_and_conditions.php.
Disclaimer
Technical changes to improve the performance of the equipment may be made without prior notice!
All rights reserved. No part of this work may be reproduced in any form (by printing, photocopying, microfilm or any other method) or processed, copied or distributed by electronic means without the written permission of Thomson.
General
About this manual
This manual contains mechanical and electrical installation instructions for the Thomson Electrak® GX electric linear actuator. It also contains, among other things:
- technical data
- installation data
- type designation key.
It is important to carefully read this manual before installing the actuator and to have the correct qualifications needed to perform the installation.
Target group
This manual addresses qualified mechanical and electrical personnel.
Transport and storage
The actuator may only be transported and stored in the original packaging supplied by Thomson. The temperature during transportation and storage must be between -25 to +65° C (-15 to +150° F). Avoid shocks to the package. If the package is damaged, check the actuator for visible damage and notify the carrier, and if appropriate also Thomson.
Packaging
The packaging consists of a cardboard box. The box contains the actuator and this manual. For large quantity orders bulk packaging may be used in which case the packaging and the content will vary depending on the order agreement.
Disposal
Where required by law, used packaging and actuators are taken back by Thomson for professional disposal if the transportation cost is paid by the sender. Please contact Thomson for shipping information.
Support
If technical support or information is needed for this product, please contact the nearest Thomson
Service Center. See the back of this manual. You can also visit www.thomsonlinear.com for information on this product and how to contact us.
Safety
Safety notes
- Only properly qualified personnel are permitted to perform mechanical and electrical installation of this product. Properly qualified personnel are familiar with mechanical or electrical installation work and have the appropriate qualifications for their job.
- Read this manual and any other available documentation before working on the equipment that the actuator is or shall be a part of.
- Conform strictly to the information contained in this manual and on the actuator product label on the actuator. Never exceed the performance limits stated herein.
- Never work on the actuator or its installation with the power on.
- Never unplug any cables or connectors during operation or with power on.
- Immediately stop using the actuator if it seems faulty or damaged in any way and notify an appropriate person so that corrective actions can be taken.
- Never open the actuator as that will compromise the sealing and the function of the actuator. There are no serviceable components inside.
- A grease may be present on the extension tube. Contact is non-hazardous. Film should not be removed
Standards
EC Declaration of incorporation of partly completed machinery
We, Thomson Linear declare that this product corresponds with the directive 2006/42/EC, RoHSIII directive 2015/863, WEEE directive 2012/19/EU, low voltage directive 2014/35/UE and also with the directive of electromagnetic compatibility 2014/30/UE and that the standard EN ISO 12100:2010, Safety of machinery, have been applied.

Installation
Product identification and product label
Units without a product label
These units, which are not CE marked, have the manufacturing date and the designation of the actuator engraved on the housing. The performance data for your actuator must be looked up in this manual. Please study the performance data for your actuator before starting any installation or service. If you need any assistance from Thomson, please provide the manufacturing date and the designation of the actuator(s) in question.
Units with the product label
These units have a product label on the cover tube. The label details which model of actuator you have, its basic performance data, if it is CE marked or not and where it is manufactured. Please study the product label to determine actuator type and its performance data before starting any installation or service. If you need any assistance from Thomson, please provide the manufacturing date and the designation of the actuator(s) in question.
Terminology
- a. front adapter
- b. extension tube
- c. cover tube
- d. housing (standard)
- e. rear adapter
- f. housing if option potentiometer
- g. connector
- h. electrical wires
- i. motor
- j. hand wind input
- k. cable if option potentiometer
Operation environment 
- Operation temperature range is -25 to +65° Celsius (-15 to +150° Fahrenheit).
- Protection degree against the ingress of water and particles is for dc voltage units IP66 or IP66 and IP69K depending on option (see the product label or/and the actuator designation), and for ac voltage units IP45.
- Relative humidity range is 10 – 90% non-condensing.
Mechanical installation
General installation safety notes
- Never work on the actuator with the power switched on!
- Do not hold the extension tube while the unit is energized.
- Failure modes of the actuator should be considered to ensure it does not create harm.
Basic installation considerations
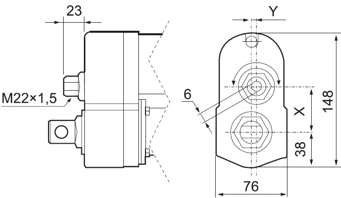
- Only mount the actuator using the holes in the front and rear adapters. Identify the model designation of the actuator (section 4.1) and then look at the ordering key (section 6) to find out your adapter type configuration. See the below drawings to find out the exact dimensions.
- Make sure that the actuator mounting position allows access to the connector or cable(s) to allow the actuator to be connected or disconnected when required.
- If the actuator is equipped with the hand wind option, the hand wind input must have enough free space around it to allow it to be operated (section 4.4.6)
Mounting orientation and forces
- The actuator can be mounted in any orientation and handle both pushing and pulling loads.
- Always install actuator so that the force of the load acts in the center of the extension tube and the rear adapter.
- Only mount the actuator to the rear and front adapter mounting holes.
- Only use solid mounting pins and support them at both ends.
- The mounting pins must be parallel to each other both radially and axially.
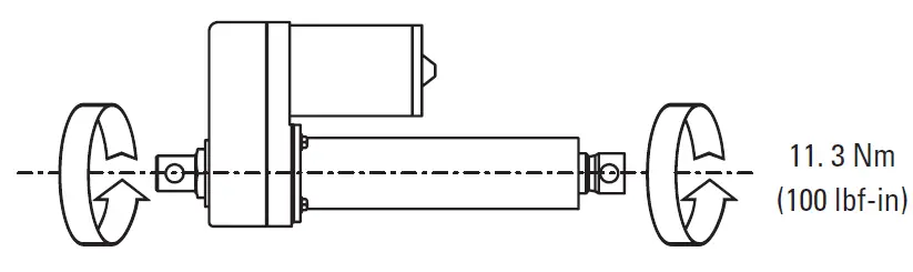
Restraining torque
The rear and the front adapter must be fixed by a method that can restrain the torque produced by the extension tube, which for Electrak GX is 11.3 Nm (100 lbf-in). If not restrained in both ends, the extension tube (or the actuator) will rotate instead of moving.
Slip clutch
The actuator is protected by a load limiting mechanical clutch which prevents the motor from stalling at either end of the actuator stroke. It will also slip at any point along the stroke when the factory-set load limit (1.2 – 1.5 × the dynamic load rating) is exceeded. Stop the actuator imediately if the clutch is engaged and in case of mid-stroke engagement also investigate the cause.
Hand wind mounting and operation considerations (optional feature)
- Make sure when mounting the actuator that there is space enough between the rear adapter and any object behind it to allow the hand wind to be operated!
- To be able to operate the hand wind, remove the cover plug placed over the hand wind input.
- Next, move the extension tube by turning the hand wind input hexagon socket (a) using a 6 mm hexagon key (b).
- The maximum torque required to move the extension tube at the fully rated actuator load using the hand wind is typically 1.5 – 2.5 Nm (13 – 22 in-lb) depending of the model
WARNING:
- Always make sure to switch off the power to the actuator before using the hand wind.
- Do not apply higher torque than 5 Nm (44 in-lb) to the hand wind input.
- Stop running the extension tube immediately if the slip clutch (see section 4.4.5) is engaged.
- Never use any type of drill or power tool to operate the hand wind.
Electrical installation
General notes
- Make sure the leads/cables leading to the motor can handle the maximum motor current.
- An emergency stop is recommended to reduce the chance of a crushing hazard.
- Never work on the actuator or the wiring with the power switched on!
Fuse
Protect the actuator and the wiring by using a slow blow fuse between the actuator and the power source.
The size of the fuse depends on the current draw of the actuator and local installation regulations and have to be determined on a case-to-case basis.
Power lead cross sections
To avoid malfunction due to voltage drop the cross section of the leads between the actuator power leads and the power source must be of sufficient size. The sufficient size is determined by calculations based on the supply voltage, current draw, length of the cables, ambient temperature and local regulations. The below tables show our minimum recommendations for a selection of different lead lengths. However, it is always the responsibility of the installer to make sure the installation is carried out in accordance with the local regulations.

| Recommended Power Lead Cross Sections * | |||
| Supply voltage | Length of leads (L) [m (ft)] | Max. current [A] | Min. recommended cross section (X) [mm2 (AWG)] |
|
12 Vdc |
0 – 3 (0 – 10) | 0 -15 | 1.5 (16) |
| 15 – 20 | 2.5 (14) | ||
| 20 – 28 | 4 (12) | ||
| 28 – 34 | 6 (10) | ||
| 3 – 6 (10 – 20) | 0 -15 | 2.5 (14) | |
| 15 – 20 | 4 (12) | ||
| 20 – 34 | 6 (10) | ||
| 6 – 10 (20 – 33) | 0 -15 | 4 (12) | |
| 15 – 20 | 6 (10) | ||
| 20 – 34 | 10 (8) | ||
| 24 Vdc | 0 – 10 (0 – 33) | 0 – 10 | 1.5 (16) |
| 10 – 15 | 2.5 (14) | ||
| 36, 48, 90 Vdc | 0 – 10 (0 – 33) | 0 – 15 | 1.5 (16) |
| 115, 230, 400 Vac | 0 – 20 (0 – 66) | 0 – 6 | 1.5 (16) |
Installation of a dc input voltage actuator
Extend the actuator by connecting red to + Vdc and black (yellow)* leads to – Vdc in the cable. Change polarity to retract the actuator.
When reaching the mechanical end of stroke in any direction the built in slip clutch will engage and thus stop the extension tube movement in that direction. The clutch can also be engaged during mid strok due to over load conditions, see section 4.4.5. Cut the electricty to the motor as quickly as possible when the clutch have been engaged irrespective of the reason.
| Electrical Specifications | ||
| Supply voltage | [Vdc] | see product label * |
| Supply voltage tolerance | [%] | ± 10 |
| Max. actuator current draw | [A] | see product label * |
* if the unit has no product label, then see the engraved designation on the actuator housing and look the value up using the ordering code in
section 6 and the technical specifications in section 5.
- F Fuse
- S1 Double pole double throw switch
M Actuator motor
Installation of an one phase ac input voltage actuator
Leads can be either color or number marked. To be able to run the actuator, a capacitor must be connected between black (1) and red (2) leads. A 115 Vac actuator requires a 35 μF capacitor, while a 230 Vac actuator requires a 10 μF capacitor.
Connect black (1) lead to L1 and white (3) lead to N (neutral) to retract the actuator. Change L1 from lead black (1) to lead red (2) to extend the actuator.
The anti-coast brake must also be released during motion, which is done by connecting orange (4) lead to L1.
When reaching the mechanical end of stroke in any direction the built in slip clutch will engage and thus stop the extension tube movement in that direction. The clutch can also be engaged during mid stroke due to over load conditions, see section 4.4.5. Cut the electricty to the motor as quickly as possible when the clutch have been engaged irrespective of the reason.
| Electrical Specifications | ||
| Supply voltage | [Vac] | see product label * |
| Supply voltage tolerance | [%] | ± 10 |
| Max. actuator current draw | [A] | see product label * |
* if the unit has no product label, then see the engraved designation on the actuator housing and look the value up using the ordering code in section 6 and the technical specifications in section 5.
- F Fuse
- S1 Double pole double throw switch
- M Actuator motor
Installation of a three phase ac input voltage actuator
Leads can be either color or number marked. Connect white (1) lead to L1, red (2) lead to L2 and black (3) lead to L3 to extend the actuator. Change the places of white (2) lead and black (3) to retract the actuator. The anti-coast brake must also be released during motion, which is done by connecting orange (4) lead to neutral (N).
When reaching the mechanical end of stroke in any direction the built in clutch will engage and thus stop the extension tube movement in that direction. The clutch can also be engaged during mid stroke due to over load conditions, see section 4.4.5. Cut the electricty to the motor as quickly as possible when the clutch have been engaged irrespective of the reason
| Electrical Specifications | ||
| Supply voltage | [Vac] | see product label * |
| Supply voltage tolerance | [%] | ± 10 |
| Max. actuator current draw | [A] | see product label * |
* if the unit has no product label, then see the engraved designation on the actuator housing and look the value up using the ordering code in section 6 and the technical specifications in section 5.
- F Fuse
- KI Relay / Contactor Extend
- K2 Relay / Contactor Retract
- M Actuator motor

Installation of the feedback potentiometer (optional feature)
The potentiometer output has 0 ohm between grey and yellow leads when the actuator is fully extended
| Potentiometer Specifications | ||
| Potentiometer max. input voltage | [Vdc] | 32 |
| Potentiometer max. power | [W] | 2 |
| Potentiometer linearity | [%] | ± 0.25 |
| Potentiometer output resolution 2 – 10 inch stroke 11 – 20 inch stroke 21 – 24 inch stroke | [ohm/mm] |
39 20 10 |
| Potentiometer type | wirewound | |

Technical specifications
General specifications
| General Specifications | |
| Screw type | acme or ball |
| Nut type D(A)xxx-xxA (acme screw models) D(A)xxx-xxB (ball screw models) | self locking lead nut load lock ball nut |
| Manual override | no (optional) |
| Anti-rotation | no |
| Anti coast brake Dxx (dc voltage units) Axx (ac voltage units) | no yes |
| Static load holding brake D(A)xxx-xxA (acme screw) D(A)xxx-xxB (ball screw) | no (self locking) yes |
| Safety features | overload clutch (set to 1.2 – 1.5 × max. dynamic load) motor auto reset thermal switch |
Weight for dc input voltage units
| Weight | |||||||||||||
| Ordering stroke (S) | [in] | 2 | 4 | 6 | 8 | 10 | 12 | 14 | 16 | 18 | 20 | 22 | 24 |
| Weight, acme screw models | [kg] | 4.4 | 4.6 | 4.8 | 5.0 | 5.1 | 5.3 | 5.5 | 5.6 | 5.8 | 5.9 | 6.1 | 6.2 |
| 9.7 | 10.1 | 10.6 | 11.0 | 11.2 | 11.7 | 12.1 | 12.3 | 12.8 | 13.0 | 13.4 | 13.6 | ||
| [lbf] | |||||||||||||
| Weight, ball screw models | [kg] | 5.0 | 5.2 | 5.4 | 5.6 | 5.8 | 6.0 | 6.1 | 6.2 | 6.4 | 6.5 | 6.7 | 6.9 |
| 11.0 | 11.4 | 11.9 | 12.3 | 12.8 | 13.2 | 13.4 | 13.6 | 14.1 | 14.3 | 14.7 | 15.2 | ||
| [lbf] | |||||||||||||
| Add on weight for option potentiometer | [kg] | 1.30 | |||||||||||
| 2.86 | |||||||||||||
| [lbf] | |||||||||||||
Weight for ac input voltage units
| Weight | |||||||||||
| Ordering stroke (S) | [in] | 6 | 8 | 10 | 12 | 14 | 16 | 18 | 20 | 22 | 24 |
| Weight, acme screw models | [kg] | 6.2 | 6.4 | 6.6 | 6.8 | 7.0 | 7.2 | 7.4 | 7.6 | 7.8 | 7.9 |
| 13.6 | 14.1 | 14.5 | 15.0 | 15.4 | 15.8 | 16.3 | 16.7 | 17.1 | 17.4 | ||
| [lbf] | |||||||||||
| Weight, ball screw models | [kg] | 6.8 | 7.0 | 7.2 | 7.4 | 7.6 | 7.8 | 8.0 | 8.2 | 8.4 | 8.5 |
| 15.0 | 15.4 | 15.8 | 16.3 | 16.7 | 17.1 | 17.6 | 18.0 | 18.5 | 38.3 | ||
| [lbf] | |||||||||||
| Add on weight for option potentiometer | [kg] | 1.3 | |||||||||
| 2.86 | |||||||||||
| [lbf] | |||||||||||
Technical data for dc input voltage units
| Mechanical Specifications | ||
| Max. static load @ fully retracted Dxx-xxA (acme screw models) Dxx-xxB (ball screw models) | [N (lbf)] | 11350 (2500) 18000 (4000) |
| Max. dynamic load (Fx) Dxxx-05A5 Dxxx-10A5 Dxxx-20A5 Dxxx-05B5 Dxxx-10B5 Dxxx-20B5 Dxxx-21B5 Dxxx-2KB5 | [N (lbf)] | 1100 (250) 2250 (500) 2250 (500) 2250 (500) 4500 (1000) 4500 (1000) 6800 (1500) 9000 (2000) |
| Speed @ no load/max. load [mm/s in/s)] Dxxx-05A5 Dxxx-10A5 Dxxx-20A5 Dxxx-05B5 Dxxx-10B5 Dxxx-20B5 Dxxx-21B5 Dxxx-2KB5 | 54/32 (2.10/1.20) 30/18 (1.20/0.70) 15/12 (0.67/0.45) 61/37 (2.40/1.40) 30/19 (1.30/0.80) 15/12 0.60/0.45) 15/11 (0.60/043) 15/9 (0.60/0.40) | |
| Stroke (S) length Dxxx-xxx5-02 Dxxx-xxx5-04 Dxxx-xxx5-06 Dxxx-xxx5-08 Dxxx-xxx5-10 Dxxx-xxx5-12 Dxxx-xxx5-14 Dxxx-xxx5-16 Dxxx-xxx5-18 Dxxx-xxx5-20 Dxxx-xxx5-22 Dxxx-xxx5-24 | [in] | 2 4 6 8 10 12 14 16 18 20 22 24 |
| Operating temperature limits | [°C (F)] | – 25 – 65 (- 15 – 150) |
| Full load duty cycle @ 25 °C (77 °F) [%] | 25 | |
| End play, maximum [mm (in)] | 1.0 (0.04) | |
| Restraining torque [Nm lbf-in)] | 11.3 (100) | |
| Protection class – static Dxxx-xxx5-xxMxN Dxxx-xxx5-xxMxK | IP66 IP66 and IP69K | |
| Electrical Specifications | ||
| Input voltage D12 D24 D36 D48 D90 | [Vdc] | 12 24 36 48 90 |
| Input voltage tolerance | [%] | ± 10 |
| Current draw @ no load/max. load [A] D12x-05A5 D12x-10A5 D12x-20A5 D12x-05B5 D12x-10B5 D12x-20B5 D12x-21B5 D12x-2KB5 D24x-05A5 D24x-10A5 D24x-20A5 D24x-05B5 D24x-10B5 D24x-20B5 D24x-21B5 D24x-2KB5 D36x-05A5 D36x-10A5 D36x-20A5 D36x-05B5 D36x-10B5 D36x-20B5 D36x-21B5 D36x-2KB5 D48x-05A5 D48x-10A5 D48x-20A5 D48x-05B5 D48x-10B5 D48x-20B5 D48x-21B5 D48x-2KB5 D90x-05A5 D90x-10A5 D90x-20A5 D90x-05B5 D90x-10B5 D90x-20B5 D90x-21B5 D90x-2KB5 | 12.0/33.0 8.0/27.0 3.0/15.0 8.0/28.0 5.0/27.0 3.0/13.0 3.0/20.0 4.0/25.0 6.0/16.5 4.0/13.5 1.5/7.5 4.0/14.0 2.5/13.5 1.5/7.5 1.5/10.0 2.0/12.5 4.0/11.0 2.67/9.0 1.0/5.1 2.67/9.3 1.67/9.0 1.0/5.1 1.0/6.7 1.34/8.4 3.0/8.3 2.0/6.8 0.8/3.8 2.0/7.0 1.3/6.8 0.8/3.8 0.8/5.0 1.0/6.3 1.5/4.1 1.0/3.4 0.4/1.9 1.0/3.5 0.6/3.4 0.4/1.9 0.4/2.5 0.5/3.2 | |
| Flying leads length | [mm (in)] | 165 (7.5) |
| Flying leads cross section [mm2 (AWG)] | 2 (14) | |
| Cable length with option pot. | [mm (in)] | 600 (24) |
| Cable leads cross section [mm2 (AWG)] with option potentiometer motor leads potentiometer leads |
2.5 (14) 1.5 (16) | |
Ordering keys
Ordering key for dc voltage models
| Ordering Key | |||||||||
| Position | 1 | 2 | 3 | 4 | 5 | 6 | 7 | 8 | 9 |
| Example | D12C | 05A5- | 02 | M0 | N | N | -D | E | E |
| 1. Model, input voltage and CE compliance D12C = Electrak GX, 12 Vdc, CE compliant D24C = Electrak GX, 24 Vdc, CE compliant D36C = Electrak GX, 36 Vdc, CE compliant D48C = Electrak GX, 48 Vdc, CE compliant D12N = Electrak GX, 12 Vdc, not CE compliant D24N = Electrak GX, 24 Vdc, not CE compliant D36N = Electrak GX, 36 Vdc, not CE compliant D48N = Electrak GX, 48 Vdc, not CE compliant D90N = Electrak GX, 90 Vdc, not CE compliant | 5. Ingress protection rating N = IP66 K = IP66 and IP69K
6. Options N = no option P = potentiometer feedback H = manual override
Dimensions for manual override option |
| 2. Dynamic load capacity, screw type and maximum speed 05A5 – = 1100 N, acme, 54 mm/s 10A5 – = 2250 N, acme, 30 mm/s 20A5 – = 2250 N, acme, 15 mm/s 05B5 – = 2250 N, ball, 61 mm/s 10B5 – = 4500 N, ball, 30 mm/s 20B5 – = 4500 N, ball, 15 mm/s 21B5 – = 6800 N, ball, 15 mm/s 2KB5 – = 9000 N, ball, 9 mm/s | |
| 3. Ordering stroke length 02 = 2 inch (50.8 mm) 04 = 4 inch (101.6 mm) 06 = 6 inch (152.4 mm) 08 = 8 inch (203.2 mm) 10 = 10 inch (254.0 mm) 12 = 12 inch (304.8 mm) 14 = 14 inch (355.6 mm) 16 = 16 inch (406.4 mm) 18 = 18 inch (457.2 mm) 20 = 20 inch (508.0 mm) 22 = 22 inch (558.8 mm) 24 = 24 inch (609.6 mm)
4. Rear adapter hole orientation M0 = adapter at 0° (standard) M3 = adapter at 90° (3) |
7. Connector option -A = AMP terminal 42098-2, house 180908-5 -B = Packard Electric 56 Series -D = no connector (flying leads)
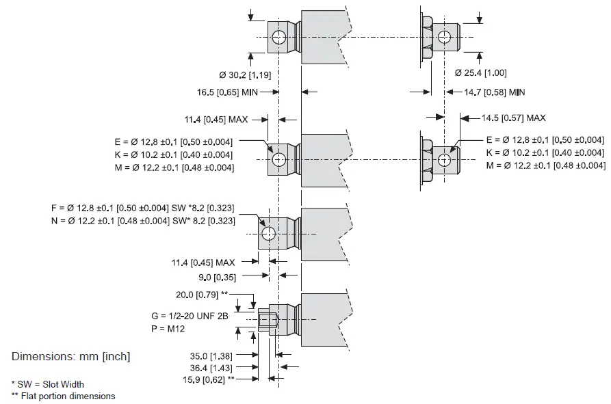
8. Front adapter option E = cross hole for 0.5 inch pin F = forked cross hole for 0.5 inch pin G = 1/2-20 UNF 2B female thread K = cross hole for 10 mm pin M = cross hole for 12 mm pin N = forked cross hole for 12 mm pin P = M12 female thread |
| M0 – M3 | 9. Rear adapter option E = cross hole for 0.5 inch pin K = cross hole for 10 mm pin M = cross hole for 12 mm pin |
![]() | (1) 21B5 not possible with strokes above 20 inch (2) 2KB5 not possible for strokes above 12 inch (3) Not possible with option manual override |
Ordering key for ac voltage models
| Ordering Key | ||||||||
| Position | 1 | 2 | 3 | 4 | 5 | 6 | 7 | 8 |
| Example | A12C05A5- | 06 | M0 | B | N | -D | E | E |
| 1. Model, input voltage, dynamic load capacity, screw type, maximum speed A12C05A5- = Electrak GX, 1 × 115 Vac, 1100 N, acme, 54 mm/s A12C10A5- = Electrak GX, 1 × 115 Vac, 2250 N, acme, 30 mm/s A12C20A5- = Electrak GX, 1 × 115 Vac, 2250 N, acme, 15 mm/s A12C05B5- = Electrak GX, 1 × 115 Vac, 2250 N, ball, 61 mm/s A12C10B5- = Electrak GX, 1 × 115 Vac, 4500 N, ball, 30 mm/s A12C20B5- = Electrak GX, 1 × 115 Vac, 4500 N, ball, 15 mm/s A12C21B5- = Electrak GX, 1 × 115 Vac, 6800 N, ball, 15 mm/s A12C2KB5- = Electrak GX, 1 × 115 Vac, 9000 N, ball, 10 mm/s A22C05A5- = Electrak GX, 1 × 230 Vac, 1100 N, acme, 54 mm/s A22C10A5- = Electrak GX, 1 × 230 Vac, 2250 N, acme, 30 mm/s A22C20A5- = Electrak GX, 1 × 230 Vac, 2250 N, acme, 15 mm/s A22C05B5- = Electrak GX, 1 × 230 Vac, 2250 N, ball, 61 mm/s A22C10B5- = Electrak GX, 1 × 230 Vac, 4500 N, ball, 30 mm/s A22C20B5- = Electrak GX, 1 × 230 Vac, 4500 N, ball, 15 mm/s A22C21B5- = Electrak GX, 1 × 230 Vac, 6800 N, ball, 15 mm/s A22C2KB5- = Electrak GX, 1 × 230 Vac, 9000 N, ball, 10 mm/s A42C10A5- = Electrak GX, 3 × 400 Vac, 1100 N, acme, 30 mm/s A42C20A5- = Electrak GX, 3 × 400 Vac, 1100 N, acme, 15 mm/s A42C05B5- = Electrak GX, 3 × 400 Vac, 1100 N, ball, 61 mm/s A42C10B5- = Electrak GX, 3 × 400 Vac, 2250 N, ball, 30 mm/s A42C20B5- = Electrak GX, 3 × 400 Vac, 2250 N, ball, 15 mm/s | 5. Ingress protection rating B = IP45
6. Options N = no option P = potentiometer feedback H = manual override
Dimensions for manual override option
|
| 2. Ordering stroke length 06 = 6 inch (152.4 mm) 08 = 8 inch (203.2 mm) 10 = 10 inch (254.0 mm) 12 = 12 inch (304.8 mm) 14 = 14 inch (355.6 mm) 16 = 16 inch (406.4 mm) 18 = 18 inch (457.2 mm) 20 = 20 inch (508.0 mm) 22 = 22 inch (558.8 mm) 24 = 24 inch (609.6 mm) | 7. Connector option -D = no connector (flying leads)
8. Front adapter option E = cross hole for 0.5 inch pin F = forked cross hole for 0.5 inch pin G = 1/2-20 UNF 2B female thread K = cross hole for 10 mm pin M = cross hole for 12 mm pin N = forked cross hole for 12 mm pin P = M12 female thread |
| 3. Rear adapter hole orientation M0 = adapter at 0° (standard) M3 = adapter at 90° (3)
M0 – M3 | 9. Rear adapter option E = cross hole for 0.5 inch pin K = cross hole for 10 mm pin M = cross hole for 12 mm pin |
![]() | (1) 21B5 not possible with strokes above 20 inch (2) 2KB5 not possible for strokes above 12 inch (3) Not possible with option manual override |
EUROPE
United Kingdom
Thomson
Office 9, The Barns
Caddsdown Business Park
Bideford, Devon, EX39 3BT
Phone: +44 1271 334 500
E-mail: [email protected]
www.thomsonlinear.com
Electrak_GX_Installation_Operation_MNUK-0011-01 | 20220218TJ
Specifications are subject to change without notice. It is the responsibility of the product user to determine the suitability of this product for a specific application. All trademarks property of their respective owners. ©2022 Thomson Industries, Inc.

Operation environment 





















