E220-400M22S
Llcc68 433 / 470MHz 160mw SPI SMD Lora Module
Chengdu Ebyte Electronic Technology Co., Ltd.
User Manual
Disclaimer
EBYTE reserves all rights to this document and the information contained herein. Products, names, logos and designs described herein may in whole or in part be subject to intellectual property rights. Reproduction, use, modification or disclosure to third parties of this document or any part thereof without the express permission of EBYTE is strictly prohibited.
The information contained herein is provided “as is” and EBYTE assumes no liability for the use of the information. No warranty, either express or implied, is given, including but not limited, with respect to the accuracy, correctness, reliability and fitness for a particular purpose of the information. This document may be revised by EBYTE at any time. For most recent documents, visit www.ebyte.com.
Features
- The measured distance can reach 5500m;
- The maximum transmitting power is 160mw, software is multi-level adjustable;
- Support global license-free ISM 433 / 470MHz band;
- In LoRa™ mode, the data transmission rate is 1.76kbps ~ 62.5kbps;
- FSK mode supports up to 300kbps data transmission rate;
- FIFO has large capacity and supports 256 byte data cache;
- Support spread spectrum factor sF5, SF6, sf7, SF8, Sf9, SF10, SF11;
- Support 1.8V ~ 3.7V power supply, more than 3.3V power supply can guarantee the best performance;
- Industrial standard design, support – 40 ~ 85° C long-term use;
- Dual RF interface is optional (IPEX / stamp hole), which is convenient for secondary development and integration.
Introduction
Brief Introduction
E220-400M22S is an small module developed independently based on the generation of LoRa™ RF chip LLCC68 produced by Semtech company. LLCC68 is suitable for 433MHz and 470MHz SMD wireless module and uses industrial 32mhz crystal oscillator.
Compared with the previous generation of LoRa™ transceiver, its anti-jamming performance and communication distance have been further improved. Because of its new LoRa™ modulation technology, its anti-jamming performance and communication distance are far superior to the current FSK and GFSK modulation products. The module is
mainly aimed at smart home, wireless meter reading, scientific research, medical, and long distance wireless communication equipment. The product can cover 410 ~ 493mhz wide applicable frequency range.
Because the module is a pure RF transceiver module, it needs to use MCU driver or special SPI debugging tool.
Application
- Home security alarm and remote keyless entry;
- Smart home and industrial sensors, etc;
- Wireless alarm security system;
- Building automation solutions;
- Wireless industrial remote controller;
- Health care products;
- Advanced meter reading architecture (AMI);
- Automotive industry applications.
Specification and parameter
limit parameters
| Main parameter | Performance | Remarks | |
| Min | Max | ||
| Supply voltage (V) | 0 | 3.7 | Over 3.7V permanently burned module |
| Blocking power (DBM) | – | 10 | The burning probability is small in close range use |
| Working temperature (℃) | -40 | 85 | Industrial grade |
Operating parameter
| Main parameter | Performance | Remarks | ||||
Min | Type | Max | ||||
| Working voltage (V) | 1.8 | 3.3 | 3.7 | >3.3 V ensures output power | ||
| Communication level (V) | – | 3.3 | – | Probably burnout when using 5V TTL | ||
| Working temperature (°C) | -40 | – | 85 | Industrial Design | ||
| Operating frequency band (MHz) | 410 | 433/470/490 | 493 | Support ISM band | ||
| Power Consump – tion | TX current ( mA) | – | 100 | – | Instantaneous power consumption | |
| RX current ( mA ) | – | 6.5 | – | – | ||
| Sleep current ( pA ) | – | 180 | – | Software shutdown | ||
| Max TX power (dBm) | 21 | 21.5 | 22 | – | ||
| Receiving sensitivity ( dBm ) | -C | BW_L=2501cHz, SF = 10, LORATM; | ||||
| Air data rate | LoRa (bps) ) | 1.76k | – | 62.5k | User programming control | |
Main parameter | Description | Remark |
| Reference distance | 5500m | In clear and open environment, the antenna gain is 5dBi, the antenna height is 2.5m, and the air speed is 2.4kbps. |
| FIFO | 256Byte | Maximum length of single transmission |
| Crystal frequency | 32MHz | – |
| modulation mode | LoRa | Lora modulation is recommended |
| Packaging method | SMD | – |
| Interface mode | Stamp hole | The spacing is 1.27mm |
| Communication interface | SPI | 0-10Mbps |
| Dimensions | 20* 14*2.8 mm | Including shield |
| RF interface | Stamp hole / IPEX | – |
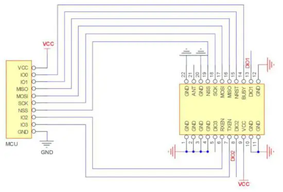
Size and pin definition

| Pin No. | Item | Direction | Description |
| 1 | GND | Ground, connect to power reference ground | |
| 2 | GND | Ground, connect to power reference ground | |
| 3 | GND | Ground, connect to power reference ground | |
| 4 | GND | Ground, connect to power reference ground | |
| 5 | DIO3 | Configurable universal IO port (see llcc68 manual for details) | |
| 6 | RXEN | input | RF switch receive control pin, connect external MCU IO, high level effective |
| 7 | TXEN | input | RF switch emission control pin, connected to external MCU IO or dio2, high level effective |
| 8 | DIO2 | Input / output | Configurable universal IO port (see llcc68 manual for details) |
| 9 | VCC | Power supply, range 1.8V ~ 3.7V (it is recommended to add ceramic filter capacitor externally) | |
| 10 | GND | Ground, connect to power reference ground | |
| 11 | GND | Ground, connect to power reference ground | |
| 12 | GND | Ground, connect to power reference ground | |
| 13 | DIO1 | Input / output | Configurable universal IO port (see llcc68 manual for details) |
| 14 | BUSY | output | For status indication (see llcc68 manual for details) |
| 15 | NRST | input | Chip reset trigger input pin, low level effective |
| 16 | MISO | output | SPI data output pin |
| 17 | MOSI | input | SPI data input pin |
| 18 | SCK | input | SPI clock input pin |
| 19 | NSS | input | The module chip selection pin is used to start a SPI communication |
| 20 | GND | Ground, connect to power reference ground | |
| 21 | ANT | RF interface, stamp hole | |
| 22 | GND | Ground, connect to power reference ground | |
| For the pin definition, software driver and communication protocol of the module, please refer to the official llcc68 datasheet of Semtech. | |||
Basic operation
hardware design
- It is recommended to use a DC stabilized power supply. The power supply ripple factor is as small as possible and the module needs to be reliably grounded;
- Please pay attention to the correct connection of the positive and negative poles of the power supply, such as reverse connection may cause permanent damage to the module;
- Please check the power supply to ensure that it is between the recommended supply voltage. If it exceeds the maximum value, the module will be permanently damaged;
- Please check the stability of the power supply. The voltage should not fluctuate greatly and frequently;
- When designing the power supply circuit for the module, it is often recommended to keep more than 30% margin, which is conducive to the long-term stable operation of the whole machine;
- The module should be far away from the power supply, transformer, high frequency wiring and other parts with large electromagnetic interference;
- The high-frequency digital wiring, high-frequency analog wiring and power wiring must avoid the lower part of the module. If it is necessary to pass through the lower part of the module, it is assumed that the module is welded on the top layer, and the copper is laid on the top layer of the module contact part (all copper is laid and well grounded), which must be close to the digital part of the module and laid on the bottom layer;
- Assuming that the module is welded or placed in the top layer, it is also wrong to route at will in the bottom layer or other layers, which will affect the spurious and receiving sensitivity of the module in different degrees;
- Assuming that there are large electromagnetic interference devices around the module will greatly affect the performance of the module, it is recommended to keep away from the module according to the intensity of interference, and appropriate isolation and shielding can be done if the situation permits;
- Assuming that there are lines (high-frequency digital, high-frequency analog and power lines) with large electromagnetic interference around the module, the performance of the module will be greatly affected. According to the intensity of interference, it is recommended to keep away from the module. If the situation permits, appropriate isolation and shielding can be done;
- If 5V level is used for communication line, 1k-5.1k resistor must be connected in series (not recommended, there is still risk of damage);
- Try to stay away from some TTL protocols with 2.4GHz physical layer, such as USB3.0;
- The antenna installation structure has a great influence on the module performance, so it is necessary to ensure that the antenna is exposed, preferably vertically upward. When the module is installed inside the housing, the high-quality antenna extension line can be used to extend the antenna to the outside of the housing;
- The antenna must not be installed inside the metal shell, which will greatly weaken the transmission distance.
- It is suggested to add 200R protection resistance in RXD / TXD of external MCU.
Programming
- This module is llcc68 + peripheral circuit, users can operate according to llcc68 chip manual completely;
- Dio1, dio2 and DIO3 are common IO ports, which can be configured into multiple functions. Dio2 can be connected to TXEN, not to IO port of MCU, and is used to control RF switch emission. See llcc68 manual for details, and can be suspended if not used;
- The internal use of 32mhz passive crystal oscillator, without pin control, software program control can be;
- The differences between llcc68 and sx1262 / sx1268 were as follows
- Sx1262 / sx1268 supports spread spectrum factors sF5, SF6, sf7, SF8, Sf9, SF10, SF11 and SF12;
Llcc68 supports spread spectrum factors sF5, SF6, sf7, SF8, Sf9, SF10 and SF11. - Llcc68 can set the spread spectrum factor and receive bandwidth:
LoRa® Rx/Tx, BW = 125 – 250 – 500 kHz
LoRa®,SF = 5 – 6 – 7 – 8 – 9 for BW = 125 kHz ,
LoRa®,SF = 5 – 6 – 7 – 8 – 9 – 10 for BW = 250 kHz ,
LoRa®,SF = 5 – 6 – 7 – 8 – 9 – 10 – 11 for BW = 500 kHz;
Basic application
Basic circuit

FAQ
Communication range is too short
- The communication distance will be affected when obstacle exists;
- Data lose rate will be affected by temperature, humidity and co-channel interference;
- The ground will absorb and reflect wireless radio wave, so the performance will be poor when testing near ground;
- Sea water has great ability in absorbing wireless radio wave, so performance will be poor when testing near the sea;
- The signal will be affected when the antenna is near metal object or put in a metal case;
- Power register was set incorrectly, air data rate is set as too high (the higher the air data rate, the shorter the distance);
- The power supply low voltage under room temperature is lower than 2.5V, the lower the voltage, the lower the transmitting power;
- Due to antenna quality or poor matching between antenna and module.
Module is easy to damage
- Please check the power supply source, ensure it is within the recommended range, high voltage will damage the module;
- Please check the stability of power source, the voltage cannot fluctuate too much;
- Please make sure antistatic measure are taken when installing and using, high frequency devices have electrostatic susceptibility;
- Please ensure the humidity is within limited range, some parts are sensitive to humidity;
- Please avoid using modules under too high or too low temperature.
BER(Bit Error Rate) is high
- There are co-channel signal interference nearby, please be away from interference sources or modify frequency and channel to avoid interference;
- The clock waveform on SPI is not standard, check whether there is interference on SPI line, and SPI bus line should not be too long;
- Poor power supply may cause messy code. Make sure that the power supply is reliable;
- The extension line and feeder quality are poor or too long, so the bit error rate is high.
Production guidance
Reflow soldering temperature
| Profile Feature | Curve characteristics | Sn-Pb Assembly | Pb-Free Assembly |
| Solder Paste | Solder paste | Sn63/Pb37 | Sn96.5/Ag3/Cu0.5 |
| Preheat Temperature min (Tsmin) | Minimum preheating temperature | 100℃ | 150℃ |
| Preheat temperature max (Tsmax) | Maximum preheating temperature | 150℃ | 200℃ |
| Preheat Time (Tsmin to Tsmax)(ts) | Preheating time | 60-120 sec | 60-120 sec |
| Average ramp-up rate(Tsmax to Tp) | Average rising rate | 3℃/second max | 3℃/second max |
| Liquidous Temperature (TL) | Liquid temperature | 183℃ | 217℃ |
| Time(tL)Maintained Above(TL) | Time above liquidus | 60-90 sec | 30-90 sec |
| Peak temperature(Tp) | Peak temperature | 220-235℃ | 230-250℃ |
| Aveage ramp-down rate(Tp to Tsmax) | Average descent rate | 6℃/second max | 6℃/second max |
| Time 25℃ to peak temperature | Time from 25 ℃ to peak temperature | 6 minutes max | 8 minutes max |
Reflow soldering curve

E72 series
| Product model | IC | Frequency Hz | TX power dBm | Test distance km | Package | Size mm | Communication interface |
| E22-400M22S | SX1268 | 433M/470M | 22 | 5 | SMD | 14*20 | SPI |
| E22-900M22S | LLCC68 | 868M/915M | 22 | 5.5 | SMD | 14*20 | SPI |
Antenna recommendation
Recommendation
The antenna is an important role in the communication process. A good antenna can largely improve the communication system. Therefore, we recommend some antennas for wireless modules with excellent performance and reasonable price.
Model No. | Type | Frequeny Hz | Interface | Gain dBi | Hright | Cable | Function feature |
| TX433-NP-4310 | Flexible PCB antenna | 433M | SMA-J | 2 | 43.8*9.5mm | – | Built in flexible, FPC soft antenna |
| TX433-JW-5 | Rubber antenna | 433M | SMA-J | 2 | 50mm | – | Flexible &omnidirectional |
| TX433-JWG-7 | Rubber antenna | 433M | SMA-J | 2.5 | 75mm | – | Flexible &omnidirectional |
| TX433-JK-20 | Rubber antenna | 433M | SMA-J | 3 | 210mm | – | Flexible &omnidirectional |
| TX433-JK-11 | Rubber antenna | 433M | SMA-J | 2.5 | 110mm | – | Flexible &omnidirectional |
| TX433-XP-200 | Sucker antenna | 433M | SMA-J | 4 | 19cm | 200cm | Sucker antenna, high gain |
| TX433-XP-100 | Sucker antenna | 433M | SMA-J | 3.5 | 18.5cm | 100cm | Sucker antenna, high gain |
| TX433-XPH-300 | Sucker antenna | 433M | SMA-J | 6 | 96.5cm | 300cm | Car mounted sucker antenna, ultra high gain |
| TX433-JZG-6 | Rubber antenna | 433M | SMA-J | 2.5 | 52mm | – | Flexible &omnidirectional |
| TX433-JZ-5 | Rubber antenna | 433M | SMA-J | 2 | 52mm | – | Flexible &omnidirectional |
| TX490-XP-100 | Sucker antenna | 490M | SMA-J | 50 | 12cm | 100cm | Sucker antenna, high gain |
| TX490-JZ-5 | Rubber antenna | 490M | SMA-J | 50 | 50mm | – | Flexible &omnidirectional |
Revision history
| Version | Date | Description | Issued by |
| 1 | 1/4/2021 | Initial version | Linson |
About us
Technical support: [email protected]
Documents and RF Setting download link: www.ebyte.com
Thank you for using Ebyte products! Please contact us with any questions or suggestions: [email protected]
————————————————————————————————
Phone: +86 028-61399028
Web: www.ebyte.com
Address: B5 Mould Park, 199# Xiqu Ave, High-tech District, Sichuan, China
Copyright ©2012–2021,Chengdu Ebyte Electronic Technology Co.,Ltd.



















