Eltako ESR12NP-230V+UC Impulse Switch with Integrated Relay Function Instruction Manual

Only skilled electricians may install this electrical equipment otherwise there is the risk of fire or electric shock!
Temperature at mounting location: -20°C up to +50°C. Storage temperature: -25°C up to +70°C. Relative humidity: annual average value <75%.
Impulse switch, which may optionally be used as switching relay (ER) or off delay impulse switch (ESV). 1 NO contact not potential free 16 A/250 V AC. 230 V LED lamps up to 600 W, incandescent lamp load up to 2300 W. Off delay impulse switch with switch-off early warning and pushbutton permanent light switchable. Standby loss 0.5 watt only.
Modular device for DIN-EN 60715 TH35 rail mounting. 1 module = 18 mm wide, 58 mm deep. Zero passage switching to protect contacts and lamps.
State-of-the-art hybrid technology combines advantages of nonearning electronic control with high capacity of special relays. Control voltage 230 V. In addition electrically isolated universal voltage from 8 to 230 V UC. Supply voltage and switching voltage 230 V. Very low switching noise. If the function ESV is set, definitely variable off-delay time RV from 2 to 120 minutes, settable by minute scale.
Contact position indication with two LEDs. This starts blinking in case of a blocked push-button (not if the function ER is set). Glow lamp current up to 150 mA only at the control input 230 V independent from ignition voltage (not if the function ER is set).
Relays with suitable functions to feed back the switching voltage signal of a dimmer switch. In case of a power failure the system is disconnected in a preset sequence.
The functions ES, ESV or ER are selectable by means of a rotary switch:
Function rotary switches

The functions ES, ESV or ER are selectable
by means of a rotary switch:

If this impulse switch with integrated relay function is in a circuit, which is monitored by a FR12-230V mains disconnection relay, no additional base load is required. However, the monitoring voltage of the FR12-230V must be set to ‘max’.
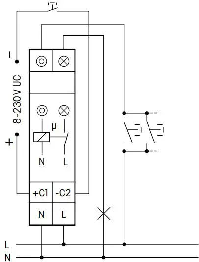
Typical connection

Technical data

⚠ The strain relief clamps of the terminals must be closed, that means the screws must be tightened for testing the function of the device. The terminals are open ex works.
Must be kept for later use!
We recommend the housing for operating instructions GBA14.
Eltako GmbH
D-70736 Fellbach
Technical Support English:
☎ +49 711 94350025
✉ [email protected]
eltako.com
42/2021 Subject to change without notice.



















