ESR12DDX-UC
User Manual
Digital settable multifunction impulse switch with an integrated relay function
21 200 302 – 1
Only skilled electricians may install this electrical equipment otherwise there is the risk of fire or electric shock!
The temperature at mounting location: -20°C up to +50°C.
Storage temperature: -25°C up to +70°C.
Relative humidity: annual average value <75%.
1+1 NO contacts potential free 16 A/250 V AC.
230 V LED lamps up to 600 W, incandescent lamp load 2000 W. Standby loss 0.03-0.4 watt only.
Modular device for DIN-EN 60715 TH35 rail mounting. 1 module = 18 mm wide, 58 mm deep.
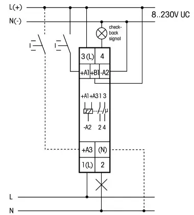
With the patented Eltako Duplex technology (DX) the normally potential-free contacts can still switch in zero passage when switching 230 V AC 50 Hz and therefore drastically reduce wear. Simply connect the neutral conductor to the terminal (N) and L to 15 (L) for this. This gives an additional standby consumption of only 0.1 Watt.
Universal control voltage 8 to 230 V UC.
The supply voltage is the same as the control voltage.
The functions are set with the keys MODE and SET as described in the operating instructions. They are indicated on the display and can be blocked if required. The accrued switch-on time is continuously displayed. First in hours (h), then in months (m) with 1 digit after the decimal point.
By using bistable relays coil power loss and heating is avoided even in the on mode.
The switched consumer may not be connected to the mains before the short automatic synchronization after the installation has terminated.
Only impulse switch functions: After a power failure the system is disconnected in a definite sequence or the switch position is kept depending on the setting (then + on the display next to function abbreviations).
Settings under RSM in the menu guidance. Furthermore, when using these functions, with the keys MODE and SET, the control
inputs A1 and A3 can be defined as central control inputs:
ZA1 = ‘central off’ with A1, local with A3;
ZE1 = ‘central on’ with A1, local with A3;
Z00 = no central control.
‘Central on’ with A1, ‘central off’ with A3.
No local control refers to function RS.
Relays with suitable functions to feedback the switching voltage signal of a dimmer switch.
From 110 V control voltage and in the settings 2S, WS, SS, and GS glow lamp current up to 5 mA, dependent on the ignition voltage.
With the keys MODE and SET, you can select amongst 18 functions:
OFF = Permanent OFF
2xS = 2-fold impulse switch with 1 NO contact each, control inputs A1 and A3
2S= Impulse switch with 2 NO contacts
WS = Impulse switch with 1 NO contact and 1 NC contact
SS1 = Impulse multi circuit switch 1+1 NO contacts for switching sequence 0 – contact 1 (1-2) – contact 2 (3-4) – con- tacts 1 +2
SS2 = Impulse multi circuit switch 1+1 NO contacts for switching sequence 0 – contact 1 – contacts 1 + 2 – contact 2
SS3 = Impulse multi circuit switch 1+1 NO contacts for switching sequence 0 – contact 1 – contacts 1 + 2
GS = Impulse group switch 1+1 NO contacts for switching sequence 0 – contact 1 – 0 – contact 2
RS = Impulse switch with 2 contacts, with A1= set and A3 = reset control input
2xR = 2-fold switching relay with 1 NO contact each, control inputs A1 and A3
2R = Switching relay with 2 NO contacts
WR = Switching relay with 1 NO contact and 1 NC contact
RR = Switching relay (closed-circuit current relay) with 2 NC contacts
EAW = Impulse relay for fleeting NO contact and fleeting NC contact with 1+1 NO contacts, wiping time 1 sec each
EW = Impulse relay for fleeting NO contact with 1 NO contact and 1 NC contact, wiping time 1sec
AW = Impulse relay fleeting NC contact with 1 NO contact and 1 NC contact, wiping time 1sec
GR = Group relay 1+1 NO contacts (relay with alternating closing contacts)
ON = Permanent ON
The control inputs A1 and A3 have the same functions except for 2xS, 2xR, and RS, if not used as central control inputs.
After setting the required function, the function can be blocked. An arrow on the right of the abbreviation indicates the blocking status.
Typical connection

If N is connected, the zero passage switching is active.
Technical data
| 230 V LED lamps | up to 200 W 3) with DX up to 600 W 3) I on ≤ 120 A/5 ms |
| Supply voltage and control voltage AC | 8..253 V |
| Supply voltage and control voltage DC | 10..230 V |
| Rated switching capacity | 16 A/250 V AC |
| Incandescent lamp load and halogen lamp load 1)230 V | 2000 W |
| Fluorescent lamp load with KVG* in lead-lag circuit or non compensated | 1000 VA |
| Fluorescent lamps with KVG* shunt-compensated or with EVG* | 500 VA |
| Compact fluorescent lamp with EVG* and energy-saving lamps | 15×7 W, 10×20 W 2) |
| Standby loss (active power) | 0,4 W |
* EVG = electronic ballast units;
KVG = conventional ballast units
- For lamps with 150 W max.
- If zero passage switching is activated, otherwise I on ≤70 A/10 ms.
- Due to different lamp electronics and depending on the manufacturer, the maximum number of lamps may be limited, especially if the wattage of the individual lamps is very low (e.g. with 2 W LEDs).
How to operate the ESR12DDX-UC with display
The left button is named MODE. The right button is named SET.
Press MODE to display the area at the top of the display, which then can be selected by pressing SET before you make a change. Each time you press SET, you move to the next flashing function. Press MODE on the requested function to end the flashing function. Then set by pressing MODE+SET.
Retain and only change a function: Press MODE twice.
| Action press MODE | Change press SET |
| RSM flashes | 2xS, 2S, WS, SS1, SS2, SS3, GS, RS: It is decided if the the system is disconnected in a definite sequence or if the switch position should be kept after a power failure. Then ‘+’ on the display next to the function abbreviation. |
| Z00 flashes | 2S, WS, SS1, SS2, SS3, GS: A1 can be defined as a central control input. ZA1 = central off ZE1 = central on |
There are no settable subfunctions of the ER functions.
If your input ends with a nonflashing display, this is the selected function.
Reset the accrued switch-on time to 0
Press MODE and SET simultaneously for 2 seconds. The bottom line in the display flashes. Press SET to reset to 0.
Lock and unlock
If the automatic function is active (no element is flashing), the setting can be locked against unintentional adjustment and then unlocked. As long as it is locked, an arrow at the top right of the display points to a lock icon on the front panel.
Lock: Press MODE and SET simultaneously and briefly. LCK flashes. Lock by pressing SET.
Unlock: Press MODE and SET simultaneously for 2 seconds. UNL flashes.
Unlock by pressing SET.
The strain relief clamps of the terminals must be closed, which means the screws must be tightened for testing the function of the device. The terminals are open ex-works.
Must be kept for later use!
We recommend the housing for operating instructions GBA14.
Eltako GmbH
D-70736 Fellbach
Technical Support English:
+49 711 94350025
[email protected]
eltako.com
27/2021 Subject to change without notice.



















