Eltako MTR62-230V Motor Isolating Relay

FEATURE
- Motor isolating relay MTR62-230V
- Temperature at mounting location: -20°C up to +50°C.
- Storage temperature: -25°C up to +70°C.
- Relative humidity: annual average value <75%.
SPECIFICATION
- Motor isolating relay, 2+2 NO contacts not poten-tial free 4A/250VAC, for two 230V motors.
- No standby loss. For installation. 49x51mm, 22mm deep.
- The connection terminals are plug-in terminals for conductor cross-sections from 0.2mm² to 2.5mm².
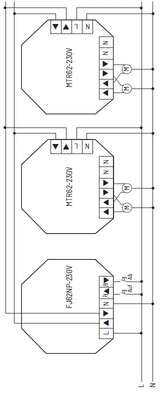
- The MTR is a control relay for controlling one or two blind and roller shutter motors with mechanical or electronic limit switches. The tubular motors of the shading elements and roller shutters must never be connected directly in parallel, otherwise reverse voltages will occur via the limit switches and ultimately the motors will be destroyed. Several MTRs can be connected in parallel at the inputs.
- For example, EGS12Z, EGS61Z, FSB14, FSB61NP and FJ62NP are suitable for activation. Control and switching voltage 230V. Attention! The switching time between the up and down command must be ≥ 500ms, otherwise the motor or the isolating relay may be damaged (observe the technical data of the motor).
Typical connection
Manuals and documents in further languages
http://eltako.com/redirect/MTR62-230V
Technical data
- Rated switching capacity 4A/250V
- Inductive load cos 0,6 650W
- Temperature at mounting location max./min. +50°C/-20°C
- Control current 4mA
Must be kept for later use!Eltako GmbH D-70736 Fellbach
Technical Support English: +49 711 94350025
[email protected]
eltako.com
30/2022 Subject to change without notice.





















