
![]()
Wireless actuator
Impulse switch with integrated relay
function FSR61LN-230V
Only skilled electricians may install this electrical equipment otherwise there is the risk of fire or electric shock!
The temperature at the mounting location:
-20°C up to +50°C.
Storage temperature: -25°C up to +70°C.
Relative humidity: annual average value <75%.
valid for devices from production week29/21 (see the bottom side of housing)
2 NO contact potential free 10A/250V AC,
230 V LED lamps up to 400 W, incandescent lamps up to 2000 watts, off delay with switch-off early warning, and switchable pushbutton permanent light.
Encrypted wireless, bidirectional wireless and repeater functions are switchable. Only 0.8-watt standby loss.
For installation.
45 mm long, 45 mm wide, 33 mm deep.
Supply voltage and control voltage locally 230 V.
Zero passage switching.
If a power failure occurs, the switching state is retained. If a power failure occurs repeatedly, the device is switched off in a defined sequence. After installation, wait for short automatic synchronization before the switched consumer is connected to the mains. In addition to the wireless control input via an internal antenna, this wireless actuator can also be controlled locally by a conventional control pushbutton mounted upstream. The glow lamp current is not approved. You can teach in encrypted sensors.
You can switch on bidirectional wireless and/or a repeater function.
Every change in state and incoming central command telegrams are then confirmed by a wireless telegram.
This wireless telegram can be taught-in in other actuators and in the GFVS software.
Scene control: several FSR61LN can be switched on or off in a scene by one of the four control signals of a double-rocker pushbutton taught in as a scene pushbutton.
Function rotary switches

With the upper rotary switch in the setting LRN up to 35 wireless pushbuttons can be assigned therefrom one or more central control push buttons. In addition wireless window/door contacts with the function NO contact or NC contact while the window is open, wireless brightness sensors, and wireless motion/brightness sensors. The required function of the impulse switch with the integrated relay function can then be select
ER = switching relay
ESV = impulse switch. Possibly with off delay, then:
= ESV with pushbutton permanent light
= ESV with switch-off early warning
= ESV with pushbutton permanent light and switch-off early warning
If the permanent light function
is switched on, the function can be activated by pressing the pushbutton for longer than 1 second.
This function switches off auto matically after 2 hours or by pressing the pushbutton.
If the switch-off early warning
is switched on, the light starts to flicker approx. 30 seconds before time-out. This is repeated three times at decreasing time intervals.
If both the switch-off early warning and pushbutton permanent light are
switched on, the switch-off early warning is activated before the automatic switch-off of the permanent light.
The function ESV on the bottom rotary switch sets the off delay from 2 to 120 minutes. In setting normal impulse switch function ES without off delay, without pushbutton permanent light, and without switch-off early warning. In setting ER = switching relay of the other rotary switch, this 2nd rotary switch fulfils a safety and power saving function n the settings except. If the switch-off command is not recognized, e.g. since the pushbutton is jammed or it was pressed too quickly, the relay switches off automatically on expiry of a time adjustable between 2 and 120 seconds. When an FTK is taught-in, this time function is turned off. Rotary switches can be used in functions ES and ESV, the permanent light cannot be activated by them.
Universal pushbutton as NC contact:
ER function position: The contact opens when the power supply is applied. When the pushbutton is released, the contact closes immediately and when the pushbutton is pressed, the contact opens immediately. ESV function position: The contact closes when the power supply is applied. When the pushbutton is operated, the contact opens immediately. When the pushbutton is released, the time setting (2 to 120 minutes) starts. On the expiry of the preset time, the contact closes. In position, the contact closes immediately.
FTK wireless window/door contact (EEP D500-01, F6-10-00, A5-14-01, -03, -09, -0A):
ER function position: Several FTK are interlinked; Lower rotary switch to position 2, a monitoring function is active, i. H. If the cyclical telegram from the window sensors remains off for 35 minutes, or if the battery voltage falls below 2.5 V, the red LED flashes. Lower rotary switch to the position, the monitoring function is not active.
Normally open function (e.g. control of extractor hoods): if a window is opened, the contact closes. If all windows are closed, the contact opens. Monitoring function: if at least one window sensor no longer sends cyclical telegrams, the contact opens after 35 minutes. Normally open function (e.g. alarm system): if a window is opened, the contact closes. If all windows are closed, the contact opens.
Monitoring function: if at least one window sensor no longer sends cyclical telegrams, the contact closes after 35 minutes. Function NC contact (e. g. climate control): if a window is opened, the contact opens. All windows must be closed for the contact to close. Monitoring function: if at least one window sensor no longer sends cyclical telegrams, the contact opens after 35 minutes.
Twilight pushbutton with taught-in (EEP A5-06-01, -02, -03) wireless brightness sensor in function position ESV. The contact closes when the switch-on threshold is not reached and opens when the switch-off threshold is exceeded, a hysteresis of 300 lux is permanently set. In time setting 120, the contact opens with a time delay of 4 minutes when brightness reaches high enough levels. In the time setting, the contact opens immediately. Pushbutton activation also remains available.
Vibration sensor (EEP A5-14-05): function setting ESV: With ‘vibration’ it is switched on, with ‘not vibration’ it is switched off immediately. Function setting ER: with ‘Vibration’ it is switched on and switched off automatically after the time adjustable between 2 and 120 seconds has elapsed. Motion detection with taught-in FBH-slave (EEP A5-07-01) wireless motion-brightness sensor or motion sensor FB65B (EEP A5-07-01) and in ER function position. The device switches on when motion is detected. When no more motion is detected, the contact opens after the present release delay time t = 2 up to 255 (FB65B: 120 to 380) seconds (position ). When an FBH-master (EEP A5-08-01) wireless detector and brightness detector is taught-in, use the lower rotary switch to define the switching threshold at which the lighting is switched on or off depending on the brightness (in addition to motion. A wireless outdoor brightness sensor FHD60SB (EEP A5-06-01) or a wireless motion/brightness sensor FBH-Master can be used in the function setting ER together with FBH-Slave or FB65B so that movement is only evaluated when it is dark. If the FHD60SB or FBH master detects the brightness, the contact opens immediately.
When teaching-in, the switching threshold is also taught-in: between the break of twilight and complete darkness.
The LED performs during the teach-in process according to the operation manual. It shows wireless control commands by short flickering during operation.
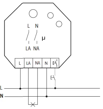
Typical connection

Technical data
| Rated switching capacity | 10 A/250 V AC |
| 230 V LED lamps | Ion up to 400 W2) s 120 A/5 ms |
| Incandescent lamp and halogen lamp load’) 230 V | 2000 W |
| Fluorescent lamp load with KVG in lead-lag circuit or non compensated | 1000 VA |
| Fluorescent lamp load with KVG shunt-compensated or with EVG* | 500 VA |
| Compact fluorescent lamps with EVG and energy-saving lamps | 15×7 W 10×20 W |
| Local control current at 230V control input | 3.5 mA |
| Max. parallel capacitance (approx. length) of local control lead | 0,01 pF (30m) |
| Standby loss (active power) | 0,8 W |
- For lamps with 150 W max.
- Due to different lamp electronics and depending on the manufacturer, the maximum number of lamps may be limited, especially if the wattage of the individual lamps is very low (e.g. with 2 W LEDs).
* EVG = electronic ballast units;
KVG = conventional ballast units
Teaching-in wireless sensors in wireless actuators
All sensors must be taught-in in actuators so that they can detect and execute their commands.
Teaching-in actuator FSR61LN-230V
The teach-in memory is empty on delivery from the factory. To ensure that a device was not previously taught-in, clear the memory completely:
memory completely:
Turn the upper rotary switch to CLR.
The LED flashes at a high rate. Within 10 seconds, turn the lower rotary switch three times to the right stop (turn clockwise) and back again. The LED stops flashing and go out after 2 seconds. All taught-in sensors are cleared; the repeater and the confirmation telegrams are switched off.
Clear single taught-in sensors: Turn the upper rotary switch to CLR. The LED flashes at a high rate. Operate the sensor. The LED goes out.
If all the functions of an encrypted sensor are cleared, teach-in must be repeated as described under Teach-in encrypted sensors.
Teaching-in sensors:
- The setting of the lower rotary switch to the desired teaching-in function:
The flashing of the LED as soon as a new setting range has been reached when turning the rotary switch helps to find the desired position reliably.
Left stop 2 = Teach in ‘Central OFF’, FTK as NC contacts (aircon or heating control).
6 = Teach in-scene pushbuttons, a complete pushbutton with a double rocker is automatically assigned.
40 = Teach in direction button.
Direction pushbuttons are completely taught-in automatically when pressed. Where the button is pressed is then defined for the switch-on and the other side is the switch-off side.
80 = Teach in universal pushbutton and FTK as normally open contact (alarm system).
120 = Teach in universal pushbutton as NC contact.
Right stop
= Teach in ‘Central ON’‚
FTK as NO contact (Extractor hood) and
FBH-slave.
Eih
FHD60SB
FBH
Either an FHD60SB or an FBH-master can be taught-in. During teach-in, the position of the lower rotary switch determines the switching threshold: from 2 = full darkness to 120 = start of twilight. Rotary switches and GFVS can be taught-in in any position, confirmation telegrams are automatically activated and sent. Teach-in of a wireless switch FS .. as a ‘universal button’ (lower rotary switch to position 80): Press the radio switch up or down to teach-in. Function: the radio switch only works in the ESV function, press the radio switch up or down, and the switch position of the actuator changes (toggling) with each actuation. If several radio switches or radio buttons are taught together, the radio switch fulfills the function of a toggle switch. - Set the upper rotary switch to LRN.
The LED flashes at a low rate. - Operate the sensor which should be taught in.
The LED goes out.
To teach-in further sensors, turn the upper rotary switch briefly away from position LRN. Continue the procedure from pos 1.
After teach-in, set the rotary switches of the actuators to the required function.
To prevent unintentional teach-in, teach in pushbuttons by ‘double-clicking’ (pressing rapidly twice in succession).
- Within 2 seconds, turn the upper rotary switch three times to the right stop LRN (turn clockwise). The LED flashes ‘double’.
- Double-click’ the pushbutton you want to teach in. The LED goes out.
To change back to teach-in with a ‘single click, turn the upper rotary switch 3 times to right stop LRN (clockwise) within 2 seconds. The LED flashes at a low rate.
After a power supply failure, the device reverts automatically to teach-in with a ‘single click. You can teach in unencrypted and encrypted sensors.
Teach in encrypted sensors:
- Turn the upper rotary switch to LRN.
- Turn the lower rotary switch three times to the left stop (anticlockwise).
The LED flashes very rapidly. - Within 120 seconds, enable sensor encryption. The LED goes out. Caution: Do not switch off the power supply.
- Then teach in the encrypted sensor as described in Teaching-in sensors. To teach in other encrypted sensors, turn the upper rotary switch briefly away from position LRN and then turn it to 1. With encrypted sensors, use the ‘rolling code’, i. e. the code changes in each telegram, both in the transmitter and in the receiver.
If a sensor sends more than 50 telegrams when the actuator is not enabled, the sensor is no longer recognized by the enabled actuator and you must repeat teach-in as an ‘encrypted sensor’. It is not necessary to repeat the function teach-in.
Teaching-in scenes:
Four scenes can be saved by a scene pushbutton previously taught-in.
- Switch on/off impulse relays
- The switching state is saved by pressing one of the four rocker ends of a double rocker scene pushbutton for 3-5 seconds.
Switching on/off repeater:
If the control voltage is applied to the local control input when the power supply is switched on, the repeater is switched on/off.
When the power supply is switched on, the LED lights up for 2 seconds = repeater off (as-delivered state) or 5 seconds = repeater on to indicate the state.
Switch-on confirmation telegrams: For deliveries ex-works the confirmation telegrams are switched-off. Set the upper rotary switch to CLR. The LED flashes nervously. Now within 10 seconds turn the bottom rotary switch 3 times to the left (anticlockwise) and then back away. The LED stops flashing and go out after 2 seconds. The confirmation telegrams are switched-on.
Switch-off confirmation telegrams:
Set the upper rotary switch to CLR.
The LED flashes nervously. Now within 10 seconds turn the bottom rotary switch 3 times to the left (anticlockwise) and then back away. The LED goes out immediately.
The confirmation telegrams are switched-off.
Teaching-in feedback of this actuator in other actuators:
For changing of switching state and simultaneously transmitting feedback the local control input has to be applied.
Teaching-in feedback of other actuators in this actuator: Teaching-in feedback on other actuators is only reasonable if this actuator is run in function setting ESV. ‘switch on will be taught-in in position ‘central ON’. ‘switch off will be taught-in in position ‘central OFF’. After teach-in, the function ESV and the off-delay will be set.
When an actuator is ready for teach-in (the LED flashes at a low ! rate), the very next incoming signal is taught-in. Therefore, make absolutely sure that you do not activate any other sensors during the teach-in phase.
THE UNIQUE WIRELESS PROFESSIONAL SMART HOME STANDARD
Frequency 868.3
Transmit power
Hereby, Eltako GmbH declares that the radio equipment type FSR61LN-230V is in compliance with Directive 2014/53/EU. The full text of the EU declaration of conformity is available at the following internet address: eltako.com
Must be kept for later use!
Eltako GmbH
Switch-on confirmation telegrams:
For deliveries ex-works the confirmation
telegrams are switched-off. Set the upper
D-70736 Fellbach
Technical Support English:
+49 711 94350025
[email protected]
eltako.com


















