seitron GS001M 230V Wi-Fi Switch with 2 Relays switchON

OVERVIEW
This is a double feature device: depending on the configuration it can operate as a WiFi IoT Switch or as 2.4GHz radio receiver coupled with a transmitter (eg. wi-time). It features two relays that can operate two loads at the same time. If it is used as WiFi IoT Switch (remote switch) the user can switch ON or OFF the device outputs through the Seitron Smart App and so the loads connected to the device will be controlled (eg. automatic garage door, irrigation system). Else, if the device is used as a radio receiver coupled with a transmitter, the SwitchON receives the commands that the transmitter sends out to it depending on necessities (e.g. if a SwitchON is connected to the boiler as a receiver and it is coupled with a wi-time, the latter sends out signals to the SwitchON depending on heat/cooling necessities of the room).
TECHNICAL FEATURES
- Power supply: 95 .. 290V 47 .. 440Hz
- Frequency: 2.4 GHz + WiFi
- Max. RF power transmitted: <100 mW
- Power absorption: <2 Watt Single controllable device
- maximum power: 750 Watt (AC) or 90 Watt (DC)
- Type of antenna: Internal
- Max. distance from the transmitter: >100m in open field >25 .. 30m inside buildings (depending on the building and on the environment)
- Contact rating: 2 x 3A 250Vac/3A 30Vdc max SPDT (voltage-free contacts)
- Protection grade: IP 3X
- Type of action: 1
- Overvoltage category: II
- Pollution degree: 2
- Tracking Index (PTI): 175
- Class of protection against electric shock: II
- Rated impulse voltage: 2500V
- Number of manual cycles: 1.000
- Number of automatic cycles: 100.000
- Software class: A
- EMC test voltage: 230V
- EMC test current: 25mA
- Distances tolerances fault mode ‘short’ exclusion: ±0,15mm
- Ball pressure test temperature: 75°C
- Operating temperature: 0°C .. +40°C
- Storage temperature -10°C .. +50°C
- Humidity limits: 20% .. 80% RH non condensing
- Case: Materia: ABS+PC V0 self-extinguishing
- Color: White

- Color: White
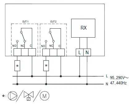
ELECTRICAL WIRING
This device is powered at 95 .. 290V 47 .. 440Hz. The terminals L and N power the receiver with mains voltage and must be connected with the N terminal to neutral. The terminals NO, NC, and C of out 1 are SPDT type voltage-free contacts of the output relay related to channel 1. The terminals NO, NC, and C of out 2 are SPDT type voltage-free contacts of the output relay related to channel 2. The outputs, terminals from 1 to 6, are voltage-free and insulated with double insulation in relation to other parts of the receiver. So it is possible to power the receiver with high voltage 95 .. 290V and, at the same time, control a SELV load with low voltage (e.g. 24V ). In this case, it is necessary to maintain the high voltage wires, which power the receiver, separated from the low SELV voltage wires according to current standards. Especially, it is necessary to tie together the wire groups with cable ties in order to separate the SELV wires from the others to avoid the case where, if a wire is accidentally unplugged, this does not reduce the insulation towards SELV.
WIRING DIAGRAM
WARNING
- If the load controlled by the switch on relay operates with mains voltage, the connections must be made via an omnipolar switch complying with current standards and with contact opening of at least 3 mm in each pole.
- Installation and electrical wirings of this appliance must be made by qualified technicians and in compliance with the current standards.
- Before wiring, the appliance be sure to turn the mains power off.
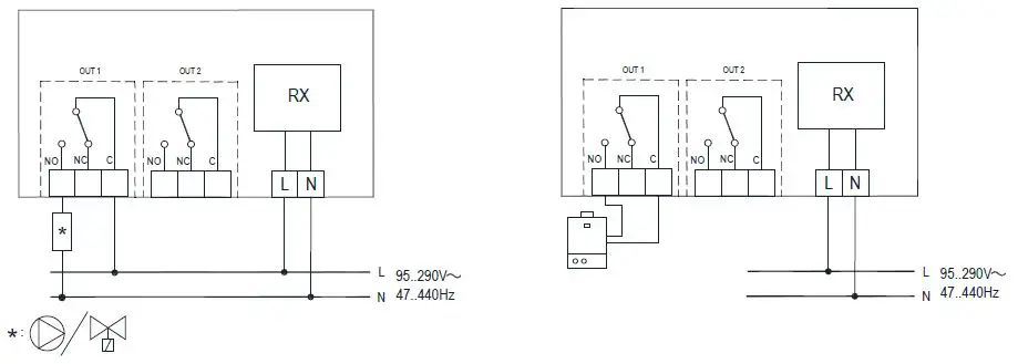
WIRING DIAGRAM WITH SwitchON SET TO Switch IoT MODE 
WIRING DIAGRAM WITH SwitchON SET TO ONE CHANNEL RADIO RECEIVER 
WARNING:
It is possible to u just one receiver output, which can be chosen directly from the wi-t e settings. The diagrams above are using output OUT 1.
SWITCH IOT OPERATION MODE
With the switch on WiFi IoT mode (remote switch), it is possible, using the Seitron Smart app, to switch on and off two loads, one for each relay with which the product is equipped; the loads can be, for example, an irrigation system or an automatic garage door.
The app sends out special signals via WiFi to the SwitchON depending on the user’s needs. These WiFi signals are received and decoded by the switch on, which is normally installed in the same room where the controlled loads are. On the switch, the output relay is turned on or off depending on the commands the user sends it through the app Seitron Smart; the outputs, for example, can be also connected to a valve that controls the hot/cold water flow inside the related heating/cooling system in the room. Before installing the device on its final position, make sure there is enough WiFi signal covering the area.
OPERATION AND MECHANICAL DESCRIPTION
The device is featured with 2 buttons and 2 LEDs placed on the front; the buttons are used when pairing the App Seitron Smart with the switch on and during normal operation, while the LEDs are used to give information on the status of the outputs and on the status of the device itself. The functions and indications provided by the product are listed below in detail: 
BUTTONS OPERATION
- A Long press puts the device in pairing mode; if the device is already in this mode, a long press switches off the pairing mode and returns the device to normal operation mode.
Short press switches relay n°1. - B Short press switches relay n°2.
- A B Long press at the same time reboots the device.
LED OPERATION - C D Red/green blinking, the device is in pairing mode.
Green blinking, the device is searching for the last WiFi network it has been connected to. - C Steady green-lit, relay n°1 is Normally Closed.
Steady red-lit, relay n°1 is Normally Open. - D Steady green-lit, relay n°2 is Normally Closed.
Steady red-lit, relay n°2 is Normally Open.
MANUAL OUTPUT CONTROL
Alternatively to the Seitron Smart App, in order to control the device, both of the SwitchON outputs can be turned on and off manually, with the buttons A and B placed on the front of the product.
In order to switch on/off output OUT 1, it is necessary to shortly press the button A.
In order to switch on/off output OUT 2, it is necessary to shortly press the button B.
Manual output control is possible even if the device has never been paired with the Seitron Smart app or it has been erased. In this last case, the switch looks for the last WiFi network it has been connected to and the LEDs C and D stay on blinking mode by the color related to the output status.
EXAMPLE OF LOGIC WIRING DIAGRAM 
Fig.2: Example of a system made up of a switch that controls an automatic garage door and an irrigation system.
PAIRING
This procedure consists of connecting the Seitron Smart app to your SwitchON; after which it will be possible to control the two relays (and consequently to control the relative loads) remotely.
- Make sure to move the jumper on the IOT position: Switch IoT mode.

- Download the Citron Smart App on your mobile device (Smartphone and/or tablet), make sure that the device SwitchON is correctly powered and check the WiFi coverage.
- Press the button A , which is placed on the front cover, for at least 5 seconds so the device goes on pairing mode; both LEDs flash Red/Green.
Note: In order to exit Pairing mode, press the again for 5 seconds the A button. - Startup the Seitron Smart App on your device (smartphone or tablet). If you already have credentials to access, fill in the fields Email and Password. If you are not registered, press the button ‘Sign in’ and fill in the requested data; once done, press the ‘Sign in’ button

- Add a new switch on and connect it with the App.

- The instructions that appear on the screen are the ones reported on the previous points; make sure to have them all done correctly and press the ‘Start’ button.

- 7 When the new device is found, the following screen appears with the MAC address of the Switch IoT being paired.

Press on the MAC address to start the pairing process (pairing SwitchON=>App).
WARNING- It may be possible that more than one device must be paired; So, on the screen “Device searching“ all the active SwitchON MAC addresses will be visible. In this case associate one device at a time.
- Fill out all the fields as suggested inside the example boxes and choose one of the available WiFi networks.

RESET (PROCEDURE%)
In order to reset the device to the default condition (reset procedure) it is necessary to disconnect the switch from the Seitron Smart app so that the device is not visible on the app dashboard; to perform this procedure, proceed as follows:
- Access the Citron Smart app; from the dashboard, select the device you want to delete.
- Select the symbol ‘
‘ and click on the ‘Delete’ option. - Follow the instructions on the screen and confirm the deletion.
- Now the device will not be able to receive inputs from the Seitron Smart app. The LEDs are flashing green or red depending on the output status.
- If you want to manage the switch on with the app again, repeat the pairing procedure described above.
RADIO RECEIVER OPERATION MODE
switch can be set as a one-channel radio receiver suitable for activating a load (precisely a zone solenoid valve or a circulator) in radio-controlled heating/cooling systems for the home or office rooms.
To a single SwitchON, it is possible to pair up to a maximum of 6 wi-times (for further details see chapter “Example of logic wiring diagram”). It is possible to use only one receiver output, which can be chosen directly from the wi-time settings.
This system offers a great solution inside buildings where it is not possible to lay down cables between the thermostat and the room which must be controlled.
Each wi-time sends out special radio signals to the receiving unit depending on the heating or cooling needs of the room where it operates. These signals are received and decoded by the receiving unit, which is normally installed in the same room where the boiler or the air conditioning unit system are placed. On the receiving unit the output relay (which it has been set on the wi-time), turns on or off depending on the needs; the same output can be connected to a zone solenoid valve which controls the hot/cold water flow inside the related heating or cooling device inside the room.
OPERATION AND MECHANICAL DESCRIPTION
The device is provided with 2 buttons and 2 LEDs placed on the front cover.
Below there are some details about the functions and status indications given by the product: 
BUTTONS OPERATION
- A A long press activates the pairing mode; if the device is already in that mode, a long press switches the pairing mode off and puts back the device to normal operation mode.
- B A long press deletes all addresses stored by the device and puts it back to factory default.
- B A long press of A + B at the same time reboots the device.
LED OPERATION
Green blinking the device is not paired with any transmitter. - C D Red/green alternate blinking the device is on pairing mode.
- C Still, green-lit relay n°1 is Normally Closed. Still, red-lit relay n°1 is Normally Open.
- D Still, green-lit relay n°2 is Normally Closed. Still, red-lit relay n°2 is Normally Open.
EXAMPLE OF LOGIC WIRING DIAGRAM
Example of a system made up by three SwitchON on radio receiver mode and two wi-time: two SwitchON are controlling a zone solenoid valve each and they are receiving the inputs from the related paired wi-time, while the third SwitchON manages the inputs that both the wi-time are sending to it.
Up to 6 wi-time can be paired to a single switch connected to the boiler.
Example of a system made up by six wi-time (maximum number of wi-time from which a single SwitchON can receive inputs) which sends inputs to a switch connected to a boiler; this system allows greater freedom about where to place the transmitters. 
WARNING Maximum distance between transmitter and receiver: 30 meters.
RADIO SYSTEM CONFIGURATION
In order to pair more wi-time in the same area and to be able to use the multi-channel systems, every wi-time is featured of a unique “MAC address” (Media Access Control). Different wi-time with different addresses can work at the same time without interfering so to controlling different areas.
In order to store the address of the wi-time from which it is needed to receive the signals, it is necessary to perform the “Self-learning procedure” described below.
Self-learning procedure
- Move the jumper to SLAVE position: radio receiver mode.

- Make sure that the switch on device is correctly powered; before installing the transmitter on its final location, check that the switch on correctly receives its signals.
The switch will not give information about radio signal strength; in order to check the radio communication between SwitchON and transmitter (wi-time), refer to the complete transmitter user manual. - long-press the A button for 5 seconds so to put the receiver on pairing mode. The LEDs C and D blink Red/Green alternatively.
- Follow the procedure “Radio system configuration” on the complete transmitter user manual.
- At the end of the procedure, the LEDs C and D are still green or red-lit, depending on the output switching inputs received by the transmitter. The LED related to the unused output will always be lit with still red light.
At this point the receiver it is controlled exclusively by the transmitter, which will send out the radio inputs.
WARNING
The pairing procedure must be performed ONE DEVICE AT A TIME because the transmitter pairs itself with the first radio receiver answering its self-learning call.
DELETION OF ALL OF THE STORED RADIO ADDRESSES
In order to delete from the receiver all the radio addresses stored by the transmitters, it is only needed to long-press for more than 5 seconds the B button.
This way the receiver won’t be able to receive the transmitter’s signals anymore; in order to pair it again with one or more transmitters, it is necessary to perform the pairing procedure again.
TROUBLESHOOTING
- SYMPTOM: The receiver appears completely “dead”.
- PROBABLE CAUSE: There’s no mains power.
- REMEDY: Check the mains power connection.
- SYMPTOM: On radio receiver mode the LEDs keep on flashing Green/Red when you try to pair the two devices.
- PROBABLE CAUSE: The transmitter radio signals can’t reach the radio receiver.
- REMEDY: Check the distance between transmitter and radio receiver and make sure that it is within the range expressed by the paragraph technical features. Check that no reinforced concrete walls or obstacles are preventing the radio signals to pass through.
- SYMPTOM: When on radio receiver mode, the boiler or the load won’t switch on.
- PROBABLE CAUSE: The boiler or the load are connected to the wrong output. The switch only manages one output, which is selected on the transmitter or there is no radio communication between the transmitter and receiver.
- REMEDY: Set on the wi-time the receiver output where the wiring is made. Or, check on the wi-time the transmitter-receiver radio communication quality. If there is no radio communication at all, you must move the transmitter closer to the receiver.
- SYMPTOM: Both the LEDs are constantly green flashing even after a switch has been paired with the APP (If on Switch IOT mode) or to the transmitter (if on radio receiver mode).
- PROBABLE CAUSE: The possible causes are:
- The switch has been deleted from the app (if on Switch IoT mode).
- All of the stored addresses have been deleted returning the device to the Default condition (if in radio receiver mode).
- The management of the associated radio receiver has been deactivated on each of the associated transmitters (if in radio receiver mode).
REMEDY:
- Repeat the pairing procedure with the app (if on Switch IoT mode).
- Carry out the radio configuration again (if in radio receiver mode).
- On at least one transmitter, activate the management of the associated radio receiver (if in radio receiver mode).
WARRANTY
In view of the constant development of their products, the manufacturer reserves the right for changing technical data and features without prior notice.
The consumer is guaranteed against any lack of conformity according to the European Directive 1999/44/EC as well as to the manufacturer’s document about the warranty policy.
The full text of the warranty is available on request from the seller.
SEITRON S.p.A. a socio unico
Via del Commercio, 9/11. 36065 Mussolente (VI) ITALY
+39 0424 567842 – http://www.seitron.com – e-mail: [email protected]




























