COMET T1110 Programmable Relative Humidity Transmitter

Product Information
T1110 TRANSMITTER
The T1110 transmitter is a programmable relative humidity transmitter with a 4-20mA output. It is designed to measure the ambient relative humidity of non-aggressive air. The transmitter comes with built-in temperature and relative humidity sensors that are non-removable instrument parts. The measured values are displayed on a dual-line LCD display, where the reading displayed on the second LCD line is relative humidity. It is possible to switch off the LCD entirely. The transmitter is connected to circuitry by means of one current loop.
All transmitter settings are performed through a PC connected via the optional SP003 communication cable (not included in delivery). The program TSensor for transmitter setting is available to download for free at www.cometsystem.com. The program enables you to set the output range of relative humidity and supports making adjustments to the device. This procedure is described in the “Calibration manual.pdf” file, which is commonly installed with the software. The transmitter version TxxxxL with a watertight male connector instead of a cable gland is designed for easy connection/disconnection of the output cable. The protection of the male Lumberg connector RSFM4 is IP67.
Models marked TxxxxZ are non-standard versions of the transmitters. Their description is not included in this manual.
Installation of the Transmitter
It is recommended to use shielded twisted copper cable, with a maximal length of 1200m, located in indoor rooms. The cable should not be led in parallel along power cabling. Safety distance is up to 0.5 m; otherwise, undesirable induction of interference signals can appear. The diameter of the cable for T1110 devices must be from 3.5 to 8 mm (e.g. SYKFY), for device T1110L with respect to the female connector. Do NOT connect shielding at the connector side. The electrical system (wiring) can only be done by a worker with the required qualification by rules in operation.
Connection
For connection, please refer to Appendix A.
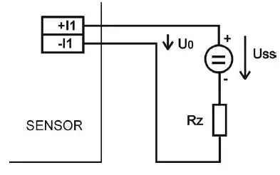
Typical Application Wiring
Calculation of minimum power voltage Uss for proper operation: Uss min> Uo min + Imax * Rz, where: Uo min= 9 V Imax…approximately 20 mA Rz…sensing resistor (shunt).
LCD Info Mode
Several settings of the installed transmitter are possible to verify without using a computer. It is necessary to connect at least power of current loop I1. Unscrew the transmitter lid and shortly press the button between the display and interconnection terminals by means of a tool (e.g. screwdriver).
The range and type of value for output 1 (current loop I1 = symbol,,1 on display). The type of value assigned to output 1 is indicated by the displayed unit (here %RH = relative humidity). The upper line displays the current value corresponding to the measured value (lower line). Here, 4 mA corresponds to 0 %RH.
Product Usage Instructions
- Before connecting the device, read the instruction manual.
- Use a shielded twisted copper cable with a diameter of 3.5 to 8 mm.
- The cable should not be led in parallel along power cabling, and the safety distance should be up to 0.5m.
- The electrical system (wiring) can only be done by a worker with the required qualification by rules in operation.
- For connection, refer to Appendix A.
- Calculate the minimum power voltage Uss for proper operation using the given formula.
- For LCD Info Mode, connect at least the power of current loop I1. Unscrew the transmitter lid and press the button between the display and interconnection terminals by means of a tool (e.g. screwdriver).
- To set the transmitter output range of relative humidity and make adjustments to the device, use the program TSensor for transmitter settings is available to download for free at www.cometsystem.com. Follow the procedure described in the Calibration manual.pdf file.
© Copyright: COMET SYSTEM, s.r.o.
It is prohibited to copy and make any changes in this manual, without explicit agreement of the company COMET SYSTEM, Ltd. All rights reserved. COMET SYSTEM, Ltd. makes constant development and improvement of their products. The manufacturer reserves the right to make technical changes to the device without previous notice. Misprints reserved.
The transmitter is designed for the measurement of ambient relative humidity of non-aggressive air. Measuring temperature and relative humidity sensors are non-removable instrument parts. Measured values are displayed on dual line LCD display, where the reading displayed on the second LCD line is relative humidity. It is possible to switch OFF the LCD at all. The transmitter is connected to the circuitry by means of one current loop.
All transmitter setting is performed by means of the PC connected via the optional SP003 communication cable (not included in delivery). Program TSensor for transmitter setting is available to download free at www.cometsystem.com. The program enables to set the output range of relative humidity. It supports make the adjustment of the device too. This procedure is described at the file „Calibration manual.pdf“ which is installed commonly with the software. Transmitter version TxxxxL with a watertight male connector instead of a cable gland is designed for easy connection/disconnection of the output cable. The protection of male Lumberg connector RSFM4 is IP67. Models marked TxxxxZ are non-standard versions of the transmitters. The description is not included in this manual.
Please read the instruction manual before the first device connection.
Device setting from the manufacturer
The transmitter is set by the manufacturer to the following parameters:
- value at output I1: relative humidity, range 4 – 20 mA corresponds 0 to 100 % RH display: switched ON
- value displayed at line 2: relative humidity
Modification of the setting is possible to do by means of the PC using the procedure described at the end of this document.
Installation of the transmitter
The transmitter is designed for wall mounting. There are two mounting holes at the sides of the case. It is NOT recommended to use the device for long time under condensation conditions. It could be the cause of water steam condensation inside the sensor’s cover into the water phase. This liquid phase stays inside sensor’s cover and can’t escape from the cover easily. It can dramatically increase response time to relative humidity change. If water condensation occurs for a longer time, it can cause sensor damage. A similar effect can occur under water aerosol conditions. Don’t connect the transmitter while the power supply voltage is on. Interconnection terminals of T1110 are accessible after unscrewing four screws and removing the lid. Lace the cable through a gland at the case wall. Connect the cable to terminals with respecting the signal polarity (see figure). Terminals are self-clamping and can be opened by a suitable screwdriver. For the opening, insert the screwdriver to the upper terminal hole and lever by him. Do not remember to tighten glands and case lid with inserted packing after cables connect. It is necessary for warranting of protection IP65. Connect the complementary female connector for the T1110L transmitter in accordance with the table in Appendix A of this manual.
It is recommended to use a shielded twisted copper cable, a maximal length 1200m. The cable must be located at indoor rooms. The cable should not be led in parallel along the power cabling. Safety distance is up to 0.5 m, otherwise, undesirable induction of interference signals can appear. The outside diameter of the cable for T1110 device must be from 3,5 to 8 mm (e.g. SYKFY), for device T1110L with respect to the female connector. Do NOT connect shielding at the connector side.
Electrical system (wiring) may do only by workers with the required qualifications by rules in operation.
Dimensions
Dimensions – T1110

Dimensions – T1110L

Typical application wiring
Calculation of minimum power voltage Uss for proper operation:
- Uss min> Uo min + Imax * Rz, where: Uo min= 9 V
- Imax… approximately 20 mA
- Rz… sensing resistor (shunt)

LCD Info mode
Several settings of installed transmitter is possible to verify without a use of the computer. It is necessary to connect at least power of current loop I1. Unscrew the transmitter lid and shortly press button between display and interconnection terminals by means of a tool (e.g. screwdriver).
- Range and type of value for output 1 (current loop I1 = symbol „1“on display). Type of value, assigned to output 1, is indicated by displayed unit (here %RH = relative humidity). Upper line displays current value corresponding to measured value (lower line). Here 4 mA corresponds to 0 %RH.

- Press button again to get value for upper point (same output, same value) similarly as at previous point. Here 20 mA corresponds to 100 %RH. Press button again to end info mode and display actual measured values.

Notice:
during info mode no measurement and no output current generation proceed. The transmitter stays at info mode 15 s, then automatically goes back to measuring cycle.
Readings on LCD display
%RH
Reading next to this symbol is measured relative humidity or error state of value.
Technical parameters
- Analog output (for relative humidity output only):
- Output range: from 4 to 20 mA
- Current output in case of error: <3.8 mA or >24 mA
- Power: 9 to 30 V dc, maximum ripple 0.5 %
Measuring parameters:
Ambient temperature (internal RTD sensor Pt1000/3850ppm):
- Measuring range: -30 to +80 °C
- Display resolution: 0.1 °C
- Accuracy: ± 0.4 °C
Relative humidity (RH reading is compensated at the entire temperature range):
- Measuring range: 0 to 100 %RH (see Installation of the transmitter)
- Display resolution: 0.1 %RH
- Accuracy: ± 2.5 %RH from 5 to 95 %RH at 23 °C (for value on LCD display and for values on analog output too)
- Response time with stainless steel mesh sensor cover (F5200) and bronze sensor cover (F0000, selectable option), air flow approximately 1 m/s:
- relative humidity: t90 < 50 s (humidity step 30 %RH, constant temperature) Recommended interval of calibration: 1 year
- Measuring interval and LCD display refresh: 0.5 s
- Communication with computer: via USB port by means of USB communication cable SP003
- Protection: electronics IP65, sensors are located in cover with IP40 protection
- Air filter: filtering ability 0.025 mm
Operating conditions:
- Operating temperature range: -30 to +80 °C, over +70°C switch LCD display OFF Operating humidity range: 0 to 100 %RH
- Outer characteristics in accordance with Czech National Standard 33-2000-3:
- normal environment with the specifications: AE1, AN1, BE1
- Working position: the stem downwards
- Electromagnetic compatibility: complies EN 61326-1
- Not allowed manipulations: It is not allowed to operate the device under other than specified conditions in technical parameters. Devices are not designed for locations with chemically aggressive environments. Temperature and humidity sensors must not be exposed to direct contact to water or other liquids. It is not allowed to remove the sensor cover to avoid any mechanical damage of the sensors.
- Storing conditions: temperature -30 to +80 °C humidity 0 to 100 %RH without condensation
- Dimensions: see dimensional drawings
- Weight: approximately 150 g
- Material of the case: ASA
The procedure of modification of transmitter adjustment:
- Device adjustment is performed by means of the optional SP003 communication cable, connected to USB port of the PC.
- It is necessary to have installed the configuration program TSensor on the PC. It is free to download at www.cometsystem.com. During installation please take care of the installation of the driver for the USB communication cable.
- Connect the SP003 communication cable to the PC. Installed USB driver to detect connected cable and create virtual COM port inside the PC.
- Unscrew four screws of the device lid a remove the lid. If the device is already installed to the measuring system, disconnect leads from terminals.
- Connect the SP003 communication cable to the device. The display must light up, or at least must light up all symbols for one second (if LCD was switched OFF by the program before).
- Run the installed Tsensor program and select the corresponding communication COM port (as described above).
- When the new setting is saved and finished, disconnect the cable from the device, connect leads into its terminals and place the lid back to the device.
Error States of the device
The device continuously checks its state during operation. In case error is found LCD displays the corresponding error code:
Error 0
The first line displays „Err0“.
Check the sum error of the stored setting inside the device’s memory. The output value is < 3.8 mA. This error appears if an incorrect writing procedure to the device’s memory occurred or if damage to calibration data appeared. At this state, device does not measure and calculate values. It is a serious error, contact the distributor of the instrument to fix it.
Error 1
The measured value is over the upper limit of the allowed full-scale range. There is a reading „Err1“ on the LCD display. The output value is about 24.5 mA. This state appears in the case of:
- The measured temperature is higher than approximately 600°C (i.e. high non-measurable resistance of temperature sensor, probably opened circuit).
- The relative humidity is higher than 100 %, i.e. damaged humidity sensor or humidity calculation of humidity is not possible (due to an error during temperature measurement).
Error 2
There is a reading „Err2“ on LCD display. The output value is about 3.8 mA. The measured value is below the lower limit of the allowed full-scale range. This state appears in the case of:
- The measured temperature is lower than approximately -210°C (i.e. low resistance of temperature sensor, probably short circuit).
- Relative humidity is lower than 0%, i.e. damaged sensor for measurement of relative humidity, or calculation of humidity is not possible (due to error during temperature measurement).
Error 3
There is a reading „Err3“ on the LCD display upper line. An error of the internal A/D converter appeared (the converter doe not respond, probably damage of the A/D converter). No measurement and calculations of values proceed. The output value is about 3.8 mA. It is a serious error, contact the distributor of the instrument.
End of operation
Device itself (after its life) is necessary to liquidate ecologically!
Technical support and service
Technical support and service is provided by the distributor. For contact see the warranty certificate.
Appendix A

COMET SYSTEM, s.r.o., Bezrucova 2901 756 61 Roznov pod Radhostem, Czech republic
Specifications are subject to change without notice.





















