COMET T3111 Series Programmable Transmitter 
Product Information
- Product Name: Programmable transmitter of temperature, relative humidity and other calculated humidity values with external probe and 4 – 20 mA outputs
- Manufacturer: COMET SYSTEM, Ltd.
- Product Versions: T3111, T3111L, T3111P, T3111Ex
- General Description: The transmitters T3111 are designed for measurement of ambient temperature and relative humidity of air without aggressive substances. Measured values are converted to other humidity interpretation: dew point temperature, absolute humidity, specific humidity, mixing ratio and specific enthalpy. The transmitters are equipped with an external humidity and temperature probe on a cable.
- Communication: The transmitter communicates by means two galvanically separated current loop 4-20mA. Each loop has two-wire connection and each loop requires power from evaluation device. It is always necessary to connect loop I1 which is designed for supplying of measuring part of the device. Using the configuration software can be assigned to each current loop any measured or computed value.
- Product Versions:
- T3111: transmitter with cable gland for output cable connection
- T3111L: device version with watertight male connector instead of a cable gland for easy connection/disconnection of the output cable (protection IP67)
- T3111P: transmitter for measuring the moisture of compressed air with pressure up to 25 bar
- T3111Ex: intrinsically safe transmitter for use in potentially explosive environments
Product Usage Instructions
- Read the instruction manual carefully before connecting the device for the first time.
- The transmitter is designed for measurement of ambient temperature and relative humidity of air without aggressive substances.
- The transmitter is equipped with an external humidity and temperature probe on a cable.
- The transmitter communicates by means two galvanically separated current loop 4-20mA. Each loop has two-wire connection and each loop requires power from evaluation device. It is always necessary to connect loop I1 which is designed for supplying of measuring part of the device. Using the configuration software can be assigned to each current loop any measured or computed value.
- Ensure that loop I1 is always connected for the proper functioning of the device.
- For T3111L version, use the watertight male connector instead of a cable gland for easy connection/disconnection of the output cable (protection IP67).
- For T3111P version, use the transmitter for measuring the moisture of compressed air with pressure up to 25 bar.
- For T3111Ex version, use the intrinsically safe transmitter for use in potentially explosive environments.
Programmable transmitter of temperature, relative humidity and other calculated humidity values with external probe and 4 – 20 mA outputs
- T3111
- T3111L
- T3111P
- T3111Ex
© Copyright: COMET SYSTEM, Ltd.
It is prohibited to copy and make any changes in this manual, without explicit agreement of company COMET SYSTEM, Ltd. All rights reserved. COMET SYSTEM, Ltd. makes constant development and improvement of their products. Manufacturer reserves the right to make technical changes to the device without previous notice. Misprints reserved. Manufacturer is not responsible for damages caused by using the device in conflict with this manual. To damages caused by using the device in conflict with this manual cannot be provide free repairs during the warranty period. Read carefully instruction manual before the first device connection. Contact address of this device’s producer:
COMET SYSTEM, s.r.o. Bezrucova 2901 756 61 Rostov pod Radhostem Czech Republic
www.cometsystem.com
General description
The transmitters T3111 are designed for measurement of ambient temperature and relative humidity of air without aggressive substances. Measured values are converted to other humidity interpretation: dew point temperature, absolute humidity, specific humidity, mixing ratio and specific enthalpy. The transmitters are equipped with an external humidity and temperature probe on a cable. Measured and computed values are displayed on a two-line LCD display. The first line displays temperature (ºC / ºF). Value displayed on the second line is selectable among relative humidity and computed value. It is also possible to display both readings with cyclic overwriting (4 seconds interval) or to switch off the LCD display at all.
The transmitter communicates by means two galvanically separated current loop 4-20mA. Each loop has two-wire connection and each loop requires power from evaluation device. It is always necessary to connect loop I1 which is designed for supplying of measuring part of the device. Using the configuration software can be assigned to each current loop any measured or computed value. All transmitter setting is performed by means of the PC connected via the optional SP003 communication cable (not included in delivery). Using Tensor software (see www.cometsystem.com) you can assign to each output any measured or computed value and to set its measuring range. It is also possible to assign both outputs to the same value (with the same range), if two evaluation devices are necessary to connect. The program supports make the adjustment of the device too. This procedure is described at file „Calibration manual.pdf“ which is installed commonly with the software.
Device versions
- T3111 transmitter with cable gland for output cable connection
- T3111L device version with watertight male connector instead of a cable gland for easy connection/disconnection of the output cable (protection IP67)
- T3111P transmitter for measuring the moisture of compressed air with pressure up to 25 bar
- T3111Ex intrinsically safe transmitter for use in potentially explosive environments
- T3111Z this marking is intended for a non-standard versions of the transmitters. Description is not included in this manual
T3111Ex transmitter
Transmitter T3111Ex is designed and certified for use in hazardous areas. In compliance with European Directive 2014/34/EU (ATEX) the T3111Ex transmitter conforms to European Standards EN 60079-0:2018 and EN 60079-11:2012. Transmitter is suitable for use in potentially explosive atmospheres (Apparatus Groups llC) in applications requiring devices category 3G.
Type Examination Certificate number FTZÚ 13 ATEX 0189X is available at www.cometsystem.com.
Factory settings
If special setting was not required in the order device is set from the manufacturer to the following parameters:
- value at output I1: relative humidity range 4-20 mA corresponds 0 to 100 %RH
- value at output I2: temperature range 4-20 mA corresponds -30 to +105 ºC
- display: switched ON
- temperature unit: °C value displayed at line 2: relative humidity
Device installation
The housing with electronics is designed for wall mounting with two screws or bolts. The mounting position of the housing with electronics and of the probe is arbitrary. To measure temperature and humidity of compressed air (T3111P) is suitable to use the flow chamber SH-PP (see Appendix A). The connecting terminals are accessible after unscrewing the four screws in the corners of the case and removing the lid. Pass the connecting cable through released gland and connect the wires to terminals (see “Typical application wiring”). Tighten the gland and screw the lid (check the integrity of the seal). The female connector for connecting T3111L transmitter connect according to diagram at “Typical application wiring”.
For device connection it is recommended to use a shielded cable with a maximum length of 1200m. External diameter of the cable for T3111, T3111P and T3111Ex connection is 4 to 8 mm. For T3311L connection use cable with respect to female connector parameters (do not connect shielding at connector side). When selecting the type of a cable for T3111Ex connection and when choosing a location for T3111Ex mounting it is necessary to observe the conditions for safe installation in potentially explosive environments. The cables should be located as far as possible from potential interference sources. It is not recommended to use the device for long time under condensation conditions or water aerosol conditions. It could be the cause of water steam condensation inside the sensor’s cover with a consequential increase of response time to humidity changes. It can cause sensor damage too. If this effect may occur, it is necessary to use the probe at operation position with sensor cover downwards. Devices don´t require special operation and maintenance. It is recommend to keep clean sensor cover and periodically to verify the accuracy of measurement.
Warning
- Installation, commissioning and maintenance may only be carried out by personnel with qualification by applicable regulations and standards.
- Ambient temperature of the housing with electronics of T3111Ex transmitter is not allowed exceed 60 ºC.
- Don´t connect transmitter while power supply voltage is on.
- Under certain extreme circumstances, the plastic enclosure of T3111Ex transmitter may store an ignition-capable level of electrostatic charge. The device shall not be installed in a location where the external conditions are conducive to the build-up of electrostatic charge. The equipment shall only be cleaned with a damp cloth.
Info mode
Several settings of installed transmitter are possible to verify without a use of the computer. It is necessary to connect at least power of current loop I1. Unscrew the transmitter lid and shortly press button between display and interconnection terminals by means of a tool (e.g. screwdriver).

- The LCD display shows the type of value assigned to 1. output (here „%RH“ = relative humidity and „1“ = loop I1). Upper line displays value of the current corresponding to measured value on the lower line (here 4 mA corresponds to 0 %RH).
- Press button again to get value for upper point of the 1. output (here „%RH“ = relative humidity and 1“ = loop 1). Upper line displays value of the current corresponding to measured value on the lower line (here 20 mA corresponds to 100 %RH).
- After next press of the button LCD display shows the type of value assigned to 2. output (here „ºC“ = temperature and „2“= loop I2). Upper line displays value of the current corresponding to measured value on the lower line (here 4 mA corresponds to -30 ºC).
- Press button again to get value for upper point of the 2. output (here „ºC“ = temperature and „2“ = loop 2). Upper line displays value of the current corresponding to measured value on the lower line (here 20 mA corresponds to 80 ºC).
Press button again to end info mode and display actual measured values.
Warning
- During info mode no measurement and no output current generation proceed. The transmitter stays at info mode 15 s, and then automatically goes back to measuring cycle.
- The verifying of settings of the T3111Ex transmitter is permitted only in non-hazardous area.
Modification of device adjustment
Device adjustment is performed by means of the optional SP003 communication cable, connected to USB port of the PC. It is necessary to have installed configuration program Tensor on the PC (program is free to download at www.cometsystem.com). During installation please take care about installation of driver for USB communication cable.

- unscrew four screws of the device lid and remove the lid. If device is already installed to measuring system, disconnect wires from terminals
- connect SP003 communication cable to the PC. Installed USB driver detect connected cable and create virtual COM port inside the PC
- run installed Tsensor program and continue in accordance with his instructions
- when new setting is saved and finished, disconnect the cable from the device, connect wires into its terminals and place the lid back to the device.
Warning
- Modification of adjustment of the T3111Ex transmitter using a cable SP003 is permitted only in non-hazardous area.
Error states of the device
Device continuously checks its state during operation. In case error is found LCD displays corresponding error code:
Error 0 – first line displays
„Err0“ (output current value is < 3.8 mA). Check sum error of stored setting inside device’s memory. This error appears if incorrect writing procedure to device’s memory occurred or if damage of calibration data appeared. At this state device does not measure and calculated values. It is a serious error, contact distributor of the device to fix. sum error of stored setting inside device’s memory. This error appears if incorrect writing procedure to device’s memory occurred or if damage of calibration data appeared. At this state device does not measure and calculated values. It is a serious error, contact distributor of the device to fix. 22 mA). Measured or computed value is higher than upper limit. This state appears in case of:
- measured temperature is higher than approximately 600 °C (i.e. high non-measurable resistance of temperature sensor, probably opened circuit)
- relative humidity value is higher than 100 %, i.e. damaged humidity sensor, or humidity calculation of humidity is not possible (due to error during temperature measurement)
- calculation of the computed value is not possible (error during measurement of temperature or relative humidity or value is over range)
Error 2 – there is a reading „Err2“ on LCD display (output value is < 3.8 mA).
Measured or computed value is below lower limit of allowed full scale range. This state appears in case of:
- measured temperature is lower than approximately -210 °C (i.e. low resistance of temperature sensor, probably short circuit).
- relative humidity value is lower than 0 %, i.e. damaged sensor for measurement of relative humidity, or calculation of relative humidity is not possible (due to error during temperature measurement)
- calculation of the computed value is not possible (error during measurement of temperature or relative humidity)
Error 3 – there is a reading „Err3“ on LCD display upper line. Error of internal - A/D converter appeared (converter does not respond, probably damage of A/D converter). No measurement and calculations of values are proceeded. It is a serious error, contact distributor of the instrument.
Technical support and service
Technical support and service is provided by distributor. For contact see warranty certificate. You can use discussion forum at web address www.forum.cometsystem.cz.
Technical data
Measured values
Temperature
- Accuracy: ±0.4 °C
- Measuring range: 0 to +105 °C
- Resolution: 0.1 °C
- Response time: t90 < 6 min T3111
- t90 < 6 min T3111L
- t90 < 6 min T3111Ex
- t90 < 16 min T3111P (temperature step 20 ºC)
- Relative humidity:
- Accuracy: ± 2.5 %RH from 5 to 95 %RH at 23 °C
- Measuring range: 0 to 100 %RH
- Resolution: 0.1 %RH
- Response time: t90 < 30 s (humidity step 65 %RH, constant temperature)
Accuracy data are valid for values displayed on LCD display. For accuracy of analog outputs are valid this data in case, when the output range is set within the range of measurement.
Relative humidity and temperature restriction
Calculated humidity values
Dew point temperature
- Accuracy: ±1.5°C at ambient temperature T < 25 °C and RH > 30 %, for more details see graphs
- Measuring range: -60 to +80 ºC

Absolute humidity
- Accuracy: ±1.5 g/m3 at ambient temperature T < 25 °C, for more details see graph
- Measuring range: 0 to 400 g/m3
Specific humidity
This value depends on atmospheric pressure. Pressure for quantities calculation is stored in device memory. Default value is 1013hPa and can be changed by software.
- Accuracy: ±2 g/kg at ambient temperature T < 35 °C
- Measuring range: 0 to 550 g/kg
Mixing ratio
This value depends on atmospheric pressure. Pressure for quantities calculation is stored in device memory. Default value is 1013hPa and can be changed by software.
- Accuracy: ±2 g/kg at ambient temperature T < 35 °C
- Measuring range: 0 to 995 g/kg
Specific enthalpy
This value depends on atmospheric pressure. Pressure for quantities calculation is stored in device memory. Default value is 1013hPa and can be changed by software.
- Accuracy: ±4 kJ/kg at ambient temperature T < 35 °C
- Measuring range: 0 to 995 kJ/kg
General
- Power supply voltage:
9 to 30 Vdc - Current output in case of error:
< 3.8 mA or > 22 mA - Recommended calibration interval:
1 year (relative humidity 1 year, temperature 2 years) - Protection:
housing with electronics IP65, sensors are located in cover with IP40 protection. - Mechanical connection of probe T3111P:
G1/2 with O-ring - Storage temperature range:
-30 to +80 °C - Storage relative humidity range:
5 to 95 %RH (no condensation) - Certification of T3111Ex transmitter:
Certificate: FTZÚ 13 ATEX 0189X
Marking: ll 3G Ex ic llC T6 Gc
Compliance with standards: EN 60079-0:2018 and EN 60079-11:2012 Intrinsically safe parameters of current loops I1 and I2:
Ui = 30 V, Ii = 100 mA, Io = 22 mA, Ci ~ 0, Li ~ 0
Special condition for safe use (sign “X”): Under certain extreme circumstances, the plastic enclosure may store an ignition-capable level of electrostatic charge. The device shall not be installed in a location where the external conditions are conducive to the build-up of electrostatic charge. The equipment shall only be cleaned with a damp cloth.
Electromagnetic compatibility
EN 61326-1
Weight: approximately
- T3111, T3111L, T3111Ex probe 1m 210 g
- T3111, T3111L, T3111Ex probe 2m 250 g
- T3111, T3111L, T3111Ex probe 4m 330 g
- T3111P probe 1m 260 g
- T3111P probe 2m 300 g
- T3111P probe 4m 380 g
Housing material
ASA
Material of the probe T3111P
duralumin with the black local surface finish.
Operating conditions
Temperature operating range of the housing with electronics:
- -30 to +80 ºC T3111
- -30 to +80 ºC T3111L
- -30 to +80 ºC T3111L
Ambient temperature range of the housing with electronics: - -30 to +60 ºC T3111Ex
Temperature operating range of the probe: - -30 to +105 ºC
Relative humidity operating range: - 0 to 100 %RH (no condensation)
Operating pressure range of the probe T3111P: - up to 25 bar
- Air flow velocity (T3111P probe):
- up to 25 m/s at a pressure of 1 bar (1m/s at a pressure of 25 bar)
End of operation
Dispose of the device according to statutory regulations.
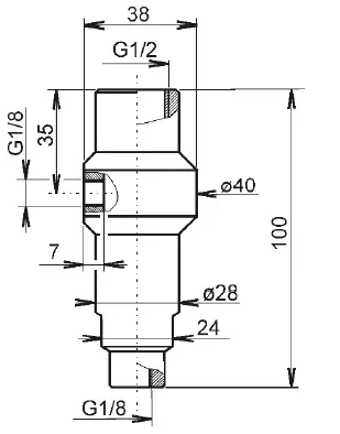
Dimensions
T3111
T3111Ex

T3111L
T3111P

Typical application wiring

Loop resistance value Rc = Rm + resistance of wires shall fulfill the condition Rc[Ω] < 40 x Uss[V] – 360
T3111Ex

Loop resistance value Rc = Rm + Rs + resistance of wires shall fulfill the condition Rc[Ω] < 40 x Uss[V] – 360.
Intrinsically safe parameters of the transmitter:
Ui = 30 V, Ii = 100 mA, Io = 22 mA, Ci ~ 0, Li ~ 0
T3111L

Loop resistance value Rc = Rm + resistance of wires shall fulfill the condition Rc[Ω] < 40 x Uss[V] – 360.
Appendix A
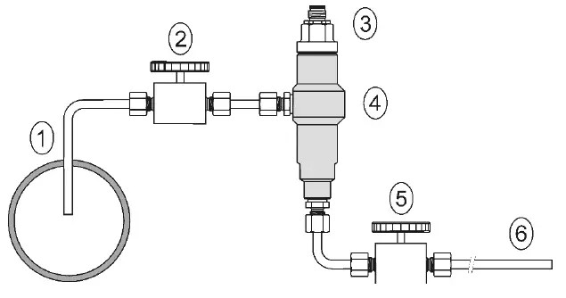
The probe for measuring the moisture of compressed air should be placed directly on the pressure pipelines to achieve higher measurement accuracy and fast response times. But they are cases where such placement is not possible. The reason is the high air speed, high temperature, high pollution, small diameter pipes, etc. Such situation can be solved by placing the probe into the flow measuring chamber. The picture shows the basic layout of the sampling system with chamber SH- PP.

- sampling
- closing valve
- probe
- flow chamber SH-PP
- closing valve
- outlet tube
sampling (1)
end of the tube placed in the centre of pressure pipelines (distribution of moisture in the pipe cross-section is not homogeneous). To achieve fast response times to shorten the length of the sample tubes to a minimum (a few meters).
closing valve (2)
allows access to the sample system without interrupting the main line
closing valve (5)
the sample flow is regulated by this valve. Measurement accuracy is not typically affected by the sample flow rate, only the response time of measurement is increased with decreasing value of sample flow rate.
outlet tube (6)
if the measured sample of air is released into the atmosphere, select the length of the outlet tube of 1.5 m (recommended for tube diameter 6mm). The reason is to ensure the accuracy of the sample in the flow chamber and avoid back diffusion of moisture from the ambient air.
That basic structure of sampling system can be supplemented with filters, coolers, flow measurement, pressure measurement, etc. For the accurate operation of sampling system is important to ensure perfect tightness of all connections and to use corrosion-resistant materials. Tube inclination is chosen so as to avoid the accumulation of fluid in the system.
Technical specification – flow chamber SH-PP
- Material of flow chamber: stainless steel (DIN 1.4301)
- Inlet and outlet connection: G1/8
- Probe connection: G1/2
- Sample flow rate: 0.1 to 3 l/min
- Operating pressure: up to 25 bar
- Weight: 580 g
Note
Screw-coupling not included.

IE-SNC-T3111-14





















