COMET T3417 Transmitter

INTRODUCTION
Transmitter is designed for measurement of air temperature at °C or °F and relative humidity of air without aggressive ingredients. Measured temperature and relative humidity are recomputed to humidity expression: dew point temperature, absolute humidity, specific humidity, mixing ratio and specific enthalpy. Transmitter communicates via link RS485. Supported communication protocols are Modbus RTU, protocol compatible with standard Advantech-ADAM, ARION and communication with HWg–Poseidon devices. Temperature and relative humidity sensors are non-removable instrument parts. Measured and computed values are displayed on dual line LCD display. The first line displays temperature. Value displayed on the second line is selectable among relative humidity and computed value. It is also possible to display both readings with cyclic overwriting in 4 seconds interval. Display can be also switched OFF totally. Output link RS485 is galvanic isolated.
Use user’s software TSensor for setting of all device parameters (recommended). It is free to download at www.cometsystem.com. It supports make the adjustment of the device too. This procedure is described at file „Calibration manual.pdf“ which is installed commonly with the software. Change of some parameters is possible to do without user’s software with Windows hyperterminal (change of communication protocol, its parameters, LCD display setting). It is described in file “Description of communication protocols of Txxxx series” which is free to download at the same address.
Transmitter version TxxxxL with watertight male connector instead of a cable glands (RS485) is designed for easy connection/disconnection of communication cable. Male Lumberg connector RSFM4 has protection IP67.
Transmitter version TxxxxD – LCD display is perpendicular to measuring stem.
Models marked TxxxxZ are non-standard versions of the transmitters. Description is not included in this manual.
Please read instruction manual before the first device connection.
Transmitter setting from the manufacturer
If special setting was not required in the order, transmitter is set from the manufacturer to the following parameters:
- communication protocol: Modbus RTU
- transmitter address: 01
- communication speed: 9600Bd, without parity, 2 stop bits
- display: switched ON
- value displayed at lower line: relative humidity only
- preset computed value: dew point temperature
Transmitter installation
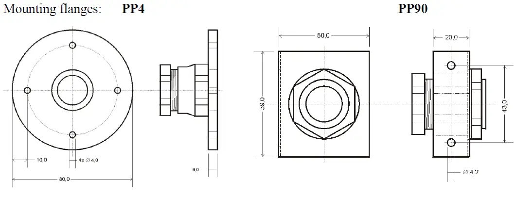
Transmitter is designed for air-conditioning duct – metal stem fixed by means of the optional gland. Also optional installation flanges PP4 or PP90 are possible to use (not included in delivery). Measuring temperature and relative humidity sensors are non-removable instrument parts. It is NOT recommended to use the device for long time under condensation conditions. It could be the cause of water steam condensation inside the sensor’s cover into water phase. This liquid phase stays inside sensor’s cover and can’t escape from the cover easily. It can dramatically increase response time to relative humidity change. If water condensation occurs for longer time it can cause sensor damage. Similar effect can occur under water aerosol conditions. If this effect may occur, it is necessary to use the device at operation position with sensor cover downwards. Don’t connect device while power supply voltage is on.
Interconnection terminals for T3413(D) and T3417(D) devices are accessible after unscrewing four screws and removing the lid. Lace the cable through a gland at the case wall. Connect the cable to terminals with respecting the signal polarity (see figure). Terminals are self-clamping and can be opened by a suitable screwdriver. For the opening, insert the screwdriver to smaller terminal hole and lever by him. Do not forget to tighten glands and case lid with inserted packing after cables connecting. It is necessary for warranting of protection IP65. Connect complementary female connector for T3413L and T3417L transmitters in accordance with the table in Appendix B of this manual.
For devices with RS485 output there is recommended to use shielded twisted copper cable, maximal length 1200m. The cable must be located at indoor rooms. Nominal cable impedance should be 100 Ω, loop resistance max. 240 Ω, cable capacity max. 65 pF/m. Outside diameter of the cable for T3413(D) and T3417(D) connection must be from 3 to 6.5 mm. Suitable cable is e.g. SYKFY 2x2x0.5 mm2, where one wire pair serves for device powering and the other pair for communication link. For devices T3413L and T3417L use cable with respect to female connector parameters. Do NOT connect shielding at connector side. The cable should be led in one line, i.e. NOT to „tree“ or „star“. Termination resistor should be located at the end. For short distance other topology is allowed. Terminate the network by a termination resistor. The value of the resistor is recommended about 120 . For short distance termination resistor can be left out. The cable should not be led in parallel along power cabling. Safety distance is up to 0.5 m, otherwise undesirable induction of interference signals can appear. Electrical system (wiring) may do only worker with required qualification by rules in operation.
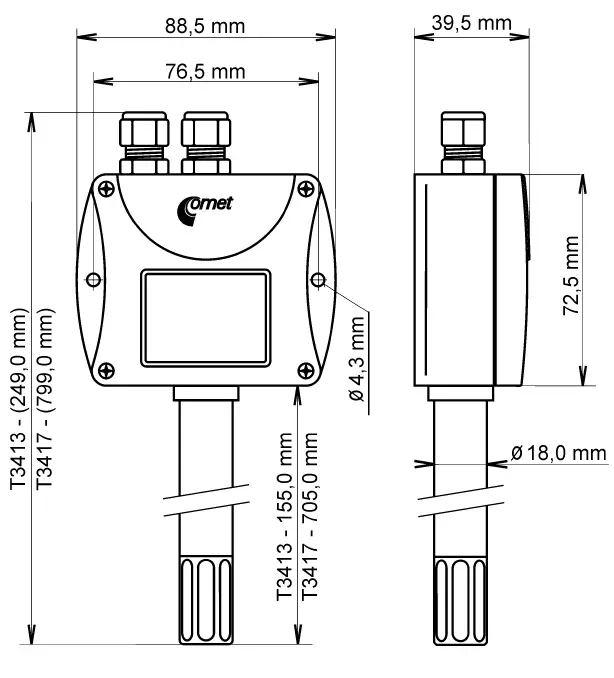
Dimensions
T3413, T3417

T3413D , T3417D

T3413L, T3417L

Typical application wiring, connection of terminals

Info mode
If in doubt of setting of installed transmitter, verification of its address is enabled even without using computer. Power should be connected.
Unscrew transmitter cover and shortly press button next to connection terminals (jumper should be opened). Actual adjusted address of transmitter is displayed on LCD display at decimal base, for HWg-Poseidon’s communication protocol there is shown number corresponding with ASCII address code. Next press of button exits info mode and actual measured values are displayed.
Note: No measurement and communication is possible during info mode. If transmitter stays in info mode for longer than 15 s, transmitter automatically returns to measuring cycle.
Description of communication protocols
Detailed description of each communication protocols including examples of communication is available in individual document “Description of communication protocols of Txxxx series” which is free to download at www.cometsystem.com.
Note: After switching ON the power of the device it can last up to 2 s before the device starts to communicate and measure!
Modbus RTU
Control units communicate on master-slave principle in half-duplex operation. Only master can send request and only addressed device responds. During sending of request no other slave station should respond. During communication, data transfer proceeds in binary format. Each Byte is sent as eight bit data word in format: 1 start bit, data word 8 bit (LSB first), 2 stop bits1, without parity. Transmitter supports communication speed from 110Bd to 115200Bd.
Sent request and response have syntax: ADDRESS OF DEVICE – FUNCTION – Modbus CRC
Supported functions
- 03 (0x03): Reading of 16-bit registers (Read Holding Registers)
- 04 (0x04): Reading of 16-bit input gates (Read Input Registers)
- 16 (0x10): Setting of more 16-bit registers (Write Multiple Registers)
Jumper and button
Jumper and button are located next to connection terminals. If communication protocol Modbus is selected the function of jumper and button is as follows:
- Jumper opened – transmitter memory is protected from writing, from transmitter side it is only enabled to read measured value, writing to memory is disabled (no change of transmitter address, communication speed and LCD setting is enabled).
- Jumper closed – writing to transmitter memory is enabled by means of User’s software.
- Jumper closed and button pressed for longer than six seconds – causes restoring of manufacturer setting of communication protocol, i.e. sets Modbus RTU communication protocol, device address sets to 01h and communication speed to 9600Bd – after button press there is “dEF” message blinking at LCD display. Six seconds later message “dEF” stays shown, it means manufacturer setting of communication protocol is done.
- Jumper opened and button shortly pressed – transmitter goes to Info mode, see chapter „Info mode“.
Modbus registers of the device
| Variable | Unit | Adresa [hex]X | Adresa [dec]X | Format | Size | Status |
| Measured temperature | [°C] | 0x0031 | 49 | Int*10 | BIN16 | R |
| Measured relative humidity | [%] | 0x0032 | 50 | Int*10 | BIN16 | R |
| Computed value * | [°C] | 0x0033 | 51 | Int*10 | BIN16 | R |
| Address of transmitter | [-] | 0x2001 | 8193 | Int | BIN16 | R/W* |
| Code of communication speed | [-] | 0x2002 | 8194 | Int | BIN16 | R/W* |
| Serial number of transmitter Hi | [-] | 0x1035 | 4149 | BCD | BIN16 | R |
| Serial number of transmitter Lo | [-] | 0x1036 | 4150 | BCD | BIN16 | R |
| Version of Firmware Hi | [-] | 0x3001 | 12289 | BCD | BIN16 | R |
| Version of Firmware Lo | [-] | 0x3002 | 12290 | BCD | BIN16 | R |
Since FW version 02.44 there is possibility to read the all computed values from registers:
| Variable | Unit | Address [hex]X | Address [dec]X | Format | Size | Status |
| Dew point temperature | [°C] [°F]* | 0x0035 | 53 | Int*10 | BIN16 | R |
| Absolute humidity | [g/m3] | 0x0036 | 54 | Int*10 | BIN16 | R |
| Specific humidity | [g/kg] | 0x0037 | 55 | Int*10 | BIN16 | R |
| Mixing ratio | [g/kg] | 0x0038 | 56 | Int*10 | BIN16 | R |
| Specific enthalpy | [kJ/kg] | 0x0039 | 57 | Int*10 | BIN16 | R |
Explanation:
- * depends on device setting (by User’s software)
- Int*10 register is in format integer*10
- R register is designed only for reading
- W* register is designed for writing, for more details see chapter description of communication protocols
- X register addresses are indexed from zero – register 0x31 is physically sent as value 0x30, 0x32 as 0x31 (zero based addressing)
Note: In case there is a need for reading of measured values from transmitter with higher resolution than one decimal, measured values in transmitter are stored also in „Float“ format, which is not directly compatible with IEEE754.
Protocol compatible with Advantech ADAM standard
Control units communicate on master-slave principle in half-duplex operation. Only master can send requests and only addressed device responds. During sending request any of slave devices should respond. During communication data is transferred in ASCII format (in characters). Each Byte is sent as two ASCII characters. Transmitter supports communication speed from 1200Bd to 115200Bd, parameters of communication link are 1 start bit + eight bit data word (LSB first) + 1 stop bit, without parity.
Jumper
Jumper is located next to connection terminals. If communication protocol compatible with standard Advantech-ADAM is selected, its function is the following:
- If jumper during switching ON the power is closed, transmitter always communicates with following parameters regardless stored setting in the transmitter: communication speed 9600 Bd, without check sum, transmitter address 00h
- If jumper during switching ON the power is not closed, transmitter communicates in accordance with stored setting.
- If jumper is closed during transmitter operation, transmitter temporarily changes its address to 00h, it will communicate in the same communication speed as before closing jumper and will communicate without check sum. After jumper is opened setting of address and check sum is reset in accordance with values stored in transmitter.
- Communication speed and check sum are possible to change only if jumper is closed.
- Jumper closed and button pressed for longer than six seconds – causes restoring of manufacturer setting of communication protocol, i.e. sets Modbus RTU communication protocol, device address sets to 01h and communication speed to 9600Bd – after button press there is “dEF” message blinking at LCD display. Six seconds later message “dEF” stays shown, it means manufacturer setting of communication protocol is done.
For communication with device which measure more than one value, there is necessary to add at the end of command the number of communication channel, where the measured value is mapped. Command for value reading is #AAx(CRC) cr, where AA is device address, x is number of communication channel, CRC is check sum (can be used or not).
| Measured value | Number of communication channel |
| Temperature | 0 |
| Relative humidity | 1 |
| Computed value | 2 |
Command #AA(CRC) cr for reading all measured values at once is supported for multi-channel devices since firmware version 02.60.
Response: > (temperature)(relative humidity)(dew point temperature)(absolute humidity) (specific humidity)(mixing ratio)(specific enthalpy)(atmospheric pressure)cr
ARION communication protocol AMiT company
The device supports communication protocol ARiON version 1.00. For more details see file “Description of communication protocols of Txxxx series” or www.amit.cz.
Communication with HWg Poseidon units
Device supports communication with HWg-Poseidon units. For communication with this unit set the device with setup software TSensor to communication protocol HWg–Poseidon and set correct device address. This communication protocol supports read temperature at °C, relative humidity, one of computed value (dew point temperature or absolute humidity) and barometric pressure at kPa (depended by device type). For atmospheric pressure correction to altitude setting there is Users software TSensor.
Jumper and button
If communication with HWg Poseidon unit is selected, the function of jumper and button is as follows:
- Jumper opened and button shortly pressed – device goes to Info mode, see chapter „Info mode“.
- Jumper closed and button pressed for longer than six seconds – causes restoring of manufacturer setting of communication protocol, i.e. sets Modbus RTU communication protocol, device address sets to 01h and communication speed to 9600Bd – after button press there is “dEF” message blinking at LCD display. Six seconds later message “dEF” stays shown, it means manufacturer setting of communication protocol is done.
Error States of the device
Device continuously checks its state during operation. In case error is found LCD displays corresponding error code:
- Error 0 – first line displays „Err0“. Check sum error of stored setting inside device’s memory. This error appears if incorrect writing procedure to device’s memory occurred or if damage of calibration data appeared. At this state device does not measure and calculate values. It is a serious error, contact distributor of the instrument to fix.
- Error 1 – measured (calculated) value is over upper limit of allowed full scale range. There is a reading „Err1“ on LCD display. Value read from the device is +999,9.
This state appears in case of:- Measured temperature is higher than approximately 600 °C (i.e. high non-measurable resistance of temperature sensor, probably opened circuit).
- Relative humidity is higher than 100 %, i.e. damaged humidity sensor, or humidity calculation of humidity is not possible (due to error during temperature measurement).
- Computed value – calculation of the value is not possible (error during measurement of temperature or relative humidity or value is over range).
- Error 2 – there is a reading „Err2“ on LCD display. Measured (calculated) value is below lower limit of allowed full scale range. Value read from the transmitter is -999,9.
This state appears in case of:- Measured temperature is lower than approximately -210 °C (i.e. low resistance of temperature sensor, probably short circuit).
- Relative humidity is lower than 0%, i.e. damaged sensor for measurement of relative humidity, or calculation of humidity is not possible (due to error during temperature measurement).
- Computed value – calculation of computed value is not possible (error during measurement of temperature or relative humidity).
- Error 3 – there is a reading „Err3“ on LCD display upper line. Error of internal A/D converter appeared (converter does not respond, probably damage of A/D converter). No measurements proceed. It is a serious error, contact distributor of the instrument.
Readings on LCD display
- °C, °F reading next to this symbol is measured temperature or error state of value.
- %RH reading next to this symbol is measured relative humidity or error state of value.
- °C / °F DP reading next to this symbol is calculated dew point temperature or error state of value.
- g/m3 reading next to this symbol is calculated absolute humidity or error state of value.
- g/kg reading next to this symbol is calculated specific humidity or mixing ratio (depends on device setting) or error state of value.
If specific enthalpy is selected, there is shown only value (number) without corresponding unit! Symbol 3 near left display margin is on if jumper is closed.
Technical parameters of the instrument:
- RS 485 Interface:
- Receiver-Input Resistance: 96 kΩ
- Devices on bus: max. 256 (1/8 Unit Receiver Load)
- Measuring parameters:
- Ambient temperature (RTD sensor Pt1000/3850ppm):
- Measuring range: -30 to +125 °C
- Resolution: 0.1 °C
- Accuracy: ± 0.4 °C
- Relative humidity (reading is temperature compensated at entire temperature range):
- Measuring range: 0 to 100 %RH (see Transmitter installation)
- Resolution: 0.1 %RH
- Accuracy: ± 2.5 %RH from 5 to 95 %RH at 23 °C
- Ambient temperature (RTD sensor Pt1000/3850ppm):
- The value computed from air temperature and relative humidity:
- Absolute humidity
- Range: 0 to 400 g/m3
- Accuracy: ±1,5g/m3 at air temperature T < 25°C (104 °F), for more details see graphs below

- Dew point temperature
- Range: -60 to +80 °C (-76 to 176 °F)
- Accuracy: ±1.5 °C (±2,7 °F) at ambient temperature T < 25°C (77°F) and relative humidity RH >30%, for more details see graphs below

- Specific humidity2
- Accuracy: ±2g/kg at air temperature T < 35°C (95°F)
- Range: 0 to 550 g/kg
- Mixing ratioChyba! Záložka není definována.
- Accuracy: ±2g/kg at air temperature T < 35°C (95°F)
- Range: 0 to 995 g/kg
- Specific enthalpyChyba! Záložka není definována.
- Accuracy: ± 3kJ/kg at air temperature T < 25°C (77°F)
- Range: 0 to 995 kJ/kg 3
- Absolute humidity
- Response time with stainless steel mesh sensor cover (F5200) and bronze sensor cover (F0000 – selectable option), air flow approximately 1 m/s:
- temperature: t90 < 9 min (temperature step 20 °C)
- relative humidity: t90 < 30 s (humidity step 65 %RH, constant temperature)
- Recommended calibration interval: 1 year
- Measuring interval and LCD display refresh: 0.5 s
This value depends on the barometric pressure. If device doesn’t support pressure measurement, then constant value stored inside device memory is used. Default value preset by manufacturer is 1013hPa and can be changed by user’s software.
This maximum is reached under conditions about 70°C/100%RH or 80°C/70%RH
- Power: 9 to 30 V dc
- Consumption: max. 0.5W
- Protection of the case with electronics and terminals: IP65
- Protection of the sensor cover: IP40
- Filtering ability of the sensor cover: 0.025 mm
Measuring temperature and humidity range is limited in accordance with the graph below!
Operating conditions:
- Operating temperature range of case with electronics: -30 to +80 °C, over +70°C switch LCD display OFF
- Operating temperature range measuring tip with sensors: -30 to +125 °C
- Operating relative humidity range: 0 to 100 %RH
- Outer influence in accordance with Czech National Standard 33-2000-3: normal environment with those specifications: AE1, AN1, AR1, BE1
- Working position: in air-conditioning duct arbitrary, in free space the steel stem downwards (see Transmitter installation)
- Electromagnetic compatibility: complies EN 61326-1
- Not allowed manipulation: It is not allowed to operate the device under conditions other than specified in technical parameters. Devices are not designed for locations with chemically aggressive environment. Temperature and humidity sensors must not be exposed to direct contact with water or other liquids. It is not allowed to remove the sensor cover to avoid any mechanical damage of the sensors.
- Storing conditions: temperature -30 to +80 °C, humidity 0 to 100 %RH without condensation
- Dimensions: see dimensional drawings
- Weight: approximately T3413(L)(D) 225 g, T3417(L)(D) 580 g
- Material of the case: ASA, stem from stainless steel
Optional accessory

End of operation
Device itself (after its life) is necessary to liquidate ecologically!
Technical support and service
Technical support and service is provided by distributor. For contact see warranty certificate.
Appendix A
Connection of transmitters with RS485 output to the PC

- The ELO E214 converter is an optional accessory for connection of transmitter with RS485 interface to the PC via USB port. Link RS485 is connected across pin 9 A(+) and pin 8 B(-). The pull up, pull down and termination resistors are part of the transmitter. These internal resistors can be connected to the bus by connecting the corresponding pins of CANON connector (for more information see the operation manual for ELO E214).
- The ELO E06D converter is an optional accessory for connection of transmitter with RS485 interface to the PC via serial port RS232. Connector marked RS232 connect directly to the PC. Power voltage +6V DC from an external acdc adapter connect to pin 9 of connector marked RS485, 0V connect to pin 5 and link RS485 connect across pin 3 A(+) and pin 4 B(-). Time out setting is performed by connecting the corresponding pins of connector marked RS485 (for more information see the operation manual for ELO E06D).
Appendix B

© Copyright: COMET SYSTEM, Ltd.
It is prohibited to copy and make any changes in this manual, without explicit agreement of company COMET SYSTEM, Ltd. All rights reserved.
COMET SYSTEM, Ltd. makes constant development and improvement of their products. Manufacturer reserves the right to make technical changes to the device without previous notice. Misprints reserved. Manufacturer is not responsible for damages caused by using the device in conflict with this manual. To damages caused by using the device in conflict with this manual cannot be provide free repairs during the warranty period. Carefully read instruction manual before the first device connection.
Contact address of this device’s producer:
COMET SYSTEM, s.r.o.
Bezrucova 2901
756 61 Roznov pod Radhostem
Czech Republic
www.cometsystem.com






















