COMET SYSTEM T0211 Programmable Transmitter Temperature

© Copyright: COMET SYSTEM, s.r.o.
It is prohibited to copy and make any changes in this manual, without explicit agreement of company COMET SYSTEM, Ltd. All rights reserved.
COMET SYSTEM, Ltd. makes constant development and improvement of their products. Manufacturer reserves the right to make technical changes to the device without previous notice. Misprints reserved.
Instruction manual for use of T0211 transmitter
Transmitter is designed for measurement of air temperature at °C or °F and relative humidity of air without aggressive ingredients with computing one of the following values: dew point temperature, absolute humidity, specific humidity, mixing ratio and specific enthalpy. Instrument is equipped with an external humidity and temperature probe on a cable. The probe of T0211 transmitter is a non-removable instrument part. Measured and computed values are displayed on dual line LCD display. The first line displays temperature. Value displayed on the second line is selectable among relative humidity and computed value. It is also possible to display both readings with cyclic overwriting in 4 seconds interval. It is possible to switch OFF the LCD at all. It is possible to assign measured or computed value to output Uout1 or output Uout2. Both voltage outputs have common ground with power source (GND terminal).
All transmitter setting is performed by means of the PC connected via the optional SP003 communication cable (not included in delivery). Program TSensor for transmitter setting is available to download free at www.cometsystem.com. Program enables to assign each output measured value (temperature, relative humidity, computed value) and its range. It supports make the adjustment of the device too. This procedure is described at file „Calibration manual.pdf“ which is installed commonly with the software. It is also possible to assign both outputs to the same value (with the same range), if two evaluation devices are necessary to connect.
Transmitter version TxxxxL with watertight male connector instead of a cable gland is designed for easy connection/disconnection of the output cable. The protection of male Lumberg connector RSFM4 is IP67.
Transmitter version TxxxxP is designed for compressed air measurement up to 25 bars. The removable probe for compressed air measurement is noninterchangeable part of the device. The protection of the connector is IP67.
Models marked TxxxxZ are non-standard versions of the transmitters. Description is not included in this manual.
Please read instruction manual before the first device connection.
Device setting from the manufacturer
Transmitter is set from the manufacturer to the following parameters:
value at output Uout1: relative humidity, range 0 – 10 V corresponds 0 to 100 % RH
value at output Uout2: temperature, range 0 – 10 V corresponds -30 to +105 °C display: switched ON
value displayed at line 2: relative humidity only
Modification of the setting is possible to do by means of the PC using procedure described at the end of this document.
Installation of the transmitter
Transmitter case with electronics is designed for wall mounting. It is NOT recommended to use the probe for long time under condensation conditions. It could be the cause of water steam condensation inside the sensor’s cover into water phase. This liquid phase stays inside sensor’s cover and can’t escape from the cover easily. It can dramatically increase response time to relative humidity change. If water condensation occurs for longer time it can cause sensor damage. Similar effect can occur under water aerosol conditions. If this effect may occur, it is necessary to use the probe at operation position with sensor cover downwards. Don’t connect transmitter while power supply voltage is on. Interconnection terminals of T0211(P) are accessible after unscrewing four screws and removing the lid. Lace the cable through a gland at the case wall. Connect the cable to terminals with respecting the signal polarity (see figure). Terminals are self-clamping and can be opened by a suitable screwdriver. For the opening, insert the screwdriver to upper terminal hole and lever by him. Do not remember to tighten glands and case lid with inserted packing after cables connecting. It is necessary for warranting of protection IP65. Connect complementary female connector for T0211L transmitter in accordance with the table in Appendix A of this manual.
It is recommended to use shielded twisted copper cable, maximal length 15m. The cable must be located at indoor rooms. The cable should not be led in parallel along power cabling. Safety distance is up to 0.5 m, otherwise undesirable induction of interference signals can appear. Outside diameter of the cable for T0211(P) device must be from 3,5 to 8 mm (e.g. SYKFY), for device T0211L with respect to the female connector. Do NOT connect shielding at connector side.
Electrical system (wiring) may do only worker with required qualification by rules in operation. The device T0211P is designed to measure pressured air. It is good to mount probe directly into high pressure area (i.e. air pressured pipe) if it is possible. There is other possibility to use flow chamber SH-PP, see Appendix B.
Before you remove probe of the transmitter TxxxxP, make sure that the pressure in a pressure chamber (duct, pipe … ) and the ambient pressure are in equilibrium.
Dimensions
Dimensions – T0211(P)
Probe for compressed air measurement

Dimensions – T0211L
Connection: see Appendix A
Typical application wiring 
Uac = 24 Vac
Udc = 15 to 30 Vdc
maximum load current of each voltage output is 0.5 mA
LCD Info mode
Several settings of installed transmitter is possible to verify without a use of the computer. It is necessary to connect power.
Unscrew the transmitter lid and shortly press button between display and interconnection terminals by means of a tool (e.g. screwdriver).
- Range and type of value for output 1 (Uout 1 = symbol „1“on display). Type of value, assigned to output 1, is indicated by displayed unit (here %RH = relative humidity). Upper line displays voltage value corresponding to measured value (lower line).

- Press button again to get value for upper point (same output, same value) similarly as at previous point. Here 10 V corresponds to 100 %RH.

- Press button again to display range and type of value for output 2 (symbol „2“). Here it is ambient temperature („°C“), when 0 V corresponds to -30 °C.

- After next press of the button value for upper point appears, here 10 V corresponds to ambient temperature +80 °C.
Press button again to end info mode and display actual measured values.
Notice: during info mode no measurement and no output voltage generation proceed. The transmitter stays at info mode 15 s, and then automatically goes back to measuring cycle.
Readings on LCD display
°C, °F
Reading next to this symbol is measured temperature or error state of value.
%RH
Reading next to this symbol is measured relative humidity or error state of value.
°C / °F DP
Reading next to this symbol is calculated dew point temperature or error state of value.
g/m3
Reading next to this symbol is calculated absolute humidity or error state of value.
g/kg
Reading next to this symbol is calculated specific humidity or mixing ratio (depends on device setting) or error state of value.
If specific enthalpy is selected, there is shown only value (number) without corresponding unit!
Procedure of modification of transmitter adjustment:
- Device adjustment is performed by means of the optional SP003 communication cable, connected to USB port of the PC.
- It is necessary to have installed configuration program TSensor on the PC. It is free to download at www.cometsystem.com. During installation please take care about installation of driver for USB communication cable.
- Connect SP003 communication cable to the PC. Installed USB driver detect connected cable and create virtual COM port inside the PC.
- Unscrew four screws of the device lid a remove the lid. If device is already installed to measuring system, disconnect leads from terminals.
- Connect SP003 communication cable to the device. Display must light up, or at least must light up all symbols for one second (if LCD was switched OFF by program before).
- Run installed TSensor program and select corresponding communication COM port (as described above).
- When new setting is saved and finished, disconnect the cable from the device, connect leads into its terminals and place the lid back to the device.
Error States of the device
Device continuously checks its state during operation. In case error is found LCD displays corresponding error code:
Error 0
First line displays „Err0“. Check sum error of stored setting inside device’s memory. Output value is <-0.1 V. This error appears if incorrect writing procedure to device’s memory occurred or if damage of calibration data appeared. At this state device does not measure and calculate values. It is the serious error, contact distributor of the instrument to fix.
Error 1
Measured (calculated) value is over upper limit of allowed full scale range. There is a reading „Err1“ on LCD display. Output value is about 10.5 V. This state appears in case of:
- Measured temperature is higher than approximately 600°C (i.e. high non-measurable resistance of temperature sensor, probably opened circuit).
- Relative humidity is higher than 100%, i.e. damaged humidity sensor, or humidity calculation of humidity is not possible (due to error during temperature measurement).
- Computed value – calculation of the value is not possible (error during measurement of temperature or relative humidity or value is over range).
Error 2
There is a reading „Err2“ on LCD display. Measured (calculated) value is below lower limit of allowed full scale range. Output value is about -0.1 V. This state appears in case of:
- Measured temperature is lower than approximately -210°C (i.e. low resistance of temperature sensor, probably short circuit).
- Relative humidity is lower than 0%, i.e. damaged sensor for measurement of relative humidity, or calculation of humidity is not possible (due to error during temperature measurement).
- Computed value – calculation of computed value is not possible (error during measurement of temperature or relative humidity).
Error 3
There is a reading „Err3“ on LCD display upper line.
Error of internal A/D converter appeared (converter does not respond, probably damage of A/D converter). No measurement and calculations of values are proceeded. Output value is about -0.1 V. It is a serious error, contact distributor of the instrument.
Technical parameters
Accuracy data shown are for value displayed on LCD display. For value on analog output is valid too, if selected output range is set inside measuring range.
Analog outputs:
- Two outputs with range from 0 to 10 V with common ground Output load capability: min. 20 k
- Voltage output in case of error: approximately –0.1 V or >10.5 V
Power:
- 15 to 30 Vdc
- 24 Vac
Measuring parameters:
Ambient temperature (internal RTD sensor Pt1000/3850ppm):
- Measuring range: -30 to +105 °C (-22 to +221 °F)
- Display resolution: 0.1 °C (0,2 °F)
- Accuracy: ± 0.4 °C (± 0.7 °F) from –30 to 105 °C (-22 to +221 °F)
Relative humidity (RH reading is compensated at the entire temperature range):
- Measuring range: 0 to 100 %RH (see Installation of the transmitter)
- Display resolution: 0.1 %RH
- Accuracy: ± 2.5 %RH from 5 to 95 %RH at 23 °C (73,4 °F)
Measuring temperature and humidity range is limited in accordance with the graph below! 
The value computed from ambient temperature and relative humidity:
Dew point temperature
- Accuracy: ±1,5 °C (±2,7 °F) at ambient temperature T<25 °C (77 °F) and relative humidity RH >30 %, for more details see graphs below
- Range: -60 to +80 °C (-76 to 176 °F)

Absolute humidity
- Accuracy: ±1,5 g/m3 at ambient temperature T < 25 °C (104 °F), for more details see graph below
- Range: 0 to 400 g/m3

Specific humidity1
- Accuracy: ±2g/kg at ambient temperature T < 35°C (95 °F)
- Range: 0 to 550 g/kg
Mixing ratio
- Accuracy: ±2g/kg at ambient temperature T < 35°C (95 °F)
- Range: 0 to 995 g/kg
Specific enthalpy1
- Accuracy: ± 3kJ/kg at ambient temperature T < 25°C (77 °F)
- Range: 0 to 995 kJ/kg 2
Response time with stainless steel mesh sensor cover (F5200B) and bronze sensor cover (F0000 – selectable option), air flow approximately 1 m/s:
temperature: T0211 t90 < 6 min (temperature step 20 °C (36 °F))
T0211P t90 < 16 min (temperature step 20 °C (36 °F))
relative humidity: t90 < 30 s (humidity step 65 %RH, constant temperature)
Recommended interval of calibration: 1 year
Measuring interval and LCD display refresh: 0.5 s
Communication with computer: via USB port by means of USB communication cable SP003
Protection: electronics IP65, sensors are located in cover with IP40 protection
Air filter: filtering ability 0.025 mm
- Operating conditions:
- Operating temperature range:
- `case with electronics: -30 to +80 °C (-22 to +176 °F)
- probe: -30 to +105 °C (-22 to +221 °F)
It is recommended to switch off the LCD display at ambient temperatures above 70 °C (158 °F) – around electronics. - Operating humidity range: 0 to 100 %RH
- Operating pressure range of probe T0211P: up to 25 bar Air flow velocity (T0211P probe): up to 25 m/s at a pressure of 1 bar (1m/s at a pressure of 25 bar)
- Outer characteristics in accordance with Czech National Standard 33-2000-3: normal environment with the specifications: AE1, AN1, BE1
- Working position: negligible (see Installation of the transmitter)
- Electromagnetic compatibility: complies EN 61326-1
- Not allowed manipulations: It is not allowed to operate the device under other than specified conditions in technical parameters. Devices are not designed for locations with chemically aggressive environment. Temperature and humidity sensors must not be exposed to direct contact to water or other liquids. It is not allowed to remove the sensor cover to avoid any mechanical damage of the sensors.
- Mechanical connection of probe T0211P: G1/2 with O-ring
- Storing conditions: temperature -30 to +80 °C (-22 to +176 °F), humidity 0 to100 %RH without condensation
- Operating temperature range:
- This value depends on the atmospheric pressure. For computing is used constant value stored inside device memory. Default value preset by manufacturer is 1013hPa and can be changed by user’s software.
- This maximum is reached under conditions about 70°C/100%RH or 80°C/70%RH
- Dimensions: see dimensional drawings
- Weight: approximately
T0211(L)/1m probe 210 g, T0211(L)/2 m probe 250 g, T0211(L)/4m probe 330 g T0211P/1m probe 260 g, T0211P/2 m probe 300 g, T0211P/4m probe 380 g - Material of the case: ASA
- Material of the probe T0211P: duralumin with the black eloxal surface finish
End of operation
Device itself (after its life) is necessary to liquidate ecologically!
Technical support and service
Technical support and service is provided by distributor. For contact see warranty certificate. You can use discussion forum at web address: http://www.forum.cometsystem.cz/.
Appendix A 
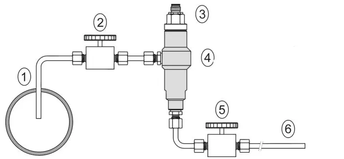
Appendix B
The probe for measuring the moisture of compressed air should be placed directly on the pressure pipelines to achieve higher measurement accuracy and fast response times. But they are cases where such placement is not possible. The reason is the high air speed, high temperature, high pollution, small diameter pipes, etc. Such situation can be solved by placing the probe into the flow measuring chamber. The picture shows the basic layout of the sampling system with chamber SH- PP. 
- ….sampling
- ….closing valve
- ….probe
- ….flow chamber SH-PP
- ….closing valve
- ….outlet tube
- sampling (1) – end of the tube placed in the centre of pressure pipelines (distribution of moisture in the pipe cross-section is not homogeneous). To achieve fast response times to shorten the length of the sample tubes to a minimum (few meters).
- closing valve (2) – allows access to the sample system without interrupting the main line
- closing valve (5) – the sample flow is regulated by this valve. Measurement accuracy is typically not affected by the sample flow rate, but at low speeds, increasing response time.
- outlet tube (6) – if the measured sample of air is released into the atmosphere, select the length of the outlet tube of 1.5 m (recommended for tube diameter 6mm). The reason is to ensure the accuracy of the sample in the flow chamber and avoid back diffusion of moisture from the ambient air..
That basic structure of sampling system can be supplemented with filters, coolers, flow measurement, pressure measurement, etc. For the accurate operation of sampling system is important to ensure perfect tightness of all connections and to use corrosion-resistant materials. Tube inclination is chosen so as to avoid the accumulation of fluid in the system.
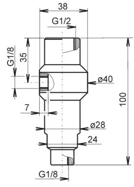
Technical specification – flow chamber SH-PP
Material of flow chamber: stainless steel (DIN 1.4301)
Inlet and outlet connection: G1/8
Probe connection: G1/2
Sample flow rate: 0.1 to 3 l/min
Operating pressure: up to 25 bar
Weight: 580 g
Note: Screw-coupling not included




























