Temperature and humidity regulator
H3020
H3021
H3023
Instruction Manual
1. General safety rules
The following summary is designed to prevent injury hazards or device damage. Operate the instrument in accordance with this manual to prevent electric trauma.
Service should be performed by a qualified person only.
Use a safety ac/dc adapter. Use only an adapter with the power voltage recommended by its manufacturer and which is approved by proper standards. Check that the adapter has undamaged cables and cover.
Connect and disconnect correctly. Do not connect and disconnect a LAN cable or lead-in cables if the device is under electric voltage.
Do not use the instrument without the cover.
Do not use the instrument, if it does not work correctly. If the instrument seems not to work correctly, have it checked by a qualified service person.
Do not use the instrument in an explosive environment.
Read instruction manual before the first device connection, please.
Before you remove probe of the transmitter HxxxxP, make sure that the pressure in a pressure chamber (duct, pipe … ) and the ambient pressure are in equilibrium.
Regulator version HxxxxP is designed for compressed air measurement up to 25 bars.
Models marked HxxxxZ are non-standard versions of the devices. Description is not included in this manual.
Copyright: COMET System, Ltd. It is prohibited to copy and edit this instruction manual and make any changes at all without explicit agreement of COMET System, Ltd. All rights reserved.
COMET System, Ltd makes constant development and improvement of all its products. That is why it reserves the right to make any technical changes on the device/product without previous notice.
Manufacturer is not responsible for damages caused by using the device in conflict with this manual. To damages caused by using the device in conflict with this manual cannot be provided free repairs during the warranty period.
Contact the manufacturer of this device:
COMET SYSTEM, s.r.o.
Bezrucova 2901
756 61 Roznov pod Radhostem
Czech Republic
www.cometsystem.com
2. General description
Regulators of Hx53x line are designed for online monitoring of temperature in °C or °F and relative humidity of air without aggressive ingredients. Measured temperature and relative humidity are recomputed to following humidity expression: dew point temperature, absolute humidity, specific humidity, mixing ratio and specific enthalpy. The device is equipped with two relay outputs for alarming or controlling of external devices. It is possible to assign any input value to each relay, to set comparing limit, delay, hysteresis and acoustic alarm.
Type | Temperature | Humidity | Computed value | Version |
| H3020 | ✓ | ✓ | ✓ | Outdoor, indoor use. |
H3021 | ✓ | ✓ | ✓ | Probe with cable |
| H3021P | ✓ | ✓ | ✓ | Probe for compressed air *) |
H3023 | ✓ | ✓ | ✓ | Duct mount |
| H3027 | ✓ | ✓ | ✓ | Bar type |
*) The removable probe for compressed air measurement is noninterchangeable part of the device. The protection of connector is IP67
Device setting from the manufacturer
If special setting was not required in the order device is set from the manufacturer to the following parameters:
Value assigned to relay 1 and relay 2: none
Password for setting through keys (PASS): 0000
LCD display: on
value shown at first LCD line: temperature
value shown at second LCD line: relative humidity / dew point temperature
temperature unit: °C
computed value preset: dew point temperature
relay response for error: stay unchanged at previous condition
acoustic alarm: off
3. Regulator mounting and connection
Regulators are designed for wall mounting. Device must be mounted on the plane surface to prevent its deformation. Mounting holes and connection terminals are accessible after demounting of four screws in the corners of the box and removing the lid. There is recommended to use screws with half round head with cross-recessed screw ST 3.9 (DIN 7981). Lace the lead-in cable with outer diameter of 3 to 6.5 mm through the glands at the case wall and connect them according schematic below. Terminals are self-clamping and can be opened by a suitable screwdriver. For the opening, insert the screwdriver to smaller terminal hole and lever by him. Do not forget to tighten glands and case lid with inserted packing after cables connecting. Insert attached plug into unused cable glands too. Do NOT connect the regulator under voltage.

- Detail of mounting hole
It is NOT recommended to use the device for long time under condensation conditions. It could be the cause of water steam condensation inside the sensor’s cover into water phase. This liquid phase stays inside sensor’s cover and can’t escape from the cover easily. It can dramatically increase response time to relative humidity change. If water condensation occurs for longer time it can cause sensor damage. Similar effect can occur under water aerosol conditions.
The device H3021P is designed to measure pressured air. It is good to mount probe directly into high pressure area (i.e. air pressured pipe) if it is possible. There is other possibility to use flow chamber SH-PP, see “Appendix C“.
4. Description of device function and setting
4.1. Relay outputs
Regulator is equipped with two relay outputs. It is possible to assign any input or computed value to each relay, to set comparing alarm limit, if the relay may close if measured value is higher (Hi) or lower (Lo) than preset limit, delay for while must be preset condition true before relay close its contact and hysteresis for return to open status. Each relay status is indicated with LED diode and shown on LCD with corresponding symbols “
” or “
“.
Terminal block for connecting the relays is equipped with terminals GND, which are connected to the power supply of the device (see chapter “Device connection“). When you need to use relays to switching the voltage identical with the supply voltage of the device, you can use jumpers J1 and J2 for interconnection the power supply of the device directly with the common contacts of the relays. This modification is used in devices with serial number higher than 16981000 (the wiring diagram of the relay contacts for devices with serial number lower than 16981000 is given in the “Appendix B“).
The devices are equipped with two relays that are not intended for direct switching power circuits or mains voltage. If necessary, use suitable type of external relay (an example of wiring is given in the “Appendix A“).
4.2. Actual regulator preset
It is possible to display actual regulator preset on its LCD display by pressing of “
” key. LCD shows information about relay 1 and then relay 2 setting step by step. Information about relay 1 are indicated with symbol “
“, for relay 2 with symbol “
” (at right top corner of LCD). It is possible to edit parameters after pressing “SET” key and entering of correct password “PASS” – see chapter 4.3.2 at page 7. Following examples are for relay 1 setting, similarly are displayed values for relay 2. Pressing of “ESC” key ends this mode and switch to actual value displaying, the same occur if more than 20 s is not pressed any key.
4.2.1. Value assigned to output relay
None, relay is still off Temperature at °C Relative humidity

Computed value – dew point temperature

4.2.2. When close output relay
Preset if relay is closed when actual value is higher “HI” or lower “Lo” than preset value.
Value higher than 26.5 °C Value lower than 26.5 °C

4.2.3. Delay
Time in seconds, when preset condition must be true and after this time output relay is closed (transient reduction of measured value)
Delay in [s]

4.2.4. Hysteresis
The amount of measured value which must go under/over preset value to open appropriate output relay. It means if there is condition: relay 1 must be closed if measure value is “higher then” (HI), then measured value must decrease by this value under preset limit to relay output goes open. If condition of relay is: relay 1 must be closed if measured value is “lower than” (Lo), then measured value must be increased by this value over preset limit to relay output goes open.
Preset hysteresis value

4.3. Regulator setting change
4.3.1. Setting with PC and TSensor software
Device adjustment is performed by means of optional SP003 communication cable, connected to USB port of PC. It is necessary to have installed program Tsensor on the PC. It is free to download at www.cometsystem.com. Follow the program instructions. Regulator includes hardware write protection of internal setting, new setting is possible to write only while:
- during write period press “SET” key – do requested setting in TSensor software, press “SET” key on regulator and keep it down, then click on the button “Save Changes” into TSensor software and after end of write release “SET” key, or
- jumper placed nearby keys is closed (jumper is accessible after demounting of four screws in the corners of the box and removing the lid, don’t confuse with jumper nearby Ethernet connector!). This jumper is suitable e.g. until device adjustment is in process and regulator is placed into calibration box and keys are not accessible. Don’t forget to remove (open) jumper after procedure finish (restore write protection)
TSensor software supports to make the adjustment of the regulator too. This procedure is described at file “Calibration manual.pdf” which is installed commonly with the software.
4.3.2. Setting with using regulator keys
If “Actual regulator preset” is displayed, it is possible to enter into edit mode and edit displayed value by pressing “SET” key. You can edit selected value if right password is entered. During value editing there is range check executed and edited value is still compared with limits for corresponding value (range). If inserted value is higher or lower then edited number is automatically changed to its maximum / minimum value – for possible range see chapter “Technical parameters” at page 16. Value can be changed with using “
” and “
” keys. Edited value is switched in “round” -9, -8, -7, …-2, -1, 0, 1, 2, …8, 9. To edit next number digit press “SET” key, for moving back to previous digit press “ESC” key. Edited value is stored by next “SET” key pressing. It is possible to cancel editing by pressing “ESC” key if necessary. If valid password is once inserted right, then there is possible to edit next items without asking for password insertion again, till “Actual regulator preset” is left (till actual measured values are shown). With new entering into edit mode it is necessary to enter Password again. Default password setting is preset from manufacturer to 0000, password change is possible into “Extended setting”. During edit mode regulator still works and changes are valid immediately after its storing – it is NOT necessary to restart regulator.
4.3.3. Extended setting mode
During regulator operation it is possible to change only parameters described in chapter “Actual regulator preset” at page 5. Rest of regulator parameters are available through “Extended setting mode”. In this mode regulator does NOT communicate, does NOT do any measurements and does NOT service output relays. To leave this mode press “ESC” key and open jumper nearby keys.
To enter into Extended setting mode do following steps:
- disconnect power supply
- demount four screws in the corners of the box and remove the lid
- closed jumper placed nearby keys (don’t confuse with jumper nearby Ethernet connector)
- press “
” and “
” keys together and keep them down - connect power supply to regulator – you should see message “SEL” on the top line of LCD and on the bottom line you should see number of Firmware version (e.g. 0400)
- release “
” and “
” keys – you are into “Extended setting mode” now
Use “
” and “
” keys to inspect each items. If you want to change some shown item then press “SET” key, item starts blink. Now you can edit setting with using “
” and “
” keys. To store preset value press “SET” key. Press “ESC” key to leave editing (changing) without save – last stored value is kept.
Into this mode you can set following items:
Acoustic alarm assign to relay 1
acoustic indication of relay 1 is OFF close of relay 1 contact starts acoustic indication

Acoustic alarm assign to relay 2
acoustic indication of relay 2 is OFF close of relay 2 contact starts acoustic indication

Acoustic alarm deactivation
activated acoustic alarm is possible to deactivate by pressing “ESC” key

acoustic alarm is still activated for all time and it is impossible to deactivate it

Relay response for error
Regulator continuously checks its state during operation (see chapter “Error States of the device” at page 14. In case error of assigned value measurement is found then output relay:
stays unchanged (in previous status) Relay 1 switch OFF Relay 1 switch On

stays unchanged (in previous status) Relay 2 switch OFF Relay 2 switch On

Change of “Password for setting through keys” (PASS)
This item shows actual password setting. It is possible to change it after “SET” key pressing. It is number from range -19999 to +19999.
password setting

Temperature unit choice
It is possible to measure temperature at °C or °F. There is shown preset unit. It is possible to change it after “SET” key pressing.
preset to °C preset to °F

Show temperature at LCD display
This item provides to choice if actual measured temperature may be displayed at LCD display or not. It is possible to change it after “SET” key pressing.
show value on LCD don’t show value on LCD

Show relative humidity at LCD display
This item provides to choice if actual measured relative humidity may be displayed at LCD display or not. It is possible to change it after “SET” key pressing.
show value on LCD don’t show value on LCD

Show computed value at LCD display
This item provides to choice if actual computed value may be displayed at LCD display or not. There is shown the name of computed value on the top LCD line – see “Computed value selection” below. It is possible to change it after “SET” key pressing.
show value on LCD don’t show value on LCD

Computed value selection
It shows the actually selected computed value name. It is possible to change it after “SET” key pressing. There is possible choice one of the following computed values:
dew point temperature absolute humidity mixing ratio

specific humidity specific enthalpy

4.4. Restore to “Factory default” – measurement part
This item provides regulator restoring to factory setting. Press “SET” key, select “YES” and confirm it by pressing of “SET” key. It reset regulator parameters to following values:
Value assigned to relay 1 and relay 2: none
Password for setting through keys (PASS): 0000
display: on
temperature unit: °C
correction for altitude: 0 hPa (absolute pressure)
computed value preset: dew point temperature
relay response for error: stay unchanged at previous condition
acoustic alarm: off
restore to factory default

5. Device connection

- Power supply
- Relay 1
- Relay 2
- Connector for SP003 cable connection to a computer USB port
- Internally connected to the device power supply connector
6. Dimensions
H3020

H3023
H3027

H3021(P)

- Probe for compressed air measurement
7. Error States of the device
Device continuously checks its state during operation. In case error is found LCD displays corresponding error code:
Error 0
First line of LCD displays “Err0”. Check sum error of stored setting inside device’s memory. This error appears if incorrect writing procedure to device’s memory occurred or if damage of calibration data appeared. At this state device does not measure and calculate values. It is a serious error, contact distributor of the device to fix.
Error 1
Measured or calculated value is over upper limit of allowed full scale range. There is a reading “Err1” on LCD display. This state appears in case of:
- Measured temperature is higher than approximately 600°C (i.e. high non-measurable resistance of temperature sensor, probably opened circuit).
- Relative humidity is higher than 100%, i.e. damaged humidity sensor, or humidity calculation of humidity is not possible (due to error during temperature measurement).
- Computed value – calculation of the value is not possible (error during measurement of temperature or relative humidity or value is over range).
Error 2
There is a reading “Err2” on LCD display. Measured or calculated value is below lower limit of allowed full scale range. This state appears in case of:
- Measured temperature is lower than approximately -210°C (i.e. low resistance of temperature sensor, probably short circuit).
- Relative humidity is lower than 0%, i.e. damaged sensor for measurement of relative humidity, or calculation of humidity is not possible (due to error during temperature measurement).
- Computed value – calculation of computed value is not possible (error during measurement of temperature or relative humidity).
Error 3
There is a reading “Err3” on LCD display upper line. Error of internal A/D converter appeared (converter does not respond, probably damage of A/D converter). Values are NOT measured. It is a serious error, contact distributor of the device.
Error 5, 6
There is problem with assigned value to output relay, there is some wrong setting (mismatch). This error appears if incorrect writing procedure to device’s memory occurred.
Error 9
Inserted password is not valid, there is shown for short time message “Err9” on LCD display. Try to insert password again. If you forgot the password see chapter Change of “Password for setting through keys” (PASS) at page 9.
8. Readings on LCD display
°C, °F – reading next to this symbol is measured temperature or error state of value
%RH – reading next to this symbol is measured relative humidity or error state of value
°C / °F DP – reading next to this symbol is calculated dew point temperature or error state of value
g/m³ – reading next to this symbol is calculated absolute humidity or error state of value
g/kg – reading next to this symbol is calculated specific humidity or mixing ratio (depends on device setting) or error state of value
If specific enthalpy is selected, there is shown only value (number) without corresponding unit
3 – this symbol is on if jumper is closed
9. Technical specification
9.1. Technical parameters
9.1.1. Common parameters
Power voltage: 9 to 30 V DC
Power consumption: approx. 1 W
Measuring interval: 1 s
Display switching interval: 4 s (when more than two values are displayed)
Protection: electronics IP65, sensors are located in cover with IP40 protection
Relay outputs:
Amount: 2
Maximal voltage: 50 V
Maximal current: 2A
Maximal power: 60 VA
Relays contact is not designed for direct control of line voltage!
(output relay contact parameters: max 220Vdc, 125Vac, 2A, 60 W, 62.5 VA)
EMC: EN 61326-1, EN 55011, EN55022
9.1.2. H3020 – temperature and humidity regulator
Temperature:
Accuracy: ± 0,4 °C (±0,7 °F)
Range: -30 to +105 °C (-22 to 221 °F), includes probe cable
Resolution: 0,1 °C (0,2 °F)
Relative humidity:
(reading is temperature compensated at entire temperature range)
Accuracy: ± 2,5 %RH from 5 to 95 %RH at 23 °C (73,4 °F)
Range: 0 to 100 %RH
Resolution: 0,1 %RH
Measuring temperature and humidity range is limited in accordance with the graph below!
Response time (air flow approximately 1 m/s ):
temperature: t90 < 7 min (temperature step 20 °C (36 °F)) with stainless steel mesh sensor cover (F5200)
t90 < 9 min with bronze sensor cover (F0000 – selectable option )
relative humidity: t90 < 30 s (humidity step 65 %RH, constant temperature)
9.1.3. H3021(P) – temperature and humidity regulator
Temperature:
Accuracy: ± 0,4 °C (±0,7 °F)
Range: -30 to +105 °C (-22 to 221 °F), includes probe cable
Resolution: 0,1 °C (0,2 °F)
Relative humidity:
Accuracy: ± 2,5 %RH from 5 to 95 %RH at 23 °C (73,4 °F)
Range: 0 to 100 %RH
Resolution: 0,1 %RH
Measuring temperature and humidity range is limited in accordance with the graph below!
Response time with stainless steel mesh sensor cover (F5200B) and bronze sensor cover (F0000 – selectable option), air flow approximately 1 m/s:
temperature: H3021 t90 < 6 min (temperature step 20 °C (36 °F))
H3021P t90 < 16 min (temperature step 20 °C (36 °F))
relative humidity: t90 < 30 s (humidity step 65 %RH, constant temperature)
9.1.4. H3023, H3027 – temperature and humidity regulator
Temperature:
Accuracy: ± 0,4 °C (±0,7 °F)
Range: -30 to +125 °C (-22 to 257 °F)
Resolution: 0,1 °C (0,2 °F)
Relative humidity:
Accuracy: ± 2,5 %RH from 5 to 95 %RH at 23 °C (73,4 °F)
Range: 0 to 100 %RH
Resolution: 0,1 %RH
Measuring temperature and humidity range is limited in accordance with the graph below!
Response time with stainless steel mesh sensor cover (F5200) and bronze sensor cover (F0000 – selectable option), air flow approximately 1 m/s:
temperature: t90 < 9 min (temperature step 20 °C (36 °F))
relative humidity: t90 < 30 s (humidity step 65 %RH, constant temperature)
9.1.5. Relative humidity and temperature restriction

9.1.6. Value computed from measured relative humidity and temperature
Dew point temperature
Range: -60 to +80 °C (-76 to 176 °F)
Accuracy: ±1,5°C (±2,7°F) at ambient temperature T<25°C (77°F) and relative humidity RH >30%, for more details see graphs below

Absolute humidity
Range: 0 to 400 g/m³
Accuracy: ±1,5 g/m³ at ambient temperature T < 25°C (104 °F), for more details see graph below

Specific humidity¹
Accuracy: ±2g/kg at ambient temperature T < 35°C (95 °F)
Range: 0 to 550 g/kg
Mixing ratio¹
Accuracy: ±2g/kg at ambient temperature T < 35°C (95 °F)
Range: 0 to 995 g/kg
Specific enthalpy¹
Accuracy: ± 3kJ/kg at ambient temperature T < 25°C (77 °F)
Range: 0 to 995 kJ/kg ²
The values computed from ambient temperature and relative humidity including their accuracy you can exactly determine by the program Conversions. It is free to download at www.cometsystem.com.
9.2. Operating conditions
Operating temperature and relative humidity:
electronics : -30 to +80 °C (-22 to 176 °F), 0 to 100 % RH (without condensation)
probe H3021(P): -30 to +105 °C (-22 to 221 °F) probe cable included, 0 to 100 %RH
measuring tip with sensors H3023, H3027: -30 to 125°C (-22 to 257 °F), 0 to 100%RH
It is recommended to switch off the LCD display at ambient temperatures above 70°C (158 °F) – around electronics.
Operating pressure range of probe H3021P: up to 25 bars
Air flow velocity (H3021P probe): up to 25 m/s at a pressure of 1bar (1m/s at a pressure of 25 bar)
Outer characteristics in accordance with Czech National Standard 33-2000-3:
Normal environment with the specifications: AE1, AN1, AR1, BE1
Working position:
H3021(P) negligible
H3020, H3023, H3027 with sensor cover downwards
Not allowed manipulations: It is not allowed to operate the device under conditions other than specified in technical parameters. Devices are not designed for locations with chemically aggressive environment. Temperature and humidity sensors must not be exposed to direct contact with water or other liquids. It is not allowed to remove the sensor cover to avoid any mechanical damage of the sensors.
Mechanical connection of probe H3021P: G1/2 with O-ring
Storing conditions: temperature -30 to +80 °C (-22 to +176 °F), humidity 0 to100 %RH without condensation
Weight: approximately:
H3020 350g
H3021/1m probe 400g, H3021P/1m probe 450g,
H3021/2m probe 440g, H3021P/2m probe 490g,
H3021/4m probe 520g H3021P/4m probe 570g
H3023 420g
H3027 770g
________________
¹ This value depends on the atmospheric pressure. For computing is used constant value stored in device memory. Default value preset by manufacturer is 1013hPa and can be changed by user’s software.
² This maximum is reached under conditions about 70°C/100%RH or 80°C/70%RH
Dimensions:see dimensional drawings
Material of the case: ASA
Material of the probe H3021P: duralumin with the black eloxal surface finish
9.3. End of operation
Device itself (after its life) is necessary to liquidate ecologically!
9.4. Technical support and service
The adjustment procedure is described at file “Calibration manual.pdf” which is installed commonly with the TSensor software.
Technical support and service is provided by distributor. For contact see warranty certificate. You can use discussion forum at web address: http://www.forum.cometsystem.cz/
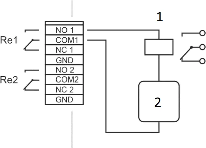
10. Appendix A
Connection of external power relay
Coil data chart of external power relay:
nominal voltage : max. 50V
nominal power: max. 60VA
current: max. 2A

- external power relay
- power supply
11. Appendix B
Wiring diagram of relay contacts for devices with serial number lower than 16981000.

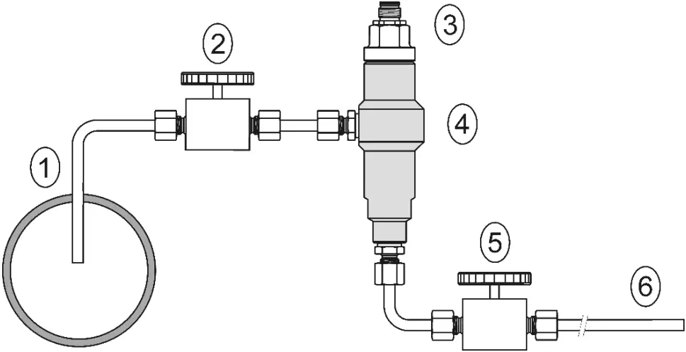
12. Appendix C
The probe for measuring the moisture of compressed air should be placed directly on the pressure pipelines to achieve higher measurement accuracy and fast response times. But they are cases where such placement is not possible. The reason is the high air speed, high temperature, high pollution, small diameter pipes, etc. Such situation can be solved by placing the probe into the flow measuring chamber. The picture shows the basic layout of the sampling system with chamber SH- PP.

1 ….sampling
2 ….closing valve
3 ….probe
4 ….flow chamber SH-PP
5 ….closing valve
6 ….outlet tube
sampling (1) – end of the tube placed in the centre of pressure pipelines (distribution of moisture in the pipe cross-section is not homogeneous). To achieve fast response times to shorten the length of the sample tubes to a minimum (few meters).
closing valve (2) – allows access to the sample system without interrupting the main line
closing valve (5) – the sample flow is regulated by this valve. Measurement accuracy is typically not affected by the sample flow rate, but at low speeds, increasing response time.
outlet tube (6) – if the measured sample of air is released into the atmosphere, select the length of the outlet tube of 1.5 m (recommended for tube diameter 6mm). The reason is to ensure the accuracy of the sample in the flow chamber and avoid back diffusion of moisture from the ambient air..
That basic structure of sampling system can be supplemented with filters, coolers, flow measurement, pressure measurement, etc. For the accurate operation of sampling system is important to ensure perfect tightness of all connections and to use corrosion-resistant materials. Tube inclination is chosen so as to avoid the accumulation of fluid in the system.
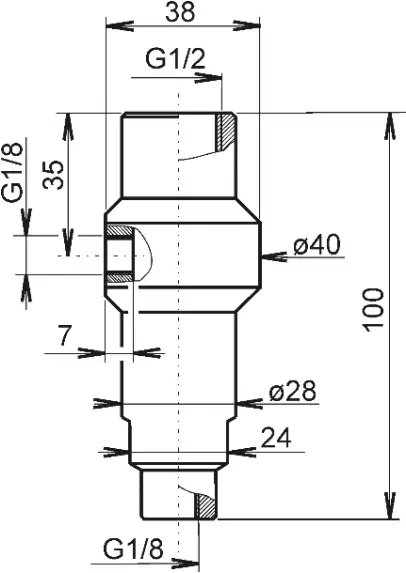
Technical specification – flow chamber SH-PP
Material of flow chamber: stainless steel (DIN 1.4301)
Inlet and outlet connection: G1/8
Probe connection: G1/2
Sample flow rate: 0.1 to 3 l/min
Operating pressure: up to 25 bar
Weight: 580 g
Note: Screw-coupling not included

IE-HGS-H_X02X-12

















