COMET H3060 Temperature and Humidity Regulator

General safety rules
- The following summary is designed to prevent injury hazards or device damage. Operate the instrument in accordance with this manual to prevent electric trauma.
- Service should be performed by a qualified person only.
- Use a safety ac/dc adapter. Use only an adapter with the power voltage recommended by its manufacturer and which is approved by proper standards. Check that the adapter has undamaged cables and cover.
- Connect and disconnect correctly. Do not connect and disconnect a LAN cable or lead-in cables if the device is under electric voltage.
- Do not use the instrument without the cover.
- Do not use the instrument, if it does not work correctly. If the instrument seems not to work correctly, have it checked by a qualified service person.
- Do not use the instrument in an explosive environment.
- Read the instruction manual before the first device connection, please.
- Regulator version HxxxxP is designed for compressed air measurement up to 25 bars.
- Models marked HxxxxZ are non-standard versions of the devices. The description is not included in this manual.
- Copyright: COMET SYSTEM, s.r.o. It is prohibited to copy and edit this instruction manual and make any changes at all without explicit agreement of COMET SYSTEM, s.r.o. All rights reserved.
- COMET SYSTEM, s.r.o. makes constant development and improvement of all its products. The manufacturer reserves the right to make technical changes without previous notice. Misprints reserved.
The manufacturer is not responsible for damages caused by using the device in conflict with this manual. To damages caused by using the device in conflict with this manual cannot be provided free repairs during the warranty period. Contact the manufacturer of this device:
COMET SYSTEM, s.r.o.
- Bezrucova 2901
- 756 61 Roznov pod Radhostem
- Czech Republic www.cometsystem.com
General description
Regulators of the H306x line are designed for online monitoring of temperature in °C or °F and relative humidity of air without aggressive ingredients. Measured temperature and relative humidity are recomputed to the following humidity expression: dew point temperature, absolute humidity, specific humidity, mixing ratio and specific enthalpy. The device is equipped with two relay outputs for alarming or controlling of external devices. It is possible to assign any input value to each relay, to set comparing limit, delay, hysteresis and acoustic alarm.

The removable probe for compressed air measurement is a noninterchangeable part of the device. The protection of the connector is IP67
Device setting from the manufacturer
If a special setting was not required in the order device is set from the manufacturer to the following parameters:
- The value assigned to relay 1 and relay 2: none
- Password for setting through keys (PASS): 0000
- LCD display: on
- the value is shown at the first LCD line: temperature
- the value is shown at the second LCD line: relative humidity/dew point temperature
- temperature unit: °C
- computed value preset: dew point temperature
- relay response for error: stay unchanged at the previous condition
- acoustic alarm: off
Regulator mounting and connection

Regulators are designed for wall mounting. The device must be mounted on the plane’s surface to prevent its deformation. Mounting holes and connection terminals are accessible after demounting of four screws in the corners of the box and removing the lid. There is recommended to use screws with half-round heads with cross-recessed screw ST 3.9 (DIN 7981). Lace the lead-in cable with an outer diameter of 3 to 6.5 mm through the glands at the case wall and connect them according to the schematic below. Terminals are self-clamping and can be opened by a suitable screwdriver. For the opening, insert the screwdriver to the smaller terminal hole and lever by him. Do not forget to tighten the glands and case lid with inserted packing after the cables connect. Insert the attached plug into unused cable glands too. Do NOT connect the regulator under voltage. It is NOT recommended to use the device for a long time under condensation conditions. It could be the cause of water steam condensation inside the sensor’s cover into the water phase. This liquid phase stays inside the sensor’s cover and can’t escape from the cover easily. It can dramatically increase response time to relative humidity change. If water condensation occurs for a longer time, it can cause sensor damage. A similar effect can occur underwater aerosol conditions. The device H3061P is designed to measure pressured air. It is good to mount the probe directly into the high-pressure area (i.e. air pressured pipe) if it is possible. There is other possibility to use flow chamber SH-PP, see Appendix A.
Before you remove the probe of the transmitter HxxxxP, make sure that the pressure in a pressure chamber (duct, pipe … ) and the ambient pressure are in equilibrium.
Electric installation and safety
The regulator is designed for the permanent power supply from the electricity – its power lead has to be equipped with an accessible cut-off switch (power switch, circuit breaker) and marked as a cut-off element of the regulator. The power cable goes thru the cable gland in the regulator and is has to be connected into the connecting terminals properly. The same should be done with the cables to relay outputs. Cable glands have to be tight in order to avoid of getting a liquid insight the electronics. It also helps to fix the cable to do not pull out the cable from the terminals. Please keep the recommended diameter of the cable! The electric part of installation should be done by an authorized and qualified person in accordance to valid norms. The regulator has to be disconnected from the power supply during the installation or any other access into the electronics. The revisal of the device in accordance to local rules and standards has to be done before starting up. It is strictly recommended to pass the revisal annually due to valid norms.
Device connection

AC 230V – power supply (110 to 240 VAC)
Normally open contact of relay 1 – when an alarm condition is true, contact is closed ( LCD shows information about alarm with symbol
).
Normally closed contact of relay 1 – when an alarm condition is true, contact is opened (LCD shows information about alarm with symbol
).
Normally open contact of relay 2 – when an alarm condition is true, contact is closed ( LCD shows information about alarm with symbol
).
Normally closed contact of relay 2 – when an alarm condition is true, contact is opened (LCD shows information about alarm with symbol
).
Description of device function and setting
Relay outputs
The regulator is equipped with two relay outputs. It is possible to assign any input or computed value to each relay, to set comparing alarm limit, if the relay may close if the measured value is higher (Hi) or lower (Lo) than the preset limit, a delay for a while must be preset condition true before relay closes its contact and hysteresis for return to open status. Each relay status is indicated with an LED diode and shown on LCD with corresponding symbols „![]()
“ or „
“.
Actual regulator preset
It is possible to display the actual regulator preset on its LCD display by pressing of „
“ key. LCD shows information about relay 1 and then relay 2 setting step by step. Information about relay 1 is indicated with the symbol „
“, for relay 2 with the symbol „
“ (at the right top corner of LCD). It is possible to edit parameters after pressing the „SET“ key and entering of correct password „PASS“ – see chapter 4.3.2 at page 8. The following examples are for relay 1 setting and similarly are displayed values for relay 2. Pressing of the „ESC“ key ends this mode and switches to the actual value displayed, the same occurs if more than 20 s is not pressed any key.
Value assigned to output relay

When close output relay
Preset if the relay is closed when the actual value is higher „HI“ or lower „Lo“ than a preset value.

Delay
Time in seconds, when preset condition must be true and after this time output relay is closed (transient reduction of measured value)

Hysteresis
The amount of measured value that must go under/over preset value to open appropriate output relay. It means if there is a condition: relay 1 must be closed if the measured value is “higher then” (HI), then the measured value must decrease by this value under the preset limit to relay output goes open. If the condition of relay is: relay 1 must be closed if the measured value is “lower than” (Lo), then the measured value must be increased by this value over the preset limit to relay output goes open.

Regulator setting change
Setting with PC and TSensor software
Device adjustment is performed by means of an optional SP003 communication cable, connected to USB port of PC. When the regulator is connected to PC, there is possible to make its setting without an external power connection request. At this time output relays will NOT switch, only indication Alarm 1 and Alarm 2 will be right. For the correct function of output relays there is necessary to connect external power into range 110 to 240 VAC 50/60 Hz. For setting all parameters of the regulator it is necessary to have installed program TSensor on the PC. It is free to download at www.cometsystem.com. Follow the program instructions. Regulator includes hardware write protection of internal setting, new setting is possible to write only while:
- during the write, period presses the „SET“ key – do request setting in TSensor software, press the „SET“ key on the regulator and keep it down, then click on the button „Save Changes“in TSensor software and after the end of write release „SET“ key, or
- jumper placed nearby keys is closed (jumper is accessible after demounting of four screws in the corners of the box and removing the lid, don’t confuse with jumper nearby Ethernet connector!). This jumper is suitable e.g. until device adjustment is in process and regulator is placed into the calibration box and keys are not accessible. Don’t forget to remove (open) the jumper after the procedure finish (restore write protection) TSensor software supports making the adjustment of the regulator too. This procedure is described at file „Calibration manual.pdf“ which is installed commonly with the software.
Setting with using regulator keys
If „Actual regulator preset” is displayed, it is possible to enter into edit mode and edit the displayed value by pressing the „SET“ key. You can edit the selected value if right password is entered. During value editing, there is a range check executed and the edited value is still compared with limits for the corresponding value (range). If the inserted value is higher or lower then the edited number is automatically changed to its maximum/minimum value – for possible range see the chapter „Technical parameters“ at page 15. Value can be changed by using the„
“ and „
“ keys. Edited value is switched in “round” -9, -8, -7, …-2, -1, 0, 1, 2, …8, 9. To edit the next number digit press the „SET“ key, for moving back to the previous digit press the „ESC“ key. The edited value is stored by next „SET“ key pressing. It is possible to cancel editing by pressing the „ESC“ key if necessary. If a valid password is once inserted right, then there is possible to edit text items without asking for password insertion again, till the “Actual regulator preset” is left (till actual measured values are shown). With new entering into edit mode it is necessary to enter Password again. The default password setting is preset from the manufacturer to 0000, password change is possible in the „Extended setting”. During edit mode, the regulator still works and changes are valid immediately after its storing – it is NOT necessary to restart the regulator.
Extended setting mode
During regulator operation, it is possible to change only parameters described in chapter “Actual regulator preset” at page 6. The rest of the regulator parameters are available through “Extended setting mode”. In this mode, the regulator does NOT communicate, does NOT do any measurements and does NOT service output relays. To leave this mode press the „ESC“ key and open jumper nearby keys.
To enter into Extended setting mode do the following steps:
- disconnect power supply
- demount four screws in the corners of the box and remove the lid
- closed jumper placed nearby keys (don’t confuse with jumper nearby Ethernet connector)
- Press the„
“ and „
“ keys together and keep them down - connect the power supply to the regulator – you should see the message „SEL“ on the top line of the LCD and on the bottom line you should see the number of Firmware versions (e.g. 0400)
- release „
“ and „
“ keys – you are into “Extended setting mode” Now Use „
“ and „
“ keys to inspect each item. If you want to change some shown items then press the „SET“ key, item starts to blink. Now you can edit settings using the„
“ and „
“ keys. To store preset value press the „SET“ key. Press the „ESC“ key to leave editing (changing) without save – the last stored value is kept.
Acoustic alarm assign to relay 1

Acoustic alarm assign to relay 2

Acoustic alarm deactivation
- activated acoustic alarm is possible to deactivate by pressing „ESC“ key
- acoustic alarm is still activated for all time and it is impossible to deactivate it

Relay response for error
Regulator continuously checks its state during operation (see chapter “Error States of the device“ at page 14. In case error of assigned value measurement is found then output relay:

Change of “Password for setting through keys” (PASS)
This item shows the actual password setting. It is possible to change it after the „SET“ key pressing. It is a number from range -19999 to +19999.

Temperature unit choice
It is possible to measure temperature at °C or °F. There is shown preset unit. It is possible to change it after „SET“ key pressing.

Show temperature at LCD display
This item provides to choice if actual measured temperature may be displayed at LCD display or not. It is possible to change it after „SET“ key pressing.

Show relative humidity at LCD display
This item provides to choice if actual measured relative humidity may be displayed at LCD display or not. It is possible to change it after „SET“ key pressing.

Show computed value at LCD display
This item provides to choice if actual computed value may be displayed at LCD display or not. There is shown the name of computed value on the top LCD line – see “Computed value selection“ below. It is possible to change it after „SET“ key pressing.

Computed value selection
It shows the actually selected computed value name. It is possible to change it after „SET“ key pressing. There is possible choice one of the following computed values:

Restore to „Factory default“ measurement part
This item provides regulator restoring to factory setting. Press „SET“ key, select „YES“ and confirm it by pressing of „SET“ key. It reset regulator parameters to following values:
- Value assigned to relay 1 and relay 2: none
- Password for setting through keys (PASS): 0000
- display: on
- temperature unit: °Ccomputed value preset: dew point temperature
- relay response for error: stay unchanged at previous condition
- acoustic alarm: off

Readings on LCD display
- °C, °F – reading next to this symbol is measured temperature or error state of value
- %RH – reading next to this symbol is measured relative humidity or error state of value
- °C / °F DP – reading next to this symbol is calculated dew point temperature or error state of value
- g/m3 – reading next to this symbol is calculated absolute humidity or error state of value
- g/kg – reading next to this symbol is calculated specific humidity or mixing ratio (depends on device setting) or error state of value
- If specific enthalpy is selected, there is shown only value (number) without corresponding unit 3 – this symbol is on if jumper is closed
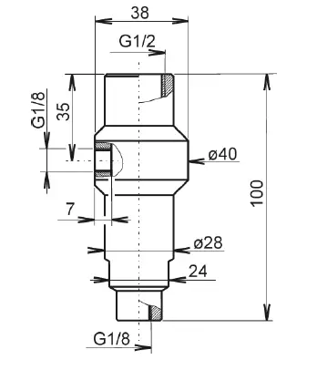
Dimensions
H3060

H3061(P)
Probe for compressed air measurement

Error States of the device
Device continuously checks its state during operation. In case error is found LCD displays corresponding error code:
Error 0
First line of LCD displays „Err0“. Check sum error of stored setting inside device’s memory. This error appears if incorrect writing procedure to device’s memory occurred or if damage of calibration data appeared. At this state device does not measure and calculate values. It is a serious error, contact distributor of the device to fix.
Error 1
Measured or calculated value is over upper limit of allowed full scale range. There is a reading „Err1“ on LCD display. This state appears in case of:
- Measured temperature is higher than approximately 600°C (i.e. high non-measurable resistance of temperature sensor, probably opened circuit).
- Relative humidity is higher than 100%, i.e. damaged humidity sensor, or humidity calculation of humidity is not possible (due to error during temperature measurement).
- Computed value – calculation of the value is not possible (error during measurement of temperature or relative humidity or value is over range).
Error 2
There is a reading „Err2“ on LCD display. Measured or calculated value is below lower limit of allowed full scale range. This state appears in case of:
- Measured temperature is lower than approximately -210°C (i.e. low resistance of temperature sensor, probably short circuit).
- Relative humidity is lower than 0%, i.e. damaged sensor for measurement of relative humidity, or calculation of humidity is not possible (due to error during temperature measurement).
- Computed value – calculation of computed value is not possible (error during measurement of temperature or relative humidity).
Error 3
There is a reading „Err3“ on LCD display upper line. Error of internal A/D converter appeared (converter does not respond, probably damage of A/D converter). Values are NOT measured. It is a serious error, contact distributor of the device.
Error 5, 6
There is problem with assigned value to output relay, there is some wrong setting (mismatch). This error appears if incorrect writing procedure to device’s memory occurred.
Error 9
Inserted password is not valid. Try to insert password again. If you forgot the password see chapter Change of “Password for setting through keys” (PASS) at page 10.
Technical specification
Technical parameters
Common parameters
- Power voltage: 110 – 240 VAC, 50 – 60 Hz
- Power consumption: 115 VAC max. 120 mA
- 230 VAC max. 70 mA
- Internal fuse: 5 x 20 mm, max. T 1,25A
- Measuring interval: 0,5 s
- Display switching interval: 4 s (when more than two values are displayed)
- Protection: electronics IP65, sensors are located in cover with IP40 protection
- Relay outputs:
- Amount: 2
- Max. switching voltage: 250 V
- Max. switching current: 8A
- Max. switching power: 2000 VA/AC, 192 W/DC
- Rated current (resistive load): 8A 250V AC or 8A 24V DC
- Insulation resistance (at 500V DC): min. 1000 Mohm
- Test voltage (1 min.): open contact 1000V AC, coil / contact 5000V AC
- Mechanical life: min. 2 x 107 cycles
- Expected life (rated condition) min. 1 x 105 cycles
- EMC: EN 61326-1, EN 55011, EN 61000-3-2, EN 61000-3-3
- Electrical safety: EN 61010-1
H3060 – temperature and humidity regulator
- Temperature:
- Accuracy: ± 0,4 °C (±0,7 °F)
- Range: -30 to +80 °C (-22 to 176 °F)
- Resolution: 0,1 °C (0,2 °F)
- Relative humidity:
- Accuracy: ± 2,5 %RH from 5 to 95 %RH at 23 °C (73,4 °F)
- Range: 0 to 100 %RH
- Resolution: 0,1 %RH
Measuring temperature and humidity range is limited in accordance with the graph below!
- Response time (air flow approximately 1 m/s ):
- temperature: t90 < 7 min (temperature step 20 °C (36 °F)) with stainless steel mesh sensor cover (F5200) t90 < 9 min with bronze sensor cover (F0000 – selectable option )
- relative humidity: t90 < 30 s (humidity step 65 %RH, constant temperature)
H3061(P) – temperature and humidity regulator
- Temperature:
- Accuracy: ± 0,4 °C (±0,7 °F)
- Range: -30 to +105 °C (-22 to 221 °F), includes probe cable
- Resolution: 0,1 °C (0,2 °F)
- Relative humidity:
- Accuracy: ± 2,5 %RH from 5 to 95 %RH at 23 °C (73,4 °F)
- Range: 0 to 100 %RH
- Resolution: 0,1 %RH
Measuring temperature and humidity range is limited in accordance with the graph below
- Response time with stainless steel mesh sensor cover (F5200B) and bronze sensor cover (F0000 – selectable option), air flow approximately 1 m/s:
- temperature: T3061 t90 < 6 min (temperature step 20 °C (36 °F))
- T3061P t90 < 16 min (temperature step 20 °C (36 °F))
- relative humidity: t90 < 30 s (humidity step 65 %RH, constant temperature)
Relative humidity and temperature restriction

Value computed from measured relative humidity and temperature Dew point temperature
- Range: -60 to +80 °C (-76 to 176 °F)
- Accuracy: ±1,5°C (±2,7°F) at ambient temperature T<25°C (77°F) and relative humidity RH >30%, for more details see graphs below

Accuracy: ±1,5 g/m3 at ambient temperature T < 25°C (104 °F), for more details see graph below

Specific humidity1
- Accuracy: ±2g/kg at ambient temperature T < 35°C (95 °F)
- Range: 0 to 550 g/kg
Mixing ratio1
- Accuracy: ±2g/kg at ambient temperature T < 35°C (95 °F)
- Range: 0 to 995 g/kg
Specific enthalpy1
- Accuracy: ± 3kJ/kg at ambient temperature T < 25°C (77 °F)
- Range: 0 to 995 kJ/kg 2
Operating conditions
Operating temperature and relative humidity:electronics : -25 to +80 °C (-13 to 176 °F), 0 to 100 % RH (without condensation) probe H3060: -30 to 80°C (-22 to 176 °F) , 0 to 100 %RH H3061(P): -30 to +105 °C (-22 to 221 °F) probe cable included, 0 to 100 %RH It is recommended to switch off the LCD display at ambient temperature above 70 °C (158 °F) – around electronics Operating pressure range of probe H3061P: up to 25 bar Air flow velocity (H3061P probe): up to 25 m/s at a pressure of 1bar (1m/s at a pressure of 25 bar)
- This value depends on the atmospheric pressure. For computing is used constant value stored in device memory. Default value preset by manufacturer is 1013hPa and can be changed by user’s software.
- This maximum is reached under conditions about 70°C/100%RH or 80°C/70%RH
Outer characteristics in accordance with Czech National Standard 33-2000-3
- Normal environment with the specifications: AE1, AN1, AR1, BE1
- Working position:
- H3061(P) negligible
- H3060 with sensor cover downwards
- Mechanical connection of probe H3061P: G1/2 with O-ring
- Not allowed manipulations: It is not allowed to operate the device under conditions other than specified in technical parameters. Devices are not designed for locations
- with chemically aggressive environment. Temperature and humidity sensors must not be exposed to direct contact with water or other liquids. It is not allowed to remove
- the sensor cover to avoid any mechanical damage of the sensors.
- Storing conditions: temperature -30 to +80 °C (-22 to +176 °F), humidity 0 to100 %RH without condensation
- Dimensions:see dimensional drawings
- Weight: approximately:
- H3060 390g
- H3061/1m probe 450g, H3061P/1m probe 490g,
- H3061/2m probe 490g, H3061P/2m probe 530g,
- H3061/4m probe 570g H3061P/4m probe 610g
- Material of the case: ASA
- Material of the probe H3061P: duralumin with the black eloxal surface finish
End of operation
Disconnect the device and dispose it according to current legislation for dealing with electronic equipment.
Technical support and service
The adjustment procedure is described at file „Calibration manual.pdf“ which is installed commonly with the TSensor software.
Technical support and service is provided by distributor. For contact see warranty certificate. You can use discussion forum at web address: http://www.forum.cometsystem.cz/.
Appendix A
The probe for measuring the moisture of compressed air should be placed directly on the pressure pipelines to achieve higher measurement accuracy and fast response times. But they are cases where such placement is not possible. The reason is the high air speed, high temperature, high pollution, small diameter pipes, etc. Such situation can be solved by placing the probe into the flow measuring chamber. The picture shows the basic layout of the sampling system with chamber SH- PP.

- ….sampling
- ….closing valve
- ….probe
- ….flow chamber SH-PP
- ….closing valve
- ….outlet tube
sampling (1) – end of the tube placed in the centre of pressure pipelines (distribution of moisture in the pipe cross-section is not homogeneous). To achieve fast response times to shorten the length of the sample tubes to a minimum (few meters). closing valve (2) – allows access to the sample system without interrupting the main line closing valve (5) – the sample flow is regulated by this valve. Measurement accuracy is typically not affected by the sample flow rate, but at low speeds, increasing response time. outlet tube (6) – if the measured sample of air is released into the atmosphere, select the length of the outlet tube of 1.5 m (recommended for tube diameter 6mm). The reason is to ensure the accuracy of the sample in the flow chamber and avoid back diffusion of moisture from the ambient air.That basic structure of sampling system can be supplemented with filters, coolers, flow measurement, pressure measurement, etc. For the accurate operation of sampling system is important to ensure perfect tightness of all connections and to use corrosion-resistant materials. Tube inclination is chosen so as to avoid the accumulation of fluid in the system.
Technical specification – flow chamber SH-PP

- Material of flow chamber: stainless steel (DIN 1.4301)
- Inlet and outlet connection: G1/8
- Probe connection: G1/2
- Sample flow rate: 0.1 to 3 l/min
- Operating pressure: up to 25 bar
- Weight: 580 g
Note: Screw-coupling not included


















