T3319 Programmable Transmitter
Instruction Manual

Programmable transmitter of temperature, relative humidity and other derived humidity values T3319, T3319P, T3419, T3419P
Programmable transmitter of atmospheric pressure, temperature, relative humidity and other derived humidity values
T7311, T7411 with RS232 / RS485 serial output and external probe Instruction Manual
T3319 Programmable Transmitter
© Copyright: COMET SYSTEM, Ltd.
It is prohibited to copy and make any changes in this manual, without explicit agreement of company COMET SYSTEM, Ltd. All rights reserved.
COMET SYSTEM, Ltd. makes constant development and improvement of their products. Manufacturer reserves the right to make technical changes to the device without previous notice. Misprints reserved.
Manufacturer is not responsible for damages caused by using the device in conflict with this manual.
To damages caused by using the device in conflict with this manual cannot be provide free repairs during the warranty period.
Carefully read instruction manual before the first device connection.
Contact address of this device’s producer:
COMET SYSTEM, s.r.o.
Bezrucova 2901
756 61 Roznov pod Radhostem
Czech Republic
www.cometsystem.com
Instruction Manual
| Device type | Temperature | Humidity | Pressure | Computed values | Output | Version |
| T3319 | ✓ | ✓ | – | ✓ | RS232 | probe with cable |
| T3319P | ✓ | ✓ | – | ✓ | RS232 | probe for compressed air *) |
| T3419 | ✓ | ✓ | – | ✓ | RS485 | probe with cable |
| T3419P | ✓ | ✓ | – | ✓ | RS485 | probe for compressed air *) |
| T7311 | ✓ | ✓ | ✓ | ✓ | RS232 | probe with cable |
| T7411 | ✓ | ✓ | ✓ | ✓ | RS485 | probe with cable |
*) The removable probe for compressed air measurement is noninterchangeable part of the device.
The protection of connector is IP67
Device is designed for measurement of ambient temperature at °C or °F, relative humidity of air without aggressive ingredients. Measured temperature and relative humidity are recomputed to humidity expression: dew point temperature, absolute humidity, specific humidity, mixing ratio and specific enthalpy. Devices T7311 and T7411 support atmospheric pressure measurement at hPa, PSI, inHg, mBar, oz/in², mmHg, inH2O and kPa too. It is possible to set pressure correction for altitude (offset). Device setting is provided by user’s software, see latter. Devices T3319(P) and T7311 communicates via link RS232 without galvanic isolation, devices T3419(P) and T7411 via galvanic isolated link RS485. Supported communication protocols are Modbus RTU, protocol compatible with standard Advantech-ADAM, ARION and communication with HWg–Poseidon devices. Devices are preset from manufacturer to Modbus RTU communication protocol. If you would like to use different communication protocol then Modbus RTU, it is necessary preset them through user’s software – see latter. Temperature, relative humidity eventually pressure sensors are non-removable device parts (excepting T3319P and T3419P transmitters), pressure sensor is placed inside the electronic case. Measured and computed values are optionally shown on dual line LCD display. If there are two values displayed at one LCD line, they are periodically switched between both readings with period of 4 seconds. Display can be switched OFF totally too.
Use user’s software TSensor for setting of all device parameters (recommended). It is free to download at www.cometsystem.com. It supports make the adjustment of the device too. This procedure is described at file „Calibration manual.pdf“ which is installed commonly with the software. Change of some parameters is possible to do without user’s software with Windows hyperterminal (change of communication protocol, its parameters, LCD display setting). It is described in file “Description of communication protocols of Txxxx series” which is free to download at the same address.
Transmitter version TxxxxL with watertight male connector instead of a cable gland (RS232) or glands (RS485) is designed for easy connection/disconnection of communication cable.
Male Lumberg connector RSFM4 has protection IP67.
Transmitter version TxxxxP is designed for compressed air measurement up to 25 bars
Models marked TxxxxZ are non-standard versions of the transmitters. Description is not included in this manual.
Please read instruction manual before the first device connection.
Device setting from the manufacturer
If special setting was not required in the order the device is set from the manufacturer to the following parameters:
| communication protocol: | Modbus RTU |
| device address: | 1 |
| communication speed: | 9600Bd, without parity, 2 stop bits |
| display: | switched ON |
| value displayed at higher line: | temperature (temperature / pressure) – by device type |
| value displayed at lower line: | relative humidity only |
| temperature unit: | °C |
| pressure unit: | hPa |
| preset computed value: | dew point temperature |
| correction for altitude: | 0 hPa (absolute pressure) |
Device installation
Device is designed for wall mounting. There are two mounting holes at the sides of the case. It is NOT recommended to use the device for long time under condensation conditions. It could be the cause of water steam condensation inside the sensor’s cover into water phase. This liquid phase stays inside sensor’s cover and can’t escape from the cover easily. It can dramatically increase response time to relative humidity change. If water condensation occurs for longer time it can cause sensor damage. Similar effect can occur under water aerosol conditions. Don’t connect device while power supply voltage is on. Interconnection terminals for T3319(P), T3419(P), T7311 and T7411 devices are accessible after unscrewing four screws and removing the lid. Measuring temperature, relative humidity and eventually pressure sensors are non-removable device parts. Lace the cable through a gland at the case wall. Connect the cable to terminals with respecting the signal polarity (see figure). Terminals are self-clamping and can be opened by a suitable screwdriver. For the opening, insert the screwdriver to smaller terminal hole and lever by him. Do not forget to tighten glands and case lid with inserted packing after cables connecting. It is necessary for warranting of protection IP65. Connect complementary female connector for T3319L, T3419L, T7311L and T7411L transmitters in accordance with the table in Appendix B of this manual.
Devices T3319(P) and T7311 are supplied with connection cable equipped with connector for connection to RS232 interface. For devices with RS485 output there is recommended to use shielded twisted copper cable, maximal length 1200m. The cable must be located at indoor rooms. Nominal cable impedance should be 100 Ω, loop resistance max. 240 Ω, cable capacity max. 65 pF/m. Outside diameter of the cable for T3419(P) and T7411 connection must be from 3 to 6.5 mm. Suitable cable is e.g. SYKFY 2x2x0.5 mm2 , where one wire pair serves for device powering and the other pair for communication link. For devices T3319L, T3419L, T7311L and T7411L use cable with respect to female connector parameters. Do NOT connect shielding at connector side.
The cable should be led in one line, i.e. NOT to „tree“ or „star“. Termination resistor should be located at the end. For short distance other topology is allowed. Terminate the network by a termination resistor. The value of the resistor is recommended about 120 Ω. For short distance termination resistor can be left out.
The cable should not be led in parallel along power cabling. Safety distance is up to 0.5 m, otherwise undesirable induction of interference signals can appear.
Electrical system (wiring) may do only worker with required qualification by rules in operation.
The devices T3319P and T3419P are designed to measure pressured air. It is good to mount probe directly into high pressure area (i.e. air pressured pipe) if it is possible. There is other possibility to use flow chamber SH-PP, see Appendix C.
Before you remove probe of the transmitter TxxxxP, make sure that the pressure in a pressure chamber (duct, pipe …) and the ambient pressure are in equilibrium.
Dimensions – T3319(P), T7311

Typical application wiring of T3319(P) and T7311

Dimensions – T3419(P), T7411

Typical application wiring of T3419(P), T7411, connection of terminals

Dimensions – T3319L, T3419L, T7311L, T7411L

Info mode
If in doubt of setting of installed device, verification of its address is enabled even without using computer. Power should be connected. Devices with RS232 interface have address always set to one.
Unscrew device cover and shortly press button next to connection terminals (jumper should be opened). Actual adjusted address of the device is displayed on LCD display at decimal base, for HWg-Poseidon’s communication protocol there is shown number corresponding with ASCII address code. Next press of button exits info mode and actual measured values are displayed.
Note: No measurement and communication is possible during info mode. If device stays in info mode for longer than 15 s, device automatically returns to measuring cycle.
Setting of pressure correction for altitude
For devices T7311 and T7411 only! If there is necessary to read value of atmospheric pressure corrected with respect to altitude, it is possible to set corresponding pressure offset for this altitude. It is possible to do it with Users software. This value is then automatically added to measured pressure value. The resultant value of pressure with added correction for altitude must be between 300 hPa and 1350 hPa (from 4.351 PSI to 19.580 PSI). Outside this range device sends
value of Error 2!
Description of communication protocols
Detailed description of each communication protocols including examples of communication is available in individual document “Description of communication protocols of Txxxx series” which is free to download at www.cometsystem.com.
Note: After switching ON the power of the device it can last up to 2 s before the device starts to communicate and measure!
Modbus RTU
Control units communicate on master-slave principle in half-duplex operation. Only master can send request and only addressed device responds. During sending of request no other slave station should respond. During communication, data transfer proceeds in binary format. Each Byte is sent as eight bit data word in format: 1 start bit, data word 8 bit (LSB first), 2 stop bits 1 , without parity. Device supports communication speed from 110Bd to 115200Bd.
Sent request and response have syntax: ADDRESS OF DEVICE – FUNCTION – Modbus CRC
Supported functions
03 (0x03): Reading of 16-bit registers (Read Holding Registers)
04 (0x04): Reading of 16-bit input gates (Read Input Registers)
16 (0x10): Setting of more 16-bit registers (Write Multiple Registers)
Jumper and button
Jumper and button are located next to connection terminals. If communication protocol Modbus is selected the function of jumper and button is as follows:
- Jumper opened – device memory is protected from writing, from the device side it is only enabled to read measured value, writing to memory is disabled (no change of device address, communication speed and LCD setting is enabled).
- Jumper closed – writing to device memory is enabled by means of User’s software.
- Jumper opened and button shortly pressed – device goes to Info mode, see chapter „Info mode“.
- Jumper closed and button pressed for longer than six seconds – causes restoring of manufacturer setting of communication protocol, i.e. sets Modbus RTU communication protocol, device address sets to 01h and communication speed to 9600Bd – after button press there is “dEF” message blinking at LCD display. Six seconds later message “dEF” stays shown, it means manufacturer setting of communication protocol is done.
Modbus registers of the device
| Variable | Unit | Address [hex]X | Address [dec]X | Format | Size | Status |
| Measured temperature | [°C] [°F]* | 0x0031 | 49 | Int*10 | BIN16 | R |
| Measured relative humidity | [%] | 0x0032 | 50 | Int*10 | BIN16 | R |
| Computed value * | [*] | 0x0033 | 51 | Int*10 | BIN16 | R |
| Address of device | [-] | 0x2001 | 8193 | Int | BIN16 | R/W* |
| Code of communication speed | [-] | 0x2002 | 8194 | Int | BIN16 | R/W* |
| Serial number of device Hi | [-] | 0x1035 | 4149 | BCD | BIN16 | R |
| Serial number of device Lo | [-] | 0x1036 | 4150 | BCD | BIN16 | R |
| Version of Firmware Hi | [-] | 0x3001 | 12289 | BCD | BIN16 | R |
| Version of Firmware Lo | [-] | 0x3002 | 12290 | BCD | BIN16 | R |
Addition for devices T7311 and T7411 – with atmospheric pressure measurement
| Variable | Unit* | Address [hex]X | Address [dec]X | Format | Size | Status |
| Atmospheric pressure | hPa | 0x0034 | 52 | Int*10 | BIN16 | R |
| PSI | Int*1000 | |||||
| inHg | Int*100 | |||||
| mBar | Int*10 | |||||
| oz/in2 | Int*10 | |||||
| mmHg | Int*10 | |||||
| inH2O | Int*10 | |||||
| kPa | Int*100 |
Since FW version 02.44 there is possibility to read the all computed values from registers:
| Variable | Unit | Address [hex]X | Address[ dec]X | Format | Size | Status |
| Dew point temperature | [°C] [°F]* | 0x0035 | 53 | Int*10 | BIN16 | R |
| Absolute humidity | [g/m3] | 0x0036 | 54 | Int*10 | BIN16 | R |
| Specific humidity | [g/kg] | 0x0037 | 55 | Int*10 | BIN16 | R |
| Mixing ratio | [g/kg] | 0x0038 | 56 | Int*10 | BIN16 | R |
| Specific enthalpy | [kJ/kg] | 0x0039 | 57 | Int*10 | BIN16 | R |
Explanation:
- * depends on device setting (by User’s software)
- Int*10 register is in format integer*10
- R register is designed only for reading
- W* register is designed for writing, for details see file “Description of communication protocols of Txxxx series”
- X register addresses are indexed from zero – register 0x31 is physically sent as value 0x30, 0x32 as 0x31 (zero based addressing).
Note: In case there is a need for reading of measured values from the device with higher resolution than one decimal, measured values in device are stored also in „Float“ format, which is not directly compatible with IEEE754.
Protocol compatible with Advantech-ADAM standard
Control units communicate on master-slave principle in half-duplex operation. Only master can send requests and only addressed device responds. During sending request any of slave devices should respond. During communication data is transferred in ASCII format (in characters). Each Byte is sent as two ASCII characters. Device supports communication speed from 1200Bd to 115200Bd, parameters of communication link are 1 start bit + eight bit data word (LSB first) + 1 stop bit, without parity.
Jumper
Jumper is located next to connection terminals. If communication protocol compatible with standard Advantech-ADAM is selected, its function is the following:
- If jumper during switching ON the power is closed, device always communicates with following parameters regardless stored setting in the device: communication speed 9600 Bd, without check sum, device address 00h
- If jumper during switching ON the power is not closed, device communicates in accordance with stored setting.
- If jumper is closed during device operation, device temporarily changes its address to 00h, it will communicate in the same communication speed as before closing jumper and will communicate without check After jumper is opened setting of address and check sum is reset in accordance with values stored in the device.
- Communication speed and check sum are possible to change only if jumper is
- Jumper closed and button pressed for longer than six seconds – causes restoring of manufacturer setting of communication protocol, i.e. sets Modbus RTU communication protocol, device address sets to 01h and communication speed to 9600Bd – after button press there is “dEF” message blinking at LCD display. Six seconds later message “dEF” stays shown, it means manufacturer setting of communication protocol is done.
For communication with device which measure more than one value, there is necessary to add at the end of command the number of communication channel, where the measured value is mapped. Command for value reading is #AAx(CRC) cr, where AA is device address, x is number of communication channel, CRC is check sum (can be used or not).
| Measured value | Number of communication channel |
| Temperature | 0 |
| Relative humidity | 1 |
| Computed value | 2 |
| Atmospheric pressure | 3 |
Command #AA(CRC) cr for reading all measured values at once is supported for multi- channel devices since firmware version 02.60.
Response: > (temperature)(relative humidity)(dew point temperature)(absolute humidity) (specific humidity)(mixing ratio)(specific enthalpy)(atmospheric pressure)cr
ARION communication protocol – AMiT company
The device supports communication protocol ARiON version 1.00. For more details see file “Description of communication protocols of Txxxx series” or www.amit.cz.
Communication with HWg Poseidon units
Device supports communication with HWg-Poseidon units. For communication with this unit set the device with setup software TSensor to communication protocol HWg–Poseidon and set correct device address. This communication protocol supports read temperature at °C, relative humidity, one of computed value (dew point temperature or absolute humidity) and barometric pressure at kPa (depended by device type). For atmospheric pressure correction to altitude setting there is Users software Tsensor.
Jumper and button
If communication with HWg Poseidon unit is selected, the function of jumper and button is as follows:
- Jumper opened and button shortly pressed – device goes to Info mode, see chapter „Info mode“.
- Jumper closed and button pressed for longer than six seconds – causes restoring of manufacturer setting of communication protocol, i.e. sets Modbus RTU communication protocol, device address sets to 01h and communication speed to 9600Bd – after button press there is “dEF” message blinking at LCD display. Six seconds later message “dEF” stays shown, it means manufacturer setting of communication protocol is done.
Error States of the device
Device continuously checks its state during operation. In case error is found LCD displays corresponding error code:
Error 0 – first line displays „Err0“. Check sum error of stored setting inside device’s memory. This error appears if incorrect writing procedure to device’s memory occurred or if damage of calibration data appeared. At this state device does not measure and calculate values. It is a serious error, contact distributor of the device to fix.
Error 1 – measured or calculated value except in pressure is over upper limit of allowed full scale range. There is a reading „Err1“ on LCD display. Value read from the device is +999.9. (for pressure reading there is +999.9 hPa correct value).
This state appears in case of:
- Measured temperature is higher than approximately 600°C (i.e. high non-measurable resistance of temperature sensor, probably opened circuit).
- Relative humidity is higher than 100%, e. damaged humidity sensor, or humidity calculation of humidity is not possible (due to error during temperature measurement).
- Computed value – calculation of the value is not possible (error during measurement of temperature or relative humidity or value is over range).
Error 2 – there is a reading „Err2“ on LCD display. Measured or calculated value is below lower limit of allowed full scale range. Value read from the device is -999.9.
This state appears in case of:
- Measured temperature is lower than approximately -210 °C (i.e. low resistance of temperature sensor, probably short circuit).
- Relative humidity is lower than 0 %, e. damaged sensor for measurement of relative humidity, or calculation of humidity is not possible (due to error during temperature measurement).
- Measured pressure value with added correction for altitude is outside of range from 300 hPa to 1350 hPa (from 4.351 PSI to 19.580 PSI) or the pressure sensor is damaged. Please check setting of pressure correction for altitude with User’s
- Computed value – calculation of computed value is not possible (error during measurement of temperature or relative humidity).
Error 3 – there is a reading „Err3“ on LCD display upper line. Error of internal A/D converter appeared (converter does not respond, probably damage of A/D converter). This error does NOT affect pressure measurement. Rest values are NOT measured. It is a serious error, contact distributor of the device.
Error 4 – there is a reading „Err4“ on LCD display. It is internal device error during pressure sensor initialization. Under this condition device does NOT measure atmospheric pressure. Value read from device is -999.9. Pressure sensor is probably damaged. It is a serious error, contact distributor of the device.
Readings on LCD display
°C, °F – reading next to this symbol is measured temperature or error state of value.
%RH – teading next to this symbol is measured relative humidity or error state of value.
hPa, PSI, inHg – reading next to this symbol is measured pressure or error state of value. If selected pressure unit is mBar or oz/in2or mmHg or inH2O or kPa, there is shown only value (number) without corresponding pressure unit!
°C / °F DP – reading next to this symbol is calculated dew point temperature or error state of value.
g/m3 – reading next to this symbol is calculated absolute humidity or error state of value.
g/kg – reading next to this symbol is calculated specific humidity or mixing ratio (depends on device setting) or error state of value.
If specific enthalpy is selected, there is shown only value (number) without corresponding unit! symbol 3 near by left display margin is on if jumper is closed.
Technical parameters of the device:
RS 485 Interface:
Receiver-Input Resistance: 96 kΩ
Devices on bus: max. 256 (1/8 Unit Receiver Load)
Measuring parameters:
Ambient temperature (RTD sensor Pt1000/3850ppm):
Measuring range: -30 to +105 °C (-22 to +221 °F)
Display resolution: 0.1 °C (0,2 °F)
Accuracy: ± 0.4 °C (± 0.7 °F)
Relative humidity (reading is temperature compensated at entire temperature range):
Measuring range: 0 to 100 %RH (see Device installation)
Display resolution: 0.1 %RH
Accuracy: ± 2.5 %RH from 5 to 95 %RH at 23 °C (73,4 °F)
Atmospheric pressure (T7311, T7411 only):
| Unit | hPa, mBar | PSI | mmHg | inHg | inH2O | oz/in2 | kPa |
| Range | 600 | 8.70 | 450.0 | 17.72 | 240.9 | 139.2 | 60.00 |
| 1100 | 15.95 | 825.1 | 32.48 | 441.6 | 255.3 | 110.00 | |
| accuracy | |||||||
| T=23 °C (T=73,4 °F) | ±1.3 | ±0.02 | ±1.0 | ±0.04 | ±0.5 | ±0.3 | ±0.13 |
| 0≤T≤40°C (32≤T≤104°F) | ±1.5 | ±0.02 | ±1.1 | ±0.04 | ±0.6 | ±0.3 | ±0.15 |
| Else | ±2.0 | ±0.03 | ±1.5 | ±0.06 | ±0.8 | ±0.5 | ±0.20 |
Measuring temperature and humidity range is limited in accordance with the graph below!
The value computed from air temperature and relative humidity: Dew point temperature
Range: -60 to +80 °C (-76 to 176 °F)
Accuracy: ±1.5 °C (±2,7 °F) at ambient temperature T < 25°C (77°F) and relative humidity RH >30%, for more details see graphs below
Absolute humidity
Range:0 to 400 g/m3
Accuracy: ±1,5g/m3 at air temperature T < 25°C (104 °F), for more details see graphs below
Specific humidity2
Accuracy: ±2g/kg at air temperature T < 35°C (95°F)
Range: 0 to 550 g/kg
Mixing ratio2
Accuracy: ±2g/kg at air temperature T < 35°C (95°F)
Range: 0 to 995 g/kg
Specific enthalpy2
Accuracy:± 3kJ/kg at air temperature T < 25°C (77°F)
Range: 0 to 995 kJ/kg 3
Response time with stainless steel mesh sensor cover (F5200B) and bronze sensor cover (F0000 – selectable option), air flow approximately 1 m/s:
Temperature: T3319(L), T3419(L), T7311(L), T7411(L) t90 < 6 min (temperature step 20 °C (36 °F) )
T3319P, T3419P t90 < 16 min (temperature step 20 °C (36 °F) )
Relative humidity: t90 < 30 s (humidity step 65 %RH, constant temperature) atmospheric press.4: t90 <44s
Recommended calibration interval: 1 year
Measuring interval and LCD display refresh: 0.5 s, atmospheric pressure 2 s
Power: 9 to 30 V dc
Consumption: T3319, T7311 (RS232) . . . 6mA,
T3419, T7411 (RS485) . . . max 0.5 W
Protection: T3319(L)(P), T3419(L)(P): electronics IP65, sensors are located in cover with IP40 protection
T7311(L), T7411(L): electronics IP54, sensors are located in cover with IP40 protection
Filtering ability of the sensor cover: 0.025 mm
Operating conditions:
Operating temperature range: case with electronics: -30 to +80 °C (-22 to +176 °F)
external probe with cable: -30 to +105°C. (-22 to +221 °F)
It is recommended to switch off the LCD display at ambient temperature above 70 °C (158 °F) around electronics
Operating relative humidity range: 0 to 100 %RH
Operating pressure range of probe T3319P, T3419P: up to 25 bar
Air flow velocity (T3319P, T3419P probe): up to 25 m/s at a pressure of 1 bar (1m/s at a pressure of 25 bar)
Outer influence in accordance with Czech National Standard 33-2000-3: normal environment with those specifications: AE1, AN1, AR1, BE1
Working position: negligible (see device installation)
Electromagnetic compatibility: complies EN 61326-1
Not allowed manipulation: It is not allowed to operate the device under conditions other than specified in technical parameters. Devices are not designed for locations with chemically aggressive environment. Temperature and humidity sensors must not be exposed to direct contact with water or other liquids. It is not allowed to remove the sensor cover to avoid any mechanical damage of the sensors.
Do not use the device in an explosive environment.
Mechanical connection of probe T3319P, T3419P: G1/2 with O-ring
Storing conditions: temperature -30 to +80 °C (-22 to +176 °F), humidity 0 to 100 %RH without condensation
Dimensions: see dimensional drawings
Weight approximately:
T3319/1m probe 290g, T3319/2m probe 330g, T3319/4m probe 410g T3319P/1m probe 340g, T3319P/2m probe 380g, T3319P/4m probe 460g T7311/1m probe 290g, T7311/2m probe 330g, T7311/4m probe 410g T3419P/1m probe 260g, T3419P/2m probe 300g, T3419P/4m probe 380g T7311L, T3319L, T7411(L), T3419(L)/1m probe 210 g T7311L, T3319L, T7411(L), T3419(L)/2m probe 250 g T7311L, T3319L, T7411(L), T3419(L)/4m probe 330 g
Material of the case: ASA
Material of the probe T3319P, T3419P: duralumin with the black eloxal surface finish
End of operation
Device itself (after its life) is necessary to liquidate ecologically!
Technical support and service
Technical support and service is provided by distributor. For contact see warranty certificate.
Appendix A
Connection of transmitters with RS485 output to the PC

The ELO E214 converter is an optional accessory for connection of transmitter with RS485 interface to the PC via USB port. Link RS485 is connected across pin 9 A(+) and pin 8 B(-). The pull up, pull down and termination resistors are part of the transmitter. These internal resistors can be connected to the bus by connecting the corresponding pins of CANON connector (for more information see the operation manual for ELO E214).
The ELO E06D converter is an optional accessory for connection of transmitter with RS485 interface to the PC via serial port RS232. Connector marked RS232 connect directly to the PC. Power voltage +6V DC from an external acdc adapter connect to pin 9 of connector marked RS485, 0V connect to pin 5 and link RS485 connect across pin 3 A(+) and pin 4 B(-). Time out setting is performed by connecting the corresponding pins of connector marked RS485 (for more information see the operation manual for ELO E06D).
Appendix B
| Female Lumberg connector | Transmitter Tx1xxL with 4-20mA outputs | Transmitter Tx2xxL with 0-10V outputs | Transmitter Tx3xxL with RS232 output | Transmitter Tx4xxL with RS485 output |
| 1 | +11 | Udd | RTS | +U |
| 2 | +12 | Uout1 | Rx | A |
| 3 | -12 | Uout2 | Tx | B |
| 4 | -11 | GND | GND | GND |
Appendix C
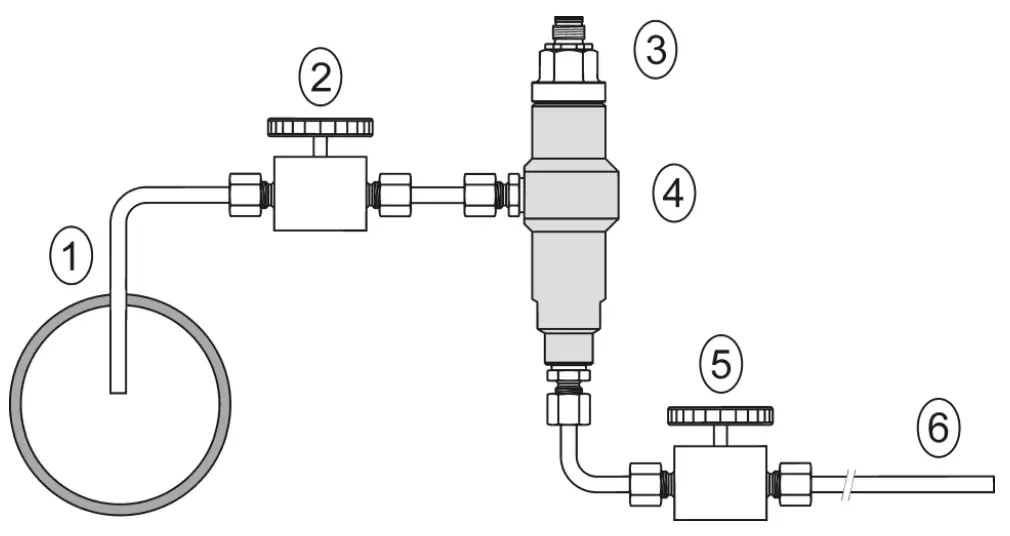
The probe for measuring the moisture of compressed air should be placed directly on the pressure pipelines to achieve higher measurement accuracy and fast response times. But they are cases where such placement is not possible. The reason is the high air speed, high temperature, high pollution, small diameter pipes, etc. Such situation can be solved by placing the probe into the flow measuring chamber. The picture shows the basic layout of the sampling system with chamber SH- PP.
- ….sampling
- ….closing valve
- ….probe
- ….flow chamber SH-PP
- ….closing valve
- ….outlet tube
sampling (1) – end of the tube placed in the centre of pressure pipelines (distribution of moisture in the pipe cross-section is not homogeneous). To achieve fast response times to shorten the length of the sample tubes to a minimum (few meters).
closing valve (2) – allows access to the sample system without interrupting the main line
closing valve (5) – the sample flow is regulated by this valve. Measurement accuracy is typically not affected by the sample flow rate, but at low speeds, increasing response time.
outlet tube (6) – if the measured sample of air is released into the atmosphere, select the length of the outlet tube of 1.5 m (recommended for tube diameter 6mm). The reason is to ensure the accuracy of the sample in the flow chamber and avoid back diffusion of moisture from the ambient air.
That basic structure of sampling system can be supplemented with filters, coolers, flow measurement, pressure measurement, etc. For the accurate operation of sampling system is important to ensure perfect tightness of all connections and to use corrosion-resistant materials.
Tube inclination is chosen so as to avoid the accumulation of fluid in the system.
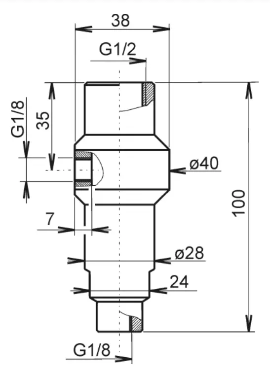
Technical specification – flow chamber SH-PP
Material of flow chamber: stainless steel (DIN 1.4301)
Inlet and outlet connection: G1/8
Probe connection: G1/2
Sample flow rate: 0.1 to 3 l/min
Operating pressure: up to 25 bar
Weight: 580 g
Note: Screw-coupling not included



















