Pentair Water 263081 Water FullFloXF Backwash Valve
General Installation Information
The following information should be read carefully since it outlines the proper manner of care and operation for your filter system. You can expect maximum efficiency and life from your filtration system by following these instructions and taking the necessary preventative care.
- Have a trained pool professional perform all pressure tests.
- Do not connect the system to a high pressure or city water system.
- Trapped air in the system can create a hazardous condition. BE SURE to purge all air from the system before operating or testing equipment.
- DO NOT pressure test with compressed air!
- Piping must conform to local/state plumbing and sanitary codes.
- Support piping independently to prevent strains on filter or valve.
- Fittings restrict flow; for best efficiency, use the fewest possible fittings.
- A check valve installed ahead of the filter inlet will prevent contaminants from draining back into the pool.
- A check valve installed between the filter and heater will prevent hot water from backing up into the filter and deforming the internal components.
- All wiring, grounding and bonding of associated equipment must meet local and/or National Electrical Code standards.
For information about the Virginia Graeme Baker Pool and Spa Safety Act, contact the Consumer Product Safety Commission at (301) 504-7908 or visit www.cpsc.gov.
Important Note: Always turn off all power to the pool pump before installing the cover or working on any suction outlet.
IMPORTANT WARNING AND SAFETY INSTRUCTIONS
Important Notice: This guide provides installation and operation instructions for the FullFloXF™ Backwash Valve. Consult Pentair with any questions regarding this equipment.
Attention Installer: This guide contains important information about the installation, operation and safe use of this product. This information should be given to the owner and/or operator of this equipment after installation or left on or near the valve.
Attention User: This manual contains important information that will help you in operating and maintaining this valve. Please retain it for future reference.
WARNING: Before installing this product, read and follow all warning notices and instructions which are included. Failure to follow safety warnings and instructions can result in severe injury, death, or property damage. Call (800) 831-7133 for additional free copies of these instructions.
Consumer Information and Safety
The FullFloXF™ Backwash Valve is designed and manufactured to provide many years of safe and reliable service when installed, operated and maintained according to the information in this manual and the installation codes referred to in later sections. Throughout the manual, safety warnings and cautions are identified by the “ ” symbol. Be sure to read and comply with all of the warnings and cautions.
DANGER
- SERIOUS BODILY INJURY OR DEATH CAN RESULT IF THIS VALVE IS NOT INSTALLED AND USED CORRECTLY.
- INSTALLERS, POOL OPERATORS AND POOL OWNERS MUST READ THESE WARNINGS AND ALL INSTRUCTIONS BEFORE USING THIS VALVE.
WARNINGS
This valve is intended for use in swimming pool applications. Most states and local codes regulate the construction, installation, and operation of public pools and spas, and the construction of residential pools and spas. It is important to comply with these codes, many of which directly regulate the installation and use of this product. Consult your local building and health codes for more information.
- To reduce risk of injury, do not permit children to use or operate this valve.
- When setting up pool turnovers or flow rates the operator must consider local codes governing turnovers as well as disinfectant feed ratios.
- DO NOT increase pump size; this will increase the flow rate through the circulating system and may exceed the maximum flow rate stated on the drain cover.
Pumps are not a substitute for properly installed and secured pool drain covers. An ANSI/ASME A112.19.8 approved anti-entrapment drain cover must be used for each drain. Pools and spas should utilize a minimum of two drains per pump. If a drain cover becomes loose, broken or is missing, close the pool or spa immediately and shut off the pump until an approved anti-entrapment drain cover is properly installed with the manufacturer’s supplied screw.
WARNING: FILTER OPERATES UNDER HIGH PRESSURE
When any part of the circulating system, (e.g., clamp, pump, filter, valve(s), etc.), is serviced, air can enter the system and become pressurized. Pressurized air can cause the lid to separate which can result in severe injury, death, or property damage.
To avoid this potential hazard, follow these instructions:
- Before repositioning valve(s) and before beginning the assembly, disassembly, or adjustment of the clamp or any other service of the circulating system: (A) Turn the pump OFF and shut OFF any automatic controls to ensure the system is NOT inadvertently started during the servicing; (B) open the manual air relief valve; (C) stand clear of the filter; (D) wait until all pressure is relieved.
- Whenever installing the filter clamp FOLLOW THE FILTER CLAMP INSTALLATION INSTRUCTIONS EXACTLY.
- Once service on the circulating system is complete FOLLOW SYSTEM RESTART INSTRUCTIONS EXACTLY.
- Maintain circulation system properly. Replace worn or damaged parts immediately, (e.g., clamp, pressure gauge, valve(s), o-rings, etc).
- Be sure that the filter is properly mounted and positioned according to instructions provided.
DANGER: The valve must be installed by a qualified pool serviceman in accordance with the National Electrical Code and all applicable local codes and ordinances. Always disconnect power to the pool equipment at the circuit breaker before servicing any of the equipment. Be sure that the disconnected circuit is locked out or properly tagged so that it cannot be switched on while you are working on the pool equipment. Failure to do so could result in serious injury or death to serviceman, pool users or others due to electric shock. Position the filter and the air relief valve to safely direct water drainage and purged air or water. Water discharged from an improperly positioned filter or valve can create an electrical hazard that can cause severe personal injury as well as damage property. A pool or spa pump must be installed by a qualified pool and spa service professional in accordance with the National Electrical Code and all applicable local codes and ordinances. Improper installation may create an electrical hazard which could result in death or serious injury to pool users, installers, or others due to electrical shock, and may also cause damage to property.
WARNING: For filters intended for use in other than single-family dwellings, a clearly labeled emergency switch shall be provided as part of the installation. The switch shall be readily accessible to the occupants and shall be installed at least 5 feet (1.52 m) away, adjacent to, and within sight of, the valve.
DANGER: Water temperature in excess of 100°F (37.7°C) may be hazardous to your health. Prolonged immersion in hot water may induce hyperthermia. Hyperthermia occurs when the internal temperature of the body reaches several degrees above normal body temperature of 98.6°F (37°). Effects of hyperthermia include: (1) Unawareness of impending danger. (2) Failure to perceive heat. (3) Failure to recognize the need to leave the spa. (4) Physical inability to exit the spa. (5) Fetal damage in pregnant women. (6) Unconsciousness resulting in danger of drowning. The use of alcohol, drugs, or medication can greatly increase the risk of fatal hyperthermia in hot tubs and spas.
Installation and Operation
WARNING
- Do not operate this unit above the maximum operating pressure of the valve or the filter. Operating your system above maximum recommended pressure may cause your filter or valve to separate and result in severe injury, death, and property damage.
- Never connect the filter and valve unit to a pump, which can generate a pressure that exceeds the operating
pressure of the filter or valve. - Chemical fumes and/or spills can severely damage the structural components of the filter or valve. Structurally weakened components can cause the valve or the filter lid to separate and result in severe bodily injury, death, and property damage.
CAUTION
- If the valve is hard to rotate, shut the pump off before rotating between positions. Do not use excessive force. If shutting off the pump does not ease the rotation, service the valve as described in this manual. There may be foreign objects obstructing one of the internal components.
- Be careful not to allow any glue to get into the central bore of the valve body, as this can damage the internal components. Do not use excess amounts of glue.
Valve Connection and Filter Position
- The images below show the valve orientations that correspond to filter inlet position (depends if the inlet is on the top or the bottom).
- Align the valve with the filter tank according to the part numbers listed below. Push the valve into the ports and turn the bulkhead nuts snugly on the tank fittings. Hand tighten the nuts – no tools are required.
Valve Position: Filter Inlet on BOTTOM

Valve Part Numbers: Filter Inlet on BOTTOM

Valve Position: Filter Inlet on TOP

Valve Part Numbers: Filter Inlet on TOP

Installing the Valve onto the Filter
- Turn off all power to the system. For retrofit installations only, follow steps a-d. For new installations, proceed to Step 2.
- Open the pressure relief valve on the top of the filter. Stand clear while air is released from the system.
- If the filter is below pool level, close the suc-tion and return line valves to isolate the filtra-tion system.
- Remove the drain plug from the filter to drain the water from the filter.
- Remove existing valve from the filter.
- Place O-rings on the face of the union fittings, where the face of the backwash valve union will connect to the filter bulkheads. Be sure O-Ring is seated into the groove of each union piece.

- Holding the valve upright, place onto the filter bulkheads. Tighten both union nuts to secure the valve on the filter.
- Plumb the discharge of the pump into the valve inlet labeled FILTER INLET.
- Plumb the valve outlet labeled FILTER OUTLET to the heater or pool return lines.
- Plumb the WASTE ports as needed. Let the system dry for 24 hours.
Important Installation Guidelines
- Piping size: 2-1/2” or 3” CPVC/PVC pipe fittings -can be plumbed directly into valve port socket. 3” plumbing requires a 3” coupling or 90° elbow slipped over the valve port spigot. (Also can be used with any size PVC plumbing with appropriate adapters). Note: Be sure that no glue enters inside of valve body past the ports. The recommended pipe glue to use is WELD-ON® 724 CPVC, GRAY or glue types such as WELD-ON® 790™ MULTI-PURPOSE SOLVENT CEMENT.
- Support piping in such a way that strain is not placed on the valve or filter.
- The maximum operating pressure of this valve is 50 psi. The filter unit also has a maximum operating pressure listed on the filter nameplate.
Normal Operation
- Be sure the valve handle is pointing towards FILTER.
- Turn on the filter pump. Check the system for normal water flow.
Backwashing

- Turn off all system pump(s).
- Release all pressure from the system at the main filter.
- Turn the valve handle to the BACKWASH position.
- Turn on the system pump(s) and run the system until the water runs clean.
- Turn off all system pump(s).
- Return the valve handle to the FILTER position.
- Turn on system pump(s) and check for normal water flow.
Servicing
WARNING: Incorrect assembly of the internal components may cause your filter to dead head and could cause severe bodily and/or property damage.
CAUTION: Use only use silicone based lubricants on the valve, other types of lubricant may damage the plastic or rubber components.
Removing Diverters for Inspection or Service

- Shut off the pump and open the manual relief valve on the filter to relieve all internal pressure.
- If the filter is below the pool water level, close the suction and the return line valves to isolate the filtration equipment.
- Drain the filter by moving the valve handle to the backwash position and removing the filter drain plug.
- Remove the handle by firmly pulling the handle straight up.
- Pull the tabs (if needed, insert two flat head screwdrivers behind the tabs) and rotate the top counter-clockwise to unlock. Remove the end cap.
- Slowly pull out the diverter assembly.
Note: which diverter is on the top before reassembling.
Cleaning and/or Replacing the Diverters

- DOW CORNING® 111 LUBRICANT or similar lubricant is recommended as a seal lubricant.
Note: This lubricant is formulated to seal surfaces and extends the lubrication period. Many other lubricants are broken down quickly by pool water and have a short lubricating life. - Inspect all seals for nicks and cuts. Replace diverter if damaged.
- Inspect the bore of the valve especially around the ports. Deep scratches and cuts in this area may cause leaks from the waste port. Replace valve if damaged.
- Using a clean cloth, thoroughly clean all seals and the bore of the valve.
- Apply liberal amounts of DOW CORNING® 111 LUBRICANT or similar lubricant to the surface of allB seals.
Cleaning and/or Replacing the O-Rings on Diverter and End Cap

- Without over-stretching, remove and clean O-rings with a clean cloth.
- Clean the O-ring grooves with a clean cloth.
- Apply liberal amounts of DOW CORNING® 111 LUBRICANT or similar seal lubricant to the O-rings.
- Replace the O-rings in their grooves.
Valve Reassembly
- Insert the outlet diverter into the center diverter. Align the three keys as shown below.
- Insert the inlet diverter into the center diverter. Align the fins as shown below.
- Insert spring and seal into the correct key of the center diverter. Follow either configuration A or B below, based on the model part number:
- Inlet on TOP: P/N 263080, 262507, 262509
- Inlet on BOTTOM: P/N 263081, 262508, 262511, 262512
Note: There are two possible positions for the seal, the text on the center diverters states which side to place the seal.
- Lubricate all sealing surfaces on the seal and diverters with DOW CORNING® 111 LUBRICANT or similar lubricant.

- Slide the diverter assembly into the body of the valve. Follow configuration A or B below.

- Align the arrow and notch on the end cap and body.
- Press the cap on and turn clockwise until the side snaps are locked into place.
Note: End caps only fit one way and must be locked into place.
- Partially install the handle and rotate until the arrow on the handle is between the two arrows on end cap.
- Press the handle until it is locked into place.
- Inspect the valve. When valve is in the filter position, the waste port should be blocked off with the waste seal.

- Align the notch on the end cap with the arrow.

- Press the cap down and turn clockwise.

- Install handle. Rotate until arrow on handle is between the ‘Filter’ and ‘Backwash’ arrows.
Maintenance
WARNING: Continuing to operate a valve with damaged components could result in sudden failure of valve structural components, which could possibly cause flooding or serious personal injury due to a sudden release of filter system pressure. Inspect and service your valve regularly as described in this section.
CAUTION: To extend valve life, periodically inspect shaft seals and valve bore for dirt and clean as described in the Servicing section on page 3. To extend seal life, remove diverters and lubricate periodically.
Valve Care
Proper care and valve maintenance will add many years of service to the pool. The service life of the valve is determined by factors such as dirt, heat, weather exposure, etc. Follow the suggestions described in this section to maximize the life of the valve.
Dirt
Dirt particles may accumulate on the seals and can scratch the valve body during normal filter operation and backwashing. These scratches can accumulate on the bore which cannot be repaired. Replace valve or diverters when the seals can no longer function properly from dirt accumulation
Heat
This valve is not damaged by temperatures found in correctly plumbed pool and spa installations. Heat damage can be caused by:
- Improper heater installation or operation: Heaters should be located after the poolfiltration equipment and must have a check valve or similar device that ensures super heated water cannot backup into the valve when the pump is switched off.
- Circulation pump operating with no flow: Pumps transfer heat into the water; if there is no water flow due to a closed valve or loss of prime, water in the pump will become very hot and can damage any pool equipment inline and close to the pump.
- Always be sure the system valves are open so that water is free to flow through the pool equipment.
Weather Exposure
All materials are affected to some degree by weather exposure. Materials used in this valve are suitable for outdoor use.
- To extend valve life, protect from weathering, especially direct sunlight.
- Years of outdoor exposure can cause materials to become structurally weakened.
- Always replace valve components that show signs of deterioration, such as cracked surfaces and/or significant discoloration.
Chemical Damage
- Maintain pool water chemistry properly. Pool chemistry is a specialized area and you should consult your pool service specialist for specific details.
- Always introduce chemicals into the pool after water flow passes through the pool filtration equipment.
- Use only silicone based lubricants. Other lubricants may damage valve components.
- Always install a check valve between in-line chlorinators and pool equipment to prevent chlorine gas from backing up into the pool equipment.
Lubrication
Thick silicone grease allows O‑rings to glide easily over stationary plastic surfaces. Lubrication makes handle actuation easy and ensures seals are not damaged when passing over internal passageways in the valve.
- Frequency of lubrication depends on:
- Frequency of actuation
- Water chemistry
- Water quality
- Water temperature
- Inspect seals and the small shaft seal after three (3) months to be sure they are well lubricated.
- Valve may be reassembled and checked again in three (3) more months.
- O-rings that have been cut, nibbled out, or twisted may be signs of inadequate lubrication. Damaged O-rings must be replaced.
Winterizing
- Consult your filter operation and user’s manual for winterizing instructions.
- If possible, remove, clean and lubricate the O-rings and diverters as described on page 3.
- Store the parts in an airtight container or sealed plastic bag that protects from light and air.
- Store away from heat.
Note: If the diverters will be left in the valve body during the winter, lubricate the valve first to be sure the diverters will actuate easily after several months without movement.
Troubleshooting
| Problem | Possible Cause | Corrective Action |
| Leak to waste. | Dirt on seal, damaged seal.
Scratched valve bore.
Heat damage to valve bore (oversized or out of round). | Service valve (see servicing instructions on page 3). Replace valve. Replace valve. |
| Leak around shaft exiting from cap. | Dirt on small diverter O-rings or damaged seal.
Damaged end cap or diverter. | Service valve (see page 3).
Replace end cap or diverter. |
| Leak between end-cap and valve body. | Dirt or damage to end cap O-ring.
Sealing surface on the body damaged.
End cap O-ring groove damaged. | Service valve (see page 3). Replace valve. Replace end-cap. |
| Handle is hard to actuate. | Seals and/or small shaft seals and/or diverters need lubrication or are damaged.
Valve bore is badly scratched.
Valve body damaged by heat.
Foreign objects stuck between the diverters and the body. | Service valve (see page 3).
Lubricate seals frequently. If it is still hard to actuate, replace the valve.
Replace valve.
Service valve (see page 3). |
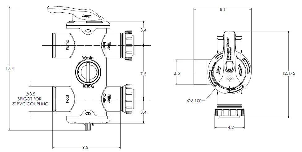
Valve Dimensions

Replacement Parts

Item No/ Part No /Description
- 270187z Handle
- 270190z End Cap, 2 required
- 270197z O-Ring #2-244 Buna (two required)
- 192039 O-Ring #2-116 Buna (two required)
- 270199z Outlet Diverter
- 270200z Inlet Diverter
- 274426z Pentair Union Assembly
- 274416z Center Diverter
- 274417z Waste Seal
- 274421z Waste Seal Spring
- 274494 O-Ring #2-332 Buna
- 261067z Sta-Rite Union Assembly
- U9-362 O-Ring #2-231 Buna
- 411101z XF Union Kit
(Not Shown)
- 270514z Rebuild Kit: Items 3 (Qty. 2), 4 (Qty. 2), 5, 7, 10
- 270513z O-Ring Kit: Items 3 (Qty. 2), 4 (Qty. 2)
Valve Head Loss Curves

Valve & Filter Connection Guide
Filter Inlet- BOTTOM
PENTAIR: P/N 263081

| Filter P/N | Pentair Filters |
| 180006 | FNS Plus FNSP24 |
| 180007 | FNS Plus FNSP36 |
| 180008 | FNS Plus FNSP48 |
| 180009 | FNS Plus FNSP60 |
STA-RITE: P/N 262508

| Filter P/N | Sta-Rite Filters |
| S7D75 | System 3 DE Filter |
| S8D110 | System 3 DE Filter |
| S7S50 | System 3 Sand Filter |
| S8S70 | System 3 Sand Filter |
XF FILTERS: P/N 262512

| Filter P/N | XF Filters | Filter P/N | XF Filters | |
| 188626 | XF Q-60 DE | 188618 | XF F-36 DE | |
| 188627 | XF Q-80 DE | 188619 | XF F-48 DE | |
| 188613 | XF Q-100 DE | 188620 | XF F-60 DE | |
| 188616 | XF Q-120 DE | 188621 | XF F-72 DE |
PENTAIR: P/N 263080

| Filter P/N | Pentair Filters |
| 188592 | Quad DE 60 |
| 188593 | Quad DE 80 |
| 188594 | Quad DE 100 |
| 140212 | TR 60 Sand |
| 140236 | TR 40 Sand |
| 140249 | TR 50 Sand |
| Filter P/N | Pentair Filters |
| 140264 | TR 60 Sand |
| 140210 | TR 100 Sand |
| 140243 | TR 140 Sand |
| 140335 | TR 100 HD |
| 140315 | TR 100C Sand |
| 140316 | TR 140C Sand |
STA-RITE: P/N 262507

| Filter P/N | Sta-Rite Filters |
| PLDE 36 | System 2 Mod DE |
| PLDE48 | System 2 Mod DE |
| S7MD60 | System 3 Mod DE |
| S7MD72 | System 3 Mod DE |
© 2012 Pentair Water Pool and Spa, Inc. All rights reserved.
- 1620 Hawkins Ave., Sanford, NC 27330
- TEL: (919) 566-8000
- 10951 West Los Angeles Ave., Moorpark, CA 93021
- TEL: (805) 553-5000
This document is subject to change without notice.
FullFloXF™, Sta-Rite®, and Pentair Water Pool and Spa® are trademarks and/or registered trademarks of Pentair Water Pool and Spa, Inc. and/or its affiliated companies in the United States and/or other countries. Weld-On® is a registered trademark of IPS Corporation and Dow Corning® is a registered trademark of Dow Corning Corporation. Unless noted, names and brands of others that may be used in this document are not used to indicate an affiliation or endorsement between the proprietors of these names and brands and Pentair Water Pool and Spa, Inc. Those names and brands may be the trademarks or registered trademarks of those parties or others.


























