PUMP DHRA50150 Pressure Washer Steel Hose Reel
User Manual
DHRA50300
DHRA50450
- Friction Brake
- Direct hand-crank rewind with a locking mechanism
- Solid steel construction
- Durable powder-coat finish
- Full flow swivel Stainless swivel
![]()
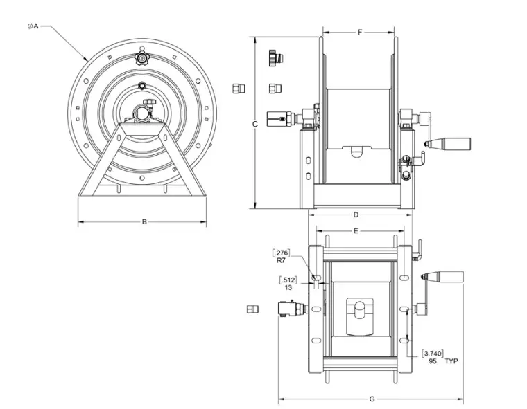
SPECIFICATIONS
| Model | 3/8″ Hose Capacity | 5/8″ Garden Hose Cap. | 3/4″ Garden Hose Cap. | Swivel Pressure Rating | Inlet | Outlet |
| DHRA50150 | 150 Ft. | 125 Ft. | 100 Ft. | 5,000 PSI | 1/2″ NPT-F | 1/2″ NPT-F |
| DHRA50300 | 300 Ft. | 225 Ft. | 175 Ft. | 5,000 PSI | 1/2 NPT-F | 1/2 NPT-F |
| DHRA50450 | 450 Ft. | 335 Ft. | 250 Ft. | 5,000 PSI | 1/2″ NPT-F | 1/2″ NPT-F |
MAXIMUM TEMPERATURE RATING: 250 ºF

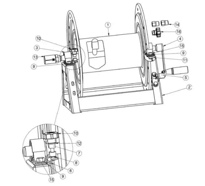
PARTS LIST
| Item | Part No. | Description | QTY |
| 1 | 2103282 | Assy, Hub & Flange, DHRA50450 | 1 |
| 2103242 | Assy, Hub & Flange, DHRA50300 | ||
| 2103247 | Assy, Hub & Flange, DHRA50150 | ||
| 2 | 2103283 | Frame, Hose Reel, DHRA50450 | 1 |
| 2103243 | Frame, Hose Reel, DHRA50300 | ||
| 2103248 | Frame. Hose Reel. DHRA50150 | ||
| 3 | 2640025 | Pillow Block | 2 |
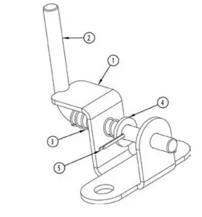
| 4 | 2103244 | Assy, Crank | 1 |
| 5 | 2103245 | Assy, Lock Pin | 1 |
| 6 | 2540087 | Bracket, Brake | 1 |
| 7 | 2660268 | Brake | 1 |
| 8 | 2200103 | Bolt, M8 | 1 |
| 9 | 2203413 | Washer, Flat, M10 | 12 |
| 10 | 2660405 | Knob, Brake | 1 |
| 11 | 2203017 | Nut, M10, Nylok, SST | 6 |
| 12 | 2200013 | Washer, M8, SS | 1 |
| 13 | DSW9012SS | Swivel 1/2″ NPT-F Ball Bearing | 1 |
| 14 | 2530112 | Fitting, 1/2NPT-MX3/8NPT-F | 2 |
| 15 | 2200104 | Bolt, M10 | 6 |
| 16 | D10032K | Fitting, GH-F 1/2′ NPT-M, Filter & Spring | 1 |

| Dimensions inches/mm | |||||||
| A | B | C | D | E | F | G | |
| DHRA50150 | 17.7/450 | 15.2/387 | 18.6/473.6 | 12.4/315 | 10.4/264 | 7.7/196 | 22.0/558 |
| DHRA50300 | 17,7/450 | 15.2/387 | 18.6/473.6 | 17.5/445 | 15.5/394 | 12.8/326 | 27.0/688 |
| DHRA50450 | 17.7/450 | 15.2/387 | 18.6473.6 | 23.0/585 | 21.2/539 | 18. | 32.6/829 |

| Lock Pin Repair Kit 2103245 | |||
| Item No. | Part Number | Description | QTY. |
| 1 | 2540085 | Bracket, Lock | 1 |
| 2 | 2540086 | Pin, Lock | 1 |
| 3 | 2720025 | Spring, Lock Pin | 1 |
| 4 | 2200013 | Washer, M8, SS | 1 |
| 5 | 2202033 | Pin, Cotter, 2×20 | 1 |

| Brake Repair Kit 2103139 | |||
| Item No. | Part No. | Description | QTY. |
| 1 | 2660268 | Brake | 1 |
| 2 | 2200103 | Bolt, M8 | 1 |
| 3 | 2660405 | Knob, Brake | 1 |
| 4 | 2200013 | Washer, M8, SS | 1 |
ASSEMBLY AND OPERATING INSTRUCTIONS
- Connect the handle to either end of the axle which doubles as a fluid path, use a suitable thread sealant, and tighten accordingly.
- Connect the swivel on the opposite end of the axle as the handle, use a suitable thread sealant, and tighten accordingly.
* See parts list image for orientation of swivel* - Attach the outlet hose to the outlet fitting located in the hub, use a suitable thread sealant and tighten accordingly.
- Attach the supply hose to the hose reel swivel, use a suitable thread sealant and tighten accordingly.
- Use 1/2” or 13 mm bolts when securing the hose reel to the ceiling or wall.
- The hose reel is ready for operation.
NOTE: THREAD SEALANT NOT INCLUDED
SAFETY PRECAUTIONS
- Make sure incoming pressure does not exceed the rated pressure.
- Use proper eye protection when assembling and using the hose reel.
- Assemble the hose reel on a clean workbench free of debris and moisture.
- Use soap and water when checking for air leaks.
- Keep children away from the work area.
WARNING!
Exposure of skin directly to pressurized air or fluids could result in severe bodily injury!
Warning. Only trained and qualified personnel should install or replace the device.
Warning. De-pressurize prior to servicing.
General Pump
1174 Northland Drive
Mendota Heights, MN 55120
Phone: 651.686.2199
Fax: 800.535.1745
www.generalpump.com
email: [email protected]


















