IC-215P-AA2 Touch Computer
User Manual
IC-215P-AA2 Touch Computer
About This Document
No part of this publication may be reproduced, transmitted, transcribed, stored in a retrieval system, or translated into any language or computer language, in any form or by any means, including, but not limited to, electronic, magnetic, optical, chemical, manual, or otherwise without prior written permission of MicroTouch a TES Company.
Compliance Information
For FCC (USA)
This equipment has been tested and found to comply with the limits for a Class B digital device, pursuant to part 15 of the FCC Rules. These limits are designed to provide reasonable protection against harmful interference in a residential installation. This equipment generates, uses, and can radiate radio frequency energy, and if not installed and used in accordance with the instructions, may cause harmful interference to radio communications. However, there is no guarantee that interference will not occur in a particular installation. If this equipment does cause harmful interference to radio or television reception, which can be determined by turning the equipment off and on, the user is encouraged to try to correct the interference by one or more of the following measures:
- Reorient or relocate the receiving antenna.
- Increase the separation between the equipment and receiver.
- Connect the equipment into an outlet on a circuit different from that to which the receiver is connected.
- Consult the dealer or an experienced radio/TV technician for help.
This device complies with part 15 of the FCC Rules. Operation is subject to the following two conditions: (1) this device may not cause harmful interference, and (2) this device must accept any interference received, including interference that may cause undesired operation.
For IC (Canada)
CAN ICES-3(B)/NMB-3(B)
For CE (EU)
The device complies with the EMC Directive 2014/30/EU and Low Voltage Directive 2014/35/EU
Disposal Information
Waste Electrical and Electronic Equipment
This symbol on the product indicates that, under the European Directive 2012/19/EU governing waste from electrical and electronic equipment, this product must not be disposed of with other municipal waste. Please dispose of your waste equipment by handing it over to a designated collection point for the recycling of waste electrical and electronic equipment. To prevent possible harm to the environment or human health from uncontrolled waste disposal, please separate these items from other types of waste and recycle them responsibly to promote the sustainable reuse of material resources.
For more information about recycling of this product, please contact your local city office or your municipal waste disposal service.
Important Safety Instructions
Before using this product, please read the user manual thoroughly to help protect against property damage and to ensure your personal safety and the safety of others.
Be sure to observe the following instructions.
For installation or adjustment, please follow the instructions in this manual and refer all servicing to qualified service personnel.
Usage Notice
Warning
To prevent the risk of fire or shock hazards, do not expose the product to moisture.
Warning
Please do not open or disassemble the product, as this may cause electric shock.
Warning
The AC power cord must be connected to an outlet with ground connection.
Precautions
Please follow all warnings, precautions and maintenance as recommended in this user’s manual to maximize the life of your unit.
Do: Disconnect the power plug from AC outlet if the product is not going to be used for an extended period of time.
Don’t: Do not operate the product under the following conditions: Extremely hot, cold or humid environment. Areas susceptible to excessive dust and dirt. Near any appliance generating a strong magnetic field.
Warnings
To turn off touch computer power, press the Power On/Off button on the back righthand side, as viewed from the front.
Pressing the POWER button does not turn off power completely. To disconnect power completely, remove the power plug from the outlet.
If any of the following occur, remove the power plug from the outlet immediately: the touch computer is dropped; the housing is damaged; water is spilled onto, or objects dropped inside the touch computer.
Failure to immediately remove the power plug may result in fire or electrical shock. Contact qualified service personnel for inspection.
If the power cord or plug is damaged or becomes hot, turn the touch computer off, make sure the power plug has cooled down and remove the power plug from the outlet.
If the touch computer is still used in this condition, it may cause fire or electrical shock.
Installation Tips
Things to avoid
Don’t install in a high-temperature environment.
Operating temperature: 0˚C to 40˚C (0˚F to 104˚F)
If the product is used in a high temperature environment or near any heat sources, the case and other parts may become distorted or damaged, resulting in overheating or electrical shock.
Don’t install in a high-humidity environment. Operating humidity: 20~85%
Don’t insert the power plug into anything other than a grounded 100~240V AC outlet.
Don’t use a damaged power plug or worn outlet.
The use of extension cords is not recommended.
The use of the power supply that comes with the Micro Touch product is strongly recommended.
Don’t place the product on an unstable shelf or surface.
Don’t place objects on the product.
If the product is covered or the vents are blocked, the product could overheat and cause a fire. Please keep a 10 cm minimum distance between the product and the surrounding structures to allow sufficient ventilation.
Don’t move the product when it is connected to the power cord and AV cables. When moving the product, make sure to remove the power plug and cables from the outlet or source.
If you encounter a problem during installation, please contact your dealer for assistance. Do not attempt to repair or open the product.
Product Overview
This desktop touch computer with Android operating system is designed and developed to provide a flexible desktop touch computer solution with easily installed optional Camera and MSR accessories. Its versatility makes it an exceptional choice for applications in all business sectors, especially in the retail market.
Key Features
Size: 21.5″ TFT LCD
Resolution: 1920 x 1080
Contrast Ratio: 1000:1
Aspect Ratio: 16:9
Brightness: 225 cd/m
View Angle: H:178˚, V:178˚
Video Port: 1 HDMI (1080P 60 Hz) 100 mm x 100 mm VESA mount
P-cap touch with up to 10 simultaneous touches Plug and Play: no touch driver installation required Warranty: 3 years 2
Unpacking
When unpacking please ensure that all the items in the following Accessories section are included. If any are missing or damaged, please contact the place of purchase for a replacement.
Package Contents
| No. | Part | Picture | Qty |
| 1 | Touch Computer | 1 | |
| 2 | AC Power Cord IEC C15/C16 (1.8m) | 1 | |
| 3 | AC-dc adapter | 1 |
Product Setup and Use
Power Connector
Center pin + 12 vdc; Barrel is ground.
Communications Ports
USB 3.0 is a Type-A USB communications port.
USB 3.0 Type C is a Type-C USB communications port.
Video Output
HDMI is a digital video output.
Removable Storage Slot
MicroSD Slot is for removable storage media.
Network Connection
LAN is a network connection (Supports 10/100/1000Mbps)
Configuration and Cable Options
Power is supplied by the included AC-to-DC power supply’s fixed 12 volt DC cable connector. Plug the power adapter’s DC barrel connector into the DC jack on the touch computer. Plug the AC power cable female connector into the receptacle on the power converter, then plug the male connector of the AC cable into a wall outlet.
Connect your network cable into the LAN connector. All other ports are optional outputs.
Turning the Touch Computer On and Off
| Function | Description |
| Power On | Press and hold the Power button for 2 seconds to power on |
| Sleep | Press and release the power button to enter sleep mode. |
| Press and release again to resume from sleep mode. | |
| Power Off | Press and hold the Power button for 2 seconds to power off |
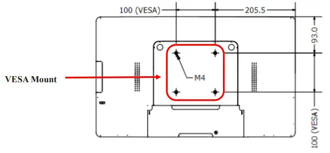
Mounting options
The touch computer has an integral VESA standard mount pattern.
VESA Mount
This touch computer is designed to conform to the “VESA Flat Display Mounting Interface Standard” which defines a physical mounting interface and corresponds to the standards for monitor mounting devices. A 100 mm x 100 mm VESA standard threaded mounting hole pattern is centered on the back of this product. 
Warning
Please use the correct screws! The distance between the back cover surface and the bottom of the screw hole is 8 mm. Please use four M4 diameter screws with 8 mm length to mount the touch computer.
Specifications and Dimensions
Specifications
| Item | Category | Specifications |
| System | CPU | Rock chip RK3399, Dual-core Cortex-A72 up to 1.8GHz, Quad-core Cortex-A53 up to 1.4GHz |
| GPU | Mali-T860 MP4 | |
| Memory | 4GB dual channel LPDDR4 | |
| Storage | 1 x 32GB eMMC | |
| Input Power | 12 vdc at 4.16A | |
| Display | Internal eDP panel, 50khrs LED backlight | |
| Audio | Speakers, 2W x 2 | |
| Network | 1 x RJ45 Giga LAN | |
| Wi-Fi and Bluetooth | Wi-Fi 802.11a/b/g/nlac 1T1R Bluetooth 4.0 (Supports BLE) | |
| OS version | Android 9.0 | |
| LCD Touch Panel | Size | 21.5″ TFT LCD |
| Brightness (Typ) | 225 cd/m2 | |
| Contrast Ratio (Typ) | 1000:1 | |
| Viewing Angle (Typ) | 178 degrees, H and V | |
| Number of Pixels | 1920 x 1080 | |
| Touch Type | P-CAP | |
| Simultaneous touch points | Up to 10 | |
| Environment | Operating temp. | 0°C-40°C |
| Storage temp. | -20°C to 60°C | |
| Operating humidity | 20-80%, Non-Condensing | |
| Storage humidity | 10-90%, Non-Condensing | |
| Certificates | CE, FCC, LVD | |
| Power | AC – dc Converter Input | AC 100V – 240V (50/60Hz), 50W max |
| AC – dc Converter Output | 12Vdc, 4.16A max | |
| Size and Weight | Dimensions (W x H x D) Without Stand | 510.96 mm x 308.01 mm x 37.9 mm |
| 20.12 in x 12.13 in x 1.5 in | ||
| Dimensions (W x H x D) With SS-215-Al Stand | 510.96 mm x 308 mm x 170 mm | |
| 20.12in x 12.13 in x 6.7 in | ||
| Net Weight | 4.0 kg without stand, 7.48 kg with SS-215-Al stand 8.82 lb without stand, 16.49 lb with SS-215-Al stand |
| VESA Mount | 100 mm x 100 mm |
Dimensions (without stand)
Front view
Side View
Rear View
Dimensions (with SS-215-A1 stand)
Front view
Side Views 
Installing the Cables
Step 1: Pull the cable cover downward to remove it.
Step 2: Connect the cables.
Step 3: Reinstall the cable cover.
Note: The cables can exit at either the top or bottom of the cable cover, as desired.
Step 4: Install the screw to secure the cable cover.
Optional Accessory Installation
Note: Power the touch computer down before installing/ removing accessories.
Installing the Optional Stand
Place the touch computer face down on a clean padded surface.
Step 1: Place the stand on the VESA mount and align the screw holes.
Step 2: Install the four M4 screws to secure the stand to the touch computer.
Removing the Optional Stand
Place the touch computer face down on a clean padded surface.
Step 1: Loosen the four screws
Step 2: Pull the stand away from touch computer and remove.
Installing the MSR
Step 1: Pull the accessory port cover away from the touch computer to remove it.
Step 2: Connect the MSR cable to the touch computer accessory cable. Important: Do not force – Besure to properly align the polarity keys in the two connectors. The cable colors will also match from cable to cable.
Step 3: The metal bracket hooks into the gap between cover glass and bezel.
Step 4: Install the two M3 screws to secure the MSR. 
Removing the MSR
Step 1: Loosen the screws.
Step 2: Disconnect the MSR cable from the touch computer and pull the metal bracket free of the slot.
Step 3: Reinstall the accessory port cover.
Installing the Camera
The steps are the same as for the MSR with the exception of the metal bracket – the camara simply needs to be connected, positioned and the two screws installed. Removal is the reverse: Remove the screws, disconnect and stow the cable, and replace the cover.
Appendix
Cleaning
Turn off the product and disconnect from AC power before cleaning. Turning the product off protects against accidental touch selections that could cause problems or hazardous results. Disconnecting power protects against hazardous interaction between accidental liquid entry and electricity. To clean the case, dampen a clean cloth lightly with water and a mild detergent and wipe gently. Use a soft, dry cloth to clean areas that have ventilation openings to avoid getting any liquid or moisture inside. If liquid does get inside, do not use the product until it has been inspected and tested by a qualified service technician.
To clean the touch screen, apply a glass cleaning solution to a soft cloth and wipe the screen clean. To ensure that liquid does not enter the product, do not spray cleaning solution directly onto the touch screen or any other part.
Do not use volatile solvents, waxes or any abrasive cleaners on any part of the product.
Solutions to Common Problems
Touch functionality doesn’t work or works incorrectly.
Fully remove any protective sheets from the screen, then cycle power Off/On.
Ensure that the touch computer is in an upright position with nothing touching the screen, then cycle power Off/On.
Warranty Information
Except as otherwise stated herein, or in an order acknowledgment delivered to Buyer, Seller warrants to Buyer that the Product shall be free of defects in materials and workmanship. The warranty for the touch computer and its components is three years. Seller makes no warranty regarding the model life of components. Seller’s suppliers may at any time and from time to time make changes in the components delivered as Products or components. Buyer shall notify Seller in writing promptly (and in no case later than 30 days after discovery) of the failure of any Product to conform to the warranty set forth above; shall describe in commercially reasonable detail in such notice the symptoms associated with such failure; and shall provide to Seller the opportunity to inspect such Products as installed, if possible. The notice must be received by Seller during the Warranty Period for such product, unless otherwise directed in writing by the Seller. Within thirty days after submitting such notice, Buyer shall package the allegedly defective Product in its original shipping carton(s) or a functional equivalent and shall ship to Seller at Buyer’s expense and risk. Within a reasonable time after receipt of the allegedly defective Product and verification by Seller that the Product fails to meet the warranty set forth above, Seller shall correct such failure by, at Seller’s options, either (i)modifying or repairing the Product or (ii) replacing the Product. Such modification, repair, or replacement and the return shipment of the Product with minimum insurance to Buyer shall be at Seller’s expense. Buyer shall bear the risk of loss or damage in transit and may insure the Product. Buyer shall reimburse Seller for transportation cost incurred for Product returned but not found by Seller to be defective. Modification or repair, of Products may, at Seller’s option, take place either at Seller’s facilities or at Buyer’s premises. If Seller is unable to modify, repair, or replace a Product to conform to the warranty set forth above, then Seller shall, at Seller’s option, either refund to Buyer or credit to Buyer’s account the purchase price of the Product less depreciation calculated on a straight-line basis over Seller’s stated Warranty Period. These remedies shall be the buyer’s exclusive remedies for breach of warranty. Except for the express warranty set forth above, seller grants no other warranties, express or implied by statute or otherwise, regarding the products, their fitness for any purpose, their quality, their merchantability, their noninfringement, or otherwise. No employee of Seller or any other party is authorized to make any warranty for the goods other than the warranty set forth herein. Seller’s liability under the warranty shall be limited to a refund of the purchase price of the product. In no event shall Seller be liable for the cost of procurement or installation of substitute goods by Buyer or for any special, consequential, indirect, or incidental damages. Buyer assumes the risk and agrees to indemnify Seller against and hold Seller harmless from all liability relating to (i) assessing the suitability for Buyer’s intended use of the Products and of any system design or drawing and (ii) determining the compliance of Buyer’s use of the Products with applicable laws, regulations, codes, and standards. Buyer retains and accepts full responsibility for all warranty and other claims relating to or arising from Buyer’s products, which include or incorporate Products or components manufactured or supplied by Seller. Buyer is solely responsible for any and all representations and warranties regarding the Products made or authorized by Buyer. Buyer will indemnify Seller and hold Seller harmless from any liability, claims, loss, cost, or expenses (including reasonable attorney’s fees) attributable to Buyer’s products or representations or warranties concerning same.
RoHS Declaration
| Equipment name : Touch Computer Type designation (Type): IC-215P-AA2 | ||||||
| Component | Restricted substances and their chemical symbols | |||||
| Lead (Pb) | Mercury (Hg) | Cadmium (Cd) | Hexavalent chromium (Cr+6) | Polybrominated biphenyls (PBB) | Polybrominated diphenyl ethers (PBDE) | |
| Plastic Parts | 0 | o | o | o | o | 0 |
| Metal Parts | – | 0 | o | o | 0 | 0 |
| Cable components | – | 0 | 0 | 0 | 0 | 0 |
| LCD Panel | – | 0 | 0 | 0 | 0 | 0 |
| Touch Panel | – | 0 | 0 | 0 | 0 | 0 |
| PCBA | – | 0 | 0 | 0 | 0 | 0 |
| Software | 0 | 0 | 0 | 0 | 0 | 0 |
Notes
〝○〞indicates that the percentage of the restricted substance does not exceed the permissible limit.
〝−〞indicates that the restricted substance is exempt.
The information presented in this user manual is intended as general information about MicroTouch products and is subject to change. Product specifications and warranties will be governed by TES America, LLC. Standard terms and conditions of sale. Products are subject to availability.
Copyright © 2022 TES America, LLC. All rights reserved. Android is a trademark of Google LLC. Windows is a trademark of Microsoft Corporation in the United States and other countries.
www.MicroTouch.com
[email protected]
TES AMERICA LLC
215 Central Avenue, Holland, MI 49423
(616) 786-5353



















