Wellis WS00175 Igneus Finnish Sauna

Product Information
The Igneus, Serenis, Calidus sauna is a traditional sauna with a front panel full glass. It requires 2-3 persons for installation and has a minimum ceiling height requirement of 230 cm. The sauna uses an embedded latch locking system to fix the panels together. Each sauna requires an exclusive circuit when plugged in an outlet to avoid electrical interruption and diminished performance. The electrical connection point is always located in the right front corner of the sauna. The sauna stove must always be placed in the corner to the right of the glass door. The package includes six cartons with a sole serial number shown on each package carton of sauna cabin.
Product Usage Instructions
- Read the installation guide carefully before proceeding with the installation.
- Ensure that the installation surface is level and near the pipeline for easy drainage.
- Put on gloves and pay attention not to hurt yourself during installation.
- Install each step carefully, making sure placement and connection of each panel is balanced and tight.
- Ensure that the sauna is properly grounded to avoid electrical risks, especially with high-power saunas.
- Use a wooden bucket and scoop to splash water and do not keep excess water splashed.
- Avoid placing flammable objects and corrosive chemical substances near the sauna.
- If you have any questions, do not hesitate to contact the supplier.
Please read the following directions carefully.
This type of sauna use embedded latch locking system fixed together, the installation requires 2~3 persons. Put on gloves and pay more attention not to hurt yourself during the installation.
Minimum ceiling height required for the installation and operation of the sauna: 230 cm.
To assure the installation smoothly and use well in future, please install each step carefully and make sure placement and connection of each panel balanced and tightly.
Electrical Requirements
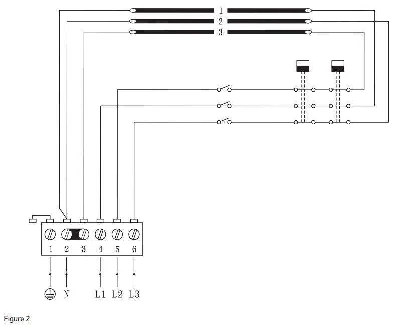
Each sauna will require an exclusive circuit when plugged in an outlet. A exclusive circuit requires that no other appliance to share the outlet/circuit with the sauna. Failure to comply with this requirement may cause electrical interruption and diminished performance. The electrical connection point is always located in the right front corner of the sauna. (Figure 12)
Before installing the sauna, it is necessary to install a cable of suitable length (taking into account the dimensions of the sauna).
Minimum cross-section of cables:
- for 1 phase: 3×4 mm2 (in the case of 4.5 kW heating)
- for 3 phases: 5×4 mm2 (in the case of 8 and 9 kW heating)
(For 4.5 kW heaters, we provide a 40A leakage protector; for 8 and 9 kW heaters we provide a 63A leakage protector.)
Please make sure the sauna is properly grounded. Serious injury may result if proper electrical requirements are not met.
We recommend that you seek the assistance of a qualified electrician to wire your sauna properly, in order to avoid electrical risks, especially regarding high-power saunas.
The sauna stove must always be placed in the corner, to the right of the glass door. Make sure that the minimum required distances are observed (see the sauna stove instructions or sauna stove data plate.)
Package Information
Traditional saunas (with a front panel full glass) are packed in 6 cartons (Package 1 for top and floor panel, benches and spare parts. Package 2 for back panel. Package 3 for left and side panel. Package 4 for glass. The extra two package stove and stone)
Each sauna has a sole serial number which was shown on each package carton of sauna cabin. Please make sure the cartons you get are with a same serial number, so that you can assemble the unit well.
Please make sure that when you open the package cartons keep face up. Please be very careful when opening boxes, due to fragile parts and glass.
Where to Start
Lay the cartons flat on the ground and open them carefully.
Open all the cartons, take the floor (bottom panel) from carton A firstly, start to install your sauna pleasantly.
Tips: Before the start of installation, or at least before installation of the top panel, please take out the accessories and screws etc.
Caution to Installation
- No plumbing or plumbing fixtures should be placed in the sauna.
- Use wooden bucket and scoop splashing water and not keep excess water splashed.
- Install the sauna on a completely level surface and keep it near the pipeline, easy drainage.
- Flammable objects and corrosive chemical substances should be kept far away from the sauna.
Should you have any questions, please do not hesitate to contact the supplier.
Installation Procedure
Connecting Methods of Panels (Walls)
Our sauna rooms through embedded latch locking system fixed together. Need two people lift wood panel and keep each latching system well connect together.
Latch locking system
Tips: Refer to “Connecting Method of Panels (walls)” on how to assemble the panels together for the following installation procedures.
Where to Start:
Lay the First carton flat on the ground and open them carefully. Take out accessories (handle, stove wooded protector, screws, user manual and smaller parts) from the roof dust cover and read to installation. See below photo.
Remove the Dust Cover to uncover accessories
Straight Style A-General guide
- Place the bottom panel in the desired location (it’s better in bath room near the drainage) and assembling back panel. Make sure they are in line. At this point, someone should be hold the rear panel until the next connection is made. SEE FIG 1 and 2.

- Install the left and right side panels as below image FIG 3 and 4. Tighten the back panels and sides panels with embedded latching system. See FIG 5.

- Install roof panel bench and bench supporter. Slide the bench supporter between the two vertical guides on the side panels. Install the bench top by placing it on top of the bench stand and the horizontal guide on the rear panel. See FIG 7 and 8.
Secure the roof with the supplied screws (4x25mm) to the side panels. Otherwise, the door cannot be properly adjusted. (Since the weight of the glass door pulls away the side glass and raises the roof.) Place the sauna on a horizontal surface or set it in a horizontal position
Pull the cables of Explosion proof lamp, Explosion proof lamp button and stove cables (3pins cable: 1L (brown color), 1N (blue color) and 1GND (yellow-green color) ) through the holes to the top. Connect roof cables together. See FIG-9.
- Align the side glass with bottom panel corresponding battens. Need one people hold up the roof panel, another people put side glass into correct location. (be careful, glass is very heavy). See FIG-10. Install the glass door and use wrench fasten the screws on door hinges. See FIG 11 and 12. Install door handle. See FIG 13.
Other spare parts installation ways please refer to Accessories installation.
Straight Style B-General guide
- Place the bottom panel in the desired location (it’s better in bath room near the drainage) and assembling back panel. Make sure they are in line. At this point, someone should be hold the rear panel until the next connection is made. SEE FIG 1 and 2.

- Install the left and right side panels as below image FIG 3 and 4. Tighten the back panels and sides panels with embedded latching system. See FIG 5.

- Install roof panel, see FIG 6. Install bench support (See FIG 7) and bench (See FIG 8).
Then install corner bench support and use screws fixed on left side wood panel. (See FIG 9 and 10). Finally install corner bench (See FIG 11). Slide the bench supporter between the two vertical guides on the side panels. Install the bench top by placing it on top of the bench stand and the horizontal guide on the rear panel.
- Pull the cables of Explosion proof lamp, Explosion proof lamp button and stove cables
(5pins cable: 3L (brown/gray/black color), 1N (blue color) and 1GND (yellow-green color) ) through the holes to the top. Connect roof cables together. See FIG-12.
- A. These wires are connected well in our factory.
- B. The other end is to connected with the stove.
- C. Assemble these 5 cables one by one.
Align the two side glass with bottom panel corresponding battens. Need one people hold up the roof panel, another people put side glass into correct location. (be careful, glass is very heavy). See FIG-13. Install the glass door and use wrench fasten the screws on door hinges. See FIG 14 and 15. Install door handle. See FIG 16.
Other spare parts installation ways please refer to Accessories installation.
INSTALLATION COMPLETED
Accessories installation
Explosion proof lamp
Connect the wire with the light and fix the light on the wall (generally left side wall). This is fixed in the corner of sauna room, outside add wood protector. Through explosion proof lamp button open or close light.
Fix the front as follows, increasing the stability of the seat grid.
Wooden bucket and scoop
People can put water in the bucket and use scoop pour the water on the stone.
SAWO Stove connection
Take out sauna stove and check its spare parts. Fix the stove on the floor. (near the drainage). Connect all the wires (230V-3 wires: 1L, 1N, 1GND) or (380V-5 wires: 3L, 1N, 1GND) of stove.
Please assemble the cable in the electric connection bar on the roof. The other end of the cable is to connect with the stove. After finish cables connection on the roof please use dust cover on the roof pane.
Stove wood protector
Sand timer and Thermo-hygrometer
Fixed inside sauna. The thermometer should be placed at a height of 180 cm from the floor level, preferably in a place clearly visible to all users. Under no circumstances should the thermometer be placed above the stove.
The hourglass should be placed below the thermometer for easy access and visibility.
STOVE operation Installation
The stove with interior controller—rotary switches.
- The left switch is timer to set working time of the stove. The right switch is temperature setting switch to set temperature.
You should set time and temperature to your desired value at the same time, then the stove starts to work, and the timer start to count down. - When timer comes back to 0, the stove will stop working.
- If the timer doesn’t come to 0, but the temperature reaches the setting value, the stove also will stop working. But timer won’t stop counting down.
When the temperature in sauna cabin is lower than the setting value, and timer doesn’t come to 0, the sauna will restart to work.
If the timer come to 0, you should turn the rotary switch of time to certain time, then the stove will restart to work. - Please don’t use the sauna too long time.
Usage Guide
- Allow your sauna to warm up for 30 minutes at 120 F (43 C). You may close the vent on the ceiling to speed up the preheating process.
- Drink plenty of water to avoid dehydration before and after the sauna session. It is recommended not to exceed 40 minutes per session.
- If the sauna becomes stuffy, open the vent on the ceiling to allow fresh air into the sauna.
- After 2 hours of continuous use, shut the sauna down for one hour.
- To avoid burns, don’t touch the heating elements.
Precautions
- If the temperature becomes unbearable, decrease the temperature or shut off the sauna immediately.
- Do not use if pregnant or have serious inflammation, a fever, a communicable disease, acute bleeding, or intoxicated.
- Concern the temperature if using the sauna with the elderly or children. Children need adult to accompany when using the sauna.
- Do not consume alcohol or drugs when using the sauna.
- If using prescription drugs, please seek advice of a personal physician or a pharmacist.
- Individuals with cardiovascular conditions or problems (hypertension / hypo tension), congestive heart failure, impaired coronary circulation, which might affect blood pressure, should exercise extreme caution when exposed to prolonged heat.
- Chronic diseases such as Parkinson’s, Multiple Sclerosis, Central Nervous System Tumors and Diabetes with Neuropathy are conditions that are associated with impaired sweating.
- The use of Steam saunas should be avoided by anyone who is predisposed to bleeding.
- An individual that has insensitivity to heat should not use any type of sauna.
- Heating of the low back area of women during the menstrual period may temporarily increase their menstrual flow.
- If have a recent acute joint injury, it should not be heated for the first 48 hours after an injury or until the hot and swollen symptoms subside.
- Metal pins, rods, artificial joints or any other surgical implants should consult a surgeon prior to using an Infrared Sauna.
- Do not splash water on the heaters or any electrical components inside the sauna.
- Do not bring wet towels into your sauna or any substances that could harm the interior of your sauna.
- Do not install a lock on your sauna.
- All repairs need to be authorized by the supplier‘s representative; otherwise product warranty may be voided.
In the rare event, you experience pain and/or discomfort, immediately discontinue sauna use.
Cleaning and Maintenance
Use a clean damp towel to wipe off the bench, floor and around the back panel. Do not use a towel that is too wet and can drip water inside the sauna and do not use cleaning agents inside the sauna.
Make sure to keep the sauna dry and clean. Do not leave towels or water glasses or bottles inside the sauna after use. Wipe the exterior surface of the sauna with a towel and clean the glass at least once a month.
Wood Care
If the sauna exterior body was scratched or scuffed, it can be concealed by using a small amount of furniture polish, oil or other furniture treatment. The interior blemishes, scratches, or scuffs can be either left alone, sanded or combination of gluing plus sanding. Please avoid any treatment containing benzene or a high concentration of alcohol.
Troubleshooting
The sauna does not power on
- Make sure the main power plug of the sauna is connected to the socket well.
- Make sure the overload protector did not turn off.
- Make sure the power socket at your home is working by trying a different device on the same socket.
Explosion proof lamp does not work
- Replace the light bulb.
- Check the roof cables whether connect well.
Stove do not work
- Make sure the stove plug or wires are connected on top of the sauna.
- Make sure the sauna is connected to the recommended power supply.
For more troubleshooting advice or to report a problem, please contact with the supplier.
SAUNA HEATER
Use ordinary drinking water only,other materials poured into the stone compartment may damage the heating elements,which is beyond our guarantee
SAUNA ROCKS
Load adequate sauna rocks (10-15kg) into the sauna heater after finishing the installation of sauna heater and controller. ATTENTION :Sauna rocks must be of finest qualities because temper-ature inside sauna heater is extremely high. Rocks not be able to withstand heat and the great heat changes easily break or get crumbling and damage the heating elements, or are easily oxidized which in return counteract the heat circulation and damage the sauna heater while being heated or being thrown water to for vapors causes.
WARNING
- Electrical shock hazard —— there are no owner serviceable parts in sauna heater. To avoid electrical shock hazard, all installations and relevant services shall be performed by qualified personnel.
- Sauna shall be less than half an hour. Bathing too long may cause heart beating too fast, light heartache, feeling weak or dizzy. Should the bather stop bathing immediately as soon as the above symptoms occur.
- Sauna bath may cause tension to the bather. Thus, one who is one of the followings should be directed by physician:
- A. Being pregnant
- B. Having heart disease
- C. Having high blood pressure
- D. Having circulation system disease
- E. After drinking
- F. After taking medicine.
- G. Diabetes
- H. Not feeling well.
- Children must be under the company of adult in taking sauna bath.
- Risk of scald: Must not touch the sauna heater or trim during heating, as it is hot. Stay at least 30 cm away from the hot heater.
Heating Elements 230V/240V 


- L L1 L2 L3 Connection ports of live wire
- N Connection port of neuter wire
Connection port of grounding wire
Installation
Install the sauna heater onto the wall with the screw provided in the heater,according to the min-imum safety distances and volumes indicated in table 1 and figure 1, or on the plate of the heater.
- The heater can be installed in the wall recess at the minimum height of 1900mm.
- Do not cover the wall behind the heater with materials like asbestos or eternit plates etc, because this sort of covering protection could cause too temperature and a risk of burn.
- Must use qualified materials for the walls and ceiling.
Guard Rails
Please follow the minimum distances requirements in figure 6 if guardrails are desired around the heater.
Connection of Electricity Supply Cable
Only the qualified electrician may conduct the electricity supply connections of the heater’s cables taking into consideration of current,valid electrical safety regulations. The connecting cables of the mains supply to the heater must be of REVE rubber insulated cables or at least an equiva-lent(see the figure 2).There are connection ports in the junction box in sauna heater to connect the indicating lamps outside sauna (see connection ports of circuit diagram in figure 7). The section of the connecting cables is same as the one of the heater. The electricity connection box in sauna room must be of a hermetic,splashing proof type with a 7mm diameter condensation hole. The junction box should not be more than 500mm over the floor.
Sauna stones
Since the sauna stones may be dusty,we recommend that they should be rinsed before being loaded into the heater container. The sauna stones should be placed in such a way that the smaller stones are first placed between the heating elements and then the large stones on top of them. Make sure that the smaller sauna stones placed at the bottom will provide support for the large sauna stones and won’t put weight on the heating elements. This will prolong the life of the heating elements. Do not load the stones too tight so that air can easily move between the stones whereby a good even cooling can be got for the heating elements. Reload when stones broken or crumbling so that these stones can be got out of the heater before the heating elements get damaged. The diameter of the stones is usually of 5-10 cm.
Temperature Control
The thermostat can control the temperature in an ideal condition (figure3). Sauna heater can reach o a preset temperature in 30 to 60 minutes depending on the size of sauna room Thermostat of three phases electricity can fulfill the preservation of a good even comfortable temperature in sauna room.
Power Switch
The power switch is the main power switch of sauna heaterwhich should be switched off while leaving sauna.
Ventilation
Good ventilation is a must for the sauna,and correctly installed ventilation creates agreeable bathing conditions,but yet still save energy.For the ventilation to be successful it is important where the ventilation openings are suited. The fresh air intake should be better situated on the wall near the bottom of the sauna heater. The diameter of air inlet must be at least 6 cm. The exhaust opening should be better situated on the wall opposite to and as for as possible from the air intake. The diameter of the exhaust opening must be twice the size of the intake. The exhaust opening must be situated under the botom of the upper benches.
Noted: the upper screws must be fastened tight, the minimum distances between screw head and wall must be 3mm.


- Power switch,
- Thermostat,
- Temperature limit reposition
- Junction box,
- Electricity supply cable,
- Electricity connection box
- Connecting
Table 1








Other spare parts installation ways please refer to Accessories installation.



















