amerec 9223-229 Steam Sauna Bath

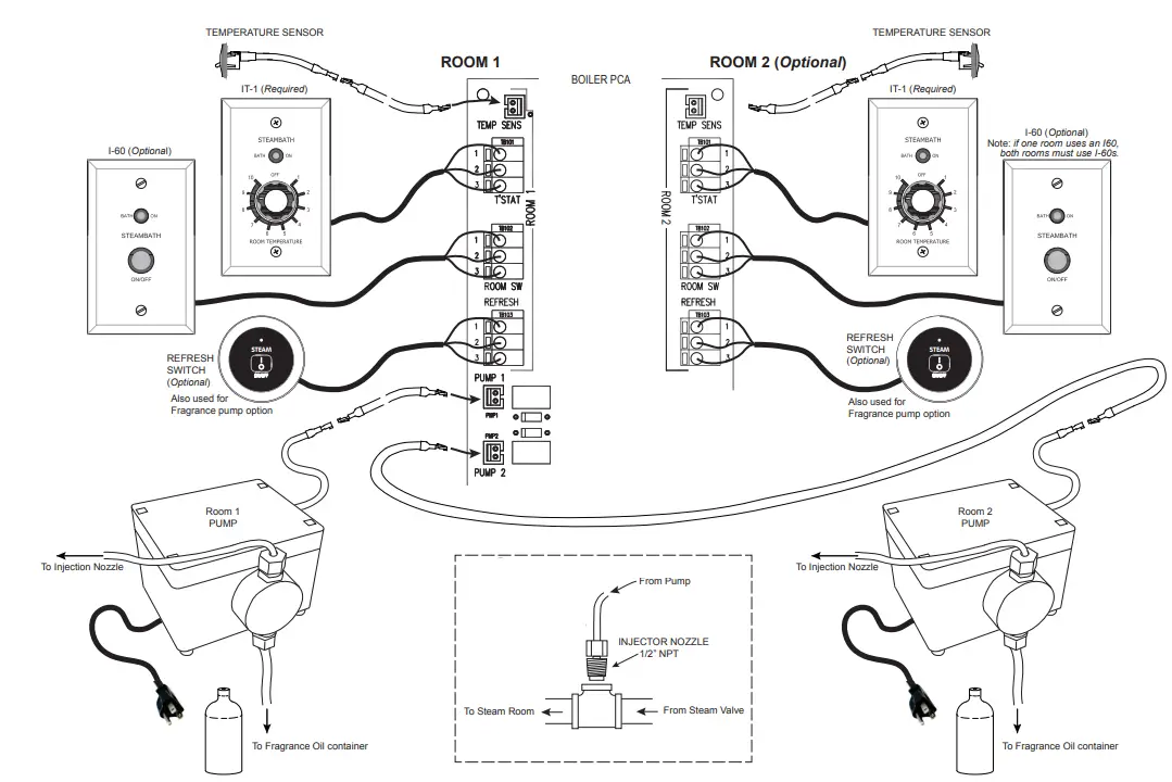
BOILER CONNECTIONS
Pump connection to the steam pipe, Typical
- *Use a 3/4” Reducing Tee with a 1/2” side connection or a standard 3/4” Tee with a 3/4” to 1/2” Reducer to connect the nozzle to the steam line.
- Mount Injector as close to the room as possible and at least 3 feet (1 m) from the steam valve output.
- Note: the pump cycle will start whenever the Refresh switch is pressed (while the switch’s light is lit)

















