Silent Venus SVP-600A Macerator Pump

COMPANY INFORMATION
- 9 Baltimore, Maryland 21206 United States
- (800) 972-1457 (Sales)
- (800) 972-8597 (Support)
- El [email protected]
- ®l www.silentvenus.com
GENERAL DESCRIPTION
- The Silent Venus Macerator Pump is a small, compact automatic lifting station suitable for pumping toilet waste off places in private dwellings where blackwater cannot be led directly to the sewer by means of a natural downward slope. It is typically used for rear discharge toilets, sinks, showers, and baths in basements below sewer level. The Silent Venus Macerator Pump can also be used in order to avoid costly renovations or modernizations of existing buildings, where the location may be remote from the main soil pipe so that a natural slope cannot be established.
- The Silent Venus Macerator Pump is made of heavy-duty plastic and has a surface that is easy to clean. Installed correctly, the Silent Venus Macerator Pump is maintenance-free. We recommend using descaler fluid at least once a month to keep buildup from forming and ensure the longevity of the unit.
- The Silent Venus Macerator Pump should not be used for strong chemicals or solvents or impurities such as hair, cotton ball, plastic, metal products, construction materials, etc as this may void the warranty.
SAFETY
- PERSONAL AND WORK AREA SAFETY
- If you are unfamiliar with handling or operating the equipment you should hire a qualified plumber to install the unit.
- BEFORE USE: Inspect the item for misalignment, bindings, loose components, or damage.
- Wear appropriate PPE (Personal Protective Equipment). Stay alert and use common sense.
- The work area should be clean and well lit.
- GENERAL ELECTRICAL SAFETY
- BEFORE USE: Inspect electrical parts, and cords for damage or wear before each use. Repair or replace damaged equipment immediately.
- Ensure all power sources conform to equipment 110 Volts requirement and are disconnected before installing.
- Installation of Ground Fault Circuit lnterruptor (GFCI) must follow The National Electrical Code (NEC), or NFPA 70 standards.
- Ensure electrical cords are not trip hazards.
- Do NOT immerse the unit in water.
- GENERAL CHEMICAL SAFETY
- Never use any harsh chemicals to clean; soap and water will suffice to clean the unit and help preserve/extend its life.
- MACERATOR PUMP SAFETY
- The use of this product requires experience with and knowledge of the product. Persons with reduced physical, sensory, or mental capabilities must not use this product unless they are under supervision or have been instructed in the use of the product by a person responsible for their safety.
- Children must not use or play with this product.
- Fixtures connected to this unit can be used like any normal drain and require minimum maintenance. The unit will operate automatically as soon as the required level of water enters the pump.
- The unit should only be used in conjunction with the disposal of wastewater; any damage due to foreign bodies such as food scraps, cotton, condoms, sanitary towels, wet wipes, food, hair, metal, wood, or plastic objects, will not be covered by warranty. Solvents, acids, and other chemicals can also cause damage to the unit and will invalidate the warranty.
- INSPECTION REMINDERS
- Unboxing: Inspect the package for any sign of damage, such as watermarks or punctures, before proceeding.
- Unit Appearance: Check the unit for any visible damages such as ceramic breakage, macerating unit bents, and dents. Make sure everything is intact before installation.
- Inventory: Make sure all supply parts are complete before proceeding.
- Installer: If you are not familiar with or not authorized to install the unit, we advise you to hire a professional plumber. Silent Venus will not be held liable for any property damage or personal injury during installation.
- Tools: Please use proper plumbing tools.
- Safety: Always observe your surrounding for any potential electrical hazard, pipe pressures, fumes, sharp objects, and other potential hazards.
MECHANICAL, ELECTRICAL & PLUMBING IMEPJ
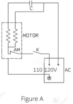
- ELECTRICAL REQUIREMENTS
- The electrical installation must only be carried out by trained personnel.
- The SVP-600A / SVP700W Shower Pump must be connected to 11 0V – 120V.
- Caution: The installation must include an earth leakage circuit breaker for protection against ground fault currents. This ensures protection when using a plug or another alternative to a plug with a ground pin.
- The macerator pump must be protected against water splashes in accordance with regulations.
- In the case of overheating, the thermal overload switch automatically cuts off the motor, and when the motor is fully cooled, the thermal overload switch automatically resets and restarts the motor.

- MECHANICAL REQUIREMENTS
- NOTE: The Silent Venus Macerator Pump should be installed with easy access for any maintenance.
- To avoid unnecessary noise, the pump should be placed on a vibratory damping base½” away from the wall or ½” lifted from the base.
- The base bracket is fixed to the pump with a screw, and the appropriate screws are selected to fix the equipment to the floor, depending on the environment.
- INLET CONNECTIONS
- Accessories are only complementary provisions. Other connecting parts are purchased by the user according to the installation requirements.
- There are two inlets on the unit. There is one on each side of the unit. The rubber connections that come with the unit are 1 ½” in size.
- Affix the rubber connection to the unit using the clamps provided.
- Ensure any horizontal pipes have a minimum gravity fall of¼ inch per foot.
- DISCHARGE CONNECTION
- The material of the pipes must be chemical resistant or suitable for wastewater.
- If connecting to the sewer below the unit, it is best to install a vent to prevent siphons.
- If the last horizontal discharge pipe is followed by a vertical pipe, it must be larger than the size of the horizontal pipe.
- Example: If the horizontal pipe diameter is 1 inch, the vertical pipe diameter is 211 See figure B
- The check valve elbow assembly is fixed on the pump with a stainless steel clamp.
- The check valve inside the unit prevents the back flow of the discharge line.
- An extra check valve can be placed horizontally if necessary to avoid back flow observing a 2% slope{¼” per foot)
- If the additional check valve is installed vertically, the arrow direction must be facing up.
- If using the rubber elbow, there are between¾”, 1″ and 1 ¼” to choose from. Cut it to your needed size.
- When using 1 ¼”, the pipe can press in and the 1″ pieces can be cut off.
- Other connecting parts are purchased by the user according to the installation requirements.
- It is recommended to install a globe valve in the proper position of the discharge line close to the equipment for the convenience of repair.
- All horizontal pipes must have a degree of descent:
- Drainpipe: at least 2% slope
- Inlet pipe: at least 3% slope
- All the connection pipes bent should be less than 90° in angles as much as possible.



INSTALLATION GUIDE
- STEP 1
- Position the Macerator Pump at the back of the toilet.
- Align the connection between the toilet and Macerator pump inlet.
- Secure the connection with provided metal clamps

- STEP 2
- Connect the side inlets to the Macerator pump.
- 2 Auxiliary inlets may be connected to the lavatory and shower drains respectively. Keep inlets sealed when not in use.
- Secure the connection with provided metal clamps.

- STEP 3
- Connect the discharge pipe.
- Secure the connection with provided metal clamps.
TIP:- To attain its full efficiency, a straight vertical is recommended. If it is necessary to extend the pipe before the vertical run, only a maximum of 12 inches horizontal distance is allowed.
- Use a ¼”0 or 1″0 reducer from the outlet to the discharge pipe.

- STEP4
- Plug the unit into the power source.
- See Installation Diagram B for the suggested slope of the outlet pipe.
- Test for any issues.
- The unit is ready for use if no issues occur.

TECHNICAL DATA


| # 1 | PARTS DESCRIPTION 4 feet Electrical Cord with Plug |
| 2 | Sink and Shower Drain Inlets |
| 3 | Air Vent |
| 4 | Toilet Discharge Inlet |
| Discharge Outet | |
| Electrical Components/ Starting Capacitor |
INSTALLATION TIPS
- Use only a long sweeping 90° bend elbow or 2 – 45 degree bend elbows.

- NEVER connect the unit to an Air Admittance Valve (AAV). It will disrupt the pump’s operation and may damage the unit. Failure to follow this will void the warranty.

- SVP600A – Effective vertical head is 26 feet or horizontal Head is 260 feet
- SVP750W – Effective vertical head is 32 feet or horizontal head is 320 feet
- Friction loss is 3 feet Horizontal on every elbow turn or valve.

- Use only a rigid copper, PVC pipe, or steel wire reinforced vinyl hose. Never use a soft flexible hose as this will disrupt the macerator’s operation and may cause rattling noises.

- When the pipe brackets are too far, the pipe will sag when it is loaded and will cause blockage. Ensure a correct distance of pipe brackets to avoid sagging.

- Installation of a Ground Fault Circuit Interrupter (GFCI) must follow The National Electrical Code (NEC), or NFPA 70 standards.

- Do NOT flush trash, food scraps, or any foreign objects as that will damage the pump.

- For Maintenance, use CLR (Calcium, Lime & Rust Remover) regularly.
- Always follow manufacturer’s instructions.

- Use a winterizing agent for cold weather conditions to avoid pipe freezing.
- Always follow manufacturer’s instructions.

- In case of problems, consult with your local plumber or contact our customer service.
- Installation must comply with 2021 Uniform Plumbing Code.

- Please feel free to reach out to our Customer Care Center with any questions you may have; our email address is [email protected], our Customer Care direct line is (800) 972 8597 and our website is http://www.silentvenus.com

TROUBLESHOOTING
WARNING! Switch off the unit and unplug from the power source. Make sure that the power supply cannot be accidentally switched on. All rotating parts must have stopped moving. The unit must only be serviced by a trained service personnel.

WARRANTY, RETURNS, AND SERVICING
LIMITED WARRANTY
- One-Year Warranty from Date of Purchase
- Subject to the terms and conditions set out below, Silent Venus (hereafter designated as “the Company”) warrants that it will repair or replace the product or any of its component parts at the Company’s discretion if it deems that the product or part is defective or does not meet the rated performance due to a manufacturing or material default.
- Issuing a replacement extends only to the first 180 days starting from the date of purchase. Warranty repairs will apply after such dates up to the warranty’s date of conclusion.
- Do NOT use the Air Admittance Valve (MV) It will disrupt the pump’s operation and may damage the unit. Failure to follow this will void the warranty.
TERMS AND CONDITIONS
The conditions of this warranty are the following:
- The product must be installed in accordance with the use described in the enclosed manuals.
- The product must be connected to a single phase 110V, 60Hz electrical outlet and must not be subjected to any negligence, accident or exposure to harmful products or substances
- The alleged defect or fault must be reported either to the installer or to the Company during the warranty coverage period.
- The warranty coverage period is valid for one year
PART DR PRODUCT EXCHANGE
The product may be exchanged without cost only at the sales outlet where it was purchased subject to the following conditions:
- The customer must have an “authorized return number” from the manufacturer in order to validate exchange.
- The customer must produce proof of purchase to validate exchange.
- Customers must submit video of the problem(s) with the unit to the manufacturer before sending in the unit.
LIMITATIONS
- Fill and flush mechanisms are guaranteed as per OEM warranty only.
- Vitreous china is guaranteed only for a factory defect.
- Cost of disconnection and reconnection (i.e. labor charges) are not covered by the warranty and are the responsibility of the end users.
- The warranty does not cover the cost of mail or freight when a part or parts of the system have to be repaired at the Company.
- In no event shall the Company be liable for any special, incidental, or consequential damage, loss, or injury of whatsoever nature or kind arising from or in connection with the product or any component thereof.
- The guarantee is transferable only when the product remains at the same premises as where it was installed initially.
- Except as set forth in this Limited Warranty, the company disclaims all other warranties, express or implied, with respect to the product or any component thereof including, but not limited to, all implied warranties for merchantability and fitness for a particular purpose.
RETURNS AND SERVICING
- In the event that the unit needs to be returned for service, please call for possible options, leave out or inquire about an authorized repair shop in your area. When you are required to return the macerating unit to the manufacturer, please ensure that prior to shipping, the unit has been cleaned and disinfected inside and outside. You will be subject to a 50 dollar cleaning change if the unit is not cleaned when we receive it.
- Before returning the unit you will need a Return Goods Authorization number from us; please call our Customer Support Line for further inquiries. Returned items not having an RGA will be refused.
- If you return the macerating unit in its original packaging, please remove the discharge elbow and retain unit reassembly. If the elbow is not removed, damage due to shipping might occur. Please package the macerating unit properly with adequate shock-absorbent material around it. Send this package prepaid to us, making sure to insure against loss and/or transit damage, (the amount of US$300.00 will suffice). If repairs are performed outside of the warranty coverage service agreement, you will be apprised of repair costs. All repair work will be conducted on a prepaid basis only.
INQUIRIES: For any problems that occur before and during the installation, please call Silent Venus support at (800)972-8597.






































