GARDENA 5600 SILENT Plus Garden Pump

SAFETY WARNINGS
Explanation of the symbols
Read operator’s manual.
General safety warnings
General pump safety warnings
DANGER!
Electric shock!
Risk of injury due to electric current.
→ The product must be supplied through a residual current device (RCD) having a rated residual operating current not exceeding 30 mA.
→ Disconnect the product from the mains before you put into storage, maintain it or replace parts. Thereby the disconnected socket must be in the visual range.
Garden pump safety warnings
Safe operating practices:
The water temperature should not exceed 35 °C.
The pump must not be used when people are in the water.
Pollution of the liquid could occur due to leakage of lubricants.
Circuit breakers:
Thermal protection switch:
In the event of an overload, the pump is switched off by the built-in thermal motor protection. After sufficient cooling of the motor, the pump is operational again.
Additional safety warnings
Intended use
This product may be used under supervision, or if instruction regarding the safe use of the product has been provided and the resulting dangers have been understood, by children aged 8 and above, as well as by persons with physical, sensory or mental disabilities or a lack of experience and knowledge. Children must not be allowed to play with the product. Cleaning and user maintenance shall not be carried out by children unless they aged 8 years and above and supervision.
The use of this product by young people under the age of 16 is not recommended. The GARDENA Garden pump is intended to pump ground water and rain water, tap water and water containing chlorine in private domestic gardens and allotments.
The product is not intended for long term use (professional use). The product is not intended for continuous running.
Liquids to be pumped:
The GARDENA Garden Pump must only be used to pump water.
DANGER!
Risk of injury!
The pump must not be used for the delivery of salt water, muddy water, corrosive, easily inflammable or explosive liquids (e.g. petrol, paraffin, thinners), oil, heating oil or foodstuffs.
Pressure amplification:
The inlet pressure must be protected by an adjustable pressure relief valve. When the pump is used for pressure amplification, the maximum permissible internal pressure must not exceed 6 bar. The maximum inlet pressure is therefore:
GARDENA Garden Pump 5600 Art. 9057 v Max. 1.3 bar
GARDENA Garden Pump 6300 Bluetooth® Art. 9058 v Max. 1.1 bar
The pump Art. 9059 must not be used for pressure amplification because the pump delivers 6 bar.
Additional electrical safety warnings
DANGER!
Cardiac arrest!
This product makes an electromagnetic field while it operates. This field may under some conditions interfere with active or passive medical implants. To decrease the risk of conditions that can possibly injure or kill, we recommend persons with medical implants to speak with their physician and the medical implant manufacturer before you operate the product.
The pump must be installed in a stable and flood-proof location and protected against falling into the water. Take care that the pump cannot fall into water. Position the pump at a safe distance (min. 2 m) from the liquid to be pumped. As an additional safety device an authorised safety switch can be used.
→ Ask your electrician for his advice.
If the supply cord is damaged, it must be replaced by the manufacturer, its service agent or similarly qualified persons in order to avoid a hazard.
→ Protect the mains plug and the mains power cable from heat, oil and sharp edges.
→ Do not use the power cable for carrying the pump or for unplugging.
→ Place the pump in a flood-proof location.
→ Please regularly check the connecting line.
→ Before using, always subject the pump (especially the power cables and the power connections) to a visual inspection.
A pump which is damaged must not be used.
→ In the event of damage, have the pump checked by GARDENA Service. Electrical changes are only conducted by an electrical specialist.
→ Before filling, dismantling, maintenance disconnect the mains.
→ When using our pumps with a generator, the warnings of the generator manufacturer must be observed.
Cables:
If extension cables are used, these must comply with the minimum cross-sections in the table below:
| Voltage | Voltage Cable length | Cross section |
| 230 – 240 V/50 Hz | Up to 20 m | 1.5 mm² |
| 230 – 240 V/50 Hz | 20 – 50 m | 2.5 mm² |
Additional personal safety warnings
DANGER!
Risk of suffocation!
Small parts can be easily swallowed. There is also a risk that the polybag can suffocate toddlers.
→ Keep toddlers away when you assemble the product.
DANGER!
Risk of injury from hot water!
Pumped water is under pressure and when it hits the body or eyes directly can cause injury.
If the pump is operated for prolonged periods of time (> 5 min.) with the delivery side closed, the water in the pump may heat up so that there is a risk of scalding yourself with hot water.
→ Let the pump operate for max. 5 minutes against the closed pressure side or with missing water supply.
If the water supply on the intake side of the pump fails, the water in the pump can heat up so that if water emerges, injuries could be caused by the hot water.
→ Disconnect the pump from the mains and let the water cool.
→ Do not open any caps and screw connections when the water is hot.
→ Before restarting, secure the water supply on the suction side and fill the pump completely with water.
If hoses or pipes are exposed to the sun, they can become very hot.
When connecting the pump to the water supply system, the country-specific sanitary regulations must be observed to prevent water not of drinking water quality being drawn back in.
→ Consult a specialist for sanitary installations.
In order to avoid dry-running of the pump, take care that the end of the suction hose is always submerged into the liquid.
→ Before each operation, fill the pump with water up to the overflow (min. 2 l)!
→ When filling the pump with water, make sure that no hoses or consumers are connected to the pump and that the pump is generally in a horizontal position.
→ Make sure that the hoses are laid without kinks.
Sand and other abrasive substances cause increased wear and reduce the pump’s output.
→ Use the pump only with the integrated filter installed.
Otherwise the pump could be damaged.
→ Use a pump pre-filter for pumping sandy liquids.
Pumping dirty water, e.g. stones, pine needles etc., can cause damage to the pump.
→ Do not pump dirty water.
The minimum flow rate is 90 l/h (1.5 l/min). Connection devices with a lower flow rate must not be operated.
ASSEMBLY
DANGER!
Risk of injury!
Risk of injury due to accidental starting.
→ Unplug the plug of the mains cable from the mains socket.
Installation site:
- When installing below the water level, a shut-off device must be installed to prevent unwanted water loss.
- The installation site must be horizontal, solid and dry and allow the pump to stand securely.
- It must be at a distance of at least 2 m from the water.
- The pump must be installed in a flood-proof location.
To connect the hose to the suction side [Fig. A6]:
![To connect the hose to the suction side [Fig. A6]:](https://static-data1.manualsee.com/2/img/113/7757268/2023/05/GARDENA-5600-SILENT-Plus-Garden-Pump-Owners-Manual-8.png)
The connector on the suction side (1) is equipped with a 33.3 mm (G 1″) external thread.
The connection piece on the suction side may only be tightened by hand [Fig. A2].
In order to reduce the suction time, it is advisable to use a suction hose with backflow preventer avoiding automatic draining of the suction hose when the pump has been switched off [Fig. A3].
Sucking in air in the suction system can lead to functional failure and increased noise generation.
→ Connect the suction system carefully.
→ Check the gasket regularly and replace it if necessary.
Don’t use any hose quick connection system fittings on the suction side.
A vacuum-resistant suction hose must be used on the suction side:
- e.g. the GARDENA Suction Unit Art. 1411/1412/1418
- or the GARDENA Bore Hole Suction Hose Art. 1729.
- Connect suction hoses (2) without threaded connection via a suction hose connection piece (e.g. Art. 1723/1724) to the connection of the suction side and screw it airtight.
There are 2 types of connection systems: Intended for flat gasket:
No thread sealing tape is required.
→ Make sure that the flat gasketⒼ is inserted in the suction hose connection piece and is undamaged.
Intended for thread sealing tape (Teflon):
No flat gasket is required.
An unsuitable sealing system can lead to leaks.
→ Use the sealing system intended for this purpose.
- Make sure that the flat gasket Ⓖ is inserted in the suction hose connection piece.
- Screw the vacuum-resistant suction hose ② airtight on the connector on the suction side ①. The connection piece must be placed straight on [Fig. A1].

- Lay the suction hose ② straight and free of twists.
- For suction heights exceeding 3 m: Fix the suction hose ② additionally. (e.g. by fastening it to a wooden post).
Therefore, the pump is relieved of the weight of the suction hose.
To connect the hose to the pressure side [Fig. A7]:

The connector on the pressure side ③ is equipped with a 33.3 mm (G 1″) external thread.
The connection pieces on the pressure side may only be tightened by hand.
Optimised use of the pump capacity is achieved by connecting 19 mm (3/4″) hoses with:
- e.g. the GARDENA Pump Connection Set Art. 1752
- or by connecting 25 mm (1″) hoses with the GARDENA Quick Thread Coupling with female thread Art. 7109/Quick Coupling Hose Connector Art. 7103.
There are 2 connectors on the pressure side. One horizontal (180° rotatable) and one vertical connector. The unused connector must be closed with the sealing cap3a. Hold or fix the pressure hose vertically to avoid kinking of the pressure hose at the vertical pump outlet.
Lay the hose flat on the ground; avoid u-shaped elevations of the hose and coiling it. In order to allow the air to escape optimally, lay out the pressure hose completely and give it a rising course as seen from the pump.
- Connect the pressure hose ④ with the connector on the pressure side ③.
- Screw the sealing cap
3aonto the unused connector on the pressure side.
To connect the pressure hose via the GARDENA quick connection system:
19 mm (3/4″)/16 mm (5/8″) and 13 mm (1/2″) hoses can be connected via the GARDENA Connection System.
| Hose diameter | Pump connection | |
| 13 mm (1/2″) | GARDENA Pump Connection Set | Art. 1750 |
| 16 mm (5/8″) | GARDENA Tap Connector GARDENA Hose Connector | Art. 18202 Art. 18216 |
| 19 mm (3/4″) | GARDENA Pump Connection Set | Art. 1752 |
Parallel connection of more than 2 pressure hoses:
When connecting more than 2 pressure hoses in parallel, we recommend the use of:
• e.g. the GARDENA 2- or 4-Channel Water Distributor Art. 8193/8194
• or the GARDENA Twin-Tap Connector Art. 940.
These can be screwed directly onto the connector of the pressure side ③.
OPERATION
DANGER!
Risk of injury!
Risk of injury due to accidental starting.
→ Unplug the plug of the mains cable from the mains socket.
To start/To stop the pump [Fig. O1/O2]:


CAUTION!
Dry-Running of the pump!
Make sure that the pump is filled with water up to the overflow (min. 2 l) before each starting procedure.
Art. 9058/9059:
Operation via the GARDENA Bluetooth® App: The GARDENA Garden Pump Bluetooth® can be controlled at any time with the free GARDENA Bluetooth® App. It can be downloaded from the Apple App Store or from the Google Play Store.
→ See the enclosed instructions for operating the GARDENA Bluetooth® Display.
Art. 9058/9059:
Operation via the display on the pump:
→ See the enclosed instructions for operating the GARDENA Bluetooth® Display.
- Connect the suction hose (In).
- Disconnect the pressure hose (Out).
- Unscrew the screw connection⑤ on the filling opening ⑥ by hand.
- Remove the filter. This makes it easier to see the water level when filling.
- Slowly fill in at least 2 l of water via the filler opening ⑥ until a stable water level is reached at the level of the suction side connection [Fig. A4].

The filling process can take up to 2 minutes. - If a non-return valve is used: Fill the suction hose with water. This speeds up the suction process.
- Empty the residual water in the pressure hose ④ before connecting. This allows the air to escape during the suction process.
- After filling the pump: Connect the pressure hose (Out) to the pump.
- Put the filter back in place.
- Tighten the screw connection ⑤ on the filling opening ⑥ by hand until it stops (do not overtighten and do not use pliers).
- Open any shut-off valves in the pressure line (connection devices, water stop, etc.). All consumers must be opened to the max. possible position.
- Insert the plug of the mains cable into a mains socket.
Art. 9058/9059: See Bluetooth® Display operator’s manual. - For high suction heights: Lift and hold the pressure hose ④ at least 1.8 m vertically above the pump during the suction process.
- Art. 9057: Push the On/Off switch⑦ to the position On. The On/Off switch lights.
Art. 9058 / 9059: See Bluetooth® Display operator’s manual.
The pump starts and pumps the water after the suction process. The suction process can take up to 5 minutes.
Art. 9057: If the pump does not pump water after 5 minutes:
- Push the On/Off switch ⑦ to the position Off.
The pump stops. - Let the pump cool down.
- Search in the 6.4 Troubleshooting table for possible causes.
- Start the pump again (see 3.1.3 To start the Pump).
To stop the pump:
→ Art. 9057: Push the On/Off switch ⑦ to the position Off.
The pump stops and the On/Off switch does not light anymore.
→ Art. 9058/9059: See Bluetooth® Display operator’s manual.
Art. 9058/9059: If the pump does not pump water after 5 minutes:
→ See Bluetooth® Display operator’s manual.
Only for Art. 9058/9059: safe-pump-function:
→ See Bluetooth® Display operator’s manual.
Hints to pump:
General tip on suction:
The specified maximum self-priming height is only reached when the pump is filled to the overflow via the filling opening and the pressure hose ④ is held upwards during the priming process so that no water can escape from the pump via the pressure hose ④. Fill the pump before hoses, fixed piping etc. are connected to the pump on the pressure side. This ensures that the pump can be completely filled with water (2 l) (air can escape). The pump is to be filled with 2 l of water
Silent operation:
The pump is silent. This advantage can only be maintained with the correct installation:
→ Choose a low-vibration base (e.g. do not place on metal sheets or plastic tanks).
Max. flow values:
The pump has a bypass valve to enable short suction times. If the hose end is open and there are no devices connected, or if the hose diameter is very large, the valve may not be able to switch from suction to pumping mode due to the hydraulic pressure conditions. In order to enable the full pumping capacity, close the water outlet for approx. 1 second while the engine is running (e.g. by kinking the hose). This allows the valve to assume its correct position. In standard applications with connection devices such as showers or sprinklers, this happens automatically.
Assembly of prefilter:
If a prefilter is too long, it can be assembled in another position (e.g. horizontally) instead of vertically downwards.
MAINTENANCE
DANGER!
Risk of injury!
Risk of injury due to accidental starting.
→ Unplug the plug of the mains cable from the mains socket.
To clean the pump:
DANGER!
Risk of injury!
Risk of injury and risk of damage to the product.
→ Do not clean the product with water or with a water jet (in particular high-pressure water jet).
→ Do not clean with chemicals including petrol or solvents. Some can destroy critical plastic parts.
→ Clean the pump housing with a damp cloth.
To flush the pump:
After pumping chlorinated water, the pump must be flushed.
- Pump through lukewarm water (max. 35 °C), possibly adding a mild cleaning agent (e.g. detergent) until the pumped water runs clear.
- Dispose of the residues in accordance with local waste disposal regulations.
STORAGE
To put into storage [Fig. S1]:

CAUTION!
Damage to the pump due to frost!
→ Store the pump in a frost-free place.
The product must be stored away from children.
- Unplug the plug of the mains cable from the mains socket.
- Close any shut-off valves in the suction line.
- Open any shut-off valves in the pressure line (accessories, water stop, etc.). Therefore the pressure line is depressurised.
- Unscrew the screw connection ⑤ of the filler neck ⑥ and the water drain screw ⑧ by hand. Therefore the pump is drained.
- Tilt the pump in the direction of the drain (approx. 45°) so that the pump empties completely.
- Unscrew the suction hose and the pressure hose.
- Tighten the screw connection ⑤ on the filling opening ⑥ and the water drain screw ⑧ by hand (do not use pliers).
- Clean the pump (see 4. MAINTENANCE).
- Store the pump in a dry, enclosed and frost-free place.
TROUBLESHOOTING
DANGER!
Risk of injury!
Risk of injury due to accidental starting.
→ Unplug the plug of the mains cable from the mains socket
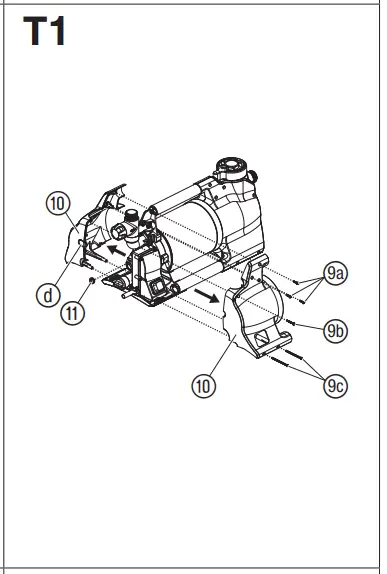
To loosen the impeller [Fig. T1/T2]:


An impeller blocked by dirt can be loosened.
- Only for Art. 9058/9059: Pull off the dirt cover
dof the soil moisture sensor or unplug the connected soil moisture sensor. - Unscrew the 6 screws
9a,9band9c. - Pull off the two shells ⑩.
- Remove the rubber plug ⑪from the shaft of the impeller ⑫.
- Turn the shaft of the impeller (12) clockwise with an insulated screwdriver. Therefore the blocked impeller is loosened.
- Reassemble the rubber plug ⑪and the two shells (⑩ in reverse order. Make sure that you match the screws
9a,9band9cto the correct screw holes depending on the length. - Only for Art. 9058/9059: Reinsert the dirt cover (d) of the soil moisture sensor or reinsert the soil moisture sensor
[Fig. T3]:

If the pump does not start or stops suddenly during operation, this may be due to a clogged filter.
- Close all existing shut-off valves on the suction side.
- Open any shut-off valves in the pressure line (connection devices, water stop, etc.). This depressurises the pressure side.
- Unscrew the screw fitting ⑤ of the filler neck ⑥by hand.
- Pull the filter ⑬ vertically out of the filler neck ⑥.
- Hold the cup ⑭ firmly and turn the filter⑬ counterclockwise out of the cup ⑭ (bayonet lock).
- Clean the cup (14) under running water.
- Clean the filter ⑬ e.g. with a soft brush.
- Reassemble the filter ⑬ in reverse order.
Only for Art. 9058/9059: To clean the non-return valve [Fig. T1/T4]:

- Only for Art. 9058/9059:
Pull off the dirt coverdof the soil moisture sensor or unplug the connected soil moisture sensor. - Unscrew the 6 screws ⑨ (see 6.1 To loosen the impeller).
- Pull off the two shells ⑩.
- Unscrew the cap (15) counterclockwise with an Allen key (width 10).
- Pull the flow sensor ⑯ out of the sensor opening
z. - Clean the flow sensor ⑯ under running water.
- Clean the sensor opening
zwith a damp cloth (without detergent). - Check the mobility of the flow sensor ⑯.
- Reassemble the flow sensor ⑯ in reverse order.
- Reassemble the two shells ⑩ in reverse order.
- Only for Art. 9058/9059: Reinsert the dirt cover
dof the soil moisture sensor or reinsert the soil moisture sensor.
Troubleshooting table
For Art. 9058/9059: See additional explanation of the displays in the Bluetooth® Display Operator’s manual.
| Problem | Possible Cause | Remedy |
| Pump is running, but the suction action doesn’t take placefv | Leaky or damaged suction line [ Fig. A2 ]. | → Check the suction line for damage and seal so is airtight. |
| Pump sucks in air at a connection point [ Fig. A2 ]. | → Seal the suction side connections airtight | |
| No water available in the cistern, water tank, water pipe, etc. | → Make sure that the water supply is on the suction side. | |
| Pump was not filled with water [ Fig. A4 ]. | → Fill the pump (see 3.1 To start/ To stop the pump). | |
| Water escapes during the suction process via the pressure hose. |
| |
| Absolutely vacuum-resistant connection is achieved by using GARDENA Suction Hoses (see 8. ACCESSORIES/SPARE PARTS). | ||
| Screw fitting on the filler neck is leaking [ Fig. A2 ]. | → Check the seal (replace if necessary) and tighten the screw fitting by hand (do not use pliers). | |
| Air cannot escape, since the delivery line is closed or remaining water is in the pressure hose. | → Open any shut-off valves (e. g. nozzle) in the delivery line, or drain the pressure hose. | |
| Air cannot escape because the pressure hose is coiled |
| |
| Suction time of 5 min. was not waited for. | → Wait up to 5 minutes for the pump to pump water. | |
| Suction filter or backflow preventer in the suction hose are clogged. | → Clean the suction filter or the backflow preventer | |
| The end of the suction hose is not in the water [ Fig. A5 ]. | → Submerge the end of the suction hose deeper in the water. | |
Suction height is too high [ Fig. A5 ].![]() | → Reduce the suction height. | |
| In case of any other difficulties concerning the suction action, use GARDENA Suction Hoses with Backflow Preventer (see 8. ACCESSORIES/SPARE PARTS). Fill the pump with water before starting it. | ||
| Pump does not start, or stops suddenly during operation | Thermal switch has turned the pump off because of overheating. | → Let the pump cool down, empty the pump and fill it again. → Observe the max. media Temperature (35 °C). |
| No power supply to the pump. | → Check the fuses and electrical plug connections. | |
| RCD has triggered (residual current) | → Unplug the plug from the mains socket and contact the GARDENA Service | |
| Pump is not switched on. | → Push the On /Off switch to the position On | |
| Pump is running but the delivery drops suddenly | The end of the suction hose is not in the water [ Fig. A5 ]. | → Submerge the end of the suction hose deeper in the water. |
| Pump is running but the delivery drops suddenly | Suction filter or backflow preventer in the suction hose are clogged | → Clean the suction filter or the back flow preventer. |
| No water available in the cistern, water tank, water pipe, etc. | → Make sure that the water supply is on the suction side. | |
| Suction line is leaking [ Fig. A2 ] | → Eliminate the leak | |
| Impeller is blocked. | → Loosen the impeller. | |
| Pressure hose is kinked. | → Lay the pressure hose without kinks and do not kink the pressure hose at the pump outlet. | |
| The screw connection of the filter cannot be unscrewed by hand | Tread is dirty | → Use a water pump pliers to unscrew it. → Clean the thread on the filter and in the pump. |
NOTE:
Repairs must only be done by the GARDENA service departments or specialist dealers approved by GARDENA.
→ For any other malfunctions please contact the GARDENA service department.
TECHNICAL DATA
Garden pump | Unit | Value (Art. 9057) | Value (Art. 9058) | Value (Art. 9059) |
| Rated power | W | 900 | 1050 | 1300 |
| Mains voltage | V (AC) | 230 | 230 | 230 |
| Mains frequency | Hz | 50 | 50 | 50 |
| Max. delivery capacity | l/h | 5600 | 6300 | 6500 |
| Max. pressure / Max. delivery head | bar /m | 4.7 4.7 | 4.9 4.9 | 6.0 6.0 |
| Max. self-priming suction height | m | 8 | 8 | 8 |
| Permitted internal pressure (delivery side) | bar | 6 | 6 | 6 |
| Power cable | m | 1.5 (H07RN-F | 1.5 (H07RN-F) | 1.5 (H07RN-F) |
| Weight without cable (approx.) | kg | 10 | 10.7 | 11.8 |
| Sound pressure level LpA Distance: 1 m 5 m 10 m | dB | 58 45 38 | 59 45 39 | 60 46 40 |
| Sound power level LWA 1): measured/guaranteed Uncertainty kWA | dB (A) | 67 / 69 2.67 | 68 / 70 2.29 | 68 / 71 2.78 |
| Max. media temperature | °C | 35 | 35 | 35 |
Measuring process complying with: 1) RL 2000/14/EU
ACCESSORIES/SPARE PARTS
| GARDENA Suction Hoses | Kink-proof and vacuum-proof, optionally available by the metre Art. 1720 / 1721 (19 mm (3/4″) / 25 mm (1″) without connecting fittings or in fixed length Art. 1411 / 1418 complete with connecting fittings. | |
| GARDENA Suction Hose Fitting | For connection on the suction side | Art. 1723 / 1724 |
| GARDENA Pump Connection Set | For connection on the delivery side. | Art. 1750 / 1752 |
| GARDENA Suction Filter with backflow preventer | To equip suction hoses with backflow preventer sold by the meter. | Art. 1726 / 1727 / 1728 |
| GARDENA Pump Preliminary Filter | Recommended for pumping sandy water. | Art. 1730 / 1731 |
| GARDENA Bore Hole Suction Hos | For vacuum-resistant connection of the pump to boreholes or pipe networks. Length 0.5 m. With 33.3 mm (G1) female thread at both end | Art. 1729 |
| GARDENA Floating suction system | For dirt-free suction below the water surface. | Art. 1417 |
| GARDENA Quick coupling | For pressure-side connection of 1″ pressure hoses. | Art. 7109 / 7103 |
SERVICE
Please contact the address on the back page.
DISPOSAL
Disposal of the pump:
(according to Directive 2012/19/EU)
The product must not be disposed of to normal household waste. It must be disposed of in line with local environmental regulations.
IMPORTANT!
→ Dispose of the product through or via your local recycling collection centre.

References
Apache2 Ubuntu Default Page: It works
com.ge - Parking
Garden.az
Husqvarna Forest & Garden
Keller Williams
Siam.com – The digital home of Thailand’s past, present, and future
Compania Convel
Daes.sk | Čerpadlá, závlahy, kosačky
GARDENA - Realize Your Gardening Dreams – Gardena
GARDENA Service - GARDENA Support
Produkt Service - Reparatur Service - GARDENA
Outils de jardin GARDENA: tondeuses, arrosage, décoration de jardin
Safety and regulations
GARDENA - puutarhatyökalut - GARDENA
Садовый Инвентарь | Садовые Инструменты | GARDENA
Servis a prodej zahradní techniky | Jirami.cz
Zahradní technika od autorizovaného prodejce | KISPlus
NOBUR s.r.o. - Nobur
Nordtech – Máquina e Motores
Progress Garden
HOME SIERSAC - SIERSAC | Sierras y Herramientas del Perú
SMAM Tunisia – Société Matériel Agricole et Maritime
Toyama – Power Equipments
Transporter
Buy gardening tools in Egypt online | Shop GARDENA products – Gardena in Egypt






















