DOORHAN PCB-SW Control Board for Swing Drives

ELECTRICAL CONNECTIONS
CAUTION! Wires in the cable shall be protected against contact with any rough and sharp parts. All connections shall be performed only when the power is off.
Control unit schematic diagram

Control unit terminals description
Power input connectors (connector J1)
- ~220-240V. RE, N, L — connector for power voltage unit.
- RE – grounding connection
- N – power (neutral)
- L – power (phase)
Connectors for electric motors and signal lamp (connector J7)
- 1-2-3. M1 (terminals COM/OP/CL) – connector for 1st electric motor. It can be used for opening of one wing (if the pass door or gate is automated).
- 4-5-6. M2 (terminals COM/OP/CL) – connector for 2nd electric motor. It cannot be used for opening of one wing.
- 7-8. LAMP — output for signal lamp connection (230V~ 40 W max).
Connectors for accessories (connector J4 (terminals 9-19) and J3 (terminals 20-1))
- 9-10. S-B-S — command “Full opening”: closing the contacts of device connected to these terminals results in the control unit action in relation to full opening or closing of 2 gate wings.
To connect several devices the NO contacts of these devices shall be connected in parallel. - 11-12. PED – command “Pedestrian passage” or “Close”: closing the contacts of device connected to these terminals results in the control unit action in relation to step-by-step opening or closing of 1 gate wing.
- To connect several devices the NO contacts of these devices shall be connected in parallel.
13-15. OP FOTO — contacts for connection of safety devices in relation to opening (NC): these connections are designed for protection against jamming of people, animals and foreign items in the gate opening when the gate wings are opened. Action of devices when the drive is in operation results in the gate stopping. - If the gate is closed and sensors connected to these terminals were activated this will prevent any motion of gate.
CAUTION! If nothing is connected to these terminals install the jumper between the contacts 13-15.
14-15. CL FOTO — contacts for connection of safety devices in relation to closing (NC): these connections are designed for protection against jamming of people, animals and foreign items in the gate opening when the gate wings are closed. Action of devices when the drive is in operation results in the reverse motion of gate or its immediate stopping and further reverse motion if it is installed (see schematic diagram). Action of device connected to these terminals does not affect in any way the automatic system operation during opening.
If the gate is opened and sensors connected to these terminals were activated this will prevent any motion of gate.
CAUTION! If nothing is connected to these terminals install the jumper between the contacts 14-15.
16-17. STОP — if the in-built pass door is available the contacts are used for connection of safety device with normally closed contacts. Opening of the contacts of device, connected to this terminal, results in the control unit action in relation to stopping the motion.
To connect several devices the NC contacts of these devices shall be connected in series.
CAUTION! If nothing is connected to these terminals install the jumper between the contacts STOP.
18-19. +24 V — accessories power terminal 24V.
CAUTION! Maximum possible current provided by these terminals shall not exceed 500 mA. Count thoroughly the total current consumed by your devices.
20. S — terminal for auxiliary lighting connection.
21. LOCK — terminal for connection of electromagnetic/electromechanical locks connection.
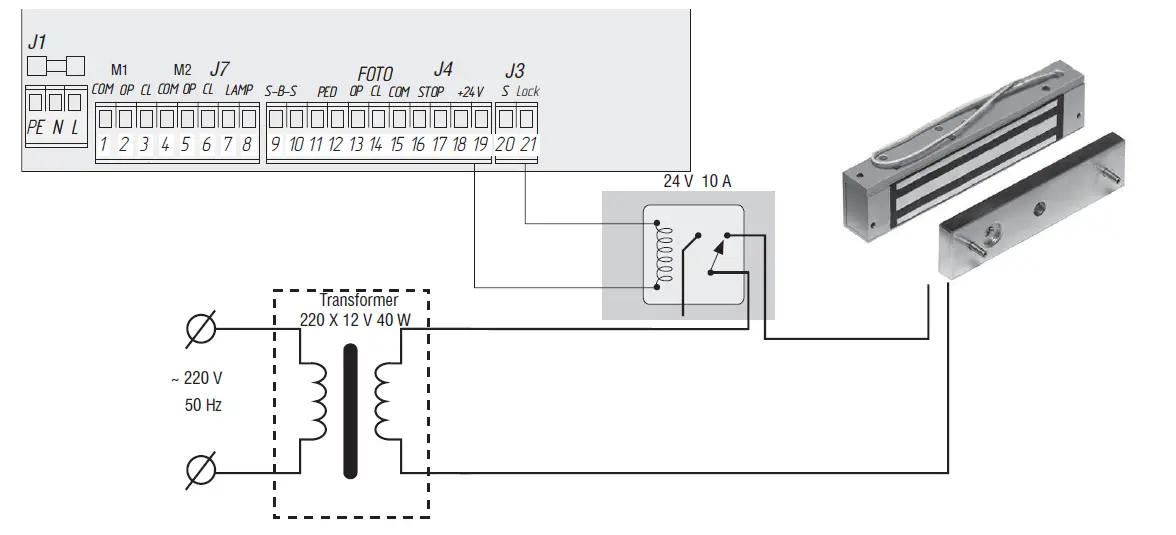
Connection diagrams for auxiliary accessories
Connection diagram for electromagnetic lock
To connect the electromagnetic lock, use the intermediate relay with following technical characteristics:
- power supply voltage: 24 VDC
- switching current: 10 A

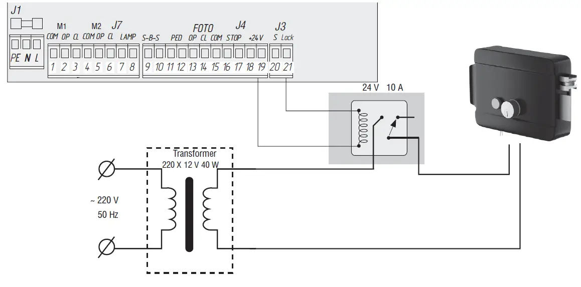
Connection diagram for electromechanical lock with capacity of up to 3A 
Connection diagram for electromechanical lock with capacity of more than 3A
To connect the electromechanical lock, use the intermediate relay with following technical characteristics:
- power supply voltage: 24 VDC
- switching current: 10 A

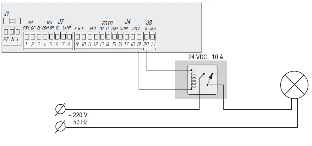
Connection diagram for indicating light 
Connection diagram for auxiliary lighting
To connect the auxiliary lighting, use the intermediate relay with following technical characteristics:
- power supply voltage: 24 VDC
- switching current: 10 A
Connection diagram for auxiliary traffic control signal
To connect the auxiliary lighting, use the intermediate relay with following technical characteristics:
- power supply voltage: 24 VDC
- switching current: 10 A
NOTE: For switching on of signal terminal (S) in the traffic control signal mode see the basic programming table.

DRIVE PROGRAMMING
Basic programming
To perform the basic programming, carry out the following activities:
- Enter the basic programming menu by pressing the «P» button. The left part of screen will display «P», and the right part will display the menu item according to the programming table (see the Basic Programming Table).
- Pressing the buttons «+» or «-» select the required menu item.
- To enter the menu press «P», after it the value of adjusted parameter will start flashing on the screen.
- Pressing the buttons «+» or «-» change the value of adjusted parameter.
- Press «P» to save new value and exit to main menu.
- Having performed the adjustment of all required parameters press «R» to exit the programming menu.
NOTE: Press «R» if you need to exit to main menu without saving the parameters.
Basic Programming Table
| Menu item | Description of function | By default |
| P0 | Drive operation mode selection: Y – «on time» mode; n – «on limit switches» mode | n |
| P1 | 1st wing closing delay: 1 – 1 sec., 2 – 5 sec., 3 – 10 sec., 4 – 15 sec., 5 – 20 sec., 6 – 25 sec., 7 – 30 sec., 8 – 35 sec., 9 – 40 sec. | 2 |
| P2 | 2nd wing opening delay: 1 – 1 sec., 2 – 2 sec., 3 – 3 sec., 4 – 4 sec., 5 – 5 sec. | 2 |
| P3 | Control board operation adjustment (forces and time of operation) | Ln |
| P4 | Function of automatic closing of opened gate in: 0 – off, 1 – 10 sec., 2 – 20 sec., 3 – 30 sec., 4 – 60 sec., 5 – 90 sec., 6 – 120 sec., 7 – 180 sec., 8 – 360 sec., 9 – 420 sec. | 0 |
| P5 | Auxiliary lighting (terminals 19-20): 0 – flashing during closing, turning on on opening; 1 – 8 switching on during any motion and switching off after stopping in: 1 – 10 sec., 2 – 20 sec., 3 – 30 sec., 4 – 60 sec., 5 – 90 sec., 6 – 120 sec., 7 – 180 sec., 8 – 360 sec.; 9 – traffic control light mode. It is switched on only in the opened position at limit switches (it does not operate in this mode without limit switches). | 0 |
| P6 | Cycling counter (one division means 1000 cycles) | 00 |
Drive operation settings
Training process depends on a selected operation mode («P0» menu item).
THE «ON limit switches» mode (by default):
- Set the leaves to closed position and set the drives to locked state (if the ledge is available, adjust the leaves delay).
- Enter the Basic Programming menu (see the Section «The Basic Programming») and select the item «P3».
- Press the button «P». The leaf 1 begins to open and the display starts blinking the letters «Ln».
- If you want to configure the deceleration, click the button «+» while a leaf moves.
- After finishing an opening cycle and closing the leaves, two short beeps will sound and the program will automatically exit the programming mode.
THE «on time» mode:
- Set the leaves to closed position and set the drives to locked state (if the ledge is available, adjust the leaves delay).
- Enter the Basic Programming Menu (see the Section «Basic Programming») and select the item «P3».
- Press the button «P». The leaf 1 begins to open and the display starts blinking the letters «Ln».
- Press the button «+», the leaf starts to slow down.
- Press the button «+» once more, the leaf 1 will stop. If the single-leaf door automation mode is set (see the Section «The Advanced Programming»), the item 12 will perform.
- Leaf 2 begins to open.
- Press the button «+», the leaf starts to slow down.
- Press the button «+» once more, the leaf 2 will stop.
- Leaf 2 begins to close.
- Press the button «+», the leaf starts to slow down.
- Press the button «+» once more, the leaf 2 will stop.
- The leaf 1 begins to close.
- Press the button «+», the leaf starts to slow down.
- Press the button «+» once more, the leaf 1 will stop.
- Two short beeps will sound, and the program automatically exits the programming mode.
NOTE: In case of the safety device action the lettering «Er» (Error) will start flashing on the screen. Remove the cause of error and repeat training.
NOTE: To adjust the leaves movement without delay, press the «+» button twice on having reached the desired operating time.
Extended programming
To perform the extended programming, carry out the following activities:
- Press the «P» button for 10 seconds to enter the extended programming. The left part of screen will display «0», and the right part will display the menu item (see the Extended Programming Table).
- Pressing the buttons «+» or «-» select the required menu item.
- Press «P» to enter the menu item, after it the value of adjusted parameter will start flashing on the screen.
- Pressing the buttons «+» or «-» change the value of adjusted parameter.
- Press «P» to save new value and exit to main menu.
- Having performed the adjustment of all required parameters press «R» to exit the programming menu.
NOTE: Press «R» if you need to exit to main menu without saving the parameters.
| Menu item | Description of function | By default |
| 0.0 | Automatization mode for pass door or single-wing gate: Y – the function is enabled; n – the function is disabled | n |
| 0.1 | Force on the 1st wing: 1 – minimum force; 6 – maximum force | 3 |
| 0.2 | Force on the 2nd wing: 1 – minimum force; 6 – maximum force | 3 |
| 0.3 | Maximum force at the initial time: Y – the function is enabled; n – the function is disabled | n |
| 0.4 | Preliminary switching on of signal lamp (5 sec.): Y – the function is enabled; n – the function is disabled | n |
| 0.5 | Selection of the terminal (19-20) logic operation for electric lock: Y – electromagnetic; n – electromechanical | n |
| 0.6 | Y – reverse motion after the cleaning of opening; n – immediate reverse motion | n |
| 0.7 | Function of automatic gate closing after the photocell action Y – the function is enabled; n – the function is disabled | n |
| 0.8 | Gate opening/closing logic when the buttons are held pressed (control panel is not working): Y – the function is enabled; n – the function is disabled | n |
| 0.9 | Function of the control commands acceptance inhibition in case of gate opening motion: Y – the function is enabled; n – the function is disabled | n |
| 1.0 | Separate control logic. S-B-S button – opening and stopping of gate. PED button – closing and stopping of gate. Y – the function is enabled; n – the function is disabled | n |
| 9.8 | Reset the settings to the factory settings | rE |
| 9.9 | Software version |
Reset of parameters to factory settings
To reset the control board parameters to factory settings enter the extended programming, select the item «9.8» and press the «P» button. The screen will display «rE», press and hold the «P» button for five seconds. «rE» will stop flashing on the screen and the board will be reloaded; short audio signal will be given. All the setting will be BY DEFAULT after performing this operation.
NOTE: The receiver memory is not cleared when resetting to the factory settings.
PROGRAMMING OF REMOTE CONTROL PANELS
Receiver memory clearing
Press and hold the «R» button for 10 seconds after the power is on. After that the long audio signal will be given and program will go to the operation mode.
Recording of doorhan panels in the receiver
To record the remote control panel press and hold the «R» button, release it after the screen will show double zero «00». Then on the control panel select the button which in future will control the unit operation and press it twice. Short audio signal will be given indicating that recording of panel to the receiver memory was performed successfully, the screen will display the number of panels recorded in the receiver. Wait for automatic switching to operation mode. To record several panels repeat the code recording procedure for every panel. Thus, up to 60 panels can be recorded in the receiver memory.
NOTES:
- If there is no control commands exit from the panels recording mode is performed automatically after 10 seconds of down time.
- If the control unit is disconnected from the power supply the data programmed are saved in the memory.
- In case of receiver memory overflow 3 long audio signals will be given.
Remote programming of doorhan panels
Perform the items 1-4 within 5-second interval:
- Press and hold the button 2 of programmed panel (see figure).
- Do not release the button 2, and press and hold the button 1.
- Release the buttons being held.
- Press the programmed panel button, the receiver will switch to the panel programming mode.
- On new control panel press twice the button which in future will control the drive.
Short audio signal will be given indicating that recording of panel to the receiver memory was performed successfully, the screen will display the number of panels recorded in the receiver (for example, «01»).

NOTES:
- Perform the programming of panels within the electric drive receiver operation range.
- Number of button can be determined by the dots on the panel housing.
NOTE: To adjust the leaves movement without delay, press the «+» button twice on having reached the desired operating time.
Extended programming
To perform the extended programming, carry out the following activities:
- Press the «P» button for 10 seconds to enter the extended programming. The left part of screen will display «0», and the right part will display the menu item (see the Extended Programming Table).
- Pressing the buttons «+» or «-» select the required menu item.
- Press «P» to enter the menu item, after it the value of adjusted parameter will start flashing on the screen.
- Pressing the buttons «+» or «-» change the value of adjusted parameter.
- Press «P» to save new value and exit to main menu.
- Having performed the adjustment of all required parameters press «R» to exit the programming menu.
NOTE: Press «R» if you need to exit to main menu without saving the parameters.
| Menu item | Description of function | By default |
| 0.0 | Automatization mode for pass door or single-wing gate: Y – the function is enabled; n – the function is disabled | n |
| 0.1 | Force on the 1st wing: 1 – minimum force; 6 – maximum force | 3 |
| 0.2 | Force on the 2nd wing: 1 – minimum force; 6 – maximum force | 3 |
| 0.3 | Maximum force at the initial time: Y – the function is enabled; n – the function is disabled | n |
| 0.4 | Preliminary switching on of signal lamp (5 sec.): Y – the function is enabled; n – the function is disabled | n |
| 0.5 | Selection of the terminal (19-20) logic operation for electric lock: Y – electromagnetic; n – electromechanical | n |
| 0.6 | Y – reverse motion after the cleaning of opening; n – immediate reverse motion | n |
| 0.7 | Function of automatic gate closing after the photocell action Y – the function is enabled; n – the function is disabled | n |
| 0.8 | Gate opening/closing logic when the buttons are held pressed (control panel is not working): Y – the function is enabled; n – the function is disabled | n |
| 0.9 | Function of the control commands acceptance inhibition in case of gate opening motion: Y – the function is enabled; n – the function is disabled | n |
| 1.0 | Separate control logic. S-B-S button – opening and stopping of gate. PED button – closing and stopping of gate. Y – the function is enabled; n – the function is disabled | n |
| 9.8 | Reset the settings to the factory settings | rE |
| 9.9 | Software version |
Reset of parameters to factory settings
To reset the control board parameters to factory settings enter the extended programming, select the item «9.8» and press the «P» button. The screen will display «rE», press and hold the «P» button for five seconds. «rE» will stop flashing on the screen and the board will be reloaded; short audio signal will be given. All the setting will be BY DEFAULT after performing this operation.
NOTE: The receiver memory is not cleared when resetting to the factory settings.
PROGRAMMING OF REMOTE CONTROL PANELS
Receiver memory clearing
Press and hold the «R» button for 10 seconds after the power is on. After that the long audio signal will be given and program will go to the operation mode.
Recording of doorhan panels in the receiver
To record the remote control panel press and hold the «R» button, release it after the screen will show double zero «00». Then on the control panel select the button which in future will control the unit operation and press it twice. Short audio signal will be given indicating that recording of panel to the receiver memory was performed successfully, the screen will display the number of panels recorded in the receiver. Wait for automatic switching to operation mode. To record several panels repeat the code recording procedure for every panel. Thus, up to 60 panels can be recorded in the receiver memory.
NOTES:
- If there is no control commands exit from the panels recording mode is performed automatically after 10 seconds of down time.
- If the control unit is disconnected from the power supply the data programmed are saved in the memory.
- In case of receiver memory overflow 3 long audio signals will be given.
Remote programming of doorhan panels
Perform the items 1-4 within 5-second interval:
- Press and hold the button 2 of programmed panel (see figure).
- Do not release the button 2, and press and hold the button 1.
- Release the buttons being held.
- Press the programmed panel button, the receiver will switch to the panel programming mode.
- On new control panel press twice the button which in future will control the drive.
Short audio signal will be given indicating that recording of panel to the receiver memory was performed successfully, the screen will display the number of panels recorded in the receiver (for example, «01»).

NOTES:
- Perform the programming of panels within the electric drive receiver operation range.
- Number of button can be determined by the dots on the panel housing.



















