
Dial Thermostat
Model: HTR24

VIII 2020 [ENG]
INSTALLER MANUAL
Contents of the box
Icons used in this manual:
| Safety | |
| Important info | |
| Your benefit |
Manual Contents:
Box Contents
Introduction
Product Compliance and
Safety Information
Installation
User Interface
Status/LED indication
Installers notes
Warranty
Product Description
Thank you for purchasing the SALUS HTR24 Thermostat. This thermostat is a device that lets you customize the heating and cooling of your home as needed.
The HTR24 is an electronic room temperature controller which offers key advantages over conventional mechanical products:
The controller is easy to operate using the conventional backlit adjusting dial and offers you unique control convenience for heating applications of all types thanks to the high-quality device electronics.
We hope you enjoy our product.
Product Compliance & Safety Information
Product Compliance
SALUS Controls hereby declares that the product complies with the essential requirements of the following EC Directives: 2014/30/EU and 2011/65/EU. The
full text of the EU Declaration of Conformity is available at the following internet address: www.saluslegal.com.
Safety Information
Use in compliance with safety regulations. The unit is to be used for the control of room temperature inside the house.
Installation
This accessory must be fitted by a competent person, and installation must comply with the guidance, standards, and regulations applicable to the city, country, or state where the product is installed. Failure to comply with the relevant standards could lead to prosecution.
Note: All electrical installation work should be carried out by a suitably qualified electrician or another competent person.
Mounting the Thermostat
Install the HTR24 dial room thermostat at roughly 1.5m above floor level. It should be mounted in a location where the thermostat is easily accessible and away from direct sunlight. You can mount the thermostat directly on the wall or you can install it on top of a wall box.

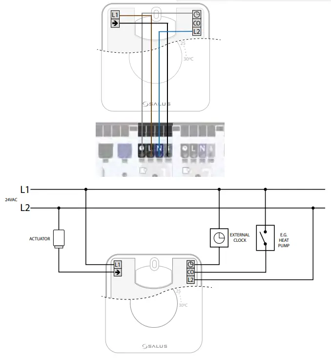
Terminal Connection

Note: You can wire the thermostat directly to the KL06 24V Wiring Center (purchased separately).
Switching Bridges

Different features of the HTR24 can be switched On or OFF with the jumpers. In order to do this please follow the table below.

Jumpers
The jumpers from 1 to 5 are representing the number of actuators that you can connect to the thermostat.
After the actuators are mounted please move the jumper on the correct number (the same as the number of actuators).
Depending on the amount of actuator used, please change the jumper position accordingly to compensate for the power consumption.

Thermostat Functions
NSB (Night SetBack) Function
NSB Mode depends on the NSB wired connection.
0V = NSB OFF
24V= NSB ON
The NSB signal is activated every 1 second. When the signal is received the setpoint temperature will be set at ±2°C or ±4°C.
Heating and Cooling Selection
The Heating/Cooling function is determined by the CO terminal connection.
CO 0 V = Heat mode
CO 24V= Cool mode
Cooling Blocked function
Cooling Enabled:
Set the jumper on ON
. The thermostat will run in normal cooling mode.
That means that it will open/close the actuators when necessary. The LED will be BLUE when the cooling function is running.
Cooling Disabled:
Set the jumper on OFF
. The actuator will be closed and the LED will be off.
Protection Function
Heat cut off at high/low temperature:
When the room temperature is over 36°C or under 4°C, all heating/cooling outputs will be turned off.
Short cycle protection:
When Cooling Mode has enabled the minimum interval between Relay ON/OFF is 3 minutes.
Valve Protection:
Set the jumper on ‘ON’ to disable the function or on ‘OFF’ to enable it. Turn on the valve for 5 minutes every week to prevent any damage to the valve.
Sensor Malfunction:
If the temperature sensor or temperature sensor compensation is open the LED will flash BLUE/RED alternatively.
Control Patterns
If the CO terminal is connected and the Heating Mode is ON, the PWM function will be activated.
If the CO terminal is disconnected and the Cooling Mode is ON the ON/OFF control output will be activated.
Technical Specification
| Model: | HTR24 |
| Voltage: | 24 V AC, +-10%, 50/60 Hz |
| Operating Performance: | 24 V: 1,8 W |
| Temperature setback: | 2°C-4°C |
| Temperature range: | 5°C- 30°C |
| Span: | +/- 0,5°C |
| Calibration: | Yes, with a jumper |
| Storage temperature: | -20°C to +60°C |
| Ambient temperature: | 0 °C up to 45 °C |
| Degree of protection: | IP 30 |
| CE conformity according to: | Class II ( EN60730 ) |
| Housing material: | PC, V2 |
| Color: | RAL 9010 pure white |
| Connection: | Screw terminal |
| Weight | 90g net / 135g gross |
| Puls-wide-modulation: (PWM) | Yes |
| Valve protection: | Yes |
| Heating and Cooling: | Yes, automatically Change Over on the CO terminal |
| Cooling blocked: | Yes, with a jumper |
| Dimensions: | 85mm*85mm*25mm |
Warranty
SALUS Controls warrants that this product (HTR24) will be free from any defect in materials or workmanship, and shall perform in accordance with its specification, for a period of five years from the date of installation. SALUS Controls sole liability for breach of this warranty will be (at its option) to repair
or replace the defective product.
Customer Name: …………………………………………………………..
Customer Address: ……………………………………………………….
Post Code: ………………………………………………………………….
Tel No: ……………………………………………………………………….
Email: …………………………………………………………………………
Engineers Company: ………………………………………………….
Tel No: ………………………………………………………………………
Email: ……………………………………………………………………….
Installation Date: ……………………………………………………….
Engineers Name: ………………………………………………………
Engineers Signature: …………………………………………………
SALUS Controls plc
SALUS House
SALUS Controls Plc
Units 8-10 Northfield Business Park
Forge Way, Parkgate, Rotherham
S60 1SD, United Kingdom
T: +44 (0) 1226 323961 Sales:
E: [email protected]
T: +44 (0) 1226 323961 Technical:
E: [email protected]
![]()
www.salus-controls.com
SALUS Controls is a member of the Computime Group Maintaining a policy of continuous product development SALUS Controls plc reserves the right to change specifications, designs,s, and materials of products listed in this brochure without prior notice.
For PDF Installation guide please go to www.salus-manuals.com
Issue Date: VIII 2020
00189



















